URI: 
  TEXT View Source
       
       # ELITEGROUP COMPUTER SYSTEMS, INC.
       
          P5SJ-A
       
          Processor        CX M1/AM K5/AM K6/Pentium                     
          Processor Speed  75/90/100/120/133/150/166/180/200MHz          
          Chip Set         SIS 5582                                      
          Video Chip Set   Unidentified                                  
          Maximum Onboard  256MB (EDO supported)                         
          Memory           
          Maximum Video    Unidentified                                  
          Memory           
          Cache            256KB                                         
          BIOS             Award                                         
          Dimensions       305mm x 244mm                                 
          I/O Options      32-bit PCI slots (4), floppy drive interface, 
                           IDE interfaces (2), parallel port, PS/2 mouse 
                           port, serial ports (2), VGA interface, IR     
                           connector, USB connector, ATX power connector 
          NPU Options      None                                          
       
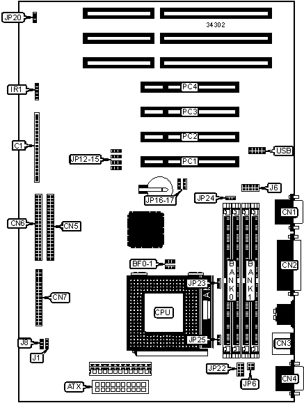
   IMG IMG 1
          
       
          +------------------------------------------------------------+
          |                        CONNECTIONS                         |
          |------------------------------------------------------------|
          | Purpose          | Location  | Purpose          | Location |
          |------------------+-----------+------------------+----------|
          | ATX power        |    ATX    | Serial port 1    |   CN4    |
          | connector        |           |                  |          |
          |------------------+-----------+------------------+----------|
          | Power LED        | C1/pins 1 | IDE interface 2  |   CN5    |
          |                  |    & 3    |                  |          |
          |------------------+-----------+------------------+----------|
          | ACPI switch      | C1/pins 4 | IDE interface 1  |   CN6    |
          |                  |    & 5    |                  |          |
          |------------------+-----------+------------------+----------|
          | ACPI LED         | C1/pins 6 | Floppy drive     |   CN7    |
          |                  |    - 8    | interface        |          |
          |------------------+-----------+------------------+----------|
          | Reset switch     | C1/pins 9 | IR connector     |   IR1    |
          |                  |   & 10    |                  |          |
          |------------------+-----------+------------------+----------|
          | Keylock          |  C1/pins  | Chassis fan      |    J1    |
          |                  |  11 & 12  | power            |          |
          |------------------+-----------+------------------+----------|
          | Speaker          |  C1/pins  | VGA interface    |    J6    |
          |                  |  13 - 16  |                  |          |
          |------------------+-----------+------------------+----------|
          | IDE interface    |  C1/pins  | Wake up          |    J8    |
          | LED              |  17 & 18  | connector        |          |
          |------------------+-----------+------------------+----------|
          | Serial port 2    |    CN1    | 32-bit PCI slots |  PC1 –   |
          |                  |           |                  |   PC4    |
          |------------------+-----------+------------------+----------|
          | Parallel port    |    CN2    | USB connector    |   USB    |
          |------------------+-----------+------------------+----------|
          | PS/2 mouse port  |    CN3    |                  |          |
          +------------------------------------------------------------+
       
          +------------------------------------------------------------+
          |                 USER CONFIGURABLE SETTINGS                 |
          |------------------------------------------------------------|
          |              Function              | Label |   Position    |
          |------------------------------------+-------+---------------|
          | » | CMOS memory normal operation   | JP16  |  Pins 1 & 2   |
          |   |                                |       |    closed     |
          |---+--------------------------------+-------+---------------|
          |   | CMOS memory clear              | JP16  |  Pins 2 & 3   |
          |   |                                |       |    closed     |
          |---+--------------------------------+-------+---------------|
          | » | Power supply select AT         | JP17  |  Pins 2 & 3   |
          |   |                                |       |    closed     |
          |---+--------------------------------+-------+---------------|
          |   | Power supply select ATX        | JP17  |  Pins 1 & 2   |
          |   |                                |       |    closed     |
          |---+--------------------------------+-------+---------------|
          | » | Flash BIOS boot block enabled  | JP20  |  Pins 1 & 2   |
          |   |                                |       |    closed     |
          |---+--------------------------------+-------+---------------|
          |   | Flash BIOS boot block disabled | JP20  |  Pins 2 & 3   |
          |   |                                |       |    closed     |
          +------------------------------------------------------------+
       
          +------------------------------------------------------------+
          |                     DRAM CONFIGURATION                     |
          |------------------------------------------------------------|
          |       Size       |       Bank 0       |       Bank 1       |
          |------------------+--------------------+--------------------|
          |       2MB        |   (2) 512K x 36    |        None        |
          |------------------+--------------------+--------------------|
          |       4MB        |   (2) 512K x 36    |   (2) 512K x 36    |
          |------------------+--------------------+--------------------|
          |       8MB        |    (2) 1M x 36     |        None        |
          |------------------+--------------------+--------------------|
          |       16MB       |    (2) 2M x 36     |        None        |
          |------------------+--------------------+--------------------|
          |       16MB       |    (2) 1M x 36     |    (2) 1M x 36     |
          |------------------+--------------------+--------------------|
          |       24MB       |    (2) 2M x 36     |    (2) 1M x 36     |
          |------------------+--------------------+--------------------|
          |       32MB       |    (2) 4M x 36     |        None        |
          |------------------+--------------------+--------------------|
          |       32MB       |    (2) 2M x 36     |    (2) 2M x 36     |
          |------------------+--------------------+--------------------|
          |       40MB       |    (2) 4M x 36     |    (2) 1M x 36     |
          |------------------+--------------------+--------------------|
          |       48MB       |    (2) 4M x 36     |    (2) 2M x 36     |
          |------------------+--------------------+--------------------|
          |       64MB       |    (2) 8M x 36     |        None        |
          |------------------+--------------------+--------------------|
          |       64MB       |    (2) 4M x 36     |    (2) 4M x 36     |
          |------------------+--------------------+--------------------|
          |       72MB       |    (2) 8M x 36     |    (2) 1M x 36     |
          |------------------+--------------------+--------------------|
          |       80MB       |    (2) 8M x 36     |    (2) 2M x 36     |
          |------------------+--------------------+--------------------|
          |       96MB       |    (2) 8M x 36     |    (2) 4M x 36     |
          |------------------+--------------------+--------------------|
          |      128MB       |    (2) 8M x 36     |    (2) 8M x 36     |
          +------------------------------------------------------------+
       
          +------------------------------------------------------------+
          |                 DRAM CONFIGURATION (CON’T)                 |
          |------------------------------------------------------------|
          |       Size       |       Bank 0       |       Bank 1       |
          |------------------+--------------------+--------------------|
          |      128MB       |    (2) 16M x 36    |        None        |
          |------------------+--------------------+--------------------|
          |      136MB       |    (2) 16M x 36    |    (2) 1M x 36     |
          |------------------+--------------------+--------------------|
          |      144MB       |    (2) 16M x 36    |    (2) 2M x 36     |
          |------------------+--------------------+--------------------|
          |      160MB       |    (2) 16M x 36    |    (2) 4M x 36     |
          |------------------+--------------------+--------------------|
          |      192MB       |    (2) 16M x 36    |    (2) 8M x 36     |
          |------------------+--------------------+--------------------|
          |      256MB       |    (2) 16M x 36    |    (2) 16M x 36    |
          |------------------+--------------------+--------------------|
          |      256MB       |    (2) 32M x 36    |        None        |
          |------------------------------------------------------------|
          | Note: Board accepts EDO memory.                            |
          +------------------------------------------------------------+
       
          +------------------------------------------------------------+
          |                    CACHE CONFIGURATION                     |
          |------------------------------------------------------------|
          | Note: The location of the cache is unidentified.           |
          +------------------------------------------------------------+
       
          +------------------------------------------------------------+
          |                CPU SPEED SELECTION (CYRIX)                 |
          |------------------------------------------------------------|
          |  CPU  | Clock |Multiplier|BF0 |BF1 |JP12 |JP13 |JP14 |JP15 |
          | speed | speed |          |    |    |     |     |     |     |
          |-------+-------+----------+----+----+-----+-----+-----+-----|
          | 90MHz | 60MHz |    2x    |2 & |1 & |2 & 3|1 & 2|1 & 2|2 & 3|
          |       |       |          | 3  | 2  |     |     |     |     |
          |-------+-------+----------+----+----+-----+-----+-----+-----|
          |100MHz | 50MHz |    2x    |2 & |1 & |2 & 3|2 & 3|1 & 2|2 & 3|
          |       |       |          | 3  | 2  |     |     |     |     |
          |-------+-------+----------+----+----+-----+-----+-----+-----|
          |120MHz | 55MHz |    2x    |2 & |1 & |2 & 3|2 & 3|1 & 2|1 & 2|
          |       |       |          | 3  | 2  |     |     |     |     |
          |-------+-------+----------+----+----+-----+-----+-----+-----|
          |133MHz | 60MHz |    2x    |2 & |1 & |2 & 3|1 & 2|1 & 2|2 & 3|
          |       |       |          | 3  | 2  |     |     |     |     |
          |-------+-------+----------+----+----+-----+-----+-----+-----|
          |150MHz | 66MHz |    2x    |2 & |1 & |1 & 2|2 & 3|1 & 2|2 & 3|
          |       |       |          | 3  | 2  |     |     |     |     |
          |-------+-------+----------+----+----+-----+-----+-----+-----|
          |166MHz | 66MHz |    2x    |2 & |1 & |1 & 2|2 & 3|1 & 2|2 & 3|
          |       |       |          | 3  | 2  |     |     |     |     |
          |-------+-------+----------+----+----+-----+-----+-----+-----|
          |200MHz | 75MHz |    3x    |1 & |2 & |2 & 3|1 & 2|1 & 2|1 & 2|
          |       |       |          | 2  | 3  |     |     |     |     |
          |------------------------------------------------------------|
          |Note: Pins designated should be in the closed position.     |
          +------------------------------------------------------------+
       
          +------------------------------------------------------------+
          |                 CPU SPEED SELECTION (AMD)                  |
          |------------------------------------------------------------|
          |  CPU  | Clock |Multiplier|BF0 |BF1 |JP12 |JP13 |JP14 |JP15 |
          | speed | speed |          |    |    |     |     |     |     |
          |-------+-------+----------+----+----+-----+-----+-----+-----|
          | 75MHz | 50MHz |   1.5x   |1 & |1 & |2 & 3|2 & 3|1 & 2|2 & 3|
          |       |       |          | 2  | 2  |     |     |     |     |
          |-------+-------+----------+----+----+-----+-----+-----+-----|
          | 90MHz | 60MHz |   1.5x   |1 & |1 & |2 & 3|1 & 2|1 & 2|2 & 3|
          |       |       |          | 2  | 2  |     |     |     |     |
          |-------+-------+----------+----+----+-----+-----+-----+-----|
          |100MHz | 66MHz |   1.5x   |1 & |1 & |1 & 2|2 & 3|1 & 2|2 & 3|
          |       |       |          | 2  | 2  |     |     |     |     |
          |-------+-------+----------+----+----+-----+-----+-----+-----|
          |120MHz | 60MHz |    2x    |2 & |1 & |2 & 3|1 & 2|1 & 2|2 & 3|
          |       |       |          | 3  | 2  |     |     |     |     |
          |-------+-------+----------+----+----+-----+-----+-----+-----|
          |133MHz | 66MHz |    2x    |2 & |1 & |1 & 2|2 & 3|1 & 2|2 & 3|
          |       |       |          | 3  | 2  |     |     |     |     |
          |-------+-------+----------+----+----+-----+-----+-----+-----|
          |150MHz | 60MHz |   2.5x   |2 & |2 & |2 & 3|1 & 2|1 & 2|2 & 3|
          |       |       |          | 3  | 3  |     |     |     |     |
          |-------+-------+----------+----+----+-----+-----+-----+-----|
          |166MHz | 66MHz |   2.5x   |2 & |2 & |1 & 2|2 & 3|1 & 2|2 & 3|
          |       |       |          | 3  | 3  |     |     |     |     |
          |------------------------------------------------------------|
          |Note: Pins designated should be in the closed position.     |
          +------------------------------------------------------------+
       
          +------------------------------------------------------------+
          |                CPU SPEED SELECTION (INTEL)                 |
          |------------------------------------------------------------|
          |  CPU  | Clock |Multiplier|BF0 |BF1 |JP12 |JP13 |JP14 |JP15 |
          | speed | speed |          |    |    |     |     |     |     |
          |-------+-------+----------+----+----+-----+-----+-----+-----|
          | 75MHz | 50MHz |   1.5x   |1 & |1 & |2 & 3|2 & 3|1 & 2|2 & 3|
          |       |       |          | 2  | 2  |     |     |     |     |
          |-------+-------+----------+----+----+-----+-----+-----+-----|
          | 90MHz | 60MHz |   1.5x   |1 & |1 & |2 & 3|1 & 2|1 & 2|2 & 3|
          |       |       |          | 2  | 2  |     |     |     |     |
          |-------+-------+----------+----+----+-----+-----+-----+-----|
          |100MHz | 66MHz |   1.5x   |1 & |1 & |1 & 2|2 & 3|1 & 2|2 & 3|
          |       |       |          | 2  | 2  |     |     |     |     |
          |-------+-------+----------+----+----+-----+-----+-----+-----|
          |120MHz | 60MHz |    2x    |2 & |1 & |2 & 3|1 & 2|1 & 2|2 & 3|
          |       |       |          | 3  | 2  |     |     |     |     |
          |-------+-------+----------+----+----+-----+-----+-----+-----|
          |133MHz | 66MHz |    2x    |2 & |1 & |1 & 2|2 & 3|1 & 2|2 & 3|
          |       |       |          | 3  | 2  |     |     |     |     |
          |-------+-------+----------+----+----+-----+-----+-----+-----|
          |150MHz | 60MHz |   2.5x   |2 & |2 & |2 & 3|1 & 2|1 & 2|2 & 3|
          |       |       |          | 3  | 3  |     |     |     |     |
          |-------+-------+----------+----+----+-----+-----+-----+-----|
          |166MHz | 66MHz |   2.5x   |2 & |2 & |1 & 2|2 & 3|1 & 2|2 & 3|
          |       |       |          | 3  | 3  |     |     |     |     |
          |-------+-------+----------+----+----+-----+-----+-----+-----|
          |180MHz | 60MHz |    3x    |1 & |2 & |2 & 3|1 & 2|1 & 2|2 & 3|
          |       |       |          | 2  | 3  |     |     |     |     |
          |-------+-------+----------+----+----+-----+-----+-----+-----|
          |200MHz | 66MHz |    3x    |1 & |2 & |1 & 2|2 & 3|1 & 2|2 & 3|
          |       |       |          | 2  | 3  |     |     |     |     |
          |------------------------------------------------------------|
          |Note: Pins designated should be in the closed position.     |
          +------------------------------------------------------------+
       
          +------------------------------------------------------------+
          |               CPU VOLTAGE SELECTION (SINGLE)               |
          |------------------------------------------------------------|
          | Voltage |        JP6        |             JP22             |
          |---------+-------------------+------------------------------|
          |  3.3v   | Pins 1 & 2 closed | Pins 1 & 2, 3 & 4, 5 & 6, 7  |
          |         |                   |          & 8 closed          |
          |---------+-------------------+------------------------------|
          |  3.52v  | Pins 3 & 4 closed | Pins 1 & 2, 3 & 4, 5 & 6, 7  |
          |         |                   |          & 8 closed          |
          +------------------------------------------------------------+
       
          +------------------------------------------------------------+
          |                CPU VOLTAGE SELECTION (DUAL)                |
          |------------------------------------------------------------|
          |   Voltage    |   V core    |    JP6     |       JP22       |
          |--------------+-------------+------------+------------------|
          |     3.3v     |    2.54v    |   1 & 2    |   3 & 4, 7 & 8   |
          |--------------+-------------+------------+------------------|
          |     3.3v     |    2.84v    |   1 & 2    |      1 & 2       |
          |--------------+-------------+------------+------------------|
          |     3.3v     |    2.94v    |   1 & 2    |   1 & 2, 7 & 8   |
          |--------------+-------------+------------+------------------|
          |     3.3v     |    3.24v    |   1 & 2    |   1 & 2, 3 & 4   |
          |--------------+-------------+------------+------------------|
          |     3.3v     |    3.34v    |   1 & 2    |   3 & 4, 5 & 6   |
          |--------------+-------------+------------+------------------|
          |    3.52v     |    2.54v    |   3 & 4    |   3 & 4, 7 & 8   |
          |--------------+-------------+------------+------------------|
          |    3.52v     |    2.84v    |   3 & 4    |      1 & 2.      |
          |--------------+-------------+------------+------------------|
          |    3.52v     |    2.94v    |   3 & 4    |   1 & 2, 7 & 8   |
          |--------------+-------------+------------+------------------|
          |    3.52v     |    3.24v    |   3 & 4    |   1 & 2, 3 & 4   |
          |--------------+-------------+------------+------------------|
          |    3.52v     |    3.34v    |   3 & 4    |   3 & 4, 5 & 6   |
          |------------------------------------------------------------|
          | Note: Pins designated should be in the closed position.    |
          +------------------------------------------------------------+
       
          +------------------------------------------------------------+
          |                  ON BOARD VIDEO SELECTION                  |
          |------------------------------------------------------------|
          | Setting  |      JP23      |      JP24      |     JP25      |
          |----------+----------------+----------------+---------------|
          | Enabled  |   Pins 1 & 2   |   Pins 2 & 3   |  Pins 1 & 2   |
          |          |     closed     |     closed     |    closed     |
          |----------+----------------+----------------+---------------|
          | Disabled |   Pins 2 & 3   |   Pins 1 & 2   |  Pins 2 & 3   |
          |          |     closed     |     closed     |    closed     |
          +------------------------------------------------------------+