URI: 
  TEXT View Source
       
       # GEMLIGHT COMPUTER, LTD.
       
          GMB-P57SAX (VER. 1.10)
       
          Processor        CX 6X86/CX 6X86L/CX 6X86MX/AM K5/AM           
                           K6/Pentium                                    
          Processor Speed  90/100/120/133/150/166/200/233/266MHz         
          Chip Set         SIS                                           
          Video Chip Set   Unidentified                                  
          Maximum Onboard  384MB (EDO supported)                         
          Memory           
          Maximum Video    Unidentified                                  
          Memory           
          Cache            512KB                                         
          BIOS             Award                                         
          Dimensions       304mm x 218mm                                 
          I/O Options      32-bit PCI slots (4), floppy drive interface, 
                           game port, IDE interfaces (2), parallel port, 
                           PS/2 mouse port, serial ports (2), IR         
                           connector, USB connectors (2), ATX power      
                           connector, wavetable connector, microphone    
                           in, line in, speaker out                      
          NPU Options      None                                          
       
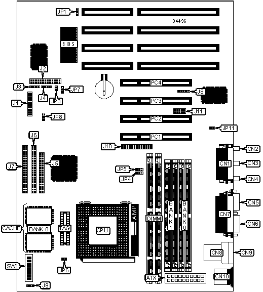
   IMG IMG 1
          
       
          +------------------------------------------------------------+
          |                        CONNECTIONS                         |
          |------------------------------------------------------------|
          | Purpose         | Location  | Purpose          | Location  |
          |-----------------+-----------+------------------+-----------|
          | ATX power       |    ATX    | Power switch     | J1/pins 7 |
          | connector       |           |                  |    & 8    |
          |-----------------+-----------+------------------+-----------|
          |                 |           | Reset switch     | J1/pins 9 |
          |                 |           |                  |   & 10    |
          |-----------------+-----------+------------------+-----------|
          | Game port       |    CN1    | Power LED &      |  J1/pins  |
          |                 |           | keylock          |  11 - 15  |
          |-----------------+-----------+------------------+-----------|
          | Microphone in   |    CN2    | Speaker          |  J1/pins  |
          |                 |           |                  |  17 - 20  |
          |-----------------+-----------+------------------+-----------|
          | Line in         |    CN3    | Wavetable        |    J2     |
          |                 |           | connector        |           |
          |-----------------+-----------+------------------+-----------|
          | Speaker out     |    CN4    | Audio in CD–ROM  |    J3     |
          |                 |           | (Panasonic)      |           |
          |-----------------+-----------+------------------+-----------|
          | VGA port        |    CN5    | Audio in CD–ROM  |    J4     |
          |                 |           | (Sony)           |           |
          |-----------------+-----------+------------------+-----------|
          | Serial port 1   |    CN6    | Floppy drive     |    J5     |
          |                 |           | interface        |           |
          |-----------------+-----------+------------------+-----------|
          | Parallel port   |    CN7    | IDE interface 1  |    J6     |
          |-----------------+-----------+------------------+-----------|
          | USB connector 1 |    CN8    | IDE interface 2  |    J7     |
          |-----------------+-----------+------------------+-----------|
          | USB connector 2 |    CN9    | IR connector     |    J8     |
          |-----------------+-----------+------------------+-----------|
          | PS/2 mouse port |   CN10    | Chassis fan      |    J9     |
          |                 |           | power            |           |
          |-----------------+-----------+------------------+-----------|
          | IDE interface   | J1/pins 1 | VGA feature      |    J10    |
          | LED             |    & 2    | connector        |           |
          |-----------------+-----------+------------------+-----------|
          | ACPI LED        | J1/pins 3 | Serial port 2    |    J11    |
          |                 |    & 4    |                  |           |
          |-----------------+-----------+------------------+-----------|
          | Power button    | J1/pins 5 | 32-bit PCI slots | PCI – PC4 |
          |                 |    & 6    |                  |           |
          +------------------------------------------------------------+
       
          +------------------------------------------------------------+
          |                 USER CONFIGURABLE SETTINGS                 |
          |------------------------------------------------------------|
          |               Function                | Label |  Position  |
          |---------------------------------------+-------+------------|
          |   | Flash BIOS voltage select 12v     |  JP1  | Pins 1 & 2 |
          |   |                                   |       |   closed   |
          |---+-----------------------------------+-------+------------|
          |   | Flash BIOS voltage select 5v      |  JP1  | Pins 2 & 3 |
          |   |                                   |       |   closed   |
          |---+-----------------------------------+-------+------------|
          |   | On board audio enabled            |  JP3  |   Closed   |
          |---+-----------------------------------+-------+------------|
          |   | On board audio disabled           |  JP3  |    Open    |
          |---+-----------------------------------+-------+------------|
          | » | Factory configured - do not alter |  JP6  |    Open    |
          |---+-----------------------------------+-------+------------|
          | » | Factory configured - do not alter |  JP7  | Pins 2 & 3 |
          |   |                                   |       |   closed   |
          |---+-----------------------------------+-------+------------|
          | » | CMOS memory normal operation      |  JP8  | Pins 1 & 2 |
          |   |                                   |       |   closed   |
          |---+-----------------------------------+-------+------------|
          |   | CMOS memory clear                 |  JP8  | Pins 2 & 3 |
          |   |                                   |       |   closed   |
          |---+-----------------------------------+-------+------------|
          |   | Ring in enabled                   | JP11  |    Open    |
          |---+-----------------------------------+-------+------------|
          |   | Ring in disabled                  | JP11  |   Closed   |
          +------------------------------------------------------------+
       
          +------------------------------------------------------------+
          |                  DIMM/DRAM CONFIGURATION                   |
          |------------------------------------------------------------|
          | Size |   Bank 0    |   Bank 1    |   Bank 2   |   Bank 3   |
          |------+-------------+-------------+------------+------------|
          | 8MB  | (2) 1M x 32 |    None     |    None    |    None    |
          |------+-------------+-------------+------------+------------|
          | 8MB  |    None     |    None     |  (1) 1M x  |    None    |
          |      |             |             |     64     |            |
          |------+-------------+-------------+------------+------------|
          | 16MB | (2) 2M x 32 |    None     |    None    |    None    |
          |------+-------------+-------------+------------+------------|
          | 16MB |    None     |    None     |  (1) 2M x  |    None    |
          |      |             |             |     64     |            |
          |------+-------------+-------------+------------+------------|
          | 16MB | (2) 1M x 32 | (2) 1M x 32 |    None    |    None    |
          |------+-------------+-------------+------------+------------|
          | 16MB | (2) 1M x 32 |    None     |    None    |  (1) 1M x  |
          |      |             |             |            |     64     |
          |------+-------------+-------------+------------+------------|
          | 16MB |    None     |    None     |  (1) 1M x  |  (1) 1M x  |
          |      |             |             |     64     |     64     |
          |------+-------------+-------------+------------+------------|
          | 24MB |    None     | (2) 2M x 32 |  (1) 1M x  |    None    |
          |      |             |             |     64     |            |
          |------+-------------+-------------+------------+------------|
          | 32MB | (2) 4M x 32 |    None     |    None    |    None    |
          |------+-------------+-------------+------------+------------|
          | 32MB |    None     |    None     |  (1) 4M x  |    None    |
          |      |             |             |     64     |            |
          |------+-------------+-------------+------------+------------|
          | 32MB | (2) 2M x 32 |    None     |    None    |  (1) 2M x  |
          |      |             |             |            |     64     |
          +------------------------------------------------------------+
       
          +------------------------------------------------------------+
          |              DIMM/DRAM CONFIGURATION (CON’T)               |
          |------------------------------------------------------------|
          | Size  |   Bank 0    |   Bank 1   |   Bank 2   |   Bank 3   |
          |-------+-------------+------------+------------+------------|
          | 40MB  | (2) 4M x 32 |  (2) 1M x  |    None    |    None    |
          |       |             |     32     |            |            |
          |-------+-------------+------------+------------+------------|
          | 40MB  | (2) 4M x 32 |    None    |    None    |  (1) 1M x  |
          |       |             |            |            |     64     |
          |-------+-------------+------------+------------+------------|
          | 48MB  | (2) 2M x 32 |    None    |    None    |  (1) 4M x  |
          |       |             |            |            |     64     |
          |-------+-------------+------------+------------+------------|
          | 48MB  | (2) 4M x 32 |  (2) 2M x  |    None    |    None    |
          |       |             |     32     |            |            |
          |-------+-------------+------------+------------+------------|
          | 48MB  | (2) 4M x 32 |    None    |    None    |  (1) 2M x  |
          |       |             |            |            |     64     |
          |-------+-------------+------------+------------+------------|
          | 64MB  | (2) 8M x 32 |    None    |    None    |    None    |
          |-------+-------------+------------+------------+------------|
          | 64MB  |    None     |    None    |    None    |  (1) 8M x  |
          |       |             |            |            |     64     |
          |-------+-------------+------------+------------+------------|
          | 64MB  | (2) 4M x 32 |  (2) 4M x  |    None    |    None    |
          |       |             |     32     |            |            |
          |-------+-------------+------------+------------+------------|
          | 64MB  | (2) 4M x 32 |    None    |    None    |  (1) 4M x  |
          |       |             |            |            |     64     |
          |-------+-------------+------------+------------+------------|
          | 72MB  | (2) 8M x 32 |  (2) 1M x  |    None    |    None    |
          |       |             |     32     |            |            |
          |-------+-------------+------------+------------+------------|
          | 72MB  | (2) 8M x 32 |    None    |    None    |  (1) 1M x  |
          |       |             |            |            |     64     |
          |-------+-------------+------------+------------+------------|
          | 80MB  | (2) 2M x 32 |    None    |    None    |  (1) 8M x  |
          |       |             |            |            |     64     |
          |-------+-------------+------------+------------+------------|
          | 80MB  | (2) 8M x 32 |  (2) 2M x  |    None    |    None    |
          |       |             |     32     |            |            |
          |-------+-------------+------------+------------+------------|
          | 80MB  | (2) 8M x 32 |    None    |    None    |  (1) 2M x  |
          |       |             |            |            |     64     |
          |-------+-------------+------------+------------+------------|
          | 96MB  | (2) 4M x 32 |    None    |    None    |  (1) 8M x  |
          |       |             |            |            |     64     |
          |-------+-------------+------------+------------+------------|
          | 96MB  | (2) 8M x 32 |  (2) 4M x  |    None    |    None    |
          |       |             |     32     |            |            |
          |-------+-------------+------------+------------+------------|
          | 96MB  | (2) 8M x 32 |    None    |    None    |  (1) 4M x  |
          |       |             |            |            |     64     |
          |-------+-------------+------------+------------+------------|
          | 128MB |  (2) 16M x  |    None    |    None    |    None    |
          |       |     32      |            |            |            |
          |-------+-------------+------------+------------+------------|
          | 128MB | (2) 8M x 32 |  (2) 8M x  |    None    |    None    |
          |       |             |     32     |            |            |
          |-------+-------------+------------+------------+------------|
          | 128MB | (2) 8M x 32 |    None    |    None    |  (1) 8M x  |
          |       |             |            |            |     64     |
          |-------+-------------+------------+------------+------------|
          | 136MB |  (2) 16M x  |  (2) 1M x  |    None    |    None    |
          |       |     32      |     32     |            |            |
          |-------+-------------+------------+------------+------------|
          | 144MB |  (2) 16M x  |  (2) 2M x  |    None    |    None    |
          |       |     32      |     32     |            |            |
          |-------+-------------+------------+------------+------------|
          | 144MB |    None     | (2) 16M x  |    None    |  (1) 2M x  |
          |       |             |     32     |            |     64     |
          |-------+-------------+------------+------------+------------|
          | 160MB |  (2) 16M x  |  (2) 4M x  |    None    |    None    |
          |       |     32      |     32     |            |            |
          |-------+-------------+------------+------------+------------|
          | 160MB |    None     | (2) 16M x  |    None    |  (1) 4M x  |
          |       |             |     32     |            |     64     |
          |-------+-------------+------------+------------+------------|
          | 192MB |  (2) 16M x  |  (2) 8M x  |    None    |    None    |
          |       |     32      |     32     |            |            |
          |-------+-------------+------------+------------+------------|
          | 192MB |    None     | (2) 16M x  |    None    |  (1) 8M x  |
          |       |             |     32     |            |     64     |
          |-------+-------------+------------+------------+------------|
          | 256MB |  (2) 16M x  | (2) 16M x  |    None    |    None    |
          |       |     32      |     32     |            |            |
          |-------+-------------+------------+------------+------------|
          | 264MB |  (2) 16M x  | (2) 16M x  |    None    |  (1) 1M x  |
          |       |     32      |     32     |            |     64     |
          |-------+-------------+------------+------------+------------|
          | 384MB |    None     | (2) 16M x  | (1) 16M x  | (1) 16M x  |
          |       |             |     32     |     64     |     64     |
          |------------------------------------------------------------|
          | Note: Board accepts EDO memory.                            |
          +------------------------------------------------------------+
       
          +------------------------------------------------------------+
          |                    CACHE CONFIGURATION                     |
          |------------------------------------------------------------|
          |       Size       |       Bank 0       |        TAG         |
          |------------------+--------------------+--------------------|
          |      512KB       |    (2) 64K x 32    |    Unidentified    |
          +------------------------------------------------------------+
       
          +------------------------------------------------------------+
          |               CPU SPEED SELECTION (CX 6X86)                |
          |------------------------------------------------------------|
          |  CPU  |Clock|Multiplier|SW1/3|SW1/4|SW1/5|SW1/6|SW1/7|SW1/8|
          | speed |speed|          |     |     |     |     |     |     |
          |-------+-----+----------+-----+-----+-----+-----+-----+-----|
          |133MHz |55MHz|    2x    | On  | Off | Off | On  | On  | Off |
          |-------+-----+----------+-----+-----+-----+-----+-----+-----|
          |150MHz |60MHz|    2x    | On  | Off | Off | On  | Off | Off |
          +------------------------------------------------------------+
       
          +------------------------------------------------------------+
          |             CPU SPEED SELECTION (CX 6X86L/MX)              |
          |------------------------------------------------------------|
          |  CPU  |Clock|Multiplier|SW1/3|SW1/4|SW1/5|SW1/6|SW1/7|SW1/8|
          | speed |speed|          |     |     |     |     |     |     |
          |-------+-----+----------+-----+-----+-----+-----+-----+-----|
          |166MHz |66MHz|    2x    | On  | Off | Off | Off | Off | Off |
          |-------+-----+----------+-----+-----+-----+-----+-----+-----|
          |200MHz |75MHz|    2x    | On  | Off | Off | Off | On  | Off |
          +------------------------------------------------------------+
       
          +------------------------------------------------------------+
          |                CPU SPEED SELECTION (AM K5)                 |
          |------------------------------------------------------------|
          |  CPU  |Clock|Multiplier|SW1/3|SW1/4|SW1/5|SW1/6|SW1/7|SW1/8|
          | speed |speed|          |     |     |     |     |     |     |
          |-------+-----+----------+-----+-----+-----+-----+-----+-----|
          | 90MHz |60MHz|   1.5x   | Off | Off | Off | On  | Off | Off |
          |-------+-----+----------+-----+-----+-----+-----+-----+-----|
          |100MHz |66MHz|   1.5x   | Off | Off | Off | Off | Off | Off |
          |-------+-----+----------+-----+-----+-----+-----+-----+-----|
          |120MHz |60MHz|   1.5x   | Off | Off | Off | On  | Off | Off |
          |-------+-----+----------+-----+-----+-----+-----+-----+-----|
          |133MHz |66MHz|    2x    | On  | Off | Off | Off | Off | Off |
          |-------+-----+----------+-----+-----+-----+-----+-----+-----|
          |150MHz |60MHz|   1.5x   | Off | Off | Off | Off | Off | Off |
          |-------+-----+----------+-----+-----+-----+-----+-----+-----|
          |166MHz |66MHz|   2.5x   | On  | On  | Off | Off | Off | Off |
          +------------------------------------------------------------+
       
          +------------------------------------------------------------+
          |                CPU SPEED SELECTION (AM K6)                 |
          |------------------------------------------------------------|
          |  CPU  |Clock|Multiplier|SW1/3|SW1/4|SW1/5|SW1/6|SW1/7|SW1/8|
          | speed |speed|          |     |     |     |     |     |     |
          |-------+-----+----------+-----+-----+-----+-----+-----+-----|
          |166MHz |66MHz|   2.5x   | On  | On  | Off | Off | Off | Off |
          |-------+-----+----------+-----+-----+-----+-----+-----+-----|
          |200MHz |66MHz|    3x    | Off | On  | Off | Off | Off | Off |
          |-------+-----+----------+-----+-----+-----+-----+-----+-----|
          |233MHz |66MHz|   3.5x   | Off | Off | Off | Off | Off | Off |
          |-------+-----+----------+-----+-----+-----+-----+-----+-----|
          |266MHz |66MHz|    4x    | Off | Off | On  | Off | Off | Off |
          +------------------------------------------------------------+
       
          +------------------------------------------------------------+
          |                CPU SPEED SELECTION (INTEL)                 |
          |------------------------------------------------------------|
          |  CPU  |Clock|Multiplier|SW1/3|SW1/4|SW1/5|SW1/6|SW1/7|SW1/8|
          | speed |speed|          |     |     |     |     |     |     |
          |-------+-----+----------+-----+-----+-----+-----+-----+-----|
          | 90MHz |60MHz|   1.5x   | Off | Off | Off | On  | Off | Off |
          |-------+-----+----------+-----+-----+-----+-----+-----+-----|
          |100MHz |66MHz|   1.5x   | Off | Off | Off | Off | Off | Off |
          |-------+-----+----------+-----+-----+-----+-----+-----+-----|
          |120MHz |60MHz|    2x    | On  | Off | Off | On  | Off | Off |
          |-------+-----+----------+-----+-----+-----+-----+-----+-----|
          |133MHz |66MHz|    2x    | On  | Off | Off | Off | Off | Off |
          |-------+-----+----------+-----+-----+-----+-----+-----+-----|
          |150MHz |60MHz|   2.5x   | On  | On  | Off | On  | Off | Off |
          |-------+-----+----------+-----+-----+-----+-----+-----+-----|
          |166MHz |66MHz|   2.5x   | On  | On  | Off | Off | Off | Off |
          |-------+-----+----------+-----+-----+-----+-----+-----+-----|
          |200MHz |66MHz|    3x    | Off | On  | Off | Off | Off | Off |
          |-------+-----+----------+-----+-----+-----+-----+-----+-----|
          |233MHz |66MHz|   3.5x   | Off | Off | Off | Off | Off | Off |
          +------------------------------------------------------------+
       
          +------------------------------------------------------------+
          |                     CPU TYPE SELECTION                     |
          |------------------------------------------------------------|
          |        Type        |       SW1/1       |       SW1/2       |
          |--------------------+-------------------+-------------------|
          |      CX 6X86       |        On         |        On         |
          |--------------------+-------------------+-------------------|
          |      CX 6X86L      |        Off        |        Off        |
          |--------------------+-------------------+-------------------|
          |     CX 6X86MX      |        Off        |        Off        |
          |--------------------+-------------------+-------------------|
          |       AM K5        |        On         |        On         |
          |--------------------+-------------------+-------------------|
          |   AM K6-166/200    |        On         |        Off        |
          |--------------------+-------------------+-------------------|
          |   AM K6-233/266    |        Off        |        Off        |
          |--------------------+-------------------+-------------------|
          |        P54C        |        On         |        Off        |
          |--------------------+-------------------+-------------------|
          |        P55C        |        Off        |        Off        |
          +------------------------------------------------------------+
       
          +------------------------------------------------------------+
          |                   ON BOARD VGA SELECTION                   |
          |------------------------------------------------------------|
          |     Setting      |        JP4         |        JP5         |
          |------------------+--------------------+--------------------|
          |     Enabled      | Pins 2 & 3 closed  | Pins 1 & 2 closed  |
          |------------------+--------------------+--------------------|
          |     Disabled     | Pins 1 & 2 closed  | Pins 2 & 3 closed  |
          +------------------------------------------------------------+