URI: 
  TEXT View Source
       
       # FREE COMPUTER TECHNOLOGY, INC.
       
          P5F78
       
          Processor        CX 6X86/CX 6X86L/CX 6X86MX/IBM 6X86/ IBM      
                           6X86L/ IBM 6X86MX AM K5/AM K6/Pentium         
          Processor Speed  90/100/120/133/150/166/200/233MHz             
          Chip Set         Intel                                         
          Video Chip Set   None                                          
          Maximum Onboard  256MB (EDO supported)                         
          Memory           
          Maximum Video    None                                          
          Memory           
          Cache            256/512KB                                     
          BIOS             Award                                         
          Dimensions       305mm x 244mm                                 
          I/O Options      32-bit PCI slots (5), floppy drive interface, 
                           IDE interfaces (2), parallel port, PS/2 mouse 
                           port, serial ports (2), IR connector, USB     
                           connectors (2), ATX power connector           
          NPU Options      None                                          
       
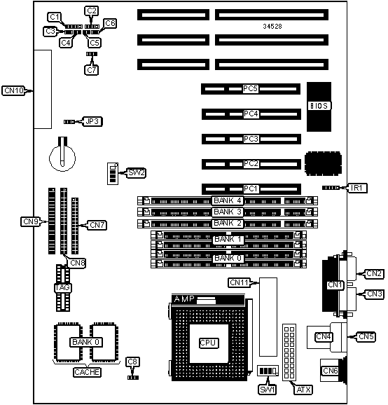
   IMG IMG 1
          
       
          +------------------------------------------------------------+
          |                        CONNECTIONS                         |
          |------------------------------------------------------------|
          | Purpose        | Location | Purpose             | Location |
          |----------------+----------+---------------------+----------|
          | ATX power      |   ATX    | Serial port 1       |   CN3    |
          | connector      |          |                     |          |
          |----------------+----------+---------------------+----------|
          | Power LED &    |    C1    | USB connector 1     |   CN4    |
          | keylock        |          |                     |          |
          |----------------+----------+---------------------+----------|
          | Speaker        |    C2    | USB connector 2     |   CN5    |
          |----------------+----------+---------------------+----------|
          | Soft off power |    C3    | PS/2 mouse port     |   CN6    |
          | supply         |          |                     |          |
          |----------------+----------+---------------------+----------|
          | Reset switch   |    C4    | Floppy drive        |   CN7    |
          |                |          | interface           |          |
          |----------------+----------+---------------------+----------|
          | Turbo LED      |    C5    | IDE interface 2     |   CN8    |
          |----------------+----------+---------------------+----------|
          | IDE interface  |    C6    | IDE interface 1     |   CN9    |
          | LED            |          |                     |          |
          |----------------+----------+---------------------+----------|
          | Chassis fan    |    C7    | System Management   |   CN10   |
          | power          |          | Connector           |          |
          |----------------+----------+---------------------+----------|
          | Chassis fan    |    C8    | Switching Regulator |   CN11   |
          | power          |          |                     |          |
          |----------------+----------+---------------------+----------|
          | Parallel port  |   CN1    | IR connector        |   IR1    |
          |----------------+----------+---------------------+----------|
          | Serial port 2  |   CN2    | 32-bit PCI slots    |  PC1 –   |
          |                |          |                     |   PC5    |
          +------------------------------------------------------------+
       
          +------------------------------------------------------------+
          |                 USER CONFIGURABLE SETTINGS                 |
          |------------------------------------------------------------|
          |             Function             | Label |    Position     |
          |----------------------------------+-------+-----------------|
          | » | CMOS memory normal operation |  JP3  |      Open       |
          |---+------------------------------+-------+-----------------|
          |   | CMOS memory clear            |  JP3  |   Pins 2 & 3    |
          |   |                              |       |     closed      |
          +------------------------------------------------------------+
       
          +------------------------------------------------------------+
          |                  DIMM/SIMM CONFIGURATION                   |
          |------------------------------------------------------------|
          | Size |  Bank 0  |  Bank 1  |  Bank 2  |  Bank 3  | Bank 4  |
          |------+----------+----------+----------+----------+---------|
          | 8MB  | (2) 1M x |   None   |   None   |   None   |  None   |
          |      |    36    |          |          |          |         |
          |------+----------+----------+----------+----------+---------|
          | 8MB  |   None   |   None   | (1) 1M x |   None   |  None   |
          |      |          |          |    64    |          |         |
          |------+----------+----------+----------+----------+---------|
          | 16MB | (2) 2M x |   None   |   None   |   None   |  None   |
          |      |    36    |          |          |          |         |
          |------+----------+----------+----------+----------+---------|
          | 16MB | (2) 1M x | (2) 1M x |   None   |   None   |  None   |
          |      |    36    |    36    |          |          |         |
          |------+----------+----------+----------+----------+---------|
          | 16MB |   None   |   None   | (1) 2M x |   None   |  None   |
          |      |          |          |    64    |          |         |
          |------+----------+----------+----------+----------+---------|
          | 16MB |   None   |   None   | (1) 1M x | (1) 1M x |  None   |
          |      |          |          |    64    |    64    |         |
          |------+----------+----------+----------+----------+---------|
          | 16MB |   None   | (2) 1M x | (1) 1M x |   None   |  None   |
          |      |          |    36    |    64    |          |         |
          |------+----------+----------+----------+----------+---------|
          | 24MB | (2) 2M x | (2) 1M x |   None   |   None   |  None   |
          |      |    36    |    36    |          |          |         |
          |------+----------+----------+----------+----------+---------|
          | 24MB |   None   |   None   | (1) 2M x | (1) 1M x |  None   |
          |      |          |          |    64    |    64    |         |
          |------+----------+----------+----------+----------+---------|
          | 24MB |   None   |   None   | (1) 1M x | (1) 1M x | (1) 1M  |
          |      |          |          |    64    |    64    |  x 64   |
          |------+----------+----------+----------+----------+---------|
          | 24MB | (2) 1M x | (2) 1M x | (1) 1M x |   None   |  None   |
          |      |    36    |    36    |    64    |          |         |
          |------+----------+----------+----------+----------+---------|
          | 24MB | (2) 1M x |   None   | (1) 1M x |   None   | (1) 1M  |
          |      |    36    |          |    64    |          |  x 64   |
          |------+----------+----------+----------+----------+---------|
          | 32MB | (2) 4M x |   None   |   None   |   None   |  None   |
          |      |    36    |          |          |          |         |
          |------+----------+----------+----------+----------+---------|
          | 32MB | (2) 2M x | (2) 2M x |   None   |   None   |  None   |
          |      |    36    |    36    |          |          |         |
          |------+----------+----------+----------+----------+---------|
          | 32MB |   None   |   None   | (1) 4M x |   None   |  None   |
          |      |          |          |    64    |          |         |
          |------+----------+----------+----------+----------+---------|
          | 32MB |   None   |   None   | (1) 2M x | (1) 2M x |  None   |
          |      |          |          |    64    |    64    |         |
          |------+----------+----------+----------+----------+---------|
          | 32MB | (2) 1M x | (2) 1M x | (1) 2M x |   None   |  None   |
          |      |    36    |    36    |    64    |          |         |
          |------+----------+----------+----------+----------+---------|
          | 40MB | (2) 4M x | (2) 1M x |   None   |   None   |  None   |
          |      |    36    |    36    |          |          |         |
          |------+----------+----------+----------+----------+---------|
          | 40MB |   None   |   None   | (1) 4M x | (1) 1M x |  None   |
          |      |          |          |    64    |    64    |         |
          |------+----------+----------+----------+----------+---------|
          | 40MB | (2) 2M x | (2) 2M x | (1) 1M x |   None   |  None   |
          |      |    36    |    36    |    64    |          |         |
          |------+----------+----------+----------+----------+---------|
          | 48MB | (2) 4M x | (2) 2M x |   None   |   None   |  None   |
          |      |    36    |    36    |          |          |         |
          |------+----------+----------+----------+----------+---------|
          | 48MB |   None   |   None   | (1) 4M x | (1) 2M x |  None   |
          |      |          |          |    64    |    64    |         |
          |------+----------+----------+----------+----------+---------|
          | 48MB |   None   |   None   | (1) 2M x | (1) 2M x | (1) 2M  |
          |      |          |          |    64    |    64    |  x 64   |
          |------+----------+----------+----------+----------+---------|
          | 48MB | (2) 2M x | (2) 2M x | (1) 2M x |   None   |  None   |
          |      |    36    |    36    |    64    |          |         |
          +------------------------------------------------------------+
       
          +------------------------------------------------------------+
          |              DIMM/SIMM CONFIGURATION (CON’T)               |
          |------------------------------------------------------------|
          | Size  |  Bank 0  |  Bank 1  |  Bank 2  | Bank 3  | Bank 4  |
          |-------+----------+----------+----------+---------+---------|
          | 48MB  | (2) 1M x | (2) 1M x | (1) 4M x |  None   |  None   |
          |       |    36    |    36    |    64    |         |         |
          |-------+----------+----------+----------+---------+---------|
          | 48MB  |   None   | (2) 2M x | (1) 2M x | (1) 2M  |  None   |
          |       |          |    36    |    64    |  x 64   |         |
          |-------+----------+----------+----------+---------+---------|
          | 48MB  | (2) 2M x |   None   | (1) 2M x |  None   | (1) 2M  |
          |       |    36    |          |    64    |         |  x 64   |
          |-------+----------+----------+----------+---------+---------|
          | 64MB  | (2) 8M x |   None   |   None   |  None   |  None   |
          |       |    36    |          |          |         |         |
          |-------+----------+----------+----------+---------+---------|
          | 64MB  | (2) 4M x | (2) 4M x |   None   |  None   |  None   |
          |       |    36    |    36    |          |         |         |
          |-------+----------+----------+----------+---------+---------|
          | 64MB  |   None   |   None   | (1) 8M x |  None   |  None   |
          |       |          |          |    64    |         |         |
          |-------+----------+----------+----------+---------+---------|
          | 64MB  |   None   |   None   | (1) 4M x | (1) 4M  |  None   |
          |       |          |          |    64    |  x 64   |         |
          |-------+----------+----------+----------+---------+---------|
          | 64MB  | (2) 2M x | (2) 2M x | (1) 4M x |  None   |  None   |
          |       |    36    |    36    |    64    |         |         |
          |-------+----------+----------+----------+---------+---------|
          | 72MB  | (2) 8M x | (2) 1M x |   None   |  None   |  None   |
          |       |    36    |    36    |          |         |         |
          |-------+----------+----------+----------+---------+---------|
          | 72MB  |   None   |   None   | (1) 8M x | (1) 1M  |  None   |
          |       |          |          |    64    |  x 64   |         |
          |-------+----------+----------+----------+---------+---------|
          | 72MB  | (2) 4M x | (2) 4M x | (1) 1M x |  None   |  None   |
          |       |    36    |    36    |    64    |         |         |
          |-------+----------+----------+----------+---------+---------|
          | 80MB  | (2) 8M x | (2) 2M x |   None   |  None   |  None   |
          |       |    36    |    36    |          |         |         |
          |-------+----------+----------+----------+---------+---------|
          | 80MB  |   None   |   None   | (1) 8M x | (1) 2M  |  None   |
          |       |          |          |    64    |  x 64   |         |
          |-------+----------+----------+----------+---------+---------|
          | 80MB  | (2) 4M x | (2) 4M x | (1) 2M x |  None   |  None   |
          |       |    36    |    36    |    64    |         |         |
          |-------+----------+----------+----------+---------+---------|
          | 96MB  | (2) 8M x | (2) 4M x |   None   |  None   |  None   |
          |       |    36    |    36    |          |         |         |
          |-------+----------+----------+----------+---------+---------|
          | 96MB  |   None   |   None   | (1) 8M x | (1) 4M  |  None   |
          |       |          |          |    64    |  x 64   |         |
          |-------+----------+----------+----------+---------+---------|
          | 96MB  |   None   |   None   | (1) 4M x | (1) 4M  | (1) 4M  |
          |       |          |          |    64    |  x 64   |  x 64   |
          |-------+----------+----------+----------+---------+---------|
          | 96MB  | (2) 4M x | (2) 4M x | (1) 4M x |  None   |  None   |
          |       |    36    |    36    |    64    |         |         |
          |-------+----------+----------+----------+---------+---------|
          | 96MB  |   None   | (2) 4M x | (1) 4M x | (1) 4M  |  None   |
          |       |          |    36    |    64    |  x 64   |         |
          |-------+----------+----------+----------+---------+---------|
          | 96MB  | (2) 4M x |   None   | (1) 4M x |  None   | (1) 4M  |
          |       |    36    |          |    64    |         |  x 64   |
          |-------+----------+----------+----------+---------+---------|
          | 128MB | (2) 8M x | (2) 8M x |   None   |  None   |  None   |
          |       |    36    |    36    |          |         |         |
          |-------+----------+----------+----------+---------+---------|
          | 128MB | (2) 16M  |   None   |   None   |  None   |  None   |
          |       |   x 36   |          |          |         |         |
          |-------+----------+----------+----------+---------+---------|
          | 128MB |   None   |   None   | (1) 8M x | (1) 8M  |  None   |
          |       |          |          |    64    |  x 64   |         |
          |-------+----------+----------+----------+---------+---------|
          | 128MB |   None   |   None   | (1) 8M x |  None   | (1) 8M  |
          |       |          |          |    64    |         |  x 64   |
          |-------+----------+----------+----------+---------+---------|
          | 136MB | (2) 16M  | (2) 1M x |   None   |  None   |  None   |
          |       |   x 36   |    36    |          |         |         |
          |-------+----------+----------+----------+---------+---------|
          | 136MB | (2) 8M x | (2) 8M x | (1) 1M x |  None   |  None   |
          |       |    36    |    36    |    64    |         |         |
          |-------+----------+----------+----------+---------+---------|
          | 136MB |   None   | (2) 8M x | (1) 1M x | (1) 8M  |  None   |
          |       |          |    36    |    64    |  x 64   |         |
          |-------+----------+----------+----------+---------+---------|
          | 136MB | (2) 8M x |   None   | (1) 8M x |  None   | (1) 1M  |
          |       |    36    |          |    64    |         |  x 64   |
          |-------+----------+----------+----------+---------+---------|
          | 144MB | (2) 16M  | (2) 2M x |   None   |  None   |  None   |
          |       |   x 36   |    36    |          |         |         |
          |-------+----------+----------+----------+---------+---------|
          | 144MB | (2) 8M x | (2) 8M x | (1) 2M x |  None   |  None   |
          |       |    36    |    36    |    64    |         |         |
          |-------+----------+----------+----------+---------+---------|
          | 152MB |   None   | (2) 1M x | (1) 2M x | (1) 16M |  None   |
          |       |          |    36    |    64    |  x 64   |         |
          |-------+----------+----------+----------+---------+---------|
          | 160MB | (2) 16M  | (2) 4M x |   None   |  None   |  None   |
          |       |   x 36   |    36    |          |         |         |
          |-------+----------+----------+----------+---------+---------|
          | 160MB | (2) 8M x | (2) 8M x | (1) 4M x |  None   |  None   |
          |       |    36    |    36    |    64    |         |         |
          |-------+----------+----------+----------+---------+---------|
          | 192MB | (2) 16M  | (2) 8M x |   None   |  None   |  None   |
          |       |   x 36   |    36    |          |         |         |
          |-------+----------+----------+----------+---------+---------|
          | 192MB |   None   |   None   | (1) 8M x |  None   | (1) 16M |
          |       |          |          |    64    |         |  x 64   |
          |-------+----------+----------+----------+---------+---------|
          | 256MB | (2) 16M  | (2) 16M  |   None   |  None   |  None   |
          |       |   x 36   |   x 36   |          |         |         |
          |-------+----------+----------+----------+---------+---------|
          | 256MB |   None   |   None   | (1) 16M  |  None   | (1) 16M |
          |       |          |          |   x 64   |         |  x 64   |
          |-------+----------+----------+----------+---------+---------|
          | 256MB | (2) 16M  |   None   | (1) 16M  |  None   |  None   |
          |       |   x 36   |          |   x 64   |         |         |
          |------------------------------------------------------------|
          |      Note: Board accepts EDO memory.                       |
          +------------------------------------------------------------+
       
          +------------------------------------------------------------+
          |                    CACHE CONFIGURATION                     |
          |------------------------------------------------------------|
          |       Size       |       Bank 0       |        TAG         |
          |------------------+--------------------+--------------------|
          |      256KB       |    (2) 32K x 32    |    Unidentified    |
          |------------------+--------------------+--------------------|
          |      512KB       |    (2) 64K x 32    |    Unidentified    |
          +------------------------------------------------------------+
       
          +------------------------------------------------------------+
          |            CPU SPEED SELECTION (CX 6X86/6X86L)             |
          |------------------------------------------------------------|
          |CPU speed|Clock speed|Multiplier|SW2/1 |SW2/2 |SW2/3 |SW2/4 |
          |---------+-----------+----------+------+------+------+------|
          | 133MHz  |   55MHz   |    2x    |  On  | Off  |  On  |  On  |
          |---------+-----------+----------+------+------+------+------|
          | 150MHz  |   60MHz   |    2x    |  On  | Off  |  On  | Off  |
          |---------+-----------+----------+------+------+------+------|
          | 166MHz  |   66MHz   |    2x    |  On  | Off  | Off  | Off  |
          +------------------------------------------------------------+
       
          +------------------------------------------------------------+
          |            CPU SPEED SELECTION (IBM 6X86/6X86L)            |
          |------------------------------------------------------------|
          |CPU speed|Clock speed|Multiplier|SW2/1 |SW2/2 |SW2/3 |SW2/4 |
          |---------+-----------+----------+------+------+------+------|
          | 133MHz  |   55MHz   |    2x    |  On  | Off  |  On  |  On  |
          |---------+-----------+----------+------+------+------+------|
          | 150MHz  |   60MHz   |    2x    |  On  | Off  |  On  | Off  |
          |---------+-----------+----------+------+------+------+------|
          | 166MHz  |   66MHz   |    2x    |  On  | Off  | Off  | Off  |
          +------------------------------------------------------------+
       
          +------------------------------------------------------------+
          |              CPU SPEED SELECTION (CX 6X86MX)               |
          |------------------------------------------------------------|
          |CPU speed|Clock speed|Multiplier|SW2/1 |SW2/2 |SW2/3 |SW2/4 |
          |---------+-----------+----------+------+------+------+------|
          | 166MHz  |   60MHz   |   2.5x   |  On  |  On  |  On  | Off  |
          |---------+-----------+----------+------+------+------+------|
          | 200MHz  |   66MHz   |   2.5x   |  On  |  On  | Off  | Off  |
          |---------+-----------+----------+------+------+------+------|
          | 233MHz  |   66MHz   |    3x    | Off  |  On  | Off  | Off  |
          +------------------------------------------------------------+
       
          +------------------------------------------------------------+
          |              CPU SPEED SELECTION (IBM 6X86MX)              |
          |------------------------------------------------------------|
          |CPU speed|Clock speed|Multiplier|SW2/1 |SW2/2 |SW2/3 |SW2/4 |
          |---------+-----------+----------+------+------+------+------|
          | 166MHz  |   60MHz   |   2.5x   |  On  |  On  |  On  | Off  |
          |---------+-----------+----------+------+------+------+------|
          | 200MHz  |   66MHz   |   2.5x   |  On  |  On  | Off  | Off  |
          |---------+-----------+----------+------+------+------+------|
          | 233MHz  |   66MHz   |    3x    | Off  |  On  | Off  | Off  |
          +------------------------------------------------------------+
       
          +------------------------------------------------------------+
          |                CPU SPEED SELECTION (AM K5)                 |
          |------------------------------------------------------------|
          |CPU speed|Clock speed|Multiplier|SW2/1 |SW2/2 |SW2/3 |SW2/4 |
          |---------+-----------+----------+------+------+------+------|
          |  90MHz  |   60MHz   |   1.5x   | Off  | Off  |  On  | Off  |
          |---------+-----------+----------+------+------+------+------|
          | 100MHz  |   66MHz   |   1.5x   | Off  | Off  | Off  | Off  |
          |---------+-----------+----------+------+------+------+------|
          | 120MHz  |   60MHz   |   1.5x   | Off  | Off  |  On  | Off  |
          |---------+-----------+----------+------+------+------+------|
          | 133MHz  |   66MHz   |   1.5x   |  On  | Off  | Off  | Off  |
          |---------+-----------+----------+------+------+------+------|
          | 150MHz  |   60MHz   |  1.75x   |  On  |  On  |  On  | Off  |
          |---------+-----------+----------+------+------+------+------|
          | 166MHz  |   66MHz   |  1.75x   |  On  |  On  | Off  | Off  |
          +------------------------------------------------------------+
       
          +------------------------------------------------------------+
          |                CPU SPEED SELECTION (AM K6)                 |
          |------------------------------------------------------------|
          |CPU speed|Clock speed|Multiplier|SW2/1 |SW2/2 |SW2/3 |SW2/4 |
          |---------+-----------+----------+------+------+------+------|
          | 166MHz  |   66MHz   |   2.5x   |  On  |  On  | Off  | Off  |
          |---------+-----------+----------+------+------+------+------|
          | 200MHz  |   66MHz   |    3x    | Off  |  On  | Off  | Off  |
          |---------+-----------+----------+------+------+------+------|
          | 233MHz  |   66MHz   |   3.5x   | Off  | Off  | Off  | Off  |
          +------------------------------------------------------------+
       
          +------------------------------------------------------------+
          |                CPU SPEED SELECTION (INTEL)                 |
          |------------------------------------------------------------|
          |CPU speed|Clock speed|Multiplier|SW2/1 |SW2/2 |SW2/3 |SW2/4 |
          |---------+-----------+----------+------+------+------+------|
          |  90MHz  |   60MHz   |   1.5x   | Off  | Off  |  On  | Off  |
          |---------+-----------+----------+------+------+------+------|
          | 100MHz  |   66MHz   |   1.5x   | Off  | Off  | Off  | Off  |
          |---------+-----------+----------+------+------+------+------|
          | 120MHz  |   60MHz   |    2x    |  On  | Off  |  On  | Off  |
          |---------+-----------+----------+------+------+------+------|
          | 133MHz  |   66MHz   |    2x    |  On  | Off  | Off  | Off  |
          |---------+-----------+----------+------+------+------+------|
          | 150MHz  |   60MHz   |   2.5x   |  On  |  On  |  On  | Off  |
          |---------+-----------+----------+------+------+------+------|
          | 166MHz  |   66MHz   |   2.5x   |  On  |  On  | Off  | Off  |
          |---------+-----------+----------+------+------+------+------|
          | 200MHz  |   66MHz   |    3x    | Off  |  On  | Off  | Off  |
          |---------+-----------+----------+------+------+------+------|
          | 233MHz  |   66MHz   |   3.5x   | Off  | Off  | Off  | Off  |
          +------------------------------------------------------------+
       
          +------------------------------------------------------------+
          |                   CPU VOLTAGE SELECTION                    |
          |------------------------------------------------------------|
          | Voltage |   SW1/1    |   SW1/2    |   SW1/3    |   SW1/4   |
          |---------+------------+------------+------------+-----------|
          |  2.5v   |     On     |    Off     |    Off     |    Off    |
          |---------+------------+------------+------------+-----------|
          |  2.8v   |    Off     |     On     |    Off     |    Off    |
          |---------+------------+------------+------------+-----------|
          |  2.9v   |    Off     |    Off     |     On     |    Off    |
          |---------+------------+------------+------------+-----------|
          |  3.2v   |    Off     |    Off     |    Off     |    On     |
          |---------+------------+------------+------------+-----------|
          |  3.3v   |    Any     |    Any     |    Any     |    Any    |
          |         |  setting   |  setting   |  setting   |  setting  |
          |---------+------------+------------+------------+-----------|
          |  3.5v   |    Any     |    Any     |    Any     |    Any    |
          |         |  setting   |  setting   |  setting   |  setting  |
          +------------------------------------------------------------+