URI: 
  TEXT View Source
       
       # ELITEGROUP COMPUTER SYSTEMS, INC.
       
          P6KFX-A
       
          Processor        Pentium II                                    
          Processor Speed  233/266MHz                                    
          Chip Set         Intel                                         
          Video Chip Set   None                                          
          Maximum Onboard  384MB (EDO supported)                         
          Memory           
          Maximum Video    None                                          
          Memory           
          Cache            256/512KB (located on Pentium II CPU)         
          BIOS             Award                                         
          Dimensions       305mm x 244mm                                 
          I/O Options      32-bit PCI slots (5), floppy drive interface, 
                           green PC connector, IDE interfaces (2),       
                           parallel port, PS/2 mouse port, serial ports  
                           (2), IR connectors (2), USB connectors (2),   
                           ATX power connector                           
          NPU Options      None                                          
       
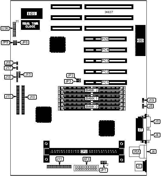
   IMG IMG 1
          
       
          +------------------------------------------------------------+
          |                        CONNECTIONS                         |
          |------------------------------------------------------------|
          | Purpose          | Location | Purpose          | Location  |
          |------------------+----------+------------------+-----------|
          | ATX power        |   ATX    | IDE interface 1  |    J15    |
          | connector        |          |                  |           |
          |------------------+----------+------------------+-----------|
          | PS/2 mouse port  |    J1    | Soft off power   |    J16    |
          |                  |          | supply           |           |
          |------------------+----------+------------------+-----------|
          | Serial port 1    |    J4    | IDE interface    |    J17    |
          |                  |          | LED              |           |
          |------------------+----------+------------------+-----------|
          | Serial port 2    |    J5    | Fast IR          |    J18    |
          |                  |          | connector        |           |
          |------------------+----------+------------------+-----------|
          | USB connector    |    J6    | CPU fan power    |    J19    |
          |------------------+----------+------------------+-----------|
          | USB connector    |   J6A    | 32-bit PCI slots | PC1 – PC5 |
          |------------------+----------+------------------+-----------|
          | Parallel port    |    J7    | Green PC LED     | U36/pins  |
          |                  |          |                  |   2 & 3   |
          |------------------+----------+------------------+-----------|
          | Chassis fan      |    J8    | Green PC         | U36/pins  |
          | power            |          | connector        |   4 & 5   |
          |------------------+----------+------------------+-----------|
          | IDE interface 2  |   J10    | Reset switch     | U36/pins  |
          |                  |          |                  |  9 & 10   |
          |------------------+----------+------------------+-----------|
          | Floppy drive     |   J11    | Power LED        | U36/pins  |
          | interface        |          |                  |  11 - 13  |
          |------------------+----------+------------------+-----------|
          | IR connector     |   J13    | Speaker          | U36/pins  |
          |                  |          |                  |  17 - 20  |
          +------------------------------------------------------------+
       
          +------------------------------------------------------------+
          |                 USER CONFIGURABLE SETTINGS                 |
          |------------------------------------------------------------|
          |             Function             | Label |    Position     |
          |----------------------------------+-------+-----------------|
          | » | Password normal operation    |  JP8  |   Pins 1 & 2    |
          |   |                              |       |     closed      |
          |---+------------------------------+-------+-----------------|
          |   | Password clear               |  JP8  |   Pins 2 & 3    |
          |   |                              |       |     closed      |
          |---+------------------------------+-------+-----------------|
          | » | CMOS memory normal operation |  JP9  |   Pins 1 & 2    |
          |   |                              |       |     closed      |
          |---+------------------------------+-------+-----------------|
          |   | CMOS memory clear            |  JP9  |   Pins 2 & 3    |
          |   |                              |       |     closed      |
          +------------------------------------------------------------+
       
          +------------------------------------------------------------+
          |                     SIMM CONFIGURATION                     |
          |------------------------------------------------------------|
          |    Size    |    Bank 0     |    Bank 1     |    Bank 2     |
          |------------+---------------+---------------+---------------|
          |    8MB     |  (2) 1M x 36  |     None      |     None      |
          |------------+---------------+---------------+---------------|
          |    16MB    |  (2) 1M x 36  |  (2) 1M x 36  |     None      |
          |------------+---------------+---------------+---------------|
          |    16MB    |  (2) 2M x 36  |     None      |     None      |
          |------------+---------------+---------------+---------------|
          |    24MB    |  (2) 2M x 36  |  (2) 1M x 36  |     None      |
          |------------+---------------+---------------+---------------|
          |    24MB    |  (2) 1M x 36  |  (2) 1M x 36  |  (2) 1M x 36  |
          |------------+---------------+---------------+---------------|
          |    32MB    |  (2) 4M x 36  |     None      |     None      |
          |------------+---------------+---------------+---------------|
          |    32MB    |  (2) 2M x 36  |  (2) 2M x 36  |     None      |
          |------------+---------------+---------------+---------------|
          |    40MB    |  (2) 4M x 36  |  (2) 1M x 36  |     None      |
          |------------+---------------+---------------+---------------|
          |    48MB    |  (2) 4M x 36  |  (2) 2M x 36  |     None      |
          |------------+---------------+---------------+---------------|
          |    48MB    |  (2) 4M x 36  |  (2) 1M x 36  |  (2) 1M x 36  |
          |------------+---------------+---------------+---------------|
          |    56MB    |  (2) 4M x 36  |  (2) 2M x 36  |  (2) 1M x 36  |
          |------------+---------------+---------------+---------------|
          |    64MB    |  (2) 8M x 36  |     None      |     None      |
          |------------+---------------+---------------+---------------|
          |    64MB    |  (2) 4M x 36  |  (2) 4M x 36  |     None      |
          |------------+---------------+---------------+---------------|
          |    80MB    |  (2) 8M x 36  |  (2) 2M x 36  |     None      |
          |------------+---------------+---------------+---------------|
          |    80MB    |  (2) 8M x 36  |  (2) 1M x 36  |  (2) 1M x 36  |
          |------------+---------------+---------------+---------------|
          |    88MB    |  (2) 8M x 36  |  (2) 2M x 36  |  (2) 1M x 36  |
          |------------+---------------+---------------+---------------|
          |    96MB    |  (2) 8M x 36  |  (2) 4M x 36  |     None      |
          |------------+---------------+---------------+---------------|
          |    96MB    |  (2) 4M x 36  |  (2) 4M x 36  |  (2) 4M x 36  |
          |------------+---------------+---------------+---------------|
          |    96MB    |  (2) 8M x 36  |  (2) 2M x 36  |  (2) 2M x 36  |
          |------------+---------------+---------------+---------------|
          |   104MB    |  (2) 8M x 36  |  (2) 4M x 36  |  (2) 1M x 36  |
          +------------------------------------------------------------+
       
          +------------------------------------------------------------+
          |                     SIMM CONFIGURATION                     |
          |------------------------------------------------------------|
          |    Size    |    Bank 0     |    Bank 1     |    Bank 2     |
          |------------+---------------+---------------+---------------|
          |   112MB    |  (2) 8M x 36  |  (2) 4M x 36  |  (2) 2M x 36  |
          |------------+---------------+---------------+---------------|
          |   128MB    |  (2) 8M x 36  |  (2) 4M x 36  |  (2) 4M x 36  |
          |------------+---------------+---------------+---------------|
          |   128MB    | (2) 16M x 36  |     None      |     None      |
          |------------+---------------+---------------+---------------|
          |   128MB    |  (2) 8M x 36  |  (2) 8M x 36  |     None      |
          |------------+---------------+---------------+---------------|
          |   136MB    |  (2) 8M x 36  |  (2) 8M x 36  |  (2) 1M x 36  |
          |------------+---------------+---------------+---------------|
          |   136MB    | (2) 16M x 36  |  (2) 1M x 36  |     None      |
          |------------+---------------+---------------+---------------|
          |   144MB    | (2) 16M x 36  |  (2) 2M x 36  |     None      |
          |------------+---------------+---------------+---------------|
          |   144MB    | (2) 16M x 36  |  (2) 1M x 36  |  (2) 1M x 36  |
          |------------+---------------+---------------+---------------|
          |   152MB    | (2) 16M x 36  |  (2) 2M x 36  |  (2) 1M x 36  |
          |------------+---------------+---------------+---------------|
          |   160MB    | (2) 16M x 36  |  (2) 4M x 36  |     None      |
          |------------+---------------+---------------+---------------|
          |   160MB    | (2) 16M x 36  |  (2) 2M x 36  |  (2) 2M x 36  |
          |------------+---------------+---------------+---------------|
          |   168MB    | (2) 16M x 36  |  (2) 4M x 36  |  (2) 1M x 36  |
          |------------+---------------+---------------+---------------|
          |   176MB    | (2) 16M x 36  |  (2) 4M x 36  |  (2) 2M x 36  |
          |------------+---------------+---------------+---------------|
          |   192MB    | (2) 16M x 36  |  (2) 8M x 36  |     None      |
          |------------+---------------+---------------+---------------|
          |   192MB    | (2) 16M x 36  |  (2) 4M x 36  |  (2) 4M x 36  |
          |------------+---------------+---------------+---------------|
          |   200MB    | (2) 16M x 36  |  (2) 8M x 36  |  (2) 1M x 36  |
          |------------+---------------+---------------+---------------|
          |   208MB    | (2) 16M x 36  |  (2) 8M x 36  |  (2) 2M x 36  |
          |------------+---------------+---------------+---------------|
          |   224MB    | (2) 16M x 36  |  (2) 8M x 36  |  (2) 4M x 36  |
          |------------+---------------+---------------+---------------|
          |   256MB    | (2) 16M x 36  | (2) 16M x 36  |     None      |
          |------------+---------------+---------------+---------------|
          |   256MB    | (2) 16M x 36  |  (2) 8M x 36  |  (2) 8M x 36  |
          |------------+---------------+---------------+---------------|
          |   264MB    | (2) 16M x 36  | (2) 16M x 36  |  (2) 1M x 36  |
          |------------+---------------+---------------+---------------|
          |   272MB    | (2) 16M x 36  | (2) 16M x 36  |  (2) 2M x 36  |
          |------------+---------------+---------------+---------------|
          |   288MB    | (2) 16M x 36  | (2) 16M x 36  |  (2) 4M x 36  |
          |------------+---------------+---------------+---------------|
          |   320MB    | (2) 16M x 36  | (2) 16M x 36  |  (2) 8M x 36  |
          |------------+---------------+---------------+---------------|
          |   384MB    | (2) 16M x 36  | (2) 16M x 36  | (2) 16M x 36  |
          |------------------------------------------------------------|
          |      Note: Board accepts EDO memory.                       |
          +------------------------------------------------------------+
       
          +------------------------------------------------------------+
          |                    CACHE CONFIGURATION                     |
          |------------------------------------------------------------|
          | Note: 256KB/512KB cache is located on the Pentium II CPU.  |
          +------------------------------------------------------------+
       
          +------------------------------------------------------------+
          |                    CPU SPEED SELECTION                     |
          |------------------------------------------------------------|
          |   CPU    |  Clock  | Multiplier |   JP1    |  JP2  |  JP3  |
          |  speed   |  speed  |            |          |       |       |
          |----------+---------+------------+----------+-------+-------|
          |  233MHz  |  66MHz  |    3.5x    | 5 & 6, 7 | 1 & 2 | 2 & 3 |
          |          |         |            |   & 8    |       |       |
          |----------+---------+------------+----------+-------+-------|
          |  266MHz  |  66MHz  |     4x     | 1 & 2, 3 | 1 & 2 | 2 & 3 |
          |          |         |            | & 4, 7 & |       |       |
          |          |         |            |    8     |       |       |
          |------------------------------------------------------------|
          | Note: Pins designated should be in the closed position.    |
          +------------------------------------------------------------+