URI: 
  TEXT View Source
       
       # ELITEGROUP COMPUTER SYSTEMS, INC.
       
          P5TX-AR
       
          Processor        CX 6X86/CX 686MX/IBM 6X86/IBM 686MX/AM K5/AM  
                           K6/Pentium                                    
          Processor Speed  75/90/100/120/133/150/166/200/233MHz          
          Chip Set         Intel                                         
          Video Chip Set   ATI                                           
          Maximum Onboard  256MB (EDO supported)                         
          Memory           
          Maximum Video    4MB                                           
          Memory           
          Cache            256/512KB                                     
          BIOS             Award                                         
          Dimensions       305mm x 244mm                                 
          I/O Options      32-bit PCI slots (3), floppy drive interface, 
                           game port, green PC connector, IDE interfaces 
                           (2), parallel port, PS/2 mouse port, serial   
                           ports (2), VGA feature connector, VGA port,   
                           IR connector, USB connectors (2), ATX power   
                           connector, microphone in, line in, line out,  
                           TV out connector, audio in – CD-ROM           
          NPU Options      None                                          
       
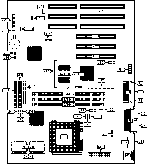
   IMG IMG 1
          
       
          +------------------------------------------------------------+
          |                        CONNECTIONS                         |
          |------------------------------------------------------------|
          | Purpose          | Location | Purpose          | Location  |
          |------------------+----------+------------------+-----------|
          | ATX power        |   ATX    | Soft off power   |    J19    |
          | connector        |          | supply           |           |
          |------------------+----------+------------------+-----------|
          | PS/2 mouse port  |    J1    | CPU fan power    |    J20    |
          |------------------+----------+------------------+-----------|
          | USB connector    |    J3    | Intrusion        |    J21    |
          |                  |          | connector        |           |
          |------------------+----------+------------------+-----------|
          | USB connector    |   J3A    | Power LED        | J22/pins  |
          |                  |          |                  |   2 & 3   |
          |------------------+----------+------------------+-----------|
          | Serial port 2    |    J4    | Green PC         | J22/pins  |
          |                  |          | connector        |   4 & 5   |
          |------------------+----------+------------------+-----------|
          | Serial port 1    |    J5    | Turbo switch     | J22/pins  |
          |                  |          |                  |   6 & 7   |
          |------------------+----------+------------------+-----------|
          | Parallel port    |    J6    | Reset switch     | J22/pins  |
          |                  |          |                  |  9 & 10   |
          |------------------+----------+------------------+-----------|
          | VGA port         |    J7    | Keylock          | J22/pins  |
          |                  |          |                  |  11 - 15  |
          |------------------+----------+------------------+-----------|
          | Floppy drive     |    J8    | Speaker          | J22/pins  |
          | interface        |          |                  |  17 - 20  |
          |------------------+----------+------------------+-----------|
          | IDE interface 2  |    J9    | Green PC LED     |    JP9    |
          |------------------+----------+------------------+-----------|
          | IDE interface 1  |   J10    | Wake on modem    |   JP11    |
          |                  |          | connector        |           |
          |------------------+----------+------------------+-----------|
          | VGA feature      |   J12    | Game port        |    P1     |
          | connector        |          |                  |           |
          |------------------+----------+------------------+-----------|
          | Audio in –       |   J14    | Microphone in    |    P2     |
          | CD-ROM           |          |                  |           |
          |------------------+----------+------------------+-----------|
          | TV out connector |   J15    | Line in          |    P3     |
          |------------------+----------+------------------+-----------|
          | IDE interface    |   J16    | Line out         |    P4     |
          | LED              |          |                  |           |
          |------------------+----------+------------------+-----------|
          | IR connector     |   J18    | 32-bit PCI slots | PC1 – PC3 |
          +------------------------------------------------------------+
       
          +------------------------------------------------------------+
          |                 USER CONFIGURABLE SETTINGS                 |
          |------------------------------------------------------------|
          |              Function               | Label |   Position   |
          |-------------------------------------+-------+--------------|
          | » | Factory configured - do not     |  JP1  | Unidentified |
          |   | alter                           |       |              |
          |---+---------------------------------+-------+--------------|
          | » | On board video enabled          |  JP8  |     Open     |
          |---+---------------------------------+-------+--------------|
          |   | On board video disabled         |  JP8  |    Closed    |
          |---+---------------------------------+-------+--------------|
          | » | CMOS memory normal operation    | JP10  |  Pins 2 & 3  |
          |   |                                 |       |    closed    |
          |---+---------------------------------+-------+--------------|
          |   | CMOS memory clear               | JP10  |  Pins 1 & 2  |
          |   |                                 |       |    closed    |
          +------------------------------------------------------------+
       
          +------------------------------------------------------------+
          |                     DIMM CONFIGURATION                     |
          |------------------------------------------------------------|
          |    Size    |    Bank 0     |    Bank 1     |    Bank 2     |
          |------------+---------------+---------------+---------------|
          |    8MB     |  (1) 1M x 64  |     None      |     None      |
          |------------+---------------+---------------+---------------|
          |    16MB    |  (1) 2M x 64  |     None      |     None      |
          |------------+---------------+---------------+---------------|
          |    16MB    |  (1) 1M x 64  |  (1) 1M x 64  |     None      |
          |------------+---------------+---------------+---------------|
          |    24MB    |  (1) 2M x 64  |  (1) 1M x 64  |     None      |
          |------------+---------------+---------------+---------------|
          |    24MB    |  (1) 1M x 64  |  (1) 1M x 64  |  (1) 1M x 64  |
          |------------+---------------+---------------+---------------|
          |    32MB    |  (1) 4M x 64  |     None      |     None      |
          |------------+---------------+---------------+---------------|
          |    32MB    |  (1) 2M x 64  |  (1) 2M x 64  |     None      |
          |------------+---------------+---------------+---------------|
          |    40MB    |  (1) 4M x 64  |  (1) 1M x 64  |     None      |
          |------------+---------------+---------------+---------------|
          |    48MB    |  (1) 4M x 64  |  (1) 2M x 64  |     None      |
          |------------+---------------+---------------+---------------|
          |    48MB    |  (1) 2M x 64  |  (1) 2M x 64  |  (1) 2M x 64  |
          |------------+---------------+---------------+---------------|
          |    64MB    |  (1) 8M x 64  |     None      |     None      |
          |------------+---------------+---------------+---------------|
          |    64MB    |  (1) 4M x 64  |  (1) 4M x 64  |     None      |
          |------------+---------------+---------------+---------------|
          |    72MB    |  (1) 8M x 64  |  (1) 1M x 64  |     None      |
          |------------+---------------+---------------+---------------|
          |    80MB    |  (1) 8M x 64  |  (1) 2M x 64  |     None      |
          +------------------------------------------------------------+
       
          +------------------------------------------------------------+
          |                 DIMM CONFIGURATION (CON’T)                 |
          |------------------------------------------------------------|
          |  Size   |       Bank 0       |    Bank 1    |    Bank 2    |
          |---------+--------------------+--------------+--------------|
          |  96MB   |    (1) 8M x 64     | (1) 4M x 64  |     None     |
          |---------+--------------------+--------------+--------------|
          |  96MB   |    (1) 4M x 64     | (1) 4M x 64  | (1) 4M x 64  |
          |---------+--------------------+--------------+--------------|
          |  128MB  |    (1) 16M x 64    |     None     |     None     |
          |---------+--------------------+--------------+--------------|
          |  128MB  |    (1) 8M x 64     | (1) 8M x 64  |     None     |
          |---------+--------------------+--------------+--------------|
          |  136MB  |    (1) 16M x 64    | (1) 1M x 64  |     None     |
          |---------+--------------------+--------------+--------------|
          |  144MB  |    (1) 16M x 64    | (1) 2M x 64  |     None     |
          |---------+--------------------+--------------+--------------|
          |  160MB  |    (1) 16M x 64    | (1) 4M x 64  |     None     |
          |---------+--------------------+--------------+--------------|
          |  192MB  |    (1) 16M x 64    | (1) 8M x 64  |     None     |
          |---------+--------------------+--------------+--------------|
          |  256MB  |    (1) 16M x 64    | (1) 16M x 64 |     None     |
          |------------------------------------------------------------|
          |      Note: Board accepts EDO memory. Bank 2 will not       |
          |      accept any module larger than 32MB.                   |
          +------------------------------------------------------------+
       
          +------------------------------------------------------------+
          |                    CACHE CONFIGURATION                     |
          |------------------------------------------------------------|
          |            Size            |            Bank 0             |
          |----------------------------+-------------------------------|
          |           256KB            |         (2) 32K x 32          |
          |----------------------------+-------------------------------|
          |           512KB            |         (2) 64K x 32          |
          +------------------------------------------------------------+
       
          +------------------------------------------------------------+
          |                 VIDEO MEMORY CONFIGURATION                 |
          |------------------------------------------------------------|
          |      Size       |      Bank 0       |         J13          |
          |-----------------+-------------------+----------------------|
          |       2MB       |        2MB        |    Not Installed     |
          |-----------------+-------------------+----------------------|
          |       4MB       |        2MB        | 2MB module installed |
          +------------------------------------------------------------+
       
          +------------------------------------------------------------+
          |               CPU SPEED SELECTION (CX 6X86)                |
          |------------------------------------------------------------|
          |   CPU   | Clock | Multiplier | JP2 | JP3 | JP4 | JP5 | JP6 |
          |  speed  | speed |            |     |     |     |     |     |
          |---------+-------+------------+-----+-----+-----+-----+-----|
          | 120MHz  | 50MHz |     2x     | 1 & | 2 & | N/A | N/A | N/A |
          |         |       |            |  2  |  3  |     |     |     |
          |---------+-------+------------+-----+-----+-----+-----+-----|
          | 133MHz  | 55MHz |     2x     | 1 & | 2 & | 2 & | 1 & | 2 & |
          |         |       |            |  2  |  3  |  3  |  2  |  3  |
          |---------+-------+------------+-----+-----+-----+-----+-----|
          | 150MHz  | 60MHz |     2x     | 1 & | 2 & | 1 & | 1 & | 2 & |
          |         |       |            |  2  |  3  |  2  |  2  |  3  |
          |---------+-------+------------+-----+-----+-----+-----+-----|
          | 166MHz  | 66MHz |     2x     | 1 & | 2 & | 1 & | 1 & | 1 & |
          |         |       |            |  2  |  3  |  2  |  2  |  2  |
          |---------+-------+------------+-----+-----+-----+-----+-----|
          | 200MHz  | 75MHz |     2x     | 1 & | 2 & | 2 & | 1 & | 1 & |
          |         |       |            |  2  |  3  |  3  |  2  |  2  |
          |------------------------------------------------------------|
          | Note: Pins designated should be in the closed position.    |
          +------------------------------------------------------------+
       
          +------------------------------------------------------------+
          |              CPU SPEED SELECTION (CX 6X86MX)               |
          |------------------------------------------------------------|
          |   CPU   | Clock | Multiplier | JP2 | JP3 | JP4 | JP5 | JP6 |
          |  speed  | speed |            |     |     |     |     |     |
          |---------+-------+------------+-----+-----+-----+-----+-----|
          | 150MHz  | 75MHz |     2x     | 1 & | 2 & | 2 & | 1 & | 1 & |
          |         |       |            |  2  |  3  |  3  |  2  |  2  |
          |------------------------------------------------------------|
          | Note: Pins designated should be in the closed position.    |
          +------------------------------------------------------------+
       
          +------------------------------------------------------------+
          |               CPU SPEED SELECTION (IBM 6X86)               |
          |------------------------------------------------------------|
          |   CPU   | Clock | Multiplier | JP2 | JP3 | JP4 | JP5 | JP6 |
          |  speed  | speed |            |     |     |     |     |     |
          |---------+-------+------------+-----+-----+-----+-----+-----|
          | 120MHz  | 50MHz |     2x     | 1 & | 2 & | N/A | N/A | N/A |
          |         |       |            |  2  |  3  |     |     |     |
          |---------+-------+------------+-----+-----+-----+-----+-----|
          | 133MHz  | 55MHz |     2x     | 1 & | 2 & | 2 & | 1 & | 2 & |
          |         |       |            |  2  |  3  |  3  |  2  |  3  |
          |---------+-------+------------+-----+-----+-----+-----+-----|
          | 150MHz  | 60MHz |     2x     | 1 & | 2 & | 1 & | 1 & | 2 & |
          |         |       |            |  2  |  3  |  2  |  2  |  3  |
          |---------+-------+------------+-----+-----+-----+-----+-----|
          | 166MHz  | 66MHz |     2x     | 1 & | 2 & | 1 & | 1 & | 1 & |
          |         |       |            |  2  |  3  |  2  |  2  |  2  |
          |---------+-------+------------+-----+-----+-----+-----+-----|
          | 200MHz  | 75MHz |     2x     | 1 & | 2 & | 2 & | 1 & | 1 & |
          |         |       |            |  2  |  3  |  3  |  2  |  2  |
          |------------------------------------------------------------|
          | Note: Pins designated should be in the closed position.    |
          +------------------------------------------------------------+
       
          +------------------------------------------------------------+
          |              CPU SPEED SELECTION (IBM 6X86MX)              |
          |------------------------------------------------------------|
          |   CPU   | Clock | Multiplier | JP2 | JP3 | JP4 | JP5 | JP6 |
          |  speed  | speed |            |     |     |     |     |     |
          |---------+-------+------------+-----+-----+-----+-----+-----|
          | 150MHz  | 75MHz |     2x     | 1 & | 2 & | 2 & | 1 & | 1 & |
          |         |       |            |  2  |  3  |  3  |  2  |  2  |
          |------------------------------------------------------------|
          | Note: Pins designated should be in the closed position.    |
          +------------------------------------------------------------+
       
          +------------------------------------------------------------+
          |                CPU SPEED SELECTION (AM K5)                 |
          |------------------------------------------------------------|
          |   CPU   | Clock | Multiplier | JP2 | JP3 | JP4 | JP5 | JP6 |
          |  speed  | speed |            |     |     |     |     |     |
          |---------+-------+------------+-----+-----+-----+-----+-----|
          |  75MHz  | 50MHz |    1.5x    | 1 & | 1 & | N/A | N/A | N/A |
          |         |       |            |  2  |  2  |     |     |     |
          |---------+-------+------------+-----+-----+-----+-----+-----|
          |  90MHz  | 60MHz |    1.5x    | 1 & | 1 & | 1 & | 1 & | 2 & |
          |         |       |            |  2  |  2  |  2  |  2  |  3  |
          |---------+-------+------------+-----+-----+-----+-----+-----|
          | 100MHz  | 66MHz |    1.5x    | 1 & | 1 & | 1 & | 1 & | 1 & |
          |         |       |            |  2  |  2  |  2  |  2  |  2  |
          |---------+-------+------------+-----+-----+-----+-----+-----|
          | 120MHz  | 60MHz |    1.5x    | 1 & | 1 & | 1 & | 1 & | 2 & |
          |         |       |            |  2  |  2  |  2  |  2  |  3  |
          |---------+-------+------------+-----+-----+-----+-----+-----|
          | 133MHz  | 66MHz |    1.5x    | 1 & | 1 & | 1 & | 1 & | 1 & |
          |         |       |            |  2  |  2  |  2  |  2  |  2  |
          |---------+-------+------------+-----+-----+-----+-----+-----|
          | 150MHz  | 60MHz |     2x     | 1 & | 2 & | 1 & | 1 & | 2 & |
          |         |       |            |  2  |  3  |  2  |  2  |  3  |
          |---------+-------+------------+-----+-----+-----+-----+-----|
          | 166MHz  | 66MHz |     2x     | 1 & | 2 & | 1 & | 1 & | 1 & |
          |         |       |            |  2  |  3  |  2  |  2  |  2  |
          |------------------------------------------------------------|
          | Note: Pins designated should be in the closed position.    |
          +------------------------------------------------------------+
       
          +------------------------------------------------------------+
          |                CPU SPEED SELECTION (AM K6)                 |
          |------------------------------------------------------------|
          |   CPU   | Clock | Multiplier | JP2 | JP3 | JP4 | JP5 | JP6 |
          |  speed  | speed |            |     |     |     |     |     |
          |---------+-------+------------+-----+-----+-----+-----+-----|
          | 200MHz  | 66MHz |     3x     | 2 & | 1 & | 1 & | 1 & | 1 & |
          |         |       |            |  3  |  2  |  2  |  2  |  2  |
          |---------+-------+------------+-----+-----+-----+-----+-----|
          | 233MHz  | 66MHz |    3.5x    | 1 & | 1 & | 1 & | 1 & | 1 & |
          |         |       |            |  2  |  2  |  2  |  2  |  2  |
          |------------------------------------------------------------|
          | Note: Pins designated should be in the closed position.    |
          +------------------------------------------------------------+
       
          +------------------------------------------------------------+
          |                CPU SPEED SELECTION (INTEL)                 |
          |------------------------------------------------------------|
          |   CPU   | Clock | Multiplier | JP2 | JP3 | JP4 | JP5 | JP6 |
          |  speed  | speed |            |     |     |     |     |     |
          |---------+-------+------------+-----+-----+-----+-----+-----|
          |  75MHz  | 50MHz |    1.5x    | 1 & | 1 & | N/A | N/A | N/A |
          |         |       |            |  2  |  2  |     |     |     |
          |---------+-------+------------+-----+-----+-----+-----+-----|
          |  90MHz  | 60MHz |    1.5x    | 1 & | 1 & | 1 & | 1 & | 2 & |
          |         |       |            |  2  |  2  |  2  |  2  |  3  |
          |---------+-------+------------+-----+-----+-----+-----+-----|
          | 100MHz  | 66MHz |    1.5x    | 1 & | 1 & | 1 & | 1 & | 1 & |
          |         |       |            |  2  |  2  |  2  |  2  |  2  |
          |---------+-------+------------+-----+-----+-----+-----+-----|
          | 120MHz  | 60MHz |     2x     | 1 & | 2 & | 1 & | 1 & | 2 & |
          |         |       |            |  2  |  3  |  2  |  2  |  3  |
          |---------+-------+------------+-----+-----+-----+-----+-----|
          | 133MHz  | 66MHz |     2x     | 1 & | 2 & | 1 & | 1 & | 1 & |
          |         |       |            |  2  |  3  |  2  |  2  |  2  |
          |---------+-------+------------+-----+-----+-----+-----+-----|
          | 150MHz  | 60MHz |    2.5x    | 2 & | 2 & | 1 & | 1 & | 2 & |
          |         |       |            |  3  |  3  |  2  |  2  |  3  |
          |---------+-------+------------+-----+-----+-----+-----+-----|
          | 166MHz  | 66MHz |    2.5x    | 2 & | 2 & | 1 & | 1 & | 1 & |
          |         |       |            |  3  |  3  |  2  |  2  |  2  |
          |---------+-------+------------+-----+-----+-----+-----+-----|
          | 200MHz  | 66MHz |     3x     | 2 & | 1 & | 1 & | 1 & | 1 & |
          |         |       |            |  3  |  2  |  2  |  2  |  2  |
          |---------+-------+------------+-----+-----+-----+-----+-----|
          | 233MHz  | 66MHz |    3.5x    | 1 & | 1 & | 1 & | 1 & | 1 & |
          |         |       |            |  2  |  2  |  2  |  2  |  2  |
          |------------------------------------------------------------|
          | Note: Pins designated should be in the closed position.    |
          +------------------------------------------------------------+
       
          +------------------------------------------------------------+
          |                   CPU VOLTAGE SELECTION                    |
          |------------------------------------------------------------|
          |          Voltage           |              JP7              |
          |----------------------------+-------------------------------|
          |            2.5v            |      Pins 9 & 10 closed       |
          |----------------------------+-------------------------------|
          |            2.8v            |       Pins 7 & 8 closed       |
          |----------------------------+-------------------------------|
          |            2.9v            |       Pins 5 & 6 closed       |
          |----------------------------+-------------------------------|
          |            3.2v            |       Pins 3 & 4 closed       |
          |----------------------------+-------------------------------|
          |            3.3v            |       Pins 1 & 2 closed       |
          +------------------------------------------------------------+