URI: 
  TEXT View Source
       
       # GIGA-BYTE TECHNOLOGY CO., LTD.
       
          GA-686KX
       
          Device Type      Mainboard                                     
          Processor        Pentium II                                    
          Processor Speed  200/233/266/300/333/366MHz                    
          Chip Set         Intel                                         
          Video Chip Set   None                                          
          Maximum Onboard  768MB (EDO & SDRAM supported)                 
          Memory           
          Maximum Video    None                                          
          Memory           
          Cache            256/512KB (located on Pentium II CPU)         
          BIOS             Award                                         
          Dimensions       305mm x 244mm                                 
          I/O Options      32-bit PCI slots (5), floppy drive interface, 
                           green PC connector, IDE interfaces (2),       
                           parallel port, PS/2 mouse port, serial ports  
                           (2), IR connector, USB connectors (2), ATX    
                           power connector                               
          NPU Options      None                                          
       
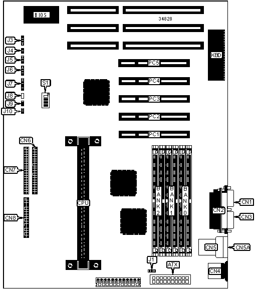
   IMG IMG 1
          
       
          +------------------------------------------------------------+
          |                        CONNECTIONS                         |
          |------------------------------------------------------------|
          | Purpose           | Location | Purpose          | Location |
          |-------------------+----------+------------------+----------|
          | ATX power         |   ATX    | CPU fan power    |    J1    |
          | connector         |          |                  |          |
          |-------------------+----------+------------------+----------|
          | Serial port 1     |   CN1    | Speaker          |    J3    |
          |-------------------+----------+------------------+----------|
          | Parallel port     |   CN2    | Reset switch     |    J4    |
          |-------------------+----------+------------------+----------|
          | Serial port 2     |   CN3    | Power LED        |    J5    |
          |-------------------+----------+------------------+----------|
          | PS/2 mouse port   |   CN4    | IDE interface    |    J6    |
          |                   |          | LED              |          |
          |-------------------+----------+------------------+----------|
          | USB connector 1   |   CN5    | IR connector     |    J7    |
          |-------------------+----------+------------------+----------|
          | USB connector 2   |   CN5A   | Soft off power   |    J9    |
          |                   |          | supply           |          |
          |-------------------+----------+------------------+----------|
          | IDE interface 2   |   CN6    | Green PC LED     |   J10    |
          |-------------------+----------+------------------+----------|
          | IDE interface 1   |   CN7    | 32-bit PCI slots |  PC1 –   |
          |                   |          |                  |   PC5    |
          |-------------------+----------+------------------+----------|
          | Floppy drive      |   CN8    |                  |          |
          | interface         |          |                  |          |
          +------------------------------------------------------------+
       
          +------------------------------------------------------------+
          |                 USER CONFIGURABLE SETTINGS                 |
          |------------------------------------------------------------|
          |              Function               | Label |   Position   |
          |-------------------------------------+-------+--------------|
          | » | Factory configured - do not     |  J8   | Unidentified |
          |   | alter                           |       |              |
          +------------------------------------------------------------+
       
          +------------------------------------------------------------+
          |                     SIMM CONFIGURATION                     |
          |------------------------------------------------------------|
          |    Size    |    Bank 0     |    Bank 1     |    Bank 2     |
          |------------+---------------+---------------+---------------|
          |    8MB     |  (2) 1M x 36  |     None      |     None      |
          |------------+---------------+---------------+---------------|
          |    16MB    |  (2) 1M x 36  |  (2) 1M x 36  |     None      |
          |------------+---------------+---------------+---------------|
          |    16MB    |  (2) 2M x 36  |     None      |     None      |
          |------------+---------------+---------------+---------------|
          |    24MB    |  (2) 1M x 36  |  (2) 1M x 36  |  (2) 1M x 36  |
          |------------+---------------+---------------+---------------|
          |    32MB    |  (2) 2M x 36  |  (2) 2M x 36  |     None      |
          |------------+---------------+---------------+---------------|
          |    32MB    |  (2) 4M x 36  |     None      |     None      |
          |------------+---------------+---------------+---------------|
          |    48MB    |  (2) 2M x 36  |  (2) 2M x 36  |  (2) 2M x 36  |
          |------------+---------------+---------------+---------------|
          |    64MB    |  (2) 4M x 36  |  (2) 4M x 36  |     None      |
          |------------+---------------+---------------+---------------|
          |    64MB    |  (2) 8M x 36  |     None      |     None      |
          |------------+---------------+---------------+---------------|
          |    96MB    |  (2) 4M x 36  |  (2) 4M x 36  |  (2) 4M x 36  |
          |------------+---------------+---------------+---------------|
          |   128MB    |  (2) 8M x 36  |  (2) 8M x 36  |     None      |
          |------------+---------------+---------------+---------------|
          |   128MB    | (2) 16M x 36  |     None      |     None      |
          |------------+---------------+---------------+---------------|
          |   192MB    |  (2) 8M x 36  |  (2) 8M x 36  |  (2) 8M x 36  |
          |------------+---------------+---------------+---------------|
          |   256MB    | (2) 16M x 36  | (2) 16M x 36  |     None      |
          |------------+---------------+---------------+---------------|
          |   256MB    | (2) 32M x 36  |     None      |     None      |
          |------------+---------------+---------------+---------------|
          |   384MB    | (2) 16M x 36  | (2) 16M x 36  | (2) 16M x 36  |
          |------------+---------------+---------------+---------------|
          |   512MB    | (2) 32M x 36  | (2) 32M x 36  |     None      |
          |------------+---------------+---------------+---------------|
          |   768MB    | (2) 32M x 36  | (2) 32M x 36  | (2) 32M x 36  |
          |------------------------------------------------------------|
          |      Note: Board accepts EDO memory.                       |
          +------------------------------------------------------------+
       
          +------------------------------------------------------------+
          |                    CACHE CONFIGURATION                     |
          |------------------------------------------------------------|
          | Note: 256KB/512KB cache is located on the Pentium II CPU.  |
          +------------------------------------------------------------+
       
          +------------------------------------------------------------+
          |                    CPU SPEED SELECTION                     |
          |------------------------------------------------------------|
          |   CPU   |  Clock  | Multiplier | S1/1 | S1/2 | S1/3 | S1/4 |
          |  speed  |  speed  |            |      |      |      |      |
          |---------+---------+------------+------+------+------+------|
          | 200MHz  |  66MHz  |     3x     | Off  |  On  | Off  | Off  |
          |---------+---------+------------+------+------+------+------|
          | 233MHz  |  66MHz  |    3.5x    |  On  |  On  | Off  | Off  |
          |---------+---------+------------+------+------+------+------|
          | 266MHz  |  66MHz  |     4x     | Off  | Off  |  On  | Off  |
          |---------+---------+------------+------+------+------+------|
          | 300MHz  |  66MHz  |    4.5x    |  On  | Off  |  On  | Off  |
          |---------+---------+------------+------+------+------+------|
          | 333MHz  |  66MHz  |     5x     | Off  |  On  |  On  | Off  |
          |---------+---------+------------+------+------+------+------|
          | 366MHz  |  66MHz  |    5.5x    |  On  |  On  |  On  | Off  |
          +------------------------------------------------------------+