URI: 
  TEXT View Source
       
       # ELITEGROUP COMPUTER SYSTEMS, INC.
       
          P6BX-AE
       
          Device Type      Mainboard                                     
          Processor        Pentium II                                    
          Processor Speed  233/266/300/333/MHz                           
          Chip Set         Intel                                         
          Video Chip Set   None                                          
          Maximum Onboard  384MB (SDRAM supported)                       
          Memory           
          Maximum Video    None                                          
          Memory           
          Cache            256/512KB (located on Pentium II CPU)         
          BIOS             Unidentified                                  
          Dimensions       305mm x 244mm                                 
          I/O Options      32-bit PCI slots (4), floppy drive interface, 
                           green PC connector, IDE interfaces (2),       
                           parallel port, PS/2 mouse port, serial ports  
                           (2), IR connector, USB connectors (2), ATX    
                           power connector, AGP slot                     
          NPU Options      None                                          
       
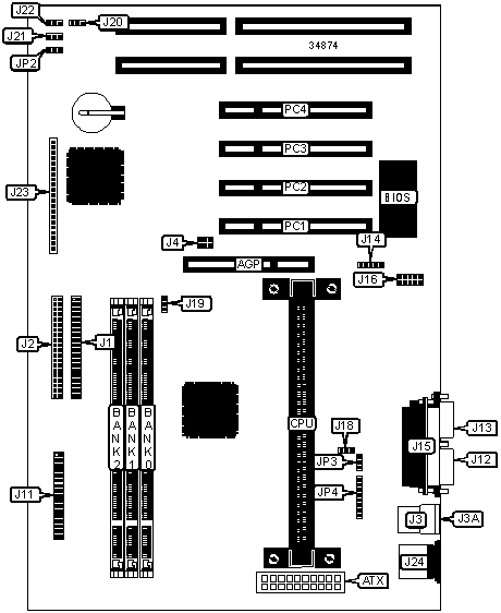
   IMG IMG 1
          
       
          +------------------------------------------------------------+
          |                        CONNECTIONS                         |
          |------------------------------------------------------------|
          | Purpose          | Location | Purpose         |  Location  |
          |------------------+----------+-----------------+------------|
          | AGP slot         |   AGP    | Power supply    |    J20     |
          |                  |          | fan             |            |
          |------------------+----------+-----------------+------------|
          | ATX power        |   ATX    | Wake on modem   |    J21     |
          | connector        |          | connector       |            |
          |------------------+----------+-----------------+------------|
          | IDE interface 1  |    J1    | Wake on LAN     |    J22     |
          |                  |          | connector       |            |
          |------------------+----------+-----------------+------------|
          | IDE interface 2  |    J2    | Power LED       | J23/pins 1 |
          |                  |          |                 |    - 3     |
          |------------------+----------+-----------------+------------|
          | USB connector 1  |    J3    | Green PC        | J23/pins 4 |
          |                  |          | connector       |    & 5     |
          |------------------+----------+-----------------+------------|
          | USB connector 2  |   J3A    | Green PC LED    | J23/pins 7 |
          |                  |          |                 |    – 9     |
          |------------------+----------+-----------------+------------|
          | SB link          |    J4    | Keylock         |  J23/pins  |
          | connector        |          |                 |  10 & 11   |
          |------------------+----------+-----------------+------------|
          | Floppy drive     |   J11    | Reset switch    |  J23/pins  |
          | interface        |          |                 |  12 & 13   |
          |------------------+----------+-----------------+------------|
          | Serial port 1    |   J12    | Speaker         |  J23/pins  |
          |                  |          |                 |  15 – 18   |
          |------------------+----------+-----------------+------------|
          | Serial port 2    |   J13    | IDE interface   |  J23/pins  |
          |                  |          | LED             |  20 & 21   |
          |------------------+----------+-----------------+------------|
          | SIR connector    |   J14    | Soft off power  |  J23/pins  |
          |                  |          | supply          |  22 & 23   |
          |------------------+----------+-----------------+------------|
          | Parallel port    |   J15    | PS/2 mouse port |    J24     |
          |------------------+----------+-----------------+------------|
          | CIR connector    |   J16    | 32-bit PCI      | PC1 – PC4  |
          |                  |          | slots           |            |
          |------------------+----------+-----------------+------------|
          | FIR connector    |   J17    |                 |            |
          | (optional)       |          |                 |            |
          |------------------------------------------------------------|
          | Note: The location of J17 is unidentified.                 |
          +------------------------------------------------------------+
       
          +------------------------------------------------------------+
          |                 USER CONFIGURABLE SETTINGS                 |
          |------------------------------------------------------------|
          |             Function             | Label |    Position     |
          |----------------------------------+-------+-----------------|
          | » | CMOS memory normal operation |  JP2  |   Pins 1 & 2    |
          |   |                              |       |     closed      |
          |---+------------------------------+-------+-----------------|
          |   | CMOS memory clear            |  JP2  |   Pins 2 & 3    |
          |   |                              |       |     closed      |
          |---+------------------------------+-------+-----------------|
          | » | Keyboard power on enabled    |  JP3  |   Pins 2 & 3    |
          |   |                              |       |     closed      |
          |---+------------------------------+-------+-----------------|
          |   | Keyboard power on disabled   |  JP3  |   Pins 1 & 2    |
          |   |                              |       |     closed      |
          +------------------------------------------------------------+
       
          +------------------------------------------------------------+
          |                     DIMM CONFIGURATION                     |
          |------------------------------------------------------------|
          |    Size    |    Bank 0     |    Bank 1     |    Bank 2     |
          |------------+---------------+---------------+---------------|
          |    8MB     |  (1) 1M x 64  |     None      |     None      |
          |------------+---------------+---------------+---------------|
          |    16MB    |  (1) 2M x 64  |     None      |     None      |
          |------------+---------------+---------------+---------------|
          |    16MB    |  (1) 1M x 64  |  (1) 1M x 64  |     None      |
          |------------+---------------+---------------+---------------|
          |    24MB    |  (1) 2M x 64  |  (1) 1M x 64  |     None      |
          |------------+---------------+---------------+---------------|
          |    24MB    |  (1) 1M x 64  |  (1) 1M x 64  |  (1) 1M x 64  |
          |------------+---------------+---------------+---------------|
          |    32MB    |  (1) 4M x 64  |     None      |     None      |
          |------------+---------------+---------------+---------------|
          |    32MB    |  (1) 2M x 64  |  (1) 1M x 64  |  (1) 1M x 64  |
          |------------+---------------+---------------+---------------|
          |    32MB    |  (1) 2M x 64  |  (1) 2M x 64  |     None      |
          |------------+---------------+---------------+---------------|
          |    40MB    |  (1) 4M x 64  |  (1) 1M x 64  |     None      |
          |------------+---------------+---------------+---------------|
          |    40MB    |  (1) 2M x 64  |  (1) 2M x 64  |  (1) 1M x 64  |
          |------------+---------------+---------------+---------------|
          |    48MB    |  (1) 4M x 64  |  (1) 1M x 64  |  (1) 1M x 64  |
          |------------+---------------+---------------+---------------|
          |    48MB    |  (1) 4M x 64  |  (1) 2M x 64  |     None      |
          +------------------------------------------------------------+
       
          +------------------------------------------------------------+
          |                 DIMM CONFIGURATION (CON’T)                 |
          |------------------------------------------------------------|
          |    Size    |    Bank 0     |    Bank 1     |    Bank 2     |
          |------------+---------------+---------------+---------------|
          |    48MB    |  (1) 2M x 64  |  (1) 2M x 64  |  (1) 2M x 64  |
          |------------+---------------+---------------+---------------|
          |    56MB    |  (1) 4M x 64  |  (1) 2M x 64  |  (1) 1M x 64  |
          |------------+---------------+---------------+---------------|
          |    64MB    |  (1) 8M x 64  |     None      |     None      |
          |------------+---------------+---------------+---------------|
          |    64MB    |  (1) 4M x 64  |  (1) 2M x 64  |  (1) 2M x 64  |
          |------------+---------------+---------------+---------------|
          |    64MB    |  (1) 4M x 64  |  (1) 4M x 64  |     None      |
          |------------+---------------+---------------+---------------|
          |    72MB    |  (1) 8M x 64  |  (1) 1M x 64  |     None      |
          |------------+---------------+---------------+---------------|
          |    72MB    |  (1) 4M x 64  |  (1) 4M x 64  |  (1) 1M x 64  |
          |------------+---------------+---------------+---------------|
          |    80MB    |  (1) 8M x 64  |  (1) 1M x 64  |  (1) 1M x 64  |
          |------------+---------------+---------------+---------------|
          |    80MB    |  (1) 8M x 64  |  (1) 2M x 64  |     None      |
          |------------+---------------+---------------+---------------|
          |    80MB    |  (1) 4M x 64  |  (1) 4M x 64  |  (1) 2M x 64  |
          |------------+---------------+---------------+---------------|
          |    88MB    |  (1) 8M x 64  |  (1) 2M x 64  |  (1) 1M x 64  |
          |------------+---------------+---------------+---------------|
          |    96MB    |  (1) 8M x 64  |  (1) 2M x 64  |  (1) 2M x 64  |
          |------------+---------------+---------------+---------------|
          |    96MB    |  (1) 8M x 64  |  (1) 4M x 64  |     None      |
          |------------+---------------+---------------+---------------|
          |    96MB    |  (1) 4M x 64  |  (1) 4M x 64  |  (1) 4M x 64  |
          |------------+---------------+---------------+---------------|
          |   104MB    |  (1) 8M x 64  |  (1) 4M x 64  |  (1) 1M x 64  |
          |------------+---------------+---------------+---------------|
          |   112MB    |  (1) 8M x 64  |  (1) 4M x 64  |  (1) 2M x 64  |
          |------------+---------------+---------------+---------------|
          |   128MB    | (1) 16M x 64  |     None      |     None      |
          |------------+---------------+---------------+---------------|
          |   128MB    |  (1) 8M x 64  |  (1) 4M x 64  |  (1) 4M x 64  |
          |------------+---------------+---------------+---------------|
          |   128MB    |  (1) 8M x 64  |  (1) 8M x 64  |     None      |
          |------------+---------------+---------------+---------------|
          |   136MB    | (1) 16M x 64  |  (1) 1M x 64  |     None      |
          |------------+---------------+---------------+---------------|
          |   136MB    |  (1) 8M x 64  |  (1) 8M x 64  |  (1) 1M x 64  |
          |------------+---------------+---------------+---------------|
          |   144MB    | (1) 16M x 64  |  (1) 1M x 64  |  (1) 1M x 64  |
          |------------+---------------+---------------+---------------|
          |   144MB    | (1) 16M x 64  |  (1) 2M x 64  |     None      |
          |------------+---------------+---------------+---------------|
          |   144MB    |  (1) 8M x 64  |  (1) 8M x 64  |  (1) 2M x 64  |
          |------------+---------------+---------------+---------------|
          |   152MB    | (1) 16M x 64  |  (1) 2M x 64  |  (1) 1M x 64  |
          |------------+---------------+---------------+---------------|
          |   160MB    | (1) 16M x 64  |  (1) 2M x 64  |  (1) 2M x 64  |
          |------------+---------------+---------------+---------------|
          |   160MB    | (1) 16M x 64  |  (1) 4M x 64  |     None      |
          |------------+---------------+---------------+---------------|
          |   160MB    |  (1) 8M x 64  |  (1) 8M x 64  |  (1) 4M x 64  |
          |------------+---------------+---------------+---------------|
          |   168MB    | (1) 16M x 64  |  (1) 4M x 64  |  (1) 1M x 64  |
          |------------+---------------+---------------+---------------|
          |   176MB    | (1) 16M x 64  |  (1) 4M x 64  |  (1) 2M x 64  |
          |------------+---------------+---------------+---------------|
          |   192MB    | (1) 16M x 64  |  (1) 4M x 64  |  (1) 4M x 64  |
          |------------+---------------+---------------+---------------|
          |   192MB    | (1) 16M x 64  |  (1) 8M x 64  |     None      |
          |------------+---------------+---------------+---------------|
          |   192MB    |  (1) 8M x 64  |  (1) 8M x 64  |  (1) 8M x 64  |
          |------------+---------------+---------------+---------------|
          |   200MB    | (1) 16M x 64  |  (1) 8M x 64  |  (1) 1M x 64  |
          |------------+---------------+---------------+---------------|
          |   208MB    | (1) 16M x 64  |  (1) 8M x 64  |  (1) 2M x 64  |
          |------------+---------------+---------------+---------------|
          |   224MB    | (1) 16M x 64  |  (1) 8M x 64  |  (1) 4M x 64  |
          |------------+---------------+---------------+---------------|
          |   256MB    | (1) 16M x 64  |  (1) 8M x 64  |  (1) 8M x 64  |
          |------------+---------------+---------------+---------------|
          |   384MB    | (1) 16M x 64  | (1) 16M x 64  | (1) 16M x 64  |
          |------------------------------------------------------------|
          |      Note: Board accepts SDRAM memory.                     |
          +------------------------------------------------------------+
       
          +------------------------------------------------------------+
          |                    CACHE CONFIGURATION                     |
          |------------------------------------------------------------|
          | Note: 256KB/512KB cache is located on the Pentium II CPU.  |
          +------------------------------------------------------------+
       
          +------------------------------------------------------------+
          |                  KEYBOARD/MOUSE SELECTION                  |
          |------------------------------------------------------------|
          |   Setting    | JP4/pins 1 | JP4/pins | JP4/pins | JP4/pins |
          |              |    & 2     |  3 & 4   |  5 & 6   |  7 & 8   |
          |--------------+------------+----------+----------+----------|
          | » | Enabled  |   Closed   |  Closed  |  Closed  |  Closed  |
          |---+----------+------------+----------+----------+----------|
          |   | Disabled |    Open    |   Open   |   Open   |   Open   |
          +------------------------------------------------------------+