URI: 
  TEXT View Source
       
       # FIRST INTERNATIONAL COMPUTER, INC.
       
          VL-603
       
          Device Type      Mainboard                                     
          Processor        Pentium II                                    
          Processor Speed  233/266/300/333MHz                            
          Chip Set         Intel                                         
          Video Chip Set   None                                          
          Maximum Onboard  256MB (EDO & SDRAM supported)                 
          Memory           
          Maximum Video    None                                          
          Memory           
          Cache            256/512KB (located on Pentium II CPU)         
          BIOS             Unidentified                                  
          Dimensions       254mm x 218mm                                 
          I/O Options      32-bit PCI slots (2), floppy drive interface, 
                           game/MIDI port, green PC connector, IDE       
                           interfaces (2), parallel port, PS/2 mouse     
                           port, serial ports (2), IR connector, USB     
                           connectors (2), ATX power connector, AGP      
                           slot, line in, line out, microphone in, audio 
                           in – CD-ROM                                   
          NPU Options      None                                          
       
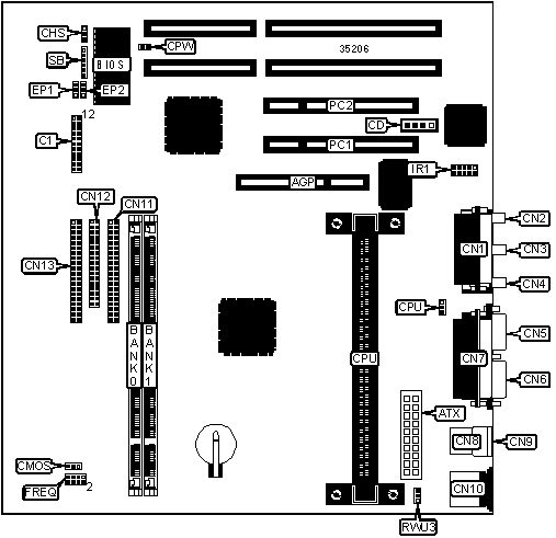
   IMG IMG 1
          
       
          +------------------------------------------------------------+
          |                        CONNECTIONS                         |
          |------------------------------------------------------------|
          | Purpose         | Location  | Purpose          | Location  |
          |-----------------+-----------+------------------+-----------|
          | AGP slot        |    AGP    | Line out         |    CN4    |
          |-----------------+-----------+------------------+-----------|
          | ATX power       |    ATX    | Serial port 2    |    CN5    |
          | connector       |           |                  |           |
          |-----------------+-----------+------------------+-----------|
          | Power LED &     | C1/pins 1 | Serial port 1    |    CN6    |
          | keylock         |    - 5    |                  |           |
          |-----------------+-----------+------------------+-----------|
          | Turbo LED       | C1/pins 6 | Parallel port    |    CN7    |
          |                 |    & 7    |                  |           |
          |-----------------+-----------+------------------+-----------|
          | Green PC        | C1/pins 8 | USB connector 2  |    CN8    |
          | connector       |    & 9    |                  |           |
          |-----------------+-----------+------------------+-----------|
          | Green PC LED    |  C1/pins  | USB connector 1  |    CN9    |
          |                 |  10 & 11  |                  |           |
          |-----------------+-----------+------------------+-----------|
          | Speaker         |  C1/pins  | PS/2 mouse port  |   CN10    |
          |                 |  12 - 15  |                  |           |
          |-----------------+-----------+------------------+-----------|
          | IDE interface   |  C1/pins  | IDE interface 2  |   CN11    |
          | LED             |  16 & 17  |                  |           |
          |-----------------+-----------+------------------+-----------|
          | Soft off power  |  C1/pins  | Floppy drive     |   CN12    |
          | supply          |  18 & 19  | interface        |           |
          |-----------------+-----------+------------------+-----------|
          | Reset switch    |  C1/pins  | IDE interface 1  |   CN13    |
          |                 |  20 & 21  |                  |           |
          |-----------------+-----------+------------------+-----------|
          | Audio in –      |    CD     | CPU fan power    |    CPU    |
          | CD-ROM          |           |                  |           |
          |-----------------+-----------+------------------+-----------|
          | Chassis fan     |    CHS    | IR connector     |    IR1    |
          | power           |           |                  |           |
          |-----------------+-----------+------------------+-----------|
          | Game/MIDI port  |    CN1    | 32-bit PCI slots | PC1 – PC2 |
          |-----------------+-----------+------------------+-----------|
          | Microphone in   |    CN2    | Remote wake up   |   RWU3    |
          |                 |           | connector        |           |
          |-----------------+-----------+------------------+-----------|
          | Line in         |    CN3    | SB link          |    SB     |
          |                 |           | connector        |           |
          +------------------------------------------------------------+
       
          +------------------------------------------------------------+
          |                 USER CONFIGURABLE SETTINGS                 |
          |------------------------------------------------------------|
          |             Function             | Label |    Position     |
          |----------------------------------+-------+-----------------|
          | » | CMOS memory normal operation | CMOS  |   Pins 2 & 3    |
          |   |                              |       |     closed      |
          |---+------------------------------+-------+-----------------|
          |   | CMOS memory clear            | CMOS  |   Pins 1 & 2    |
          |   |                              |       |     closed      |
          |---+------------------------------+-------+-----------------|
          | » | Password normal operation    |  CPW  |      Open       |
          |---+------------------------------+-------+-----------------|
          |   | Password clear               |  CPW  |     Closed      |
          +------------------------------------------------------------+
       
          +------------------------------------------------------------+
          |                     DIMM CONFIGURATION                     |
          |------------------------------------------------------------|
          |       Size       |       Bank 0       |       Bank 1       |
          |------------------+--------------------+--------------------|
          |       8MB        |    (1) 1M x 64     |        None        |
          |------------------+--------------------+--------------------|
          |       16MB       |    (1) 2M x 64     |        None        |
          |------------------+--------------------+--------------------|
          |       16MB       |    (1) 1M x 64     |    (1) 1M x 64     |
          |------------------+--------------------+--------------------|
          |       24MB       |    (1) 2M x 64     |    (1) 1M x 64     |
          |------------------+--------------------+--------------------|
          |       32MB       |    (1) 4M x 64     |        None        |
          |------------------+--------------------+--------------------|
          |       32MB       |    (1) 2M x 64     |    (1) 2M x 64     |
          |------------------+--------------------+--------------------|
          |       40MB       |    (1) 4M x 64     |    (1) 1M x 64     |
          |------------------+--------------------+--------------------|
          |       48MB       |    (1) 4M x 64     |    (1) 2M x 64     |
          |------------------+--------------------+--------------------|
          |       64MB       |    (1) 8M x 64     |        None        |
          |------------------+--------------------+--------------------|
          |       64MB       |    (1) 4M x 64     |    (1) 4M x 64     |
          |------------------+--------------------+--------------------|
          |       72MB       |    (1) 8M x 64     |    (1) 1M x 64     |
          |------------------+--------------------+--------------------|
          |       80MB       |    (1) 8M x 64     |    (1) 2M x 64     |
          +------------------------------------------------------------+
       
          +------------------------------------------------------------+
          |                 DIMM CONFIGURATION (CON’T)                 |
          |------------------------------------------------------------|
          |       Size       |       Bank 0       |       Bank 1       |
          |------------------+--------------------+--------------------|
          |       96MB       |    (1) 8M x 64     |    (1) 4M x 64     |
          |------------------+--------------------+--------------------|
          |      128MB       |    (1) 16M x 64    |        None        |
          |------------------+--------------------+--------------------|
          |      128MB       |    (1) 8M x 64     |    (1) 8M x 64     |
          |------------------+--------------------+--------------------|
          |      136MB       |    (1) 16M x 64    |    (1) 1M x 64     |
          |------------------+--------------------+--------------------|
          |      144MB       |    (1) 16M x 64    |    (1) 2M x 64     |
          |------------------+--------------------+--------------------|
          |      160MB       |    (1) 16M x 64    |    (1) 4M x 64     |
          |------------------+--------------------+--------------------|
          |      192MB       |    (1) 16M x 64    |    (1) 8M x 64     |
          |------------------+--------------------+--------------------|
          |      256MB       |    (1) 16M x 64    |    (1) 16M x 64    |
          |------------------------------------------------------------|
          |      Note: Board accepts EDO & SDRAM memory.               |
          +------------------------------------------------------------+
       
          +------------------------------------------------------------+
          |                    CACHE CONFIGURATION                     |
          |------------------------------------------------------------|
          | Note: 256KB/512KB cache is located on the Pentium II CPU.  |
          +------------------------------------------------------------+
       
          +------------------------------------------------------------+
          |                    CPU SPEED SELECTION                     |
          |------------------------------------------------------------|
          | CPU speed | Clock speed | Multiplier |        FREQ         |
          |-----------+-------------+------------+---------------------|
          |  233MHz   |    66MHz    |    3.5x    |    5 & 6, 7 & 8     |
          |-----------+-------------+------------+---------------------|
          |  266MHz   |    66MHz    |     4x     | 1 & 2, 3 & 4, 7 & 8 |
          |-----------+-------------+------------+---------------------|
          |  300MHz   |    66MHz    |    4.5x    |    3 & 4, 7 & 8     |
          |-----------+-------------+------------+---------------------|
          |  333MHz   |    66MHz    |     5x     |    1 & 2, 7 & 8     |
          |------------------------------------------------------------|
          | Note: Pins designated should be in the closed position.    |
          +------------------------------------------------------------+
       
          +------------------------------------------------------------+
          |                    FLASH BIOS SELECTION                    |
          |------------------------------------------------------------|
          |       Type       |        EP1         |        EP2         |
          |------------------+--------------------+--------------------|
          |   Intel 28F001   | Pins 2 & 3 closed  | Pins 1 & 2 closed  |
          |------------------+--------------------+--------------------|
          |   MXIC 28F1000   | Pins 2 & 3 closed  | Pins 1 & 2 closed  |
          |------------------+--------------------+--------------------|
          |   SST 29EE010    | Pins 1 & 2 closed  | Pins 1 & 2 closed  |
          |------------------+--------------------+--------------------|
          |  ATMEL AT29C010  | Pins 1 & 2 closed  | Pins 1 & 2 closed  |
          |------------------+--------------------+--------------------|
          |   MXIC 28F2000   | Pins 2 & 3 closed  | Pins 2 & 3 closed  |
          |------------------+--------------------+--------------------|
          |   SST 29EE020    | Pins 1 & 2 closed  | Pins 2 & 3 closed  |
          |------------------+--------------------+--------------------|
          |  ATMEL AT29C020  | Pins 1 & 2 closed  | Pins 2 & 3 closed  |
          |------------------+--------------------+--------------------|
          |    AMD 28F020    | Pins 1 & 2 closed  | Pins 2 & 3 closed  |
          +------------------------------------------------------------+