URI: 
  TEXT View Source
       
       # EPOX COMPUTER CO., LTD.
       
          KP6-LS (SMP)
       
          Device Type      Mainboard                                     
          Processor        Pentium II                                    
          Processor Speed  200/233/266/300/333MHz                        
          Chip Set         Intel                                         
          Video Chip Set   None                                          
          Maximum Onboard  1GB (EDO & SDRAM supported)                   
          Memory           
          Maximum Video    None                                          
          Memory           
          Cache            256/512KB (located on Pentium II CPU)         
          BIOS             Award                                         
          Dimensions       305mm x 244mm                                 
          I/O Options      32-bit PCI slots (4), floppy drive interface, 
                           green PC connector, IDE interfaces (2),       
                           parallel port, PS/2 mouse port, serial ports  
                           (2), IR connector, USB connectors (2), ATX    
                           power connector, AGP slot                     
          NPU Options      None                                          
       
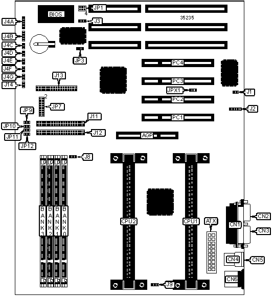
   IMG IMG 1
          
       
          +------------------------------------------------------------+
          |                        CONNECTIONS                         |
          |------------------------------------------------------------|
          | Purpose           | Location | Purpose          | Location |
          |-------------------+----------+------------------+----------|
          | AGP slot          |   AGP    | Reset switch     |   J4C    |
          |-------------------+----------+------------------+----------|
          | ATX power         |   ATX    | Turbo LED        |   J4D    |
          | connector         |          |                  |          |
          |-------------------+----------+------------------+----------|
          | Parallel port     |   CN1    | Green PC         |   J4E    |
          |                   |          | connector        |          |
          |-------------------+----------+------------------+----------|
          | Serial port 2     |   CN2    | Green PC LED     |   J4F    |
          |-------------------+----------+------------------+----------|
          | Serial port 1     |   CN3    | IDE interface    |   J4G    |
          |                   |          | LED              |          |
          |-------------------+----------+------------------+----------|
          | USB connector 2   |   CN4    | CPU 2 fan power  |    J8    |
          |-------------------+----------+------------------+----------|
          | USB connector 1   |   CN5    | CPU 1 fan power  |    J9    |
          |-------------------+----------+------------------+----------|
          | PS/2 mouse port   |   CN6    | IDE interface 1  |   J11    |
          |-------------------+----------+------------------+----------|
          | Chassis intrusion |    J1    | IDE interface 2  |   J12    |
          | connector         |          |                  |          |
          |-------------------+----------+------------------+----------|
          | IR connector      |    J2    | Floppy drive     |   J13    |
          |                   |          | interface        |          |
          |-------------------+----------+------------------+----------|
          | Chassis fan power |    J3    | Soft off power   |   J14    |
          |                   |          | supply           |          |
          |-------------------+----------+------------------+----------|
          | Power LED &       |   J4A    | Wake on LAN      |   JPX1   |
          | keylock           |          | connector        |          |
          |-------------------+----------+------------------+----------|
          | Speaker           |   J4B    | 32-bit PCI slots |  PC1 –   |
          |                   |          |                  |   PC4    |
          +------------------------------------------------------------+
       
          +------------------------------------------------------------+
          |                 USER CONFIGURABLE SETTINGS                 |
          |------------------------------------------------------------|
          |              Function              | Label |   Position    |
          |------------------------------------+-------+---------------|
          | » | Flash BIOS voltage select 5v   |  JP1  | Pins 1 & 2, 4 |
          |   |                                |       |  & 5 closed   |
          |---+--------------------------------+-------+---------------|
          |   | Flash BIOS voltage select 12v  |  JP1  | Pins 2 & 3, 5 |
          |   |                                |       |  & 6 closed   |
          |---+--------------------------------+-------+---------------|
          | » | CMOS memory normal operation   |  JP3  |  Pins 1 & 2   |
          |   |                                |       |    closed     |
          |---+--------------------------------+-------+---------------|
          |   | CMOS memory clear              |  JP3  |  Pins 2 & 3   |
          |   |                                |       |    closed     |
          |---+--------------------------------+-------+---------------|
          | » | Factory configured - do not    |  JP9  | Unidentified  |
          |   | alter                          |       |               |
          |---+--------------------------------+-------+---------------|
          | » | Factory configured - do not    | JP10  | Unidentified  |
          |   | alter                          |       |               |
          |---+--------------------------------+-------+---------------|
          | » | Factory configured - do not    | JP11  | Unidentified  |
          |   | alter                          |       |               |
          |---+--------------------------------+-------+---------------|
          | » | Factory configured - do not    | JP12  | Unidentified  |
          |   | alter                          |       |               |
          +------------------------------------------------------------+
       
          +------------------------------------------------------------+
          |                     DIMM CONFIGURATION                     |
          |------------------------------------------------------------|
          | Size |   Bank 0    |   Bank 1    |   Bank 2   |   Bank 3   |
          |------+-------------+-------------+------------+------------|
          | 8MB  | (1) 1M x 64 |    None     |    None    |    None    |
          |------+-------------+-------------+------------+------------|
          | 16MB | (1) 2M x 64 |    None     |    None    |    None    |
          |------+-------------+-------------+------------+------------|
          | 16MB | (1) 1M x 64 | (1) 1M x 64 |    None    |    None    |
          |------+-------------+-------------+------------+------------|
          | 24MB | (1) 2M x 64 | (1) 1M x 64 |    None    |    None    |
          |------+-------------+-------------+------------+------------|
          | 24MB | (1) 1M x 64 | (1) 1M x 64 |  (1) 1M x  |    None    |
          |      |             |             |     64     |            |
          |------+-------------+-------------+------------+------------|
          | 32MB | (1) 4M x 64 |    None     |    None    |    None    |
          |------+-------------+-------------+------------+------------|
          | 32MB | (1) 2M x 64 | (1) 2M x 64 |    None    |    None    |
          |------+-------------+-------------+------------+------------|
          | 32MB | (1) 1M x 64 | (1) 1M x 64 |  (1) 1M x  |  (1) 1M x  |
          |      |             |             |     64     |     64     |
          |------+-------------+-------------+------------+------------|
          | 40MB | (1) 4M x 64 | (1) 1M x 64 |    None    |    None    |
          +------------------------------------------------------------+
       
          +------------------------------------------------------------+
          |                 DIMM CONFIGURATION (CON’T)                 |
          |------------------------------------------------------------|
          |  Size  |   Bank 0   |   Bank 1   |   Bank 2   |   Bank 3   |
          |--------+------------+------------+------------+------------|
          |  48MB  |  (1) 4M x  |  (1) 2M x  |    None    |    None    |
          |        |     64     |     64     |            |            |
          |--------+------------+------------+------------+------------|
          |  48MB  |  (1) 2M x  |  (1) 2M x  |  (1) 2M x  |    None    |
          |        |     64     |     64     |     64     |            |
          |--------+------------+------------+------------+------------|
          |  64MB  |  (1) 2M x  |  (1) 2M x  |  (1) 2M x  |  (1) 2M x  |
          |        |     64     |     64     |     64     |     64     |
          |--------+------------+------------+------------+------------|
          |  64MB  |  (1) 8M x  |    None    |    None    |    None    |
          |        |     64     |            |            |            |
          |--------+------------+------------+------------+------------|
          |  64MB  |  (1) 4M x  |  (1) 4M x  |    None    |    None    |
          |        |     64     |     64     |            |            |
          |--------+------------+------------+------------+------------|
          |  72MB  |  (1) 8M x  |  (1) 1M x  |    None    |    None    |
          |        |     64     |     64     |            |            |
          |--------+------------+------------+------------+------------|
          |  80MB  |  (1) 8M x  |  (1) 2M x  |    None    |    None    |
          |        |     64     |     64     |            |            |
          |--------+------------+------------+------------+------------|
          |  96MB  |  (1) 8M x  |  (1) 4M x  |    None    |    None    |
          |        |     64     |     64     |            |            |
          |--------+------------+------------+------------+------------|
          |  96MB  |  (1) 4M x  |  (1) 4M x  |  (1) 4M x  |    None    |
          |        |     64     |     64     |     64     |            |
          |--------+------------+------------+------------+------------|
          | 128MB  | (1) 16M x  |    None    |    None    |    None    |
          |        |     64     |            |            |            |
          |--------+------------+------------+------------+------------|
          | 128MB  |  (1) 8M x  |  (1) 8M x  |    None    |    None    |
          |        |     64     |     64     |            |            |
          |--------+------------+------------+------------+------------|
          | 128MB  |  (1) 4M x  |  (1) 4M x  |  (1) 4M x  |  (1) 4M x  |
          |        |     64     |     64     |     64     |     64     |
          |--------+------------+------------+------------+------------|
          | 136MB  | (1) 16M x  |  (1) 1M x  |    None    |    None    |
          |        |     64     |     64     |            |            |
          |--------+------------+------------+------------+------------|
          | 144MB  | (1) 16M x  |  (1) 2M x  |    None    |    None    |
          |        |     64     |     64     |            |            |
          |--------+------------+------------+------------+------------|
          | 152MB  | (1) 16M x  |  (1) 1M x  |  (1) 1M x  |  (1) 1M x  |
          |        |     64     |     64     |     64     |     64     |
          |--------+------------+------------+------------+------------|
          | 160MB  | (1) 16M x  |  (1) 4M x  |    None    |    None    |
          |        |     64     |     64     |            |            |
          |--------+------------+------------+------------+------------|
          | 176MB  | (1) 16M x  |  (1) 2M x  |  (1) 2M x  |  (1) 2M x  |
          |        |     64     |     64     |     64     |     64     |
          |--------+------------+------------+------------+------------|
          | 192MB  | (1) 16M x  |  (1) 8M x  |    None    |    None    |
          |        |     64     |     64     |            |            |
          |--------+------------+------------+------------+------------|
          | 192MB  |  (1) 8M x  |  (1) 8M x  |  (1) 8M x  |    None    |
          |        |     64     |     64     |     64     |            |
          |--------+------------+------------+------------+------------|
          | 224MB  | (1) 16M x  |  (1) 4M x  |  (1) 4M x  |  (1) 4M x  |
          |        |     64     |     64     |     64     |     64     |
          |--------+------------+------------+------------+------------|
          | 256MB  | (1) 32M x  |    None    |    None    |    None    |
          |        |     64     |            |            |            |
          |--------+------------+------------+------------+------------|
          | 256MB  | (1) 16M x  | (1) 16M x  |    None    |    None    |
          |        |     64     |     64     |            |            |
          |--------+------------+------------+------------+------------|
          | 256MB  |  (1) 8M x  |  (1) 8M x  |  (1) 8M x  |  (1) 8M x  |
          |        |     64     |     64     |     64     |     64     |
          |--------+------------+------------+------------+------------|
          | 272MB  | (1) 16M x  | (1) 16M x  |  (1) 1M x  |  (1) 1M x  |
          |        |     64     |     64     |     64     |     64     |
          |--------+------------+------------+------------+------------|
          | 280MB  | (1) 32M x  |  (1) 1M x  |  (1) 1M x  |  (1) 1M x  |
          |        |     64     |     64     |     64     |     64     |
          |--------+------------+------------+------------+------------|
          | 288MB  | (1) 16M x  | (1) 16M x  |  (1) 2M x  |  (1) 2M x  |
          |        |     64     |     64     |     64     |     64     |
          |--------+------------+------------+------------+------------|
          | 304MB  | (1) 32M x  |  (1) 2M x  |  (1) 2M x  |  (1) 2M x  |
          |        |     64     |     64     |     64     |     64     |
          |--------+------------+------------+------------+------------|
          | 320MB  | (1) 16M x  | (1) 16M x  |  (1) 4M x  |  (1) 4M x  |
          |        |     64     |     64     |     64     |     64     |
          |--------+------------+------------+------------+------------|
          | 320MB  | (1) 16M x  |  (1) 8M x  |  (1) 8M x  |  (1) 8M x  |
          |        |     64     |     64     |     64     |     64     |
          |--------+------------+------------+------------+------------|
          | 352MB  | (1) 32M x  |  (1) 4M x  |  (1) 4M x  |  (1) 4M x  |
          |        |     64     |     64     |     64     |     64     |
          |--------+------------+------------+------------+------------|
          | 384MB  | (1) 16M x  | (1) 16M x  | (1) 16M x  |    None    |
          |        |     64     |     64     |     64     |            |
          |--------+------------+------------+------------+------------|
          | 448MB  | (1) 32M x  |  (1) 8M x  |  (1) 8M x  |  (1) 8M x  |
          |        |     64     |     64     |     64     |     64     |
          |--------+------------+------------+------------+------------|
          | 512MB  | (1) 32M x  | (1) 32M x  |    None    |    None    |
          |        |     64     |     64     |            |            |
          |--------+------------+------------+------------+------------|
          | 512MB  | (1) 16M x  | (1) 16M x  | (1) 16M x  | (1) 16M x  |
          |        |     64     |     64     |     64     |     64     |
          |--------+------------+------------+------------+------------|
          | 640MB  | (1) 32M x  | (1) 16M x  | (1) 16M x  | (1) 16M x  |
          |        |     64     |     64     |     64     |     64     |
          |--------+------------+------------+------------+------------|
          | 768MB  | (1) 32M x  | (1) 32M x  | (1) 32M x  |    None    |
          |        |     64     |     64     |     64     |            |
          |--------+------------+------------+------------+------------|
          | 1024MB | (1) 32M x  | (1) 32M x  | (1) 32M x  | (1) 32M x  |
          |        |     64     |     64     |     64     |     64     |
          |------------------------------------------------------------|
          |      Note: Board accepts EDO & SDRAM memory.               |
          +------------------------------------------------------------+
       
          +------------------------------------------------------------+
          |                    CACHE CONFIGURATION                     |
          |------------------------------------------------------------|
          | Note: 256KB/512KB cache is located on the Pentium II CPU.  |
          +------------------------------------------------------------+
       
          +------------------------------------------------------------+
          |                    CPU SPEED SELECTION                     |
          |------------------------------------------------------------|
          | CPU speed  | Clock speed | Multiplier |        JP7         |
          |------------+-------------+------------+--------------------|
          |   200MHz   |    66MHz    |     3x     | Pins 1 & 2 closed  |
          |------------+-------------+------------+--------------------|
          |   233MHz   |    66MHz    |    3.5x    | Pins 3 & 4 closed  |
          |------------+-------------+------------+--------------------|
          |   266MHz   |    66MHz    |     4x     | Pins 5 & 6 closed  |
          |------------+-------------+------------+--------------------|
          |   300MHz   |    66MHz    |    4.5x    | Pins 7 & 8 closed  |
          |------------+-------------+------------+--------------------|
          |   333MHz   |    66MHz    |     5x     | Pins 9 & 10 closed |
          +------------------------------------------------------------+