URI: 
  TEXT View Source
       
       # FLASH TECH, INC.
       
          SL-66A-C (VER. 1.0)
       
          Device Type      Mainboard                                     
          Processor        Pentium II                                    
          Processor Speed  233/266/300/333MHz                            
          Chip Set         Intel 440LX                                   
          Maximum Onboard  1GB (EDO & SDRAM supported)                   
          Memory           
          Cache            256/512KB (located on the Pentium II CPU)     
          BIOS             Award                                         
          I/O Options      32-bit PCI slots (4), floppy drive interface, 
                           IDE interface (2), SCSI connector, parallel   
                           port, PS/2 mouse port, serial ports (2), USB  
                           connector (2), IR connector, AGP slot, green  
                           PC connector, ATX power connector, SCSI       
                           connector, Wide Ultra SCSI connector          
          Dimensions       330mm x 220mm                                 
       
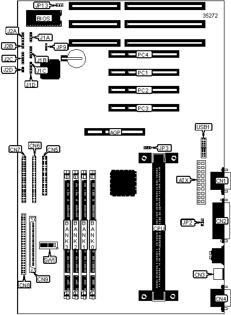
   IMG IMG 1
          
       
          +------------------------------------------------------------+
          |                        CONNECTIONS                         |
          |------------------------------------------------------------|
          | Purpose           | Location | Purpose          | Location |
          |-------------------+----------+------------------+----------|
          | AGP slot          |   AGP    | IDE interface    |   J1A    |
          |                   |          | LED              |          |
          |-------------------+----------+------------------+----------|
          | ATX power         |   ATX    | IR connector     |   J1B    |
          | connector         |          |                  |          |
          |-------------------+----------+------------------+----------|
          | Serial port 1     |   CN1    | Power switch     |   J1C    |
          |-------------------+----------+------------------+----------|
          | Parallel port     |   CN2    | Green PC         |   J1D    |
          |                   |          | connector        |          |
          |-------------------+----------+------------------+----------|
          | PS/2 mouse port   |   CN3    | Speaker          |   J2A    |
          |-------------------+----------+------------------+----------|
          | Serial port 2     |   CN4    | Reset switch     |   J2B    |
          |-------------------+----------+------------------+----------|
          | Floppy drive      |   CN5    | Power LED &      |   J2C    |
          | interface         |          | keylock          |          |
          |-------------------+----------+------------------+----------|
          | IDE interface 2   |   CN6    | Turbo LED        |   J2D    |
          |-------------------+----------+------------------+----------|
          | IDE interface 1   |   CN7    | 32-bit PCI slots |  PC1 -   |
          |                   |          |                  |   PC4    |
          |-------------------+----------+------------------+----------|
          | SCSI connector    |   CN8    | USB connector    |   USB1   |
          |-------------------+----------+------------------+----------|
          | Wide Ultra SCSI   |   CN9    |                  |          |
          | connector         |          |                  |          |
          +------------------------------------------------------------+
       
          +------------------------------------------------------------+
          |                 USER CONFIGURABLE SETTINGS                 |
          |------------------------------------------------------------|
          |              Function               | Label |   Position   |
          |-------------------------------------+-------+--------------|
          | » | Factory configured - do not     |  JP1  |    Closed    |
          |   | alter                           |       |              |
          |---+---------------------------------+-------+--------------|
          | » | Factory configured - do not     |  JP2  | Unidentified |
          |   | alter                           |       |              |
          |---+---------------------------------+-------+--------------|
          | » | CMOS memory normal operation    |  JP9  |  Pins 1 & 2  |
          |   |                                 |       |    closed    |
          |---+---------------------------------+-------+--------------|
          |   | CMOS memory clear               |  JP9  |  Pins 2 & 3  |
          |   |                                 |       |    closed    |
          |---+---------------------------------+-------+--------------|
          | » | Factory configured - do not     | JP13  | Unidentified |
          |   | alter                           |       |              |
          +------------------------------------------------------------+
       
          +------------------------------------------------------------+
          |                     DRAM CONFIGURATION                     |
          |------------------------------------------------------------|
          | Size |   Bank 0    |   Bank 1    |   Bank 2   |   Bank 3   |
          |------+-------------+-------------+------------+------------|
          | 8MB  |  (1) 1MB x  |    None     |    None    |    None    |
          |      |     64      |             |            |            |
          |------+-------------+-------------+------------+------------|
          | 16MB |  (1) 1MB x  |  (1) 1MB x  |    None    |    None    |
          |      |     64      |     64      |            |            |
          |------+-------------+-------------+------------+------------|
          | 16MB |  (1) 2MB x  |    None     |    None    |    None    |
          |      |     64      |             |            |            |
          |------+-------------+-------------+------------+------------|
          | 24MB |  (1) 1MB x  |  (1) 1MB x  | (1) 1MB x  |    None    |
          |      |     64      |     64      |     64     |            |
          |------+-------------+-------------+------------+------------|
          | 24MB |  (1) 2MB x  |  (1) 1MB x  |    None    |    None    |
          |      |     64      |     64      |            |            |
          |------+-------------+-------------+------------+------------|
          | 32MB |  (1) 1MB x  |  (1) 1MB x  | (1) 1MB x  | (1) 1MB x  |
          |      |     64      |     64      |     64     |     64     |
          |------+-------------+-------------+------------+------------|
          | 32MB |  (1) 2MB x  | (1) 2MBx 64 |    None    |    None    |
          |      |     64      |             |            |            |
          |------+-------------+-------------+------------+------------|
          | 32MB |  (1) 4MB x  |    None     |    None    |    None    |
          |      |     64      |             |            |            |
          |------+-------------+-------------+------------+------------|
          | 40MB |  (1) 4MB x  |  (1) 1MB x  |    None    |    None    |
          |      |     64      |     64      |            |            |
          |------+-------------+-------------+------------+------------|
          | 48MB |  (1) 4MB x  |  (1) 1MB x  | (1) 1MB x  |    None    |
          |      |     64      |     64      |     64     |            |
          |------+-------------+-------------+------------+------------|
          | 48MB |  (1) 4MB x  |  (1) 2MB x  |    None    |    None    |
          |      |     64      |     64      |            |            |
          |------+-------------+-------------+------------+------------|
          | 56MB |  (1) 4MB x  |  (1) 2MB x  | (1) 1MB x  |    None    |
          |      |     64      |     64      |     64     |            |
          |------+-------------+-------------+------------+------------|
          | 64MB |  (1) 4MB x  |  (1) 2MB x  | (1) 1MB x  | (1) 1MB x  |
          |      |     64      |     64      |     64     |     64     |
          |------+-------------+-------------+------------+------------|
          | 64MB |  (1) 4MB x  |  (1) 2MB x  | (1) 2MB x  |    None    |
          |      |     64      |     64      |     64     |            |
          |------+-------------+-------------+------------+------------|
          | 64MB |  (1) 4MB x  |  (1) 4MB x  |    None    |    None    |
          |      |     64      |     64      |            |            |
          |------+-------------+-------------+------------+------------|
          | 64MB |  (1) 8MB x  |    None     |    None    |    None    |
          |      |     64      |             |            |            |
          |------+-------------+-------------+------------+------------|
          | 72MB |  (1) 4MB x  |  (1) 2MB x  | (1) 2MB x  | (1) 1MB x  |
          |      |     64      |     64      |     64     |     64     |
          |------+-------------+-------------+------------+------------|
          | 72MB |  (1) 8MB x  |  (1) 1MB x  |    None    |    None    |
          |      |     64      |     64      |            |            |
          |------+-------------+-------------+------------+------------|
          | 72MB |  (1) 4MB x  |  (1) 4MB x  | (1) 1MB x  |    None    |
          |      |     64      |     64      |     64     |            |
          |------+-------------+-------------+------------+------------|
          | 80MB |  (1) 4MB x  |  (1) 2MB x  | (1) 2MB x  | (1) 2MB x  |
          |      |     64      |     64      |     64     |     64     |
          |------+-------------+-------------+------------+------------|
          | 80MB |  (1) 4MB x  |  (1) 4MB x  | (1) 2MB x  |    None    |
          |      |     64      |     64      |     64     |            |
          |------+-------------+-------------+------------+------------|
          | 80MB |  (1) 8MB x  |  (1) 2MB x  |    None    |    None    |
          |      |     64      |     64      |            |            |
          |------+-------------+-------------+------------+------------|
          | 96MB |  (1) 4MB x  |  (1) 4MB x  | (1) 4MB x  |    None    |
          |      |     64      |     64      |     64     |            |
          |------+-------------+-------------+------------+------------|
          | 96MB |  (1) 8MB x  |  (1) 4MB x  |    None    |    None    |
          |      |     64      |     64      |            |            |
          +------------------------------------------------------------+
       
          +------------------------------------------------------------+
          |                 DRAM CONFIGURATION (CONT.)                 |
          |------------------------------------------------------------|
          |  Size  |   Bank 0   |   Bank 1   |   Bank 2   |   Bank 3   |
          |--------+------------+------------+------------+------------|
          | 128MB  | (1) 4MB x  | (1) 4MB x  | (1) 4MB x  | (1) 4MB x  |
          |        |     64     |     64     |     64     |     64     |
          |--------+------------+------------+------------+------------|
          | 128MB  | (1) 8MB x  | (1) 8MB x  |    None    |    None    |
          |        |     64     |     64     |            |            |
          |--------+------------+------------+------------+------------|
          | 128MB  | (1) 16MB x |    None    |    None    |    None    |
          |        |     64     |            |            |            |
          |--------+------------+------------+------------+------------|
          | 136MB  | (1) 8MB x  | (1) 8MB x  | (1) 1MB x  |    None    |
          |        |     64     |     64     |     64     |            |
          |--------+------------+------------+------------+------------|
          | 144MB  | (1) 8MB x  | (1) 8MB x  | (1) 2MB x  |    None    |
          |        |     64     |     64     |     64     |            |
          |--------+------------+------------+------------+------------|
          | 144MB  | (1) 16MB x | (1) 2MB x  |    None    |    None    |
          |        |     64     |     64     |            |            |
          |--------+------------+------------+------------+------------|
          | 160MB  | (1) 16MB x | (1) 4MB x  |    None    |    None    |
          |        |     64     |     64     |            |            |
          |--------+------------+------------+------------+------------|
          | 192MB  | (1) 8MB x  | (1) 8MB x  | (1) 8MB x  |    None    |
          |        |     64     |     64     |     64     |            |
          |--------+------------+------------+------------+------------|
          | 192MB  | (1) 16MB x | (1) 8MB x  |    None    |    None    |
          |        |     64     |     64     |            |            |
          |--------+------------+------------+------------+------------|
          | 224MB  | (1) 8MB x  | (1) 8MB x  | (1) 8MB x  | (1) 4MB x  |
          |        |     64     |     64     |     64     |     64     |
          |--------+------------+------------+------------+------------|
          | 256MB  | (1) 8MB x  | (1) 8MB x  | (1) 8MB x  | (1) 8MB x  |
          |        |     64     |     64     |     64     |     64     |
          |--------+------------+------------+------------+------------|
          | 256MB  | (1) 16MB x | (1) 16MBx  |    None    |    None    |
          |        |     64     |     64     |            |            |
          |--------+------------+------------+------------+------------|
          | 256MB  | (1) 32MB x |    None    |    None    |    None    |
          |        |     64     |            |            |            |
          |--------+------------+------------+------------+------------|
          | 272MB  | (1) 16MB x | (1) 16M x  | (1) 2MB x  |    None    |
          |        |     64     |     64     |     64     |            |
          |--------+------------+------------+------------+------------|
          | 288MB  | (1) 16MB x | (1) 16MB x | (1) 4MB x  |    None    |
          |        |     64     |     64     |     64     |            |
          |--------+------------+------------+------------+------------|
          | 288MB  | (1) 32MB x | (1) 4MB x  |    None    |    None    |
          |        |     64     |     64     |            |            |
          |--------+------------+------------+------------+------------|
          | 320MB  | (1) 16MB x | (1) 16MB x | (1) 8MB x  |    None    |
          |        |     64     |     64     |     64     |            |
          |--------+------------+------------+------------+------------|
          | 320MB  | (1) 32MB x | (1) 8MB x  |    None    |    None    |
          |        |     64     |     64     |            |            |
          |--------+------------+------------+------------+------------|
          | 384MB  | (1) 16MB x | (1) 16MB x | (1) 16MB x |    None    |
          |        |     64     |     64     |     64     |            |
          |--------+------------+------------+------------+------------|
          | 384MB  | (1) 32MB x | (1) 16MB x |    None    |    None    |
          |        |     64     |     64     |            |            |
          |--------+------------+------------+------------+------------|
          | 416MB  | (1) 16MB x | (1) 16MB x | (1) 16MB x | (1) 4MB x  |
          |        |     64     |     64     |     64     |     64     |
          |--------+------------+------------+------------+------------|
          | 448MB  | (1) 16MB x | (1) 16MB x | (1) 16MB x | (1) 8MB x  |
          |        |     64     |     64     |     64     |     64     |
          |--------+------------+------------+------------+------------|
          | 512MB  | (1) 16MB x | (1) 16MB x | (1) 16MB x | (1) 16MB x |
          |        |     64     |     64     |     64     |     64     |
          |--------+------------+------------+------------+------------|
          | 512MB  | (1) 32MB x | (1) 32MB x |    None    |    None    |
          |        |     64     |     64     |            |            |
          |--------+------------+------------+------------+------------|
          | 544MB  | (1) 32MB x | (1) 32MB x | (1) 4MB x  |    None    |
          |        |     64     |     64     |     64     |            |
          |--------+------------+------------+------------+------------|
          | 576MB  | (1) 32MB x | (1) 32MB x | (1) 8MB x  |    None    |
          |        |     64     |     64     |     64     |            |
          |--------+------------+------------+------------+------------|
          | 640MB  | (1) 32MB x | (1) 32MB x | (1) 16MB x |    None    |
          |        |     64     |     64     |     64     |            |
          |--------+------------+------------+------------+------------|
          | 768MB  | (1) 32MB x | (1) 32MB x | (1) 32MB x |    None    |
          |        |     64     |     64     |     64     |            |
          |--------+------------+------------+------------+------------|
          | 832MB  | (1) 32MB x | (1) 32MB x | (1) 32MB x | (1) 8MB x  |
          |        |     64     |     64     |     64     |     64     |
          |--------+------------+------------+------------+------------|
          | 896MB  | (1) 32MB x | (1) 32MB x | (1) 32MB x | (1) 16MB x |
          |        |     64     |     64     |     64     |     64     |
          |--------+------------+------------+------------+------------|
          | 1024MB | (1) 32MB x | (1) 32MB x | (1) 32MB x | (1) 32MB x |
          |        |     64     |     64     |     64     |     64     |
          +------------------------------------------------------------+
       
          +------------------------------------------------------------+
          |                    CPU SPEED SELECTION                     |
          |------------------------------------------------------------|
          |  CPU  |Clock|Multiplier|SW1/1|SW1/2|SW1/3|SW1/4|SW1/5|SW1/6|
          | Speed |Speed|          |     |     |     |     |     |     |
          |-------+-----+----------+-----+-----+-----+-----+-----+-----|
          |233MHz |66MHz|   3.5x   | On  | Off | Off | On  | Off | Off |
          |-------+-----+----------+-----+-----+-----+-----+-----+-----|
          |266MHz |66MHz|    4x    | Off | On  | On  | On  | Off | Off |
          |-------+-----+----------+-----+-----+-----+-----+-----+-----|
          |300MHz |66MHz|   4.5x   | Off | On  | Off | On  | Off | Off |
          |-------+-----+----------+-----+-----+-----+-----+-----+-----|
          |333MHz |66MHz|    5x    | Off | Off | On  | On  | Off | Off |
          +------------------------------------------------------------+