URI: 
  TEXT View Source
       
       # ELITEGROUP COMPUTER SYSTEMS, INC.
       
          P6EX-ME
       
          Device Type      Mainboard                                     
          Processor        Pentium II                                    
          Processor Speed  233/266/300/333MHz                            
          Chip Set         Intel                                         
          Video Chip Set   None                                          
          Maximum Onboard  256MB (EDO & SDRAM supported)                 
          Memory           
          Maximum Video    None                                          
          Memory           
          Cache            256/512KB (located on Pentium II CPU)         
          BIOS             Award                                         
          Dimensions       244mm x 244mm                                 
          I/O Options      32-bit PCI slots (2), floppy drive interface, 
                           game/MIDI port, green PC connector, IDE       
                           interfaces (2), parallel port, PS/2 mouse     
                           port, serial ports (2), IR connector, USB     
                           connectors (2), ATX power connector, AGP      
                           slot, line in, line out, microphone in, audio 
                           in – CD-ROMs (2)                              
          NPU Options      None                                          
       
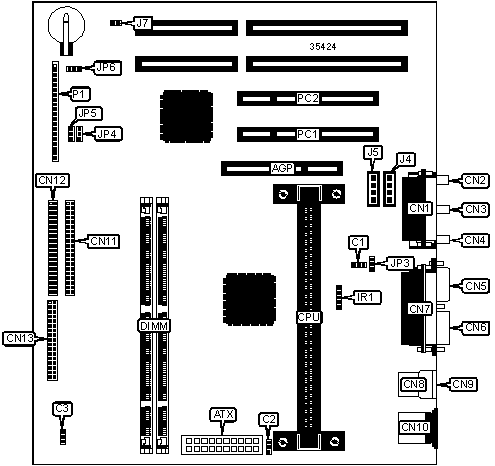
   IMG IMG 1
          
       
          +------------------------------------------------------------+
          |                        CONNECTIONS                         |
          |------------------------------------------------------------|
          | Purpose          | Location | Purpose          | Location  |
          |------------------+----------+------------------+-----------|
          | AGP slot         |   AGP    | Floppy drive     |   CN13    |
          |                  |          | interface        |           |
          |------------------+----------+------------------+-----------|
          | ATX power        |   ATX    | IR connector     |    IR1    |
          | connector        |          |                  |           |
          |------------------+----------+------------------+-----------|
          | Power fan        |    C1    | Audio in –       |    J4     |
          |                  |          | CD-ROM           |           |
          |------------------+----------+------------------+-----------|
          | CPU fan power    |    C2    | Audio in –       |    J5     |
          |                  |          | CD-ROM           |           |
          |------------------+----------+------------------+-----------|
          | Chassis fan      |    C3    | Case open/close  |    J7     |
          | power            |          | connector        |           |
          |------------------+----------+------------------+-----------|
          | Game/MIDI port   |   CN1    | Wake on LAN      |    JP4    |
          |                  |          | connector        |           |
          |------------------+----------+------------------+-----------|
          | Line out         |   CN2    | Wake on modem    |    JP5    |
          |                  |          | connector        |           |
          |------------------+----------+------------------+-----------|
          | Line in          |   CN3    | Power LED        | P1/pins 1 |
          |                  |          |                  |    - 3    |
          |------------------+----------+------------------+-----------|
          | Microphone in    |   CN4    | Green PC         | P1/pins 4 |
          |                  |          | connector        |    & 5    |
          |------------------+----------+------------------+-----------|
          | Serial port 2    |   CN5    | Green PC LED     | P1/pins 6 |
          |                  |          |                  |    - 8    |
          |------------------+----------+------------------+-----------|
          | Serial port 1    |   CN6    | Reset switch     | P1/pins 9 |
          |                  |          |                  |   & 10    |
          |------------------+----------+------------------+-----------|
          | Parallel port    |   CN7    | Keylock          |  P1/pins  |
          |                  |          |                  |  11 & 12  |
          |------------------+----------+------------------+-----------|
          | USB connector 1  |   CN8    | Speaker          |  P1/pins  |
          |                  |          |                  |  13 - 16  |
          |------------------+----------+------------------+-----------|
          | USB connector 2  |   CN9    | IDE interface    |  P1/pins  |
          |                  |          | LED              |  17 & 18  |
          |------------------+----------+------------------+-----------|
          | PS/2 mouse port  |   CN10   | Soft off power   |  P1/pins  |
          |                  |          | supply           |  19 & 20  |
          |------------------+----------+------------------+-----------|
          | IDE interface 2  |   CN11   | 32-bit PCI slots | PC1 – PC2 |
          |------------------+----------+------------------+-----------|
          | IDE interface 1  |   CN12   |                  |           |
          +------------------------------------------------------------+
       
          +------------------------------------------------------------+
          |                 USER CONFIGURABLE SETTINGS                 |
          |------------------------------------------------------------|
          |             Function             | Label |    Position     |
          |----------------------------------+-------+-----------------|
          |   | On board audio enabled       |  JP3  |   Pins 1 & 2    |
          |   |                              |       |     closed      |
          |---+------------------------------+-------+-----------------|
          |   | On board audio disabled      |  JP3  |   Pins 2 & 3    |
          |   |                              |       |     closed      |
          |---+------------------------------+-------+-----------------|
          | » | CMOS memory normal operation |  JP6  |   Pins 2 & 3    |
          |   |                              |       |     closed      |
          |---+------------------------------+-------+-----------------|
          |   | CMOS memory clear            |  JP6  |   Pins 1 & 2    |
          |   |                              |       |     closed      |
          +------------------------------------------------------------+
       
          +------------------------------------------------------------+
          |                     DIMM CONFIGURATION                     |
          |------------------------------------------------------------|
          |       Size       |       Bank 0       |       Bank 1       |
          |------------------+--------------------+--------------------|
          |       8MB        |    (1) 1M x 64     |        None        |
          |------------------+--------------------+--------------------|
          |       16MB       |    (1) 2M x 64     |        None        |
          |------------------+--------------------+--------------------|
          |       16MB       |    (1) 1M x 64     |    (1) 1M x 64     |
          |------------------+--------------------+--------------------|
          |       24MB       |    (1) 2M x 64     |    (1) 1M x 64     |
          |------------------+--------------------+--------------------|
          |       32MB       |    (1) 4M x 64     |        None        |
          |------------------+--------------------+--------------------|
          |       32MB       |    (1) 2M x 64     |    (1) 2M x 64     |
          |------------------+--------------------+--------------------|
          |       40MB       |    (1) 4M x 64     |    (1) 1M x 64     |
          |------------------+--------------------+--------------------|
          |       48MB       |    (1) 4M x 64     |    (1) 2M x 64     |
          |------------------+--------------------+--------------------|
          |       64MB       |    (1) 8M x 64     |        None        |
          +------------------------------------------------------------+
       
          +------------------------------------------------------------+
          |                 DIMM CONFIGURATION (CON’T)                 |
          |------------------------------------------------------------|
          |       Size       |       Bank 0       |       Bank 1       |
          |------------------+--------------------+--------------------|
          |       64MB       |    (1) 4M x 64     |    (1) 4M x 64     |
          |------------------+--------------------+--------------------|
          |       72MB       |    (1) 8M x 64     |    (1) 1M x 64     |
          |------------------+--------------------+--------------------|
          |       80MB       |    (1) 8M x 64     |    (1) 2M x 64     |
          |------------------+--------------------+--------------------|
          |       96MB       |    (1) 8M x 64     |    (1) 4M x 64     |
          |------------------+--------------------+--------------------|
          |      128MB       |    (1) 16M x 64    |        None        |
          |------------------+--------------------+--------------------|
          |      128MB       |    (1) 8M x 64     |    (1) 8M x 64     |
          |------------------+--------------------+--------------------|
          |      136MB       |    (1) 16M x 64    |    (1) 1M x 64     |
          |------------------+--------------------+--------------------|
          |      144MB       |    (1) 16M x 64    |    (1) 2M x 64     |
          |------------------+--------------------+--------------------|
          |      160MB       |    (1) 16M x 64    |    (1) 4M x 64     |
          |------------------+--------------------+--------------------|
          |      192MB       |    (1) 16M x 64    |    (1) 8M x 64     |
          |------------------+--------------------+--------------------|
          |      256MB       |    (1) 16M x 64    |    (1) 16M x 64    |
          |------------------------------------------------------------|
          |      Note: Board accepts EDO & SDRAM memory.               |
          +------------------------------------------------------------+
       
          +------------------------------------------------------------+
          |                    CACHE CONFIGURATION                     |
          |------------------------------------------------------------|
          | Note: 256KB/512KB cache is located on the Pentium II CPU.  |
          +------------------------------------------------------------+