URI: 
  TEXT View Source
       
       # FREE COMPUTER TECHNOLOGY, INC.
       
          P6F91
       
          Device Type      Mainboard                                     
          Processor        Pentium II                                    
          Processor Speed  233/266/300/333/350/400/450/500MHz            
          Chip Set         Intel 440BX                                   
          Video Chip Set   None                                          
          Maximum Onboard  384MB (EDO & SDRAM supported)                 
          Memory           
          Maximum Video    None                                          
          Memory           
          Cache            512KB (located on Pentium II CPU)             
          BIOS             Award                                         
          Dimensions       305mm x 190mm                                 
          I/O Options      32-bit PCI slots (4), floppy drive interface, 
                           IDE interfaces (2), parallel port, PS/2 mouse 
                           port, serial ports (2), IR connector, USB     
                           connectors (2), ATX power connector, AGP      
                           slot, SB-link connector, wake on LAN          
                           connector                                     
       
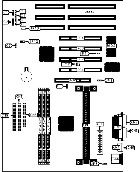
   IMG IMG 1
          
       
          +------------------------------------------------------------+
          |                        CONNECTIONS                         |
          |------------------------------------------------------------|
          | Purpose           | Location | Purpose          | Location |
          |-------------------+----------+------------------+----------|
          | AGP slot          |   AGP    | Serial port 1    |   CN3    |
          |-------------------+----------+------------------+----------|
          | ATX power         |   ATX    | USB connector 1  |   CN4    |
          | connector         |          |                  |          |
          |-------------------+----------+------------------+----------|
          | Speaker           |    C1    | USB connector 2  |   CN5    |
          |-------------------+----------+------------------+----------|
          | Power LED &       |    C2    | PS/2 mouse port  |   CN6    |
          | keylock           |          |                  |          |
          |-------------------+----------+------------------+----------|
          | IDE interface LED |    C3    | Floppy drive     |   CN7    |
          |                   |          | interface        |          |
          |-------------------+----------+------------------+----------|
          | Standby LED       |    C4    | IDE interface 1  |   CN8    |
          |-------------------+----------+------------------+----------|
          | Reset switch      |    C5    | IDE interface 2  |   CN9    |
          |-------------------+----------+------------------+----------|
          | Soft off power    |    C6    | IR connector     |   IR1    |
          | supply            |          |                  |          |
          |-------------------+----------+------------------+----------|
          | Chassis fan power |    C7    | Wake on LAN      |   JP1    |
          |                   |          | connector        |          |
          |-------------------+----------+------------------+----------|
          | CPU fan power     |    C8    | SB-link          |   JP15   |
          |                   |          | connector        |          |
          |-------------------+----------+------------------+----------|
          | Parallel port     |   CN1    | 32-bit PCI slots |  PC1 –   |
          |                   |          |                  |   PC4    |
          |-------------------+----------+------------------+----------|
          | Serial port 2     |   CN2    |                  |          |
          +------------------------------------------------------------+
       
          +------------------------------------------------------------+
          |                 USER CONFIGURABLE SETTINGS                 |
          |------------------------------------------------------------|
          |               Function                | Label |  Position  |
          |---------------------------------------+-------+------------|
          | » | Keyboard & mouse voltage select   |  JP6  | Pins 2 & 3 |
          |   | +5vsb                             |       |   closed   |
          |---+-----------------------------------+-------+------------|
          |   | Keyboard & mouse voltage select   |  JP6  | Pins 1 & 2 |
          |   | +5v                               |       |   closed   |
          |---+-----------------------------------+-------+------------|
          | » | CMOS memory normal operation      | JP12  | Pins 1 & 2 |
          |   |                                   |       |   closed   |
          |---+-----------------------------------+-------+------------|
          |   | CMOS memory clear                 | JP12  | Pins 2 & 3 |
          |   |                                   |       |   closed   |
          |---+-----------------------------------+-------+------------|
          | » | Auto power on disabled            | JP13  | Pins 2 & 3 |
          |   |                                   |       |   closed   |
          |---+-----------------------------------+-------+------------|
          |   | Auto power on enabled             | JP13  | Pins 1 & 2 |
          |   |                                   |       |   closed   |
          +------------------------------------------------------------+
       
          +------------------------------------------------------------+
          |                     DIMM CONFIGURATION                     |
          |------------------------------------------------------------|
          |    Size    |    Bank 0     |    Bank 1     |    Bank 2     |
          |------------+---------------+---------------+---------------|
          |    8MB     |  (1) 1M x 64  |     None      |     None      |
          |------------+---------------+---------------+---------------|
          |    16MB    |  (1) 2M x 64  |     None      |     None      |
          |------------+---------------+---------------+---------------|
          |    16MB    |  (1) 1M x 64  |  (1) 1M x 64  |     None      |
          |------------+---------------+---------------+---------------|
          |    24MB    |  (1) 2M x 64  |  (1) 1M x 64  |     None      |
          |------------+---------------+---------------+---------------|
          |    24MB    |  (1) 1M x 64  |  (1) 1M x 64  |  (1) 1M x 64  |
          |------------+---------------+---------------+---------------|
          |    32MB    |  (1) 4M x 64  |     None      |     None      |
          |------------+---------------+---------------+---------------|
          |    32MB    |  (1) 2M x 64  |  (1) 1M x 64  |  (1) 1M x 64  |
          |------------+---------------+---------------+---------------|
          |    32MB    |  (1) 2M x 64  |  (1) 2M x 64  |     None      |
          |------------+---------------+---------------+---------------|
          |    40MB    |  (1) 4M x 64  |  (1) 1M x 64  |     None      |
          |------------+---------------+---------------+---------------|
          |    40MB    |  (1) 2M x 64  |  (1) 2M x 64  |  (1) 1M x 64  |
          |------------+---------------+---------------+---------------|
          |    48MB    |  (1) 4M x 64  |  (1) 1M x 64  |  (1) 1M x 64  |
          +------------------------------------------------------------+
       
          +------------------------------------------------------------+
          |                 DIMM CONFIGURATION (CON’T)                 |
          |------------------------------------------------------------|
          |    Size    |    Bank 0     |    Bank 1     |    Bank 2     |
          |------------+---------------+---------------+---------------|
          |    48MB    |  (1) 4M x 64  |  (1) 2M x 64  |     None      |
          |------------+---------------+---------------+---------------|
          |    48MB    |  (1) 2M x 64  |  (1) 2M x 64  |  (1) 2M x 64  |
          |------------+---------------+---------------+---------------|
          |    56MB    |  (1) 4M x 64  |  (1) 2M x 64  |  (1) 1M x 64  |
          |------------+---------------+---------------+---------------|
          |    64MB    |  (1) 8M x 64  |     None      |     None      |
          |------------+---------------+---------------+---------------|
          |    64MB    |  (1) 4M x 64  |  (1) 2M x 64  |  (1) 2M x 64  |
          |------------+---------------+---------------+---------------|
          |    64MB    |  (1) 4M x 64  |  (1) 4M x 64  |     None      |
          |------------+---------------+---------------+---------------|
          |    72MB    |  (1) 8M x 64  |  (1) 1M x 64  |     None      |
          |------------+---------------+---------------+---------------|
          |    72MB    |  (1) 4M x 64  |  (1) 4M x 64  |  (1) 1M x 64  |
          |------------+---------------+---------------+---------------|
          |    80MB    |  (1) 8M x 64  |  (1) 1M x 64  |  (1) 1M x 64  |
          |------------+---------------+---------------+---------------|
          |    80MB    |  (1) 8M x 64  |  (1) 2M x 64  |     None      |
          |------------+---------------+---------------+---------------|
          |    80MB    |  (1) 4M x 64  |  (1) 4M x 64  |  (1) 2M x 64  |
          |------------+---------------+---------------+---------------|
          |    88MB    |  (1) 8M x 64  |  (1) 2M x 64  |  (1) 1M x 64  |
          |------------+---------------+---------------+---------------|
          |    96MB    |  (1) 8M x 64  |  (1) 2M x 64  |  (1) 2M x 64  |
          |------------+---------------+---------------+---------------|
          |    96MB    |  (1) 8M x 64  |  (1) 4M x 64  |     None      |
          |------------+---------------+---------------+---------------|
          |    96MB    |  (1) 4M x 64  |  (1) 4M x 64  |  (1) 4M x 64  |
          |------------+---------------+---------------+---------------|
          |   104MB    |  (1) 8M x 64  |  (1) 4M x 64  |  (1) 1M x 64  |
          |------------+---------------+---------------+---------------|
          |   112MB    |  (1) 8M x 64  |  (1) 4M x 64  |  (1) 2M x 64  |
          |------------+---------------+---------------+---------------|
          |   128MB    | (1) 16M x 64  |     None      |     None      |
          |------------+---------------+---------------+---------------|
          |   128MB    |  (1) 8M x 64  |  (1) 4M x 64  |  (1) 4M x 64  |
          |------------+---------------+---------------+---------------|
          |   128MB    |  (1) 8M x 64  |  (1) 8M x 64  |     None      |
          |------------+---------------+---------------+---------------|
          |   136MB    | (1) 16M x 64  |  (1) 1M x 64  |     None      |
          |------------+---------------+---------------+---------------|
          |   136MB    |  (1) 8M x 64  |  (1) 8M x 64  |  (1) 1M x 64  |
          |------------+---------------+---------------+---------------|
          |   144MB    | (1) 16M x 64  |  (1) 1M x 64  |  (1) 1M x 64  |
          |------------+---------------+---------------+---------------|
          |   144MB    | (1) 16M x 64  |  (1) 2M x 64  |     None      |
          |------------+---------------+---------------+---------------|
          |   144MB    |  (1) 8M x 64  |  (1) 8M x 64  |  (1) 2M x 64  |
          |------------+---------------+---------------+---------------|
          |   152MB    | (1) 16M x 64  |  (1) 2M x 64  |  (1) 1M x 64  |
          |------------+---------------+---------------+---------------|
          |   160MB    | (1) 16M x 64  |  (1) 2M x 64  |  (1) 2M x 64  |
          |------------+---------------+---------------+---------------|
          |   160MB    | (1) 16M x 64  |  (1) 4M x 64  |     None      |
          |------------+---------------+---------------+---------------|
          |   160MB    |  (1) 8M x 64  |  (1) 8M x 64  |  (1) 4M x 64  |
          |------------+---------------+---------------+---------------|
          |   168MB    | (1) 16M x 64  |  (1) 4M x 64  |  (1) 1M x 64  |
          |------------+---------------+---------------+---------------|
          |   176MB    | (1) 16M x 64  |  (1) 4M x 64  |  (1) 2M x 64  |
          |------------+---------------+---------------+---------------|
          |   192MB    | (1) 16M x 64  |  (1) 4M x 64  |  (1) 4M x 64  |
          |------------+---------------+---------------+---------------|
          |   192MB    | (1) 16M x 64  |  (1) 8M x 64  |     None      |
          |------------+---------------+---------------+---------------|
          |   192MB    |  (1) 8M x 64  |  (1) 8M x 64  |  (1) 8M x 64  |
          +------------------------------------------------------------+
       
          +------------------------------------------------------------+
          |                 DIMM CONFIGURATION (CON’T)                 |
          |------------------------------------------------------------|
          |    Size    |    Bank 0     |    Bank 1     |    Bank 2     |
          |------------+---------------+---------------+---------------|
          |   200MB    | (1) 16M x 64  |  (1) 8M x 64  |  (1) 1M x 64  |
          |------------+---------------+---------------+---------------|
          |   208MB    | (1) 16M x 64  |  (1) 8M x 64  |  (1) 2M x 64  |
          |------------+---------------+---------------+---------------|
          |   224MB    | (1) 16M x 64  |  (1) 8M x 64  |  (1) 4M x 64  |
          |------------+---------------+---------------+---------------|
          |   256MB    | (1) 16M x 64  |  (1) 8M x 64  |  (1) 8M x 64  |
          |------------+---------------+---------------+---------------|
          |   384MB    | (1) 16M x 64  | (1) 16M x 64  | (1) 16M x 64  |
          |------------------------------------------------------------|
          |      Note: Board accepts EDO & SDRAM memory.               |
          +------------------------------------------------------------+
       
          +------------------------------------------------------------+
          |                    CACHE CONFIGURATION                     |
          |------------------------------------------------------------|
          | Note: 512KB cache is located on the Pentium II CPU.        |
          +------------------------------------------------------------+