URI: 
  TEXT View Source
       
       # EURONE
       
          MS-7070S
       
          Device Type      Mainboard                                     
          Processor        Pentium II/Celeron                            
          Processor Speed  233/266/300/333/350/400/450                   
          Chip Set         Intel 440BX                                   
          Audio Chip Set   Yamaha                                        
          Maximum Onboard  384MB (EDO & SDRAM supported)                 
          Memory           
          Cache            0/128/256/512KB (located on the CPU)          
          BIOS             Award                                         
          Dimensions       305mm x 205mm                                 
          I/O Options      32-bit PCI slots (4), floppy drive interface, 
                           game/MIDI port, IDE interfaces (2), parallel  
                           port, PS/2 mouse port, serial ports (2), IR   
                           connector, USB connectors (2), ATX power      
                           connector, AGP slot, line in, line out,       
                           microphone in, audio in – CD-ROMs (2), SB     
                           link connector                                
       
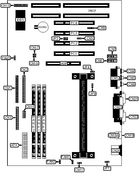
   IMG IMG 1
          
       
          +------------------------------------------------------------+
          |                        CONNECTIONS                         |
          |------------------------------------------------------------|
          | Purpose         |  Location   | Purpose       |  Location  |
          |-----------------+-------------+---------------+------------|
          | AGP slot        |     AGP     | IDE interface | CN13/pins  |
          |                 |             | LED           |  11 & 12   |
          |-----------------+-------------+---------------+------------|
          | ATX power       |     ATX     | Power LED &   | CN13/pins  |
          | connector       |             | keylock       |  13 - 17   |
          |-----------------+-------------+---------------+------------|
          | IDE interface 1 |     CN1     | Speaker       | CN13/pins  |
          |                 |             |               |  19 - 22   |
          |-----------------+-------------+---------------+------------|
          | IDE interface 2 |     CN2     | Soft off      | CN13/pins  |
          |                 |             | power supply  |  23 & 24   |
          |-----------------+-------------+---------------+------------|
          | Floppy drive    |     CN3     | Fan II        |    CN15    |
          | interface       |             | connector     |            |
          |-----------------+-------------+---------------+------------|
          | Line in         |     CN4     | Volume down   |    CN17    |
          |                 |             | connector     |            |
          |-----------------+-------------+---------------+------------|
          | Line out        |     CN5     | Volume up     |    CN18    |
          |                 |             | connector     |            |
          |-----------------+-------------+---------------+------------|
          | Audio in –      |     CN6     | USB connector |   CN19A    |
          | CD-ROM (Sony)   |             | 1             |            |
          |-----------------+-------------+---------------+------------|
          | Audio in –      |     CN7     | USB connector |    CN19    |
          | CD-ROM          |             | 2             |            |
          |-----------------+-------------+---------------+------------|
          | Microphone in   |     CN8     | PS/2 mouse    |    CN20    |
          |                 |             | port          |            |
          |-----------------+-------------+---------------+------------|
          | IR connector    |     CN9     | Serial port 2 |    CN21    |
          |-----------------+-------------+---------------+------------|
          | Wake on LAN     |    CN10     | Serial port 1 |    CN22    |
          | connector       |             |               |            |
          |-----------------+-------------+---------------+------------|
          | Chassis         |    CN11     | Parallel port |    CN23    |
          | intrusion       |             |               |            |
          | connector       |             |               |            |
          |-----------------+-------------+---------------+------------|
          | Game/MIDI port  |    CN12     | CPU fan power |    FAN1    |
          |-----------------+-------------+---------------+------------|
          | Turbo switch    | CN13/pins 1 | CPU fan power |    FAN2    |
          |                 |     & 2     |               |            |
          |-----------------+-------------+---------------+------------|
          | Green PC        | CN13/pins 4 | Chassis fan   |    FAN3    |
          | connector       |     & 5     | power         |            |
          |-----------------+-------------+---------------+------------|
          | Green PC LED    | CN13/pins 6 | SB link       |    JP3     |
          |                 |     & 7     | connector`    |            |
          |-----------------+-------------+---------------+------------|
          | Reset switch    | CN13/pins 9 | 32-bit PCI    | PC1 - PC4  |
          |                 |    & 10     | slots         |            |
          +------------------------------------------------------------+
       
          +------------------------------------------------------------+
          |                 USER CONFIGURABLE SETTINGS                 |
          |------------------------------------------------------------|
          |             Function              | Label |    Position    |
          |-----------------------------------+-------+----------------|
          | » | Power on by keyboard disabled |  JP1  |   Pins 1 & 2   |
          |   |                               |       |     closed     |
          |---+-------------------------------+-------+----------------|
          |   | Power on by keyboard enabled  |  JP1  |   Pins 2 & 3   |
          |   |                               |       |     closed     |
          |---+-------------------------------+-------+----------------|
          | » | CMOS memory normal operation  |  JP4  |   Pins 1 & 2   |
          |   |                               |       |     closed     |
          |---+-------------------------------+-------+----------------|
          |   | CMOS memory clear             |  JP4  |   Pins 2 & 3   |
          |   |                               |       |     closed     |
          +------------------------------------------------------------+
       
          +------------------------------------------------------------+
          |                     DIMM CONFIGURATION                     |
          |------------------------------------------------------------|
          |    Size    |    Bank 0     |    Bank 1     |    Bank 2     |
          |------------+---------------+---------------+---------------|
          |    8MB     |  (1) 1M x 64  |     None      |     None      |
          |------------+---------------+---------------+---------------|
          |    16MB    |  (1) 1M x 64  |  (1) 1M x 64  |     None      |
          |------------+---------------+---------------+---------------|
          |    16MB    |  (1) 2M x 64  |     None      |     None      |
          |------------+---------------+---------------+---------------|
          |    24MB    |  (1) 1M x 64  |  (1) 1M x 64  |  (1) 1M x 64  |
          |------------+---------------+---------------+---------------|
          |    24MB    |  (1) 2M x 64  |  (1) 1M x 64  |     None      |
          |------------+---------------+---------------+---------------|
          |    32MB    |  (1) 2M x 64  |  (1) 2M x 64  |     None      |
          |------------+---------------+---------------+---------------|
          |    32MB    |  (1) 4M x 64  |     None      |     None      |
          |------------+---------------+---------------+---------------|
          |    40MB    |  (1) 2M x 64  |  (1) 2M x 64  |  (1) 1M x 64  |
          |------------+---------------+---------------+---------------|
          |    48MB    |  (1) 2M x 64  |  (1) 2M x 64  |  (1) 2M x 64  |
          |------------+---------------+---------------+---------------|
          |    48MB    |  (1) 4M x 64  |  (1) 2M x 64  |     None      |
          |------------+---------------+---------------+---------------|
          |    64MB    |  (1) 4M x 64  |  (1) 4M x 64  |     None      |
          |------------+---------------+---------------+---------------|
          |    64MB    |  (1) 8M x 64  |     None      |     None      |
          |------------+---------------+---------------+---------------|
          |    80MB    |  (1) 4M x 64  |  (1) 4M x 64  |  (1) 2M x 64  |
          |------------+---------------+---------------+---------------|
          |    96MB    |  (1) 4M x 64  |  (1) 4M x 64  |  (1) 4M x 64  |
          |------------+---------------+---------------+---------------|
          |    96MB    |  (1) 8M x 64  |  (1) 4M x 64  |     None      |
          |------------+---------------+---------------+---------------|
          |   128MB    |  (1) 8M x 64  |  (1) 8M x 64  |     None      |
          |------------+---------------+---------------+---------------|
          |   128MB    | (1) 16M x 64  |     None      |     None      |
          |------------+---------------+---------------+---------------|
          |   160MB    |  (1) 8M x 64  |  (1) 8M x 64  |  (1) 4M x 64  |
          |------------+---------------+---------------+---------------|
          |   192MB    |  (1) 8M x 64  |  (1) 8M x 64  |  (1) 8M x 64  |
          |------------+---------------+---------------+---------------|
          |   192MB    | (1) 16M x 64  |  (1) 8M x 64  |     None      |
          |------------+---------------+---------------+---------------|
          |   256MB    | (1) 16M x 64  | (1) 16M x 64  |     None      |
          |------------+---------------+---------------+---------------|
          |   320MB    | (1) 16M x 64  | (1) 16M x 64  |  (1) 8M x 64  |
          |------------+---------------+---------------+---------------|
          |   384MB    | (1) 16M x 64  | (1) 16M x 64  | (1) 16M x 64  |
          +------------------------------------------------------------+
       
          +------------------------------------------------------------+
          |                    CACHE CONFIGURATION                     |
          |------------------------------------------------------------|
          | The 256/512KB cache is located on the Pentium II CPU. The  |
          | 128KB cache is located on the Celeron 300A & 333 CPU.      |
          +------------------------------------------------------------+
       
          +------------------------------------------------------------+
          |                  CPU FREQUENCY SELECTION                   |
          |------------------------------------------------------------|
          |         Frequency          |              JP9              |
          |----------------------------+-------------------------------|
          | » |          Auto          |       Pins 2 & 3 closed       |
          |---+------------------------+-------------------------------|
          |   |         100MHz         |       Pins 1 & 2 closed       |
          +------------------------------------------------------------+