URI: 
  TEXT View Source
       
       # FREETECH CORPORATION
       
          P6F91I
       
          Device Type      Mainboard                                     
          Processor        Pentium II/Celeron                            
          Processor Speed  233/266/300/333                               
          Chip Set         Intel 440BX                                   
          Maximum Onboard  384MB (EDO & SDRAM supported)                 
          Memory           
          Cache            0/128/256/512KB (located on the CPU)          
          BIOS             Award                                         
          Dimensions       305mm x 190mm                                 
          I/O Options      32-bit PCI slots (5), floppy drive interface, 
                           IDE interfaces (2), parallel port, PS/2 mouse 
                           port, serial ports (2), IR connector, USB     
                           connectors (2), ATX power connector, AGP slot 
       
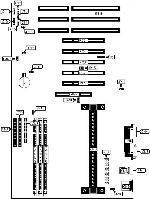
   IMG IMG 1
          
       
          +------------------------------------------------------------+
          |                        CONNECTIONS                         |
          |------------------------------------------------------------|
          | Purpose           | Location | Purpose          | Location |
          |-------------------+----------+------------------+----------|
          | AGP slot          |   AGP    | Serial port 1    |   CN5    |
          |-------------------+----------+------------------+----------|
          | ATX power         |   ATX    | Parallel port    |   CN6    |
          | connector         |          |                  |          |
          |-------------------+----------+------------------+----------|
          | Power LED &       |   C10    | USB connector 1  |   CN7    |
          | keylock           |          |                  |          |
          |-------------------+----------+------------------+----------|
          | Speaker           |   C11    | USB connector 2  |   CN8    |
          |-------------------+----------+------------------+----------|
          | IDE LED           |   C12    | PS/2 mouse port  |   CN9    |
          |-------------------+----------+------------------+----------|
          | Standby LED       |   C13    | IR connector     |    IR    |
          |-------------------+----------+------------------+----------|
          | Reset switch      |   C14    | CPU fan power    |   FAN1   |
          |-------------------+----------+------------------+----------|
          | Power switch      |   C15    | Chassis fan      |   FAN2   |
          |                   |          | power            |          |
          |-------------------+----------+------------------+----------|
          | IDE interface 2   |   CN1    | WAKE on LAN      |   JP1    |
          |                   |          | connector        |          |
          |-------------------+----------+------------------+----------|
          | IDE interface 1   |   CN2    | SB link          |   JP15   |
          |                   |          | connector        |          |
          |-------------------+----------+------------------+----------|
          | Floppy drive      |   CN3    | 32-bit PCI slots |  PC1 -   |
          | interface         |          |                  |   PC5    |
          |-------------------+----------+------------------+----------|
          | Serial port 2     |   CN4    |                  |          |
          +------------------------------------------------------------+
       
          +------------------------------------------------------------+
          |                 USER CONFIGURABLE SETTINGS                 |
          |------------------------------------------------------------|
          |               Function                | Label |  Position  |
          |---------------------------------------+-------+------------|
          | » | Keyboard and mouse use 5v standby |  JP6  | Pins 2 & 3 |
          |   | power                             |       |   closed   |
          |---+-----------------------------------+-------+------------|
          |   | Keyboard and mouse use 5v power   |  JP6  | Pins 1 & 2 |
          |   | enabled                           |       |   closed   |
          |---+-----------------------------------+-------+------------|
          | » | Factory configured - do not alter | JP10  |  Reserved  |
          |---+-----------------------------------+-------+------------|
          | » | CMOS memory normal operation      | JP12  | Pins 1 & 2 |
          |   |                                   |       |   closed   |
          |---+-----------------------------------+-------+------------|
          |   | CMOS memory clear                 | JP12  | Pins 2 & 3 |
          |   |                                   |       |   closed   |
          |---+-----------------------------------+-------+------------|
          | » | Auto power on disabled            | JP13  | Pins 2 & 3 |
          |   |                                   |       |   closed   |
          |---+-----------------------------------+-------+------------|
          |   | Auto power on enabled             | JP13  | Pins 1 & 2 |
          |   |                                   |       |   closed   |
          +------------------------------------------------------------+
       
          +------------------------------------------------------------+
          |                     DIMM CONFIGURATION                     |
          |------------------------------------------------------------|
          |    Size    |    Bank 0     |    Bank 1     |    Bank 2     |
          |------------+---------------+---------------+---------------|
          |    8MB     |  (1) 1M x 64  |     None      |     None      |
          |------------+---------------+---------------+---------------|
          |    16MB    |  (1) 1M x 64  |  (1) 1M x 64  |     None      |
          |------------+---------------+---------------+---------------|
          |    16MB    |  (1) 2M x 64  |     None      |     None      |
          |------------+---------------+---------------+---------------|
          |    24MB    |  (1) 1M x 64  |  (1) 1M x 64  |  (1) 1M x 64  |
          |------------+---------------+---------------+---------------|
          |    24MB    |  (1) 2M x 64  |  (1) 1M x 64  |     None      |
          |------------+---------------+---------------+---------------|
          |    32MB    |  (1) 2M x 64  |  (1) 2M x 64  |     None      |
          |------------+---------------+---------------+---------------|
          |    32MB    |  (1) 4M x 64  |     None      |     None      |
          |------------+---------------+---------------+---------------|
          |    40MB    |  (1) 2M x 64  |  (1) 2M x 64  |  (1) 1M x 64  |
          |------------+---------------+---------------+---------------|
          |    48MB    |  (1) 2M x 64  |  (1) 2M x 64  |  (1) 2M x 64  |
          |------------+---------------+---------------+---------------|
          |    48MB    |  (1) 4M x 64  |  (1) 2M x 64  |     None      |
          |------------+---------------+---------------+---------------|
          |    64MB    |  (1) 4M x 64  |  (1) 4M x 64  |     None      |
          |------------+---------------+---------------+---------------|
          |    64MB    |  (1) 8M x 64  |     None      |     None      |
          |------------+---------------+---------------+---------------|
          |    80MB    |  (1) 4M x 64  |  (1) 4M x 64  |  (1) 2M x 64  |
          |------------+---------------+---------------+---------------|
          |    96MB    |  (1) 4M x 64  |  (1) 4M x 64  |  (1) 4M x 64  |
          |------------+---------------+---------------+---------------|
          |    96MB    |  (1) 8M x 64  |  (1) 4M x 64  |     None      |
          |------------+---------------+---------------+---------------|
          |   128MB    |  (1) 8M x 64  |  (1) 8M x 64  |     None      |
          |------------+---------------+---------------+---------------|
          |   128MB    | (1) 16M x 64  |     None      |     None      |
          |------------+---------------+---------------+---------------|
          |   160MB    |  (1) 8M x 64  |  (1) 8M x 64  |  (1) 4M x 64  |
          |------------+---------------+---------------+---------------|
          |   192MB    |  (1) 8M x 64  |  (1) 8M x 64  |  (1) 8M x 64  |
          |------------+---------------+---------------+---------------|
          |   192MB    | (1) 16M x 64  |  (1) 8M x 64  |     None      |
          |------------+---------------+---------------+---------------|
          |   256MB    | (1) 16M x 64  | (1) 16M x 64  |     None      |
          |------------+---------------+---------------+---------------|
          |   320MB    | (1) 16M x 64  | (1) 16M x 64  |  (1) 8M x 64  |
          |------------+---------------+---------------+---------------|
          |   384MB    | (1) 16M x 64  | (1) 16M x 64  | (1) 16M x 64  |
          +------------------------------------------------------------+
       
          +------------------------------------------------------------+
          |                    CACHE CONFIGURATION                     |
          |------------------------------------------------------------|
          | The 128KB cache is located on the Celeron 300A & 333 CPU.  |
          | The 256/512KB cache is located on the Pentium II CPU.      |
          +------------------------------------------------------------+
       
          +------------------------------------------------------------+
          |                  CPU FREQUENCY SELECTION                   |
          |------------------------------------------------------------|
          |           Frequency           |            JP16            |
          |-------------------------------+----------------------------|
          |        66/68/75/83MHz         |           Closed           |
          |-------------------------------+----------------------------|
          |      100/103/112/133MHz       |            Open            |
          +------------------------------------------------------------+