URI: 
  TEXT View Source
       
       # GIGABYTE TECHNOLOGY CO., LTD.
       
          686DLX
       
          Device Type      Mainboard                                     
          Processor        Pentium II                                    
          Processor Speed  200/233/266/300/333/366MHz                    
          Chip Set         Intel 440LX                                   
          Maximum Onboard  1GB (EDO & SDRAM supported)                   
          Memory           
          Cache            256/512KB (located on the Pentium II CPU)     
          BIOS             Unidentified                                  
          Dimensions       305mm x 244mm                                 
          I/O Options      32-bit PCI slots (4), floppy drive interface, 
                           IDE interfaces (2), Wide Ultra SCSI           
                           interface, Wide SCSI interface, parallel      
                           port, PS/2 mouse port, serial ports (2), IR   
                           connector, USB connectors (2), ATX power      
                           connector, AGP slot, RAID slot                
       
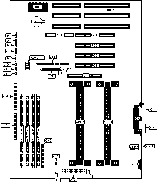
   IMG IMG 1
          
       
          +------------------------------------------------------------+
          |                        CONNECTIONS                         |
          |------------------------------------------------------------|
          | Purpose           | Location | Purpose          | Location |
          |-------------------+----------+------------------+----------|
          | AGP slot          |   AGP    | CPU fan power    |    J2    |
          |-------------------+----------+------------------+----------|
          | ATX power         |   ATX    | CPU fan power    |    J4    |
          | connector         |          |                  |          |
          |-------------------+----------+------------------+----------|
          | Serial port 1     |   CN1    | Speaker          |    J5    |
          |-------------------+----------+------------------+----------|
          | Parallel port     |   CN2    | Reset switch     |    J6    |
          |-------------------+----------+------------------+----------|
          | Serial port 2     |   CN3    | Power LED        |    J7    |
          |-------------------+----------+------------------+----------|
          | PS/2 mouse port   |   CN4    | IDE interface    |    J8    |
          |                   |          | LED              |          |
          |-------------------+----------+------------------+----------|
          | USB connector 1   |   CN5A   | IR connector     |    J9    |
          |-------------------+----------+------------------+----------|
          | USB connector 2   |   CN5B   | Green PC switch  |   J10    |
          |-------------------+----------+------------------+----------|
          | Ultra SCSI        |   CN6    | Soft off power   |   J11    |
          | interface         |          | supply           |          |
          |-------------------+----------+------------------+----------|
          | Ultra Wide SCSI   |   CN7    | Green PC LED     |   J12    |
          | interface         |          |                  |          |
          |-------------------+----------+------------------+----------|
          | Floppy drive      |   CN8    | Wake on LAN      |   J13    |
          | interface         |          | connector        |          |
          |-------------------+----------+------------------+----------|
          | IDE interface 1   |   CN9    | 32-bit PCI slots |  PC1 -   |
          |                   |          |                  |   PC4    |
          |-------------------+----------+------------------+----------|
          | IDE interface 2   |   CN10   | RAID slot        |   SL1    |
          +------------------------------------------------------------+
       
          +------------------------------------------------------------+
          |                 USER CONFIGURABLE SETTINGS                 |
          |------------------------------------------------------------|
          |                Function                 | Label | Position |
          |-----------------------------------------+-------+----------|
          | » | System full on after power          |  JP5  |  Closed  |
          |   | interruption                        |       |          |
          |---+-------------------------------------+-------+----------|
          |   | System soft off after power         |  JP5  |   Open   |
          |   | interruption                        |       |          |
          +------------------------------------------------------------+
       
          +------------------------------------------------------------+
          |                     DIMM CONFIGURATION                     |
          |------------------------------------------------------------|
          | Size  |   Bank 0    |   Bank 1   |   Bank 2   |   Bank 3   |
          |-------+-------------+------------+------------+------------|
          | 8 MB  | (1) 1M x 64 |    None    |    None    |    None    |
          |-------+-------------+------------+------------+------------|
          | 16 MB | (1) 1M x 64 |  (1) 1M x  |    None    |    None    |
          |       |             |     64     |            |            |
          |-------+-------------+------------+------------+------------|
          | 16 MB | (1) 2M x 64 |    None    |    None    |    None    |
          |-------+-------------+------------+------------+------------|
          | 24 MB | (1) 1M x 64 |  (1) 1M x  |  (1) 1M x  |    None    |
          |       |             |     64     |     64     |            |
          |-------+-------------+------------+------------+------------|
          | 32 MB | (1) 1M x 64 |  (1) 1M x  |  (1) 1M x  |  (1) 1M x  |
          |       |             |     64     |     64     |     64     |
          |-------+-------------+------------+------------+------------|
          | 32 MB | (1) 2M x 64 |  (1) 2M x  |    None    |    None    |
          |       |             |     64     |            |            |
          |-------+-------------+------------+------------+------------|
          | 32 MB | (1) 4M x 64 |    None    |    None    |    None    |
          |-------+-------------+------------+------------+------------|
          | 40 MB | (1) 2M x 64 |  (1) 2M x  |  (1) 1M x  |    None    |
          |       |             |     64     |     64     |            |
          |-------+-------------+------------+------------+------------|
          | 48 MB | (1) 2M x 64 |  (1) 2M x  |  (1) 2M x  |    None    |
          |       |             |     64     |     64     |            |
          |-------+-------------+------------+------------+------------|
          | 64 MB | (1) 2M x 64 |  (1) 2M x  |  (1) 2M x  |  (1) 2M x  |
          |       |             |     64     |     64     |     64     |
          |-------+-------------+------------+------------+------------|
          | 64 MB | (1) 4M x 64 |  (1) 4M x  |    None    |    None    |
          |       |             |     64     |            |            |
          |-------+-------------+------------+------------+------------|
          | 64 MB | (1) 8M x 64 |    None    |    None    |    None    |
          |-------+-------------+------------+------------+------------|
          | 80 MB | (1) 4M x 64 |  (1) 4M x  |  (1) 2M x  |    None    |
          |       |             |     64     |     64     |            |
          |-------+-------------+------------+------------+------------|
          | 96 MB | (1) 4M x 64 |  (1) 4M x  |  (1) 4M x  |    None    |
          |       |             |     64     |     64     |            |
          +------------------------------------------------------------+
       
          +------------------------------------------------------------+
          |                 DIMM CONFIGURATION (CONT’)                 |
          |------------------------------------------------------------|
          |  Size   |    Bank 0    |  Bank 1   |  Bank 2   |  Bank 3   |
          |---------+--------------+-----------+-----------+-----------|
          | 128 MB  | (1) 4M x 64  | (1) 4M x  | (1) 4M x  | (1) 4M x  |
          |         |              |    64     |    64     |    64     |
          |---------+--------------+-----------+-----------+-----------|
          | 128 MB  | (1) 8M x 64  | (1) 8M x  |   None    |   None    |
          |         |              |    64     |           |           |
          |---------+--------------+-----------+-----------+-----------|
          | 128 MB  | (1) 16M x 64 |   None    |   None    |   None    |
          |---------+--------------+-----------+-----------+-----------|
          | 130 MB  | (1) 8M x 64  | (1) 8M x  | (1) 4M x  |   None    |
          |         |              |    64     |    64     |           |
          |---------+--------------+-----------+-----------+-----------|
          | 192 MB  | (1) 8M x 64  | (1) 8M x  | (1) 8M x  |   None    |
          |         |              |    64     |    64     |           |
          |---------+--------------+-----------+-----------+-----------|
          | 256 MB  | (1) 8M x 64  | (1) 8M x  | (1) 8M x  | (1) 8M x  |
          |         |              |    64     |    64     |    64     |
          |---------+--------------+-----------+-----------+-----------|
          | 256 MB  | (1) 16M x 64 | (1) 16M x |   None    |   None    |
          |         |              |    64     |           |           |
          |---------+--------------+-----------+-----------+-----------|
          | 256 MB  | (1) 32M x 64 |   None    |   None    |   None    |
          |---------+--------------+-----------+-----------+-----------|
          | 320 MB  | (1) 16M x 64 | (1) 16M x | (1) 8M x  |   None    |
          |         |              |    64     |    64     |           |
          |---------+--------------+-----------+-----------+-----------|
          | 384 MB  | (1) 16M x 64 | (1) 16M x | (1) 16M x |   None    |
          |         |              |    64     |    64     |           |
          |---------+--------------+-----------+-----------+-----------|
          | 512 MB  | (1) 16M x 64 | (1) 16M x | (1) 16M x | (1) 16M x |
          |         |              |    64     |    64     |    64     |
          |---------+--------------+-----------+-----------+-----------|
          | 512 MB  | (1) 32M x 64 | (1) 32M x |   None    |   None    |
          |         |              |    64     |           |           |
          |---------+--------------+-----------+-----------+-----------|
          | 640 MB  | (1) 32M x 64 | (1) 32M x | (1) 16M x |   None    |
          |         |              |    64     |    64     |           |
          |---------+--------------+-----------+-----------+-----------|
          | 768 MB  | (1) 32M x 64 | (1) 32M x | (1) 32M x |   None    |
          |         |              |    64     |    64     |           |
          |---------+--------------+-----------+-----------+-----------|
          | 1024 MB | (1) 32M x 64 | (1) 32M x | (1) 32M x | (1) 32M x |
          |         |              |    64     |    64     |    64     |
          +------------------------------------------------------------+
       
          +------------------------------------------------------------+
          |                    CACHE CONFIGURATION                     |
          |------------------------------------------------------------|
          | Note: The 256/512KB cache is located on the Pentium II     |
          | CPU.                                                       |
          +------------------------------------------------------------+
       
          +------------------------------------------------------------+
          |                    CPU SPEED SELECTION                     |
          |------------------------------------------------------------|
          |CPU speed |Clock speed|Multiplier|SW1/1 |SW1/2 |SW1/3 |SW1/4|
          |----------+-----------+----------+------+------+------+-----|
          |  200MHz  |   66MHz   |    3x    | Off  |  On  | Off  | Off |
          |----------+-----------+----------+------+------+------+-----|
          |  233MHz  |   66MHz   |   3.5x   |  On  |  On  | Off  | Off |
          |----------+-----------+----------+------+------+------+-----|
          |  266MHz  |   66MHz   |    4x    | Off  | Off  |  On  | Off |
          |----------+-----------+----------+------+------+------+-----|
          |  300MHz  |   66MHz   |   4.5x   |  On  | Off  |  On  | Off |
          |----------+-----------+----------+------+------+------+-----|
          |  333MHz  |   66MHz   |    5x    | Off  |  On  |  On  | Off |
          |----------+-----------+----------+------+------+------+-----|
          |  366MHz  |   66MHz   |   5.5x   |  On  |  On  |  On  | Off |
          +------------------------------------------------------------+