URI: 
  TEXT View Source
       
       # ELITEGROUP COMPUTER SYSTEMS, INC.
       
          P5VP-A+
       
          Device Type     Mainboard                                      
          Processor       CX 6X86/IBM 6X86/CX 6X86L/IBM 6X86L/CX         
                          686MX/IBM 6X86MX/                              
                                                                         
                          CX MII/AM K5/AM K6/AM K6-2/Pentium/Pentium MMX 
          Processor Speed 100/120/133/150/166/200/233/266/300/333/350MHz 
          Chip Set        VIA MVP                                        
          Maximum Onboard 768MB (EDO & SDRAM supported)                  
          Memory          
          Cache           512/1024KB                                     
          BIOS            Award                                          
          Dimensions      305mm x 180mm                                  
          I/O Options     32-bit PCI slots (4), floppy drive interface,  
                          green PC connector, IDE interfaces (2),        
                          parallel port, PS/2 mouse port, serial ports   
                          (2), IR connector, USB connectors (2), ATX     
                          power connector, AGP slot, wake on LAN         
                          connector, wake on modem connector             
       
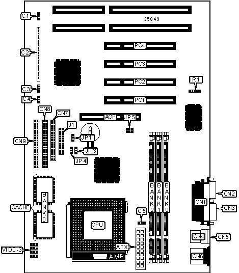
   IMG IMG 1
          
       
          +------------------------------------------------------------+
          |                        CONNECTIONS                         |
          |------------------------------------------------------------|
          | Purpose          | Location  | Purpose         | Location  |
          |------------------+-----------+-----------------+-----------|
          | AGP slot         |    AGP    | CPU fan power   |    C5     |
          |------------------+-----------+-----------------+-----------|
          | ATX power        |    ATX    | Parallel port   |    CN1    |
          | connector        |           |                 |           |
          |------------------+-----------+-----------------+-----------|
          | Chassis fan      |    C1     | Serial port 2   |    CN2    |
          | power            |           |                 |           |
          |------------------+-----------+-----------------+-----------|
          | Power LED        | C2/pins 1 | Serial port 1   |    CN3    |
          |                  |    - 3    |                 |           |
          |------------------+-----------+-----------------+-----------|
          | Green PC LED     | C2/pins 7 | USB connector 1 |    CN4    |
          |                  |    - 9    |                 |           |
          |------------------+-----------+-----------------+-----------|
          | Keylock          |  C2/pins  | USB connector 2 |    CN5    |
          |                  |  10 & 11  |                 |           |
          |------------------+-----------+-----------------+-----------|
          | Reset switch     |  C2/pins  | PS/2 mouse port |    CN6    |
          |                  |  12 & 13  |                 |           |
          |------------------+-----------+-----------------+-----------|
          | Speaker          |  C2/pins  | Floppy drive    |    CN7    |
          |                  |  15 - 18  | interface       |           |
          |------------------+-----------+-----------------+-----------|
          | IDE interface    |  C2/pins  | IDE interface 2 |    CN8    |
          | LED              |  20 & 21  |                 |           |
          |------------------+-----------+-----------------+-----------|
          | Soft off power   |  C2/pins  | IDE interface 1 |    CN9    |
          | supply           |  22 & 23  |                 |           |
          |------------------+-----------+-----------------+-----------|
          | Wake on modem    |    C3     | IR connector    |    IR1    |
          | connector        |           |                 |           |
          |------------------+-----------+-----------------+-----------|
          | Wake on LAN      |    C4     | 32-bit PCI      | PC1 – PC4 |
          | connector        |           | slots           |           |
          +------------------------------------------------------------+
       
          +------------------------------------------------------------+
          |                 USER CONFIGURABLE SETTINGS                 |
          |------------------------------------------------------------|
          |             Function             | Label |    Position     |
          |----------------------------------+-------+-----------------|
          | » | CMOS memory normal operation |  JP1  |   Pins 1 & 2    |
          |   |                              |       |     closed      |
          |---+------------------------------+-------+-----------------|
          |   | CMOS memory clear            |  JP1  |   Pins 2 & 3    |
          |   |                              |       |     closed      |
          +------------------------------------------------------------+
       
          +------------------------------------------------------------+
          |                     DIMM CONFIGURATION                     |
          |------------------------------------------------------------|
          |    Size    |    Bank 0     |    Bank 1     |    Bank 2     |
          |------------+---------------+---------------+---------------|
          |    8MB     |  (1) 1M x 64  |     None      |     None      |
          |------------+---------------+---------------+---------------|
          |    16MB    |  (1) 1M x 64  |  (1) 1M x 64  |     None      |
          |------------+---------------+---------------+---------------|
          |    16MB    |  (1) 2M x 64  |     None      |     None      |
          |------------+---------------+---------------+---------------|
          |    24MB    |  (1) 1M x 64  |  (1) 1M x 64  |  (1) 1M x 64  |
          |------------+---------------+---------------+---------------|
          |    32MB    |  (1) 2M x 64  |  (1) 2M x 64  |     None      |
          |------------+---------------+---------------+---------------|
          |    32MB    |  (1) 4M x 64  |     None      |     None      |
          |------------+---------------+---------------+---------------|
          |    48MB    |  (1) 2M x 64  |  (1) 2M x 64  |  (1) 2M x 64  |
          |------------+---------------+---------------+---------------|
          |    64MB    |  (1) 4M x 64  |  (1) 4M x 64  |     None      |
          |------------+---------------+---------------+---------------|
          |    64MB    |  (1) 8M x 64  |     None      |     None      |
          |------------+---------------+---------------+---------------|
          |    96MB    |  (1) 4M x 64  |  (1) 4M x 64  |  (1) 4M x 64  |
          |------------+---------------+---------------+---------------|
          |   128MB    |  (1) 8M x 64  |  (1) 8M x 64  |     None      |
          |------------+---------------+---------------+---------------|
          |   128MB    | (1) 16M x 64  |     None      |     None      |
          |------------+---------------+---------------+---------------|
          |   164MB    | (1) 16M x 64  |  (1) 1M x 64  |     None      |
          |------------+---------------+---------------+---------------|
          |   144MB    | (1) 16M x 64  |  (1) 1M x 64  |  (1) 1M x 64  |
          +------------------------------------------------------------+
       
          +------------------------------------------------------------+
          |                 DIMM CONFIGURATION (CON’T)                 |
          |------------------------------------------------------------|
          |    Size    |    Bank 0     |    Bank 1     |    Bank 2     |
          |------------+---------------+---------------+---------------|
          |   144MB    | (1) 16M x 64  |  (1) 2M x 64  |     None      |
          |------------+---------------+---------------+---------------|
          |   160MB    | (1) 16M x 64  |  (1) 2M x 64  |  (1) 2M x 64  |
          |------------+---------------+---------------+---------------|
          |   160MB    | (1) 16M x 64  |  (1) 4M x 64  |     None      |
          |------------+---------------+---------------+---------------|
          |   192MB    | (1) 16M x 64  |  (1) 4M x 64  |  (1) 4M x 64  |
          |------------+---------------+---------------+---------------|
          |   192MB    | (1) 16M x 64  |  (1) 8M x 64  |     None      |
          |------------+---------------+---------------+---------------|
          |   192MB    |  (1) 8M x 64  |  (1) 8M x 64  |  (1) 8M x 64  |
          |------------+---------------+---------------+---------------|
          |   256MB    | (1) 16M x 64  |  (1) 8M x 64  |  (1) 8M x 64  |
          |------------+---------------+---------------+---------------|
          |   256MB    | (1) 16M x 64  | (1) 16M x 64  |     None      |
          |------------+---------------+---------------+---------------|
          |   256MB    | (1) 32M x 64  |     None      |     None      |
          |------------+---------------+---------------+---------------|
          |   264MB    | (1) 32M x 64  |  (1) 1M x 64  |     None      |
          |------------+---------------+---------------+---------------|
          |   272MB    | (1) 32M x 64  |  (1) 1M x 64  |  (1) 1M x 64  |
          |------------+---------------+---------------+---------------|
          |   272MB    | (1) 32M x 64  |  (1) 2M x 64  |     None      |
          |------------+---------------+---------------+---------------|
          |   288MB    | (1) 32M x 64  |  (1) 2M x 64  |  (1) 2M x 64  |
          |------------+---------------+---------------+---------------|
          |   288MB    | (1) 32M x 64  |  (1) 4M x 64  |     None      |
          |------------+---------------+---------------+---------------|
          |   320MB    | (1) 32M x 64  |  (1) 4M x 64  |  (1) 4M x 64  |
          |------------+---------------+---------------+---------------|
          |   320MB    | (1) 32M x 64  |  (1) 8M x 64  |     None      |
          |------------+---------------+---------------+---------------|
          |   384MB    | (1) 32M x 64  |  (1) 8M x 64  |  (1) 8M x 64  |
          |------------+---------------+---------------+---------------|
          |   384MB    | (1) 32M x 64  | (1) 16M x 64  |     None      |
          |------------+---------------+---------------+---------------|
          |   384MB    | (1) 16M x 64  | (1) 16M x 64  | (1) 16M x 64  |
          |------------+---------------+---------------+---------------|
          |   512MB    | (1) 32M x 64  | (1) 16M x 64  | (1) 16M x 64  |
          |------------+---------------+---------------+---------------|
          |   512MB    | (1) 32M x 64  | (1) 32M x 64  |     None      |
          |------------+---------------+---------------+---------------|
          |   768MB    | (1) 32M x 64  | (1) 32M x 64  | (1) 32M x 64  |
          |------------------------------------------------------------|
          |      Note: Board accepts EDO & SDRAM memory.               |
          +------------------------------------------------------------+
       
          +------------------------------------------------------------+
          |                    CACHE CONFIGURATION                     |
          |------------------------------------------------------------|
          |            Size            |            Bank 0             |
          |----------------------------+-------------------------------|
          |           512KB            |         (2) 64K x 32          |
          |----------------------------+-------------------------------|
          |            1MB             |         (2) 128K x 32         |
          +------------------------------------------------------------+
       
          +------------------------------------------------------------+
          |               CPU SPEED SELECTION (CX 6X86)                |
          |------------------------------------------------------------|
          | CPU speed | Clock speed | Multiplier |         J1          |
          |-----------+-------------+------------+---------------------|
          |  166MHz   |    66MHz    |     2x     | 1 & 3, 4 & 6, 10 &  |
          |           |             |            |         12          |
          |-----------+-------------+------------+---------------------|
          |  200MHz   |    75MHz    |     2x     | 1 & 3, 4 & 6, 10 &  |
          |           |             |            |         12          |
          |------------------------------------------------------------|
          | Note: Pins designated should be in the closed position.    |
          +------------------------------------------------------------+
       
          +------------------------------------------------------------+
          |               CPU SPEED SELECTION (IBM 6X86)               |
          |------------------------------------------------------------|
          | CPU speed | Clock speed | Multiplier |         J1          |
          |-----------+-------------+------------+---------------------|
          |  166MHz   |    66MHz    |     2x     | 1 & 3, 4 & 6, 10 &  |
          |           |             |            |         12          |
          |-----------+-------------+------------+---------------------|
          |  200MHz   |    75MHz    |     2x     | 1 & 3, 4 & 6, 10 &  |
          |           |             |            |         12          |
          |------------------------------------------------------------|
          | Note: Pins designated should be in the closed position.    |
          +------------------------------------------------------------+
       
          +------------------------------------------------------------+
          |               CPU SPEED SELECTION (CX 6X86L)               |
          |------------------------------------------------------------|
          | CPU speed | Clock speed | Multiplier |         J1          |
          |-----------+-------------+------------+---------------------|
          |  166MHz   |    66MHz    |     2x     | 1 & 3, 4 & 6, 10 &  |
          |           |             |            |         12          |
          |-----------+-------------+------------+---------------------|
          |  200MHz   |    75MHz    |     2x     | 1 & 3, 4 & 6, 10 &  |
          |           |             |            |         12          |
          |------------------------------------------------------------|
          | Note: Pins designated should be in the closed position.    |
          +------------------------------------------------------------+
       
          +------------------------------------------------------------+
          |               CPU SPEED SELECTION (CX 6X86L)               |
          |------------------------------------------------------------|
          | CPU speed | Clock speed | Multiplier |         J1          |
          |-----------+-------------+------------+---------------------|
          |  166MHz   |    66MHz    |     2x     | 1 & 3, 4 & 6, 10 &  |
          |           |             |            |         12          |
          |-----------+-------------+------------+---------------------|
          |  200MHz   |    75MHz    |     2x     | 1 & 3, 4 & 6, 10 &  |
          |           |             |            |         12          |
          |------------------------------------------------------------|
          | Note: Pins designated should be in the closed position.    |
          +------------------------------------------------------------+
       
          +------------------------------------------------------------+
          |              CPU SPEED SELECTION (CX 6X86MX)               |
          |------------------------------------------------------------|
          | CPU speed | Clock speed | Multiplier |         J1          |
          |-----------+-------------+------------+---------------------|
          |  166MHz   |    66MHz    |     2x     | 1 & 3, 4 & 6, 10 &  |
          |           |             |            |         12          |
          |-----------+-------------+------------+---------------------|
          |  200MHz   |    66MHz    |    2.5x    | 3 & 5, 4 & 6, 10 &  |
          |           |             |            |         12          |
          |-----------+-------------+------------+---------------------|
          |  233MHz   |    66MHz    |     3x     | 2 & 4, 3 & 5, 10 &  |
          |           |             |            |         12          |
          |-----------+-------------+------------+---------------------|
          |  200MHz   |    75MHz    |     2x     | 1 & 3, 4 & 6, 10 &  |
          |           |             |            |         12          |
          |-----------+-------------+------------+---------------------|
          |  233MHz   |    75MHz    |    2.5x    | 3 & 5, 4 & 6, 10 &  |
          |           |             |            |         12          |
          |-----------+-------------+------------+---------------------|
          |  300MHz   |    75MHz    |     3x     | 2 & 4, 3 & 5, 10 &  |
          |           |             |            |         12          |
          |------------------------------------------------------------|
          | Note: Pins designated should be in the closed position.    |
          +------------------------------------------------------------+
       
          +------------------------------------------------------------+
          |              CPU SPEED SELECTION (IBM 6X86MX)              |
          |------------------------------------------------------------|
          | CPU speed | Clock speed | Multiplier |         J1          |
          |-----------+-------------+------------+---------------------|
          |  166MHz   |    66MHz    |     2x     | 1 & 3, 4 & 6, 10 &  |
          |           |             |            |         12          |
          |-----------+-------------+------------+---------------------|
          |  200MHz   |    66MHz    |    2.5x    | 3 & 5, 4 & 6, 10 &  |
          |           |             |            |         12          |
          |-----------+-------------+------------+---------------------|
          |  233MHz   |    66MHz    |     3x     | 2 & 4, 3 & 5, 10 &  |
          |           |             |            |         12          |
          |-----------+-------------+------------+---------------------|
          |  200MHz   |    75MHz    |     2x     | 1 & 3, 4 & 6, 10 &  |
          |           |             |            |         12          |
          |-----------+-------------+------------+---------------------|
          |  233MHz   |    75MHz    |    2.5x    | 3 & 5, 4 & 6, 10 &  |
          |           |             |            |         12          |
          |-----------+-------------+------------+---------------------|
          |  300MHz   |    75MHz    |     3x     | 2 & 4, 3 & 5, 10 &  |
          |           |             |            |         12          |
          |------------------------------------------------------------|
          | Note: Pins designated should be in the closed position.    |
          +------------------------------------------------------------+
       
          +------------------------------------------------------------+
          |                CPU SPEED SELECTION (CX MII)                |
          |------------------------------------------------------------|
          | CPU speed | Clock speed | Multiplier |         J1          |
          |-----------+-------------+------------+---------------------|
          |  233MHz   |    83MHz    |     2x     | 1 & 3, 4 & 6, 10 &  |
          |           |             |            |         12          |
          |-----------+-------------+------------+---------------------|
          |  266MHz   |    83MHz    |    2.5x    | 3 & 5, 4 & 6, 10 &  |
          |           |             |            |         12          |
          |-----------+-------------+------------+---------------------|
          |  333MHz   |    83MHz    |     3x     | 2 & 4, 3 & 5, 10 &  |
          |           |             |            |         12          |
          |------------------------------------------------------------|
          | Note: Pins designated should be in the closed position.    |
          +------------------------------------------------------------+
       
          +------------------------------------------------------------+
          |               CPU SPEED SELECTION (IBM MII)                |
          |------------------------------------------------------------|
          | CPU speed | Clock speed | Multiplier |         J1          |
          |-----------+-------------+------------+---------------------|
          |  233MHz   |    83MHz    |     2x     | 1 & 3, 4 & 6, 10 &  |
          |           |             |            |         12          |
          |-----------+-------------+------------+---------------------|
          |  266MHz   |    83MHz    |    2.5x    | 3 & 5, 4 & 6, 10 &  |
          |           |             |            |         12          |
          |-----------+-------------+------------+---------------------|
          |  333MHz   |    83MHz    |     3x     | 2 & 4, 3 & 5, 10 &  |
          |           |             |            |         12          |
          |------------------------------------------------------------|
          | Note: Pins designated should be in the closed position.    |
          +------------------------------------------------------------+
       
          +------------------------------------------------------------+
          |                CPU SPEED SELECTION (AM K5)                 |
          |------------------------------------------------------------|
          | CPU speed | Clock speed | Multiplier |         J1          |
          |-----------+-------------+------------+---------------------|
          |  100MHz   |    66MHz    |    1.5x    | 1 & 3, 2 & 4, 10 &  |
          |           |             |            |         12          |
          |-----------+-------------+------------+---------------------|
          |  133MHz   |    66MHz    |     2x     | 1 & 3, 4 & 6, 10 &  |
          |           |             |            |         12          |
          |-----------+-------------+------------+---------------------|
          |  166MHz   |    66MHz    |    2.5x    | 3 & 5, 4 & 6, 10 &  |
          |           |             |            |         12          |
          |------------------------------------------------------------|
          | Note: Pins designated should be in the closed position.    |
          +------------------------------------------------------------+
       
          +------------------------------------------------------------+
          |                CPU SPEED SELECTION (AM K6)                 |
          |------------------------------------------------------------|
          | CPU speed | Clock speed | Multiplier |         J1          |
          |-----------+-------------+------------+---------------------|
          |  166MHz   |    66MHz    |    2.5x    | 3 & 5, 4 & 6, 10 &  |
          |           |             |            |         12          |
          |-----------+-------------+------------+---------------------|
          |  200MHz   |    66MHz    |     3x     | 2 & 4, 3 & 5, 10 &  |
          |           |             |            |         12          |
          |-----------+-------------+------------+---------------------|
          |  233MHz   |    66MHz    |    3.5x    | 1 & 3, 2 & 4, 10 &  |
          |           |             |            |         12          |
          |-----------+-------------+------------+---------------------|
          |  266MHz   |    66MHz    |     4x     | 1 & 3, 4 & 6, 12 &  |
          |           |             |            |         14          |
          |-----------+-------------+------------+---------------------|
          |  300MHz   |    66MHz    |    4.5x    | 3 & 5, 4 & 6, 12 &  |
          |           |             |            |         14          |
          |------------------------------------------------------------|
          | Note: Pins designated should be in the closed position.    |
          +------------------------------------------------------------+
       
          +------------------------------------------------------------+
          |               CPU SPEED SELECTION (AM K6-2)                |
          |------------------------------------------------------------|
          | CPU speed | Clock speed | Multiplier |         J1          |
          |-----------+-------------+------------+---------------------|
          |  300MHz   |   100MHz    |     3x     | 2 & 4, 3 & 5, 10 &  |
          |           |             |            |         12          |
          |-----------+-------------+------------+---------------------|
          |  333MHz   |    95MHz    |    3.5x    | 1 & 3, 2 & 4, 10 &  |
          |           |             |            |         12          |
          |-----------+-------------+------------+---------------------|
          |  350MHz   |   100MHz    |    3.5x    | 1 & 3, 2 & 4, 10 &  |
          |           |             |            |         12          |
          |------------------------------------------------------------|
          | Note: Pins designated should be in the closed position.    |
          +------------------------------------------------------------+
       
          +------------------------------------------------------------+
          |                CPU SPEED SELECTION (INTEL)                 |
          |------------------------------------------------------------|
          | CPU speed | Clock speed | Multiplier |         J1          |
          |-----------+-------------+------------+---------------------|
          |  100MHz   |    66MHz    |    1.5x    | 1 & 3, 2 & 4, 10 &  |
          |           |             |            |         12          |
          |-----------+-------------+------------+---------------------|
          |  133MHz   |    66MHz    |     2x     | 1 & 3, 4 & 6, 10 &  |
          |           |             |            |         12          |
          |-----------+-------------+------------+---------------------|
          |  166MHz   |    66MHz    |    2.5x    | 3 & 5, 4 & 6, 10 &  |
          |           |             |            |         12          |
          |-----------+-------------+------------+---------------------|
          |  200MHz   |    66MHz    |     3x     | 2 & 4, 3 & 5, 10 &  |
          |           |             |            |         12          |
          |------------------------------------------------------------|
          | Note: Pins designated should be in the closed position.    |
          +------------------------------------------------------------+
       
          +------------------------------------------------------------+
          |              CPU SPEED SELECTION (INTEL MMX)               |
          |------------------------------------------------------------|
          | CPU speed | Clock speed | Multiplier |         J1          |
          |-----------+-------------+------------+---------------------|
          |  166MHz   |    66MHz    |    2.5x    | 3 & 5, 4 & 6, 10 &  |
          |           |             |            |         12          |
          |-----------+-------------+------------+---------------------|
          |  200MHz   |    66MHz    |     3x     | 2 & 4, 3 & 5, 10 &  |
          |           |             |            |         12          |
          |-----------+-------------+------------+---------------------|
          |  233MHz   |    66MHz    |    3.5x    | 1 & 3, 2 & 4, 10 &  |
          |           |             |            |         12          |
          |------------------------------------------------------------|
          | Note: Pins designated should be in the closed position.    |
          +------------------------------------------------------------+
       
          +------------------------------------------------------------+
          |               CPU VOLTAGE SELECTION (SINGLE)               |
          |------------------------------------------------------------|
          |          Voltage           |              JP5              |
          |----------------------------+-------------------------------|
          | »  |         3.3v          |       Pins 1 & 2 closed       |
          |----+-----------------------+-------------------------------|
          |    |         3.52v         |       Pins 3 & 4 closed       |
          +------------------------------------------------------------+
       
          +------------------------------------------------------------+
          |                CPU VOLTAGE SELECTION (DUAL)                |
          |------------------------------------------------------------|
          | Voltage  |    VID0    |    VID1    |   VID2    |   VID3    |
          |----------+------------+------------+-----------+-----------|
          |   | 1.2v | Pins 2 & 3 | Pins 2 & 3 | Pins 2 &  | Pins 2 &  |
          |   |      |   closed   |   closed   | 3 closed  | 3 closed  |
          |---+------+------------+------------+-----------+-----------|
          |   | 2.1v | Pins 1 & 2 | Pins 2 & 3 | Pins 2 &  | Pins 2 &  |
          |   |      |   closed   |   closed   | 3 closed  | 3 closed  |
          |---+------+------------+------------+-----------+-----------|
          |   | 2.2v | Pins 2 & 3 | Pins 1 & 2 | Pins 2 &  | Pins 2 &  |
          |   |      |   closed   |   closed   | 3 closed  | 3 closed  |
          |---+------+------------+------------+-----------+-----------|
          |   | 2.3v | Pins 1 & 2 | Pins 1 & 2 | Pins 2 &  | Pins 2 &  |
          |   |      |   closed   |   closed   | 3 closed  | 3 closed  |
          |---+------+------------+------------+-----------+-----------|
          |   | 2.4v | Pins 2 & 3 | Pins 2 & 3 | Pins 1 &  | Pins 2 &  |
          |   |      |   closed   |   closed   | 2 closed  | 3 closed  |
          |---+------+------------+------------+-----------+-----------|
          |   | 2.5v | Pins 1 & 2 | Pins 2 & 3 | Pins 1 &  | Pins 2 &  |
          |   |      |   closed   |   closed   | 2 closed  | 3 closed  |
          |---+------+------------+------------+-----------+-----------|
          |   | 2.6v | Pins 2 & 3 | Pins 1 & 2 | Pins 1 &  | Pins 2 &  |
          |   |      |   closed   |   closed   | 2 closed  | 3 closed  |
          |---+------+------------+------------+-----------+-----------|
          |   | 2.7v | Pins 1 & 2 | Pins 1 & 2 | Pins 1 &  | Pins 2 &  |
          |   |      |   closed   |   closed   | 2 closed  | 3 closed  |
          |---+------+------------+------------+-----------+-----------|
          | » | 2.8v | Pins 2 & 3 | Pins 2 & 3 | Pins 2 &  | Pins 1 &  |
          |   |      |   closed   |   closed   | 3 closed  | 2 closed  |
          |---+------+------------+------------+-----------+-----------|
          |   | 2.9v | Pins 1 & 2 | Pins 2 & 3 | Pins 2 &  | Pins 1 &  |
          |   |      |   closed   |   closed   | 3 closed  | 2 closed  |
          |---+------+------------+------------+-----------+-----------|
          |   | 3.0v | Pins 2 & 3 | Pins 1 & 2 | Pins 2 &  | Pins 1 &  |
          |   |      |   closed   |   closed   | 3 closed  | 2 closed  |
          |---+------+------------+------------+-----------+-----------|
          |   | 3.1v | Pins 1 & 2 | Pins 1 & 2 | Pins 2 &  | Pins 1 &  |
          |   |      |   closed   |   closed   | 3 closed  | 2 closed  |
          |---+------+------------+------------+-----------+-----------|
          |   | 3.2v | Pins 2 & 3 | Pins 2 & 3 | Pins 1 &  | Pins 1 &  |
          |   |      |   closed   |   closed   | 2 closed  | 2 closed  |
          |---+------+------------+------------+-----------+-----------|
          |   | 3.3v | Pins 1 & 2 | Pins 2 & 3 | Pins 1 &  | Pins 1 &  |
          |   |      |   closed   |   closed   | 2 closed  | 2 closed  |
          |---+------+------------+------------+-----------+-----------|
          |   | 3.4v | Pins 2 & 3 | Pins 1 & 2 | Pins 1 &  | Pins 1 &  |
          |   |      |   closed   |   closed   | 2 closed  | 2 closed  |
          |---+------+------------+------------+-----------+-----------|
          |   | 3.5v | Pins 1 & 2 | Pins 1 & 2 | Pins 1 &  | Pins 1 &  |
          |   |      |   closed   |   closed   | 2 closed  | 2 closed  |
          +------------------------------------------------------------+
       
          +------------------------------------------------------------+
          |                  AGP/PCI SPEED SELECTION                   |
          |------------------------------------------------------------|
          | System bus | AGP bus | PCI bus |    J1     |  JP3  |  JP4  |
          |------------+---------+---------+-----------+-------+-------|
          | » | 66MHz  |  66MHz  |  33MHz  |  9 & 11,  | 2 & 3 | 1 & 2 |
          |   |        |         |         | 19 & 21,  |       |       |
          |   |        |         |         |  20 & 22  |       |       |
          |---+--------+---------+---------+-----------+-------+-------|
          |   | 75MHz  |  75MHz  |  37MHz  |  9 & 11,  | 2 & 3 | 1 & 2 |
          |   |        |         |         | 18 & 20,  |       |       |
          |   |        |         |         |  19 & 21  |       |       |
          |---+--------+---------+---------+-----------+-------+-------|
          |   | 83MHz  |  66MHz  |  33MHz  |  9 & 11,  | 1 & 2 | 1 & 2 |
          |   |        |         |         | 17 & 19,  |       |       |
          |   |        |         |         |  20 & 22  |       |       |
          |---+--------+---------+---------+-----------+-------+-------|
          |   | 95MHz  |  64MHz  |  32MHz  | 11 & 13,  | 1 & 2 | 2 & 3 |
          |   |        |         |         | 17 & 19,  |       |       |
          |   |        |         |         |  18 & 20  |       |       |
          |---+--------+---------+---------+-----------+-------+-------|
          |   | 100MHz |  66MHz  |  33MHz  |  9 & 11,  | 1 & 2 | 2 & 3 |
          |   |        |         |         | 17 & 19,  |       |       |
          |   |        |         |         |  18 & 20  |       |       |
          |---+--------+---------+---------+-----------+-------+-------|
          |   | 112MHz |  75MHz  |  37MHz  | 11 & 13,  | 1 & 2 | 2 & 3 |
          |   |        |         |         | 19 & 21,  |       |       |
          |   |        |         |         |  20 & 22  |       |       |
          |---+--------+---------+---------+-----------+-------+-------|
          |   | 124MHz |  83MHz  |  41MHz  | 11 & 13,  | 1 & 2 | 2 & 3 |
          |   |        |         |         | 18 & 20,  |       |       |
          |   |        |         |         |  19 & 21  |       |       |
          |------------------------------------------------------------|
          | Note: Pins designated should be in the closed position.    |
          +------------------------------------------------------------+