URI: 
  TEXT View Source
       
       # GIGA-BYTE TECHNOLOGY CO., LTD.
       
          GA-686LX3 (VER. 2.0)
       
          Device Type      Mainboard                                     
          Processor        Pentium II                                    
          Processor Speed  200/233/266/300/333/366MHz                    
          Chip Set         Intel 440LX                                   
          Maximum Onboard  768MB (EDO & SDRAM supported)                 
          Memory           
          Cache            256/512KB (located on Pentium II CPU)         
          BIOS             Award                                         
          Dimensions       305mm x 180mm                                 
          I/O Options      32-bit PCI slots (4), floppy drive interface, 
                           green PC connector, IDE interfaces (2),       
                           parallel port, PS/2 mouse port, serial ports  
                           (2), IR connector, USB connectors (2), ATX    
                           power connector, AGP slot, SB-link connector, 
                           wake on LAN connector                         
       
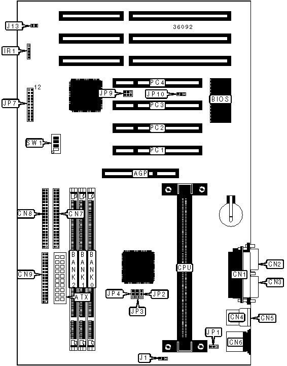
   IMG IMG 1
          
       
          +------------------------------------------------------------+
          |                        CONNECTIONS                         |
          |------------------------------------------------------------|
          | Purpose          | Location | Purpose          | Location  |
          |------------------+----------+------------------+-----------|
          | AGP slot         |   AGP    | CPU fan power    |    J1     |
          |------------------+----------+------------------+-----------|
          | ATX power        |   ATX    | Green PC LED     | JP7/pins  |
          | connector        |          |                  |  1 & 12   |
          |------------------+----------+------------------+-----------|
          | Parallel port    |   CN1    | Reset switch     | JP7/pins  |
          |                  |          |                  |   3 & 4   |
          |------------------+----------+------------------+-----------|
          | Serial port 1    |   CN2    | Speaker          | JP7/pins  |
          |                  |          |                  |   5 - 8   |
          |------------------+----------+------------------+-----------|
          | Serial port 2    |   CN3    | IDE interface    | JP7/pins  |
          |                  |          | LED              |  9 & 20   |
          |------------------+----------+------------------+-----------|
          | USB connector 1  |   CN4    | Green PC         | JP7/pins  |
          |                  |          | connector        |  11 & 22  |
          |------------------+----------+------------------+-----------|
          | USB connector 2  |   CN5    | Soft off power   | JP7/pins  |
          |                  |          | supply           |  15 & 16  |
          |------------------+----------+------------------+-----------|
          | PS/2 mouse port  |   CN6    | Power LED        | JP7/pins  |
          |                  |          |                  |  17 - 19  |
          |------------------+----------+------------------+-----------|
          | IDE interface 2  |   CN7    | SB-link          |    JP9    |
          |                  |          | connector        |           |
          |------------------+----------+------------------+-----------|
          | IDE interface 1  |   CN8    | Wake on LAN      |   JP10    |
          |                  |          | connector        |           |
          |------------------+----------+------------------+-----------|
          | Floppy drive     |   CN9    | 32-bit PCI slots | PC1 - PC4 |
          | interface        |          |                  |           |
          |------------------+----------+------------------+-----------|
          | IR connector     |   IR1    |                  |           |
          +------------------------------------------------------------+
       
          +------------------------------------------------------------+
          |                 USER CONFIGURABLE SETTINGS                 |
          |------------------------------------------------------------|
          |               Function               | Label |  Position   |
          |--------------------------------------+-------+-------------|
          |   | ATX power supply select soft off |  J13  |    Open     |
          |---+----------------------------------+-------+-------------|
          |   | ATX power supply select full on  |  J13  |   Closed    |
          |---+----------------------------------+-------+-------------|
          | ยป | Keyboard power on disabled       |  JP1  | Pins 2 & 3  |
          |   |                                  |       |   closed    |
          |---+----------------------------------+-------+-------------|
          |   | Keyboard power on enabled        |  JP1  | Pins 1 & 2  |
          |   |                                  |       |   closed    |
          +------------------------------------------------------------+
       
          +------------------------------------------------------------+
          |                     DIMM CONFIGURATION                     |
          |------------------------------------------------------------|
          |    Size    |    Bank 0     |    Bank 1     |    Bank 2     |
          |------------+---------------+---------------+---------------|
          |    8MB     |  (1) 1M x 64  |     None      |     None      |
          |------------+---------------+---------------+---------------|
          |    16MB    |  (1) 2M x 64  |     None      |     None      |
          |------------+---------------+---------------+---------------|
          |    16MB    |  (1) 1M x 64  |  (1) 1M x 64  |     None      |
          |------------+---------------+---------------+---------------|
          |    24MB    |  (1) 2M x 64  |  (1) 1M x 64  |     None      |
          |------------+---------------+---------------+---------------|
          |    24MB    |  (1) 1M x 64  |  (1) 1M x 64  |  (1) 1M x 64  |
          |------------+---------------+---------------+---------------|
          |    32MB    |  (1) 4M x 64  |     None      |     None      |
          |------------+---------------+---------------+---------------|
          |    32MB    |  (1) 2M x 64  |  (1) 1M x 64  |  (1) 1M x 64  |
          |------------+---------------+---------------+---------------|
          |    32MB    |  (1) 2M x 64  |  (1) 2M x 64  |     None      |
          |------------+---------------+---------------+---------------|
          |    40MB    |  (1) 4M x 64  |  (1) 1M x 64  |     None      |
          |------------+---------------+---------------+---------------|
          |    40MB    |  (1) 2M x 64  |  (1) 2M x 64  |  (1) 1M x 64  |
          |------------+---------------+---------------+---------------|
          |    48MB    |  (1) 4M x 64  |  (1) 1M x 64  |  (1) 1M x 64  |
          |------------+---------------+---------------+---------------|
          |    48MB    |  (1) 4M x 64  |  (1) 2M x 64  |     None      |
          |------------+---------------+---------------+---------------|
          |    48MB    |  (1) 2M x 64  |  (1) 2M x 64  |  (1) 2M x 64  |
          |------------+---------------+---------------+---------------|
          |    56MB    |  (1) 4M x 64  |  (1) 2M x 64  |  (1) 1M x 64  |
          |------------+---------------+---------------+---------------|
          |    64MB    |  (1) 8M x 64  |     None      |     None      |
          |------------+---------------+---------------+---------------|
          |    64MB    |  (1) 4M x 64  |  (1) 2M x 64  |  (1) 2M x 64  |
          |------------+---------------+---------------+---------------|
          |    64MB    |  (1) 4M x 64  |  (1) 4M x 64  |     None      |
          |------------+---------------+---------------+---------------|
          |    72MB    |  (1) 8M x 64  |  (1) 1M x 64  |     None      |
          |------------+---------------+---------------+---------------|
          |    72MB    |  (1) 4M x 64  |  (1) 4M x 64  |  (1) 1M x 64  |
          |------------+---------------+---------------+---------------|
          |    80MB    |  (1) 8M x 64  |  (1) 1M x 64  |  (1) 1M x 64  |
          +------------------------------------------------------------+
       
          +------------------------------------------------------------+
          |                 DIMM CONFIGURATION (CON'T)                 |
          |------------------------------------------------------------|
          |   Size   |     Bank 0     |     Bank 1     |    Bank 2     |
          |----------+----------------+----------------+---------------|
          |   80MB   |  (1) 8M x 64   |  (1) 2M x 64   |     None      |
          |----------+----------------+----------------+---------------|
          |   80MB   |  (1) 4M x 64   |  (1) 4M x 64   |  (1) 2M x 64  |
          |----------+----------------+----------------+---------------|
          |   88MB   |  (1) 8M x 64   |  (1) 2M x 64   |  (1) 1M x 64  |
          |----------+----------------+----------------+---------------|
          |   96MB   |  (1) 8M x 64   |  (1) 2M x 64   |  (1) 2M x 64  |
          |----------+----------------+----------------+---------------|
          |   96MB   |  (1) 8M x 64   |  (1) 4M x 64   |     None      |
          |----------+----------------+----------------+---------------|
          |   96MB   |  (1) 4M x 64   |  (1) 4M x 64   |  (1) 4M x 64  |
          |----------+----------------+----------------+---------------|
          |  104MB   |  (1) 8M x 64   |  (1) 4M x 64   |  (1) 1M x 64  |
          |----------+----------------+----------------+---------------|
          |  112MB   |  (1) 8M x 64   |  (1) 4M x 64   |  (1) 2M x 64  |
          |----------+----------------+----------------+---------------|
          |  128MB   |  (1) 16M x 64  |      None      |     None      |
          |----------+----------------+----------------+---------------|
          |  128MB   |  (1) 8M x 64   |  (1) 4M x 64   |  (1) 4M x 64  |
          |----------+----------------+----------------+---------------|
          |  128MB   |  (1) 8M x 64   |  (1) 8M x 64   |     None      |
          |----------+----------------+----------------+---------------|
          |  136MB   |  (1) 16M x 64  |  (1) 1M x 64   |     None      |
          |----------+----------------+----------------+---------------|
          |  136MB   |  (1) 8M x 64   |  (1) 8M x 64   |  (1) 1M x 64  |
          |----------+----------------+----------------+---------------|
          |  144MB   |  (1) 16M x 64  |  (1) 1M x 64   |  (1) 1M x 64  |
          |----------+----------------+----------------+---------------|
          |  144MB   |  (1) 16M x 64  |  (1) 2M x 64   |     None      |
          |----------+----------------+----------------+---------------|
          |  144MB   |  (1) 8M x 64   |  (1) 8M x 64   |  (1) 2M x 64  |
          |----------+----------------+----------------+---------------|
          |  152MB   |  (1) 16M x 64  |  (1) 2M x 64   |  (1) 1M x 64  |
          |----------+----------------+----------------+---------------|
          |  160MB   |  (1) 16M x 64  |  (1) 2M x 64   |  (1) 2M x 64  |
          |----------+----------------+----------------+---------------|
          |  168MB   |  (1) 16M x 64  |  (1) 4M x 64   |  (1) 1M x 64  |
          |----------+----------------+----------------+---------------|
          |  176MB   |  (1) 16M x 64  |  (1) 4M x 64   |  (1) 2M x 64  |
          |----------+----------------+----------------+---------------|
          |  192MB   |  (1) 16M x 64  |  (1) 4M x 64   |  (1) 4M x 64  |
          |----------+----------------+----------------+---------------|
          |  192MB   |  (1) 16M x 64  |  (1) 8M x 64   |     None      |
          |----------+----------------+----------------+---------------|
          |  192MB   |  (1) 8M x 64   |  (1) 8M x 64   |  (1) 8M x 64  |
          |----------+----------------+----------------+---------------|
          |  256MB   |  (1) 32M x 64  |      None      |     None      |
          |----------+----------------+----------------+---------------|
          |  256MB   |  (1) 16M x 64  |  (1) 8M x 64   |  (1) 8M x 64  |
          |----------+----------------+----------------+---------------|
          |  264MB   |  (1) 32M x 64  |  (1) 1M x 64   |     None      |
          |----------+----------------+----------------+---------------|
          |  272MB   |  (1) 32M x 64  |  (1) 1M x 64   |  (1) 1M x 64  |
          |----------+----------------+----------------+---------------|
          |  272MB   |  (1) 32M x 64  |  (1) 2M x 64   |     None      |
          |----------+----------------+----------------+---------------|
          |  288MB   |  (1) 32M x 64  |  (1) 2M x 64   |  (1) 2M x 64  |
          |----------+----------------+----------------+---------------|
          |  288MB   |  (1) 32M x 64  |  (1) 4M x 64   |     None      |
          |----------+----------------+----------------+---------------|
          |  320MB   |  (1) 32M x 64  |  (1) 4M x 64   |  (1) 4M x 64  |
          |----------+----------------+----------------+---------------|
          |  320MB   |  (1) 32M x 64  |  (1) 8M x 64   |     None      |
          |----------+----------------+----------------+---------------|
          |  384MB   |  (1) 32M x 64  |  (1) 8M x 64   |  (1) 8M x 64  |
          |----------+----------------+----------------+---------------|
          |  384MB   |  (1) 32M x 64  |  (1) 16M x 64  |     None      |
          |----------+----------------+----------------+---------------|
          |  384MB   |  (1) 16M x 64  |  (1) 16M x 64  | (1) 16M x 64  |
          |----------+----------------+----------------+---------------|
          |  512MB   |  (1) 32M x 64  |  (1) 16M x 64  | (1) 16M x 64  |
          |----------+----------------+----------------+---------------|
          |  512MB   |  (1) 32M x 64  |  (1) 32M x 64  |     None      |
          |----------+----------------+----------------+---------------|
          |  768MB   |  (1) 32M x 64  |  (1) 32M x 64  | (1) 32M x 64  |
          |------------------------------------------------------------|
          |      Note: Board accepts EDO & SDRAM memory. Maximum SDRAM |
          |      is 384MB. Maximum EDO is 768MB.                       |
          +------------------------------------------------------------+
       
          +------------------------------------------------------------+
          |                    CACHE CONFIGURATION                     |
          |------------------------------------------------------------|
          | Note: 256KB/512KB cache is located on the Pentium II CPU.  |
          +------------------------------------------------------------+
       
          +------------------------------------------------------------+
          |                    CPU SPEED SELECTION                     |
          |------------------------------------------------------------|
          | CPU speed  |  Clock   | Multiplier |  JP2  |  JP3  |  JP4  |
          |            |  speed   |            |       |       |       |
          |------------+----------+------------+-------+-------+-------|
          |   200MHz   |  66MHz   |     3x     | 1 & 2 | 1 & 2 | 1 & 2 |
          |------------+----------+------------+-------+-------+-------|
          |   233MHz   |  66MHz   |    3.5x    | 1 & 2 | 1 & 2 | 1 & 2 |
          |------------+----------+------------+-------+-------+-------|
          |   266MHz   |  66MHz   |     4x     | 1 & 2 | 1 & 2 | 1 & 2 |
          |------------+----------+------------+-------+-------+-------|
          |   300MHz   |  66MHz   |    4.5x    | 1 & 2 | 1 & 2 | 1 & 2 |
          |------------+----------+------------+-------+-------+-------|
          |   333MHz   |  66MHz   |     5x     | 1 & 2 | 1 & 2 | 1 & 2 |
          |------------+----------+------------+-------+-------+-------|
          |   366MHz   |  66MHz   |    5.5x    | 1 & 2 | 1 & 2 | 1 & 2 |
          |------------------------------------------------------------|
          | Note: Pins designated should be in the closed position.    |
          +------------------------------------------------------------+
       
          +------------------------------------------------------------+
          |                CPU SPEED SELECTION (CON'T)                 |
          |------------------------------------------------------------|
          |CPU speed|Clock speed|Multiplier|SW1/1 |SW1/2 |SW1/3 |SW1/4 |
          |---------+-----------+----------+------+------+------+------|
          | 200MHz  |   66MHz   |    3x    |  On  | Off  |  On  |  On  |
          |---------+-----------+----------+------+------+------+------|
          | 233MHz  |   66MHz   |   3.5x   | Off  | Off  |  On  |  On  |
          |---------+-----------+----------+------+------+------+------|
          | 266MHz  |   66MHz   |    4x    |  On  |  On  | Off  |  On  |
          |---------+-----------+----------+------+------+------+------|
          | 300MHz  |   66MHz   |   4.5x   | Off  |  On  | Off  |  On  |
          |---------+-----------+----------+------+------+------+------|
          | 333MHz  |   66MHz   |    5x    |  On  | Off  | Off  |  On  |
          |---------+-----------+----------+------+------+------+------|
          | 366MHz  |   66MHz   |   5.5x   | Off  | Off  | Off  |  On  |
          +------------------------------------------------------------+