URI: 
  TEXT View Source
       
       # GIGA-BYTE TECHNOLOGY CO., LTD.
       
          GA-686LX4 (VER. 1.0)
       
          Device Type     Mainboard                                      
          Processor       Pentium II                                     
          Processor Speed 200/233/266/300/333/366MHz                     
          Chip Set        Intel 440LX                                    
          Maximum Onboard 1GB (EDO & SDRAM supported)                    
          Memory          
          Cache           256/512KB (located on Pentium II CPU)          
          BIOS            Award                                          
          Dimensions      305mm x 180mm                                  
          I/O Options     32-bit PCI slots (4), floppy drive interface,  
                          green PC connector, IDE interfaces (2),        
                          parallel port, PS/2 mouse port, serial ports   
                          (2), IR connector, USB connectors (2), ATX     
                          power connector, AGP slot                      
       
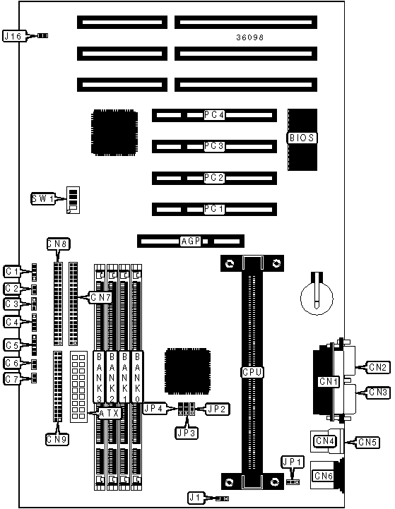
   IMG IMG 1
          
       
          +------------------------------------------------------------+
          |                        CONNECTIONS                         |
          |------------------------------------------------------------|
          | Purpose           | Location | Purpose          | Location |
          |-------------------+----------+------------------+----------|
          | AGP slot          |   AGP    | Serial port 1    |   CN2    |
          |-------------------+----------+------------------+----------|
          | ATX power         |   ATX    | Serial port 2    |   CN3    |
          | connector         |          |                  |          |
          |-------------------+----------+------------------+----------|
          | Speaker           |    C1    | USB connector 1  |   CN4    |
          |-------------------+----------+------------------+----------|
          | Reset switch      |    C2    | USB connector 2  |   CN5    |
          |-------------------+----------+------------------+----------|
          | Power LED         |    C3    | PS/2 mouse port  |   CN6    |
          |-------------------+----------+------------------+----------|
          | IDE interface LED |    C4    | IDE interface 2  |   CN7    |
          |-------------------+----------+------------------+----------|
          | IR connector      |    C5    | IDE interface 1  |   CN8    |
          |-------------------+----------+------------------+----------|
          | Green PC          |    C6    | Floppy drive     |   CN9    |
          | connector         |          | interface        |          |
          |-------------------+----------+------------------+----------|
          | Soft off power    |    C7    | CPU fan power    |    J1    |
          | supply            |          |                  |          |
          |-------------------+----------+------------------+----------|
          | Parallel port     |   CN1    | 32-bit PCI slots |  PC1 -   |
          |                   |          |                  |   PC4    |
          +------------------------------------------------------------+
       
          +------------------------------------------------------------+
          |                 USER CONFIGURABLE SETTINGS                 |
          |------------------------------------------------------------|
          |               Function               | Label |  Position   |
          |--------------------------------------+-------+-------------|
          |   | ATX power supply select soft off |  J16  |    Open     |
          |---+----------------------------------+-------+-------------|
          |   | ATX power supply select full on  |  J16  |   Closed    |
          |---+----------------------------------+-------+-------------|
          | ยป | Keyboard power on disabled       |  JP1  | Pins 2 & 3  |
          |   |                                  |       |   closed    |
          |---+----------------------------------+-------+-------------|
          |   | Keyboard power on enabled        |  JP1  | Pins 1 & 2  |
          |   |                                  |       |   closed    |
          +------------------------------------------------------------+
       
          +------------------------------------------------------------+
          |                     DIMM CONFIGURATION                     |
          |------------------------------------------------------------|
          | Size  |   Bank 0    |   Bank 1   |   Bank 2   |   Bank 3   |
          |-------+-------------+------------+------------+------------|
          |  8MB  | (1) 1M x 64 |    None    |    None    |    None    |
          |-------+-------------+------------+------------+------------|
          | 16MB  | (1) 2M x 64 |    None    |    None    |    None    |
          |-------+-------------+------------+------------+------------|
          | 16MB  | (1) 1M x 64 |  (1) 1M x  |    None    |    None    |
          |       |             |     64     |            |            |
          |-------+-------------+------------+------------+------------|
          | 24MB  | (1) 2M x 64 |  (1) 1M x  |    None    |    None    |
          |       |             |     64     |            |            |
          |-------+-------------+------------+------------+------------|
          | 24MB  | (1) 1M x 64 |  (1) 1M x  |  (1) 1M x  |    None    |
          |       |             |     64     |     64     |            |
          |-------+-------------+------------+------------+------------|
          | 32MB  | (1) 4M x 64 |    None    |    None    |    None    |
          |-------+-------------+------------+------------+------------|
          | 32MB  | (1) 2M x 64 |  (1) 2M x  |    None    |    None    |
          |       |             |     64     |            |            |
          |-------+-------------+------------+------------+------------|
          | 32MB  | (1) 1M x 64 |  (1) 1M x  |  (1) 1M x  |  (1) 1M x  |
          |       |             |     64     |     64     |     64     |
          |-------+-------------+------------+------------+------------|
          | 40MB  | (1) 4M x 64 |  (1) 1M x  |    None    |    None    |
          |       |             |     64     |            |            |
          |-------+-------------+------------+------------+------------|
          | 48MB  | (1) 4M x 64 |  (1) 2M x  |    None    |    None    |
          |       |             |     64     |            |            |
          |-------+-------------+------------+------------+------------|
          | 48MB  | (1) 2M x 64 |  (1) 2M x  |  (1) 2M x  |    None    |
          |       |             |     64     |     64     |            |
          |-------+-------------+------------+------------+------------|
          | 64MB  | (1) 2M x 64 |  (1) 2M x  |  (1) 2M x  |  (1) 2M x  |
          |       |             |     64     |     64     |     64     |
          |-------+-------------+------------+------------+------------|
          | 64MB  | (1) 8M x 64 |    None    |    None    |    None    |
          |-------+-------------+------------+------------+------------|
          | 64MB  | (1) 4M x 64 |  (1) 4M x  |    None    |    None    |
          |       |             |     64     |            |            |
          |-------+-------------+------------+------------+------------|
          | 72MB  | (1) 8M x 64 |  (1) 1M x  |    None    |    None    |
          |       |             |     64     |            |            |
          |-------+-------------+------------+------------+------------|
          | 80MB  | (1) 8M x 64 |  (1) 2M x  |    None    |    None    |
          |       |             |     64     |            |            |
          |-------+-------------+------------+------------+------------|
          | 96MB  | (1) 8M x 64 |  (1) 4M x  |    None    |    None    |
          |       |             |     64     |            |            |
          |-------+-------------+------------+------------+------------|
          | 96MB  | (1) 4M x 64 |  (1) 4M x  |  (1) 4M x  |    None    |
          |       |             |     64     |     64     |            |
          |-------+-------------+------------+------------+------------|
          | 128MB |  (1) 16M x  |    None    |    None    |    None    |
          |       |     64      |            |            |            |
          |-------+-------------+------------+------------+------------|
          | 128MB | (1) 8M x 64 |  (1) 8M x  |    None    |    None    |
          |       |             |     64     |            |            |
          |-------+-------------+------------+------------+------------|
          | 128MB | (1) 4M x 64 |  (1) 4M x  |  (1) 4M x  |  (1) 4M x  |
          |       |             |     64     |     64     |     64     |
          |-------+-------------+------------+------------+------------|
          | 136MB |  (1) 16M x  |  (1) 1M x  |    None    |    None    |
          |       |     64      |     64     |            |            |
          +------------------------------------------------------------+
       
          +------------------------------------------------------------+
          |                 DIMM CONFIGURATION (CON'T)                 |
          |------------------------------------------------------------|
          |  Size   |    Bank 0    |  Bank 1   |  Bank 2   |  Bank 3   |
          |---------+--------------+-----------+-----------+-----------|
          |  144MB  | (1) 16M x 64 | (1) 2M x  |   None    |   None    |
          |         |              |    64     |           |           |
          |---------+--------------+-----------+-----------+-----------|
          |  176MB  | (1) 16M x 64 | (1) 2M x  | (1) 2M x  | (1) 2M x  |
          |         |              |    64     |    64     |    64     |
          |---------+--------------+-----------+-----------+-----------|
          |  192MB  | (1) 16M x 64 | (1) 8M x  |   None    |   None    |
          |         |              |    64     |           |           |
          |---------+--------------+-----------+-----------+-----------|
          |  192MB  | (1) 8M x 64  | (1) 8M x  | (1) 8M x  |   None    |
          |         |              |    64     |    64     |           |
          |---------+--------------+-----------+-----------+-----------|
          |  256MB  | (1) 32M x 64 |   None    |   None    |   None    |
          |---------+--------------+-----------+-----------+-----------|
          |  256MB  | (1) 16M x 64 | (1) 16M x |   None    |   None    |
          |         |              |    64     |           |           |
          |---------+--------------+-----------+-----------+-----------|
          |  256MB  | (1) 8M x 64  | (1) 8M x  | (1) 8M x  | (1) 8M x  |
          |         |              |    64     |    64     |    64     |
          |---------+--------------+-----------+-----------+-----------|
          |  272MB  | (1) 16M x 64 | (1) 16M x | (1) 1M x  | (1) 1M x  |
          |         |              |    64     |    64     |    64     |
          |---------+--------------+-----------+-----------+-----------|
          |  280MB  | (1) 32M x 64 | (1) 1M x  | (1) 1M x  | (1) 1M x  |
          |         |              |    64     |    64     |    64     |
          |---------+--------------+-----------+-----------+-----------|
          |  288MB  | (1) 16M x 64 | (1) 16M x | (1) 2M x  | (1) 2M x  |
          |         |              |    64     |    64     |    64     |
          |---------+--------------+-----------+-----------+-----------|
          |  320MB  | (1) 16M x 64 | (1) 16M x | (1) 4M x  | (1) 4M x  |
          |         |              |    64     |    64     |    64     |
          |---------+--------------+-----------+-----------+-----------|
          |  384MB  | (1) 16M x 64 | (1) 16M x | (1) 16M x |   None    |
          |         |              |    64     |    64     |           |
          |---------+--------------+-----------+-----------+-----------|
          |  448MB  | (1) 32M x 64 | (1) 8M x  | (1) 8M x  | (1) 8M x  |
          |         |              |    64     |    64     |    64     |
          |---------+--------------+-----------+-----------+-----------|
          |  512MB  | (1) 32M x 64 | (1) 32M x |   None    |   None    |
          |         |              |    64     |           |           |
          |---------+--------------+-----------+-----------+-----------|
          |  512MB  | (1) 16M x 64 | (1) 16M x | (1) 16M x | (1) 16M x |
          |         |              |    64     |    64     |    64     |
          |---------+--------------+-----------+-----------+-----------|
          |  640MB  | (1) 32M x 64 | (1) 16M x | (1) 16M x | (1) 16M x |
          |         |              |    64     |    64     |    64     |
          |---------+--------------+-----------+-----------+-----------|
          |  768MB  | (1) 32M x 64 | (1) 32M x | (1) 32M x |   None    |
          |         |              |    64     |    64     |           |
          |---------+--------------+-----------+-----------+-----------|
          | 1024MB  | (1) 32M x 64 | (1) 32M x | (1) 32M x | (1) 32M x |
          |         |              |    64     |    64     |    64     |
          |------------------------------------------------------------|
          | Note: Board accepts EDO & SDRAM memory. Maximum SDRAM is   |
          | 512MB. Maximum EDO is 1024MB.                              |
          +------------------------------------------------------------+
       
          +-----------------------------------------------------------+
          |                    CACHE CONFIGURATION                    |
          |-----------------------------------------------------------|
          | Note: 256KB/512KB cache is located on the Pentium II CPU. |
          +-----------------------------------------------------------+
       
          +------------------------------------------------------------+
          |                    CPU SPEED SELECTION                     |
          |------------------------------------------------------------|
          | CPU speed  |  Clock   | Multiplier |  JP2  |  JP3  |  JP4  |
          |            |  speed   |            |       |       |       |
          |------------+----------+------------+-------+-------+-------|
          |   200MHz   |  66MHz   |     3x     | 1 & 2 | 1 & 2 | 1 & 2 |
          |------------+----------+------------+-------+-------+-------|
          |   233MHz   |  66MHz   |    3.5x    | 1 & 2 | 1 & 2 | 1 & 2 |
          |------------+----------+------------+-------+-------+-------|
          |   266MHz   |  66MHz   |     4x     | 1 & 2 | 1 & 2 | 1 & 2 |
          |------------+----------+------------+-------+-------+-------|
          |   300MHz   |  66MHz   |    4.5x    | 1 & 2 | 1 & 2 | 1 & 2 |
          |------------+----------+------------+-------+-------+-------|
          |   333MHz   |  66MHz   |     5x     | 1 & 2 | 1 & 2 | 1 & 2 |
          |------------+----------+------------+-------+-------+-------|
          |   366MHz   |  66MHz   |    5.5x    | 1 & 2 | 1 & 2 | 1 & 2 |
          |------------------------------------------------------------|
          | Note: Pins designated should be in the closed position.    |
          +------------------------------------------------------------+
       
          +------------------------------------------------------------+
          |                CPU SPEED SELECTION (CON'T)                 |
          |------------------------------------------------------------|
          |CPU speed|Clock speed|Multiplier|SW1/1 |SW1/2 |SW1/3 |SW1/4 |
          |---------+-----------+----------+------+------+------+------|
          | 200MHz  |   66MHz   |    3x    |  On  | Off  |  On  |  On  |
          |---------+-----------+----------+------+------+------+------|
          | 233MHz  |   66MHz   |   3.5x   | Off  | Off  |  On  |  On  |
          |---------+-----------+----------+------+------+------+------|
          | 266MHz  |   66MHz   |    4x    |  On  |  On  | Off  |  On  |
          |---------+-----------+----------+------+------+------+------|
          | 300MHz  |   66MHz   |   4.5x   | Off  |  On  | Off  |  On  |
          |---------+-----------+----------+------+------+------+------|
          | 333MHz  |   66MHz   |    5x    |  On  | Off  | Off  |  On  |
          |---------+-----------+----------+------+------+------+------|
          | 366MHz  |   66MHz   |   5.5x   | Off  | Off  | Off  |  On  |
          +------------------------------------------------------------+