URI: 
  TEXT View Source
       
       # GIGA-BYTE TECHNOLOGY CO., LTD.
       
          GA-6BXM (VER. 1.0)
       
          Device     Mainboard                                              
          Type       
          Processor  Pentium II/Celeron                                     
          Processor  266/300/333/350/366/400/433/450/466/500/550/600/650MHz 
          Speed      
          Chip Set   Intel 440BX                                            
          Video Chip ATI                                                    
          Set        
          Maximum    768MB (EDO & SDRAM supported)                          
          Onboard    
          Memory     
          Maximum    8MB                                                    
          Video      
          Memory     
          Audio Chip ESS                                                    
          Set        
          Cache      0/128/256/512KB (located on the CPU)                   
          BIOS       Award                                                  
          Dimensions 305mm x 190mm                                          
          I/O        32-bit PCI slots (4), floppy drive interface,          
          Options    game/MIDI port, green PC connector, IDE interfaces     
                     (2), parallel port, PS/2 mouse port, serial ports (2), 
                     VGA port, IR connector, USB connectors (2), ATX power  
                     connector, AGP slot, line in, line out, microphone in, 
                     audio in - CD-ROMs (2), SB-link connector, wake on LAN 
                     connector                                              
       
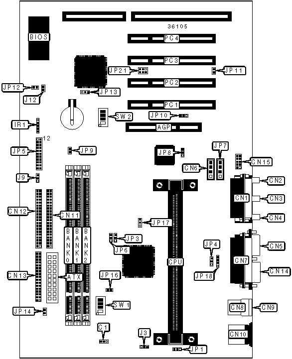
   IMG IMG 1
          
       
          +------------------------------------------------------------+
          |                        CONNECTIONS                         |
          |------------------------------------------------------------|
          | Purpose         | Location | Purpose          |  Location  |
          |-----------------+----------+------------------+------------|
          | AGP slot        |   AGP    | IR connector     |    IR1     |
          |-----------------+----------+------------------+------------|
          | ATX power       |   ATX    | CPU fan power    |     J3     |
          | connector       |          |                  |            |
          |-----------------+----------+------------------+------------|
          | Power fan power |    C1    | Chassis fan      |     J9     |
          |                 |          | power            |            |
          |-----------------+----------+------------------+------------|
          | Game/MIDI port  |   CN1    | Green PC LED     | JP5/pins 1 |
          |                 |          |                  |    & 12    |
          |-----------------+----------+------------------+------------|
          | Microphone in   |   CN2    | Reset switch     | JP5/pins 3 |
          |                 |          |                  |    & 4     |
          |-----------------+----------+------------------+------------|
          | Line in         |   CN3    | Speaker          | JP5/pins 5 |
          |                 |          |                  |    - 8     |
          |-----------------+----------+------------------+------------|
          | Line out        |   CN4    | IDE interface    | JP5/pins 9 |
          |                 |          | LED              |    & 20    |
          |-----------------+----------+------------------+------------|
          | Serial port 1   |   CN5    | Green PC         |  JP5/pins  |
          |                 |          | connector        |  11 & 22   |
          |-----------------+----------+------------------+------------|
          | Audio in -      |   CN6    | Soft off power   |  JP5/pins  |
          | CD-ROM          |          | supply           |  15 & 16   |
          |-----------------+----------+------------------+------------|
          | Parallel port   |   CN7    | Power LED        |  JP5/pins  |
          |                 |          |                  |  17 - 19   |
          |-----------------+----------+------------------+------------|
          | USB connector 1 |   CN8    | Audio in -       |    JP7     |
          |                 |          | CD-ROM           |            |
          |-----------------+----------+------------------+------------|
          | USB connector 2 |   CN9    | STR LED          |    JP9     |
          |-----------------+----------+------------------+------------|
          | PS/2 mouse port |   CN10   | Wake on LAN      |    JP10    |
          |                 |          | connector        |            |
          |-----------------+----------+------------------+------------|
          | IDE interface 2 |   CN11   | Case open        |    JP11    |
          |                 |          | connector        |            |
          |-----------------+----------+------------------+------------|
          | IDE interface 1 |   CN12   | Wake on modem    |    JP12    |
          |                 |          | connector        |            |
          |-----------------+----------+------------------+------------|
          | Floppy drive    |   CN13   | Modem connector  |    JP18    |
          | interface       |          |                  |            |
          |-----------------+----------+------------------+------------|
          | VGA port        |   CN14   | SB-link          |    JP21    |
          |                 |          | connector        |            |
          |-----------------+----------+------------------+------------|
          | Serial port 2   |   CN15   | 32-bit PCI slots | PC1 - PC4  |
          +------------------------------------------------------------+
       
          +------------------------------------------------------------+
          |                 USER CONFIGURABLE SETTINGS                 |
          |------------------------------------------------------------|
          |              Function               | Label |   Position   |
          |-------------------------------------+-------+--------------|
          |   | ATX power supply select soft    |  J12  |     Open     |
          |   | off                             |       |              |
          |---+---------------------------------+-------+--------------|
          |   | ATX power supply select full on |  J12  |    Closed    |
          |---+---------------------------------+-------+--------------|
          | » | Keyboard power on disabled      |  JP1  |  Pins 2 & 3  |
          |   |                                 |       |    closed    |
          |---+---------------------------------+-------+--------------|
          |   | Keyboard power on enabled       |  JP1  |  Pins 1 & 2  |
          |   |                                 |       |    closed    |
          |---+---------------------------------+-------+--------------|
          |   | On board video enabled          |  JP3  |  Pins 1 & 2  |
          |   |                                 |       |    closed    |
          |---+---------------------------------+-------+--------------|
          |   | On board video disabled         |  JP3  |  Pins 2 & 3  |
          |   |                                 |       |    closed    |
          |---+---------------------------------+-------+--------------|
          | » | System acceleration select      |  JP4  |  Pins 2 & 3  |
          |   | 100MHz                          |       |    closed    |
          |---+---------------------------------+-------+--------------|
          |   | System acceleration select      |  JP4  |  Pins 1 & 2  |
          |   | turbo                           |       |    closed    |
          |---+---------------------------------+-------+--------------|
          |   | VGA INT disabled                |  JP6  |  Pins 1 & 2  |
          |   |                                 |       |    closed    |
          |---+---------------------------------+-------+--------------|
          |   | VGA INT enabled                 |  JP6  |  Pins 2 & 3  |
          |   |                                 |       |    closed    |
          |---+---------------------------------+-------+--------------|
          |   | On board sound enabled          |  JP8  |  Pins 1 & 2  |
          |   |                                 |       |    closed    |
          |---+---------------------------------+-------+--------------|
          |   | On board sound disabled         |  JP8  |  Pins 2 & 3  |
          |   |                                 |       |    closed    |
          |---+---------------------------------+-------+--------------|
          | » | CMOS memory normal operation    | JP13  |  Pins 2 & 3  |
          |   |                                 |       |    closed    |
          |---+---------------------------------+-------+--------------|
          |   | CMOS memory clear               | JP13  |  Pins 1 & 2  |
          |   |                                 |       |    closed    |
          |---+---------------------------------+-------+--------------|
          |   | Suspend to RAM function enabled | JP14  |     Open     |
          |---+---------------------------------+-------+--------------|
          |   | Suspend to RAM function         | JP14  |    Closed    |
          |   | disabled                        |       |              |
          |---+---------------------------------+-------+--------------|
          | » | Factory configured - do not     | JP16  | Unidentified |
          |   | alter                           |       |              |
          +------------------------------------------------------------+
       
          +------------------------------------------------------------+
          |                     DIMM CONFIGURATION                     |
          |------------------------------------------------------------|
          |    Size    |    Bank 0     |    Bank 1     |    Bank 2     |
          |------------+---------------+---------------+---------------|
          |    8MB     |  (1) 1M x 64  |     None      |     None      |
          |------------+---------------+---------------+---------------|
          |    16MB    |  (1) 2M x 64  |     None      |     None      |
          |------------+---------------+---------------+---------------|
          |    16MB    |  (1) 1M x 64  |  (1) 1M x 64  |     None      |
          |------------+---------------+---------------+---------------|
          |    24MB    |  (1) 2M x 64  |  (1) 1M x 64  |     None      |
          |------------+---------------+---------------+---------------|
          |    32MB    |  (1) 2M x 64  |  (1) 1M x 64  |  (1) 1M x 64  |
          |------------+---------------+---------------+---------------|
          |    32MB    |  (1) 2M x 64  |  (1) 2M x 64  |     None      |
          |------------+---------------+---------------+---------------|
          |    40MB    |  (1) 4M x 64  |  (1) 1M x 64  |     None      |
          |------------+---------------+---------------+---------------|
          |    40MB    |  (1) 2M x 64  |  (1) 2M x 64  |  (1) 1M x 64  |
          |------------+---------------+---------------+---------------|
          |    48MB    |  (1) 4M x 64  |  (1) 1M x 64  |  (1) 1M x 64  |
          |------------+---------------+---------------+---------------|
          |    48MB    |  (1) 4M x 64  |  (1) 2M x 64  |     None      |
          |------------+---------------+---------------+---------------|
          |    48MB    |  (1) 2M x 64  |  (1) 2M x 64  |  (1) 2M x 64  |
          |------------+---------------+---------------+---------------|
          |    56MB    |  (1) 4M x 64  |  (1) 2M x 64  |  (1) 1M x 64  |
          |------------+---------------+---------------+---------------|
          |    64MB    |  (1) 8M x 64  |     None      |     None      |
          |------------+---------------+---------------+---------------|
          |    64MB    |  (1) 4M x 64  |  (1) 2M x 64  |  (1) 2M x 64  |
          |------------+---------------+---------------+---------------|
          |    64MB    |  (1) 4M x 64  |  (1) 4M x 64  |     None      |
          |------------+---------------+---------------+---------------|
          |    72MB    |  (1) 8M x 64  |  (1) 1M x 64  |     None      |
          |------------+---------------+---------------+---------------|
          |    96MB    |  (1) 8M x 64  |  (1) 4M x 64  |     None      |
          |------------+---------------+---------------+---------------|
          |   128MB    |  (1) 8M x 64  |  (1) 4M x 64  |  (1) 4M x 64  |
          |------------+---------------+---------------+---------------|
          |   128MB    |  (1) 8M x 64  |  (1) 8M x 64  |     None      |
          |------------+---------------+---------------+---------------|
          |   136MB    | (1) 16M x 64  |  (1) 1M x 64  |     None      |
          |------------+---------------+---------------+---------------|
          |   136MB    |  (1) 8M x 64  |  (1) 8M x 64  |  (1) 1M x 64  |
          |------------+---------------+---------------+---------------|
          |   144MB    | (1) 16M x 64  |  (1) 1M x 64  |  (1) 1M x 64  |
          |------------+---------------+---------------+---------------|
          |   144MB    | (1) 16M x 64  |  (1) 2M x 64  |     None      |
          |------------+---------------+---------------+---------------|
          |   144MB    |  (1) 8M x 64  |  (1) 8M x 64  |  (1) 2M x 64  |
          |------------+---------------+---------------+---------------|
          |   152MB    | (1) 16M x 64  |  (1) 2M x 64  |  (1) 1M x 64  |
          |------------+---------------+---------------+---------------|
          |   160MB    | (1) 16M x 64  |  (1) 2M x 64  |  (1) 2M x 64  |
          |------------+---------------+---------------+---------------|
          |   192MB    | (1) 16M x 64  |  (1) 4M x 64  |  (1) 4M x 64  |
          |------------+---------------+---------------+---------------|
          |   192MB    | (1) 16M x 64  |  (1) 8M x 64  |     None      |
          |------------+---------------+---------------+---------------|
          |   208MB    | (1) 16M x 64  |  (1) 8M x 64  |  (1) 2M x 64  |
          |------------+---------------+---------------+---------------|
          |   224MB    | (1) 16M x 64  |  (1) 8M x 64  |  (1) 4M x 64  |
          |------------+---------------+---------------+---------------|
          |   256MB    | (1) 32M x 64  |     None      |     None      |
          |------------+---------------+---------------+---------------|
          |   256MB    | (1) 16M x 64  |  (1) 8M x 64  |  (1) 8M x 64  |
          |------------+---------------+---------------+---------------|
          |   264MB    | (1) 32M x 64  |  (1) 1M x 64  |     None      |
          |------------+---------------+---------------+---------------|
          |   272MB    | (1) 32M x 64  |  (1) 1M x 64  |  (1) 1M x 64  |
          |------------+---------------+---------------+---------------|
          |   288MB    | (1) 32M x 64  |  (1) 4M x 64  |     None      |
          |------------+---------------+---------------+---------------|
          |   320MB    | (1) 32M x 64  |  (1) 4M x 64  |  (1) 4M x 64  |
          |------------+---------------+---------------+---------------|
          |   320MB    | (1) 32M x 64  |  (1) 8M x 64  |     None      |
          |------------+---------------+---------------+---------------|
          |   384MB    | (1) 16M x 64  | (1) 16M x 64  | (1) 16M x 64  |
          |------------+---------------+---------------+---------------|
          |   512MB    | (1) 32M x 64  | (1) 16M x 64  | (1) 16M x 64  |
          |------------+---------------+---------------+---------------|
          |   512MB    | (1) 32M x 64  | (1) 32M x 64  |     None      |
          |------------+---------------+---------------+---------------|
          |   768MB    | (1) 32M x 64  | (1) 32M x 64  | (1) 32M x 64  |
          |------------------------------------------------------------|
          | Note: Board accepts EDO & SDRAM memory.                    |
          +------------------------------------------------------------+
       
          +------------------------------------------------------------+
          |                    CACHE CONFIGURATION                     |
          |------------------------------------------------------------|
          | Note: 256KB/512KB cache is located on the Pentium II CPU.  |
          | 128KB cache is located on the Celeron 300A & 333 CPU.      |
          +------------------------------------------------------------+
       
          +---------------------------------------------------------+
          |               VIDEO MEMORY CONFIGURATION                |
          |---------------------------------------------------------|
          | Note: The location of the video memory is unidentified. |
          +---------------------------------------------------------+
       
          +------------------------------------------------------------+
          |               CPU SPEED SELECTION (CELERON)                |
          |------------------------------------------------------------|
          |CPU speed|Clock speed|Multiplier|SW1/1 |SW1/2 |SW1/3 |SW1/4 |
          |---------+-----------+----------+------+------+------+------|
          | 266MHz  |   66MHz   |    4x    |  On  | Off  | Off  |  On  |
          |---------+-----------+----------+------+------+------+------|
          | 300MHz  |   66MHz   |   4.5x   |  On  | Off  | Off  |  On  |
          |---------+-----------+----------+------+------+------+------|
          | 333MHz  |   66MHz   |    5x    |  On  | Off  | Off  |  On  |
          |---------+-----------+----------+------+------+------+------|
          | 366MHz  |   66MHz   |   5.5x   |  On  | Off  | Off  |  On  |
          |---------+-----------+----------+------+------+------+------|
          | 400MHz  |   66MHz   |    6x    |  On  | Off  | Off  |  On  |
          |---------+-----------+----------+------+------+------+------|
          | 433MHz  |   66MHz   |   6.5x   |  On  | Off  | Off  |  On  |
          +------------------------------------------------------------+
       
          +------------------------------------------------------------+
          |            CPU SPEED SELECTION (CELERON, CON'T)            |
          |------------------------------------------------------------|
          |CPU speed|Clock speed|Multiplier|SW2/1 |SW2/2 |SW2/3 |SW2/4 |
          |---------+-----------+----------+------+------+------+------|
          | 266MHz  |   66MHz   |    4x    |  On  |  On  | Off  |  On  |
          |---------+-----------+----------+------+------+------+------|
          | 300MHz  |   66MHz   |   4.5x   | Off  |  On  | Off  |  On  |
          |---------+-----------+----------+------+------+------+------|
          | 333MHz  |   66MHz   |    5x    |  On  | Off  | Off  |  On  |
          |---------+-----------+----------+------+------+------+------|
          | 366MHz  |   66MHz   |   5.5x   | Off  | Off  | Off  |  On  |
          |---------+-----------+----------+------+------+------+------|
          | 400MHz  |   66MHz   |    6x    |  On  |  On  |  On  | Off  |
          |---------+-----------+----------+------+------+------+------|
          | 433MHz  |   66MHz   |   6.5x   | Off  |  On  |  On  | Off  |
          +------------------------------------------------------------+
       
          +------------------------------------------------------------+
          |              CPU SPEED SELECTION (PENTIUM II)              |
          |------------------------------------------------------------|
          |CPU speed|Clock speed|Multiplier|SW1/1 |SW1/2 |SW1/3 |SW1/4 |
          |---------+-----------+----------+------+------+------+------|
          | 266MHz  |   66MHz   |    4x    |  On  | Off  | Off  |  On  |
          |---------+-----------+----------+------+------+------+------|
          | 300MHz  |   66MHz   |   4.5x   |  On  | Off  | Off  |  On  |
          |---------+-----------+----------+------+------+------+------|
          | 333MHz  |   66MHz   |    5x    |  On  | Off  | Off  |  On  |
          |---------+-----------+----------+------+------+------+------|
          | 366MHz  |   66MHz   |   5.5x   |  On  | Off  | Off  |  On  |
          |---------+-----------+----------+------+------+------+------|
          | 400MHz  |   66MHz   |    6x    |  On  | Off  | Off  |  On  |
          |---------+-----------+----------+------+------+------+------|
          | 433MHz  |   66MHz   |   6.5x   |  On  | Off  | Off  |  On  |
          |---------+-----------+----------+------+------+------+------|
          | 350MHz  |  100MHz   |   3.5x   | Off  | Off  | Off  | Off  |
          |---------+-----------+----------+------+------+------+------|
          | 400MHz  |  100MHz   |    4x    | Off  | Off  | Off  | Off  |
          |---------+-----------+----------+------+------+------+------|
          | 450MHz  |  100MHz   |   4.5x   | Off  | Off  | Off  | Off  |
          |---------+-----------+----------+------+------+------+------|
          | 500MHz  |  100MHz   |    5x    | Off  | Off  | Off  | Off  |
          |---------+-----------+----------+------+------+------+------|
          | 550MHz  |  100MHz   |   5.5x   | Off  | Off  | Off  | Off  |
          |---------+-----------+----------+------+------+------+------|
          | 600MHz  |  100MHz   |    6x    | Off  | Off  | Off  | Off  |
          |---------+-----------+----------+------+------+------+------|
          | 650MHz  |  100MHz   |   6.5x   | Off  | Off  | Off  | Off  |
          +------------------------------------------------------------+
       
          +------------------------------------------------------------+
          |          CPU SPEED SELECTION (PENTIUM II, CON'T)           |
          |------------------------------------------------------------|
          |CPU speed|Clock speed|Multiplier|SW2/1 |SW2/2 |SW2/3 |SW2/4 |
          |---------+-----------+----------+------+------+------+------|
          | 266MHz  |   66MHz   |    4x    |  On  |  On  | Off  |  On  |
          |---------+-----------+----------+------+------+------+------|
          | 300MHz  |   66MHz   |   4.5x   | Off  |  On  | Off  |  On  |
          |---------+-----------+----------+------+------+------+------|
          | 333MHz  |   66MHz   |    5x    |  On  | Off  | Off  |  On  |
          |---------+-----------+----------+------+------+------+------|
          | 366MHz  |   66MHz   |   5.5x   | Off  | Off  | Off  |  On  |
          |---------+-----------+----------+------+------+------+------|
          | 400MHz  |   66MHz   |    6x    |  On  |  On  |  On  | Off  |
          |---------+-----------+----------+------+------+------+------|
          | 433MHz  |   66MHz   |   6.5x   | Off  |  On  |  On  | Off  |
          |---------+-----------+----------+------+------+------+------|
          | 350MHz  |  100MHz   |   3.5x   | Off  | Off  |  On  |  On  |
          |---------+-----------+----------+------+------+------+------|
          | 400MHz  |  100MHz   |    4x    |  On  |  On  | Off  |  On  |
          |---------+-----------+----------+------+------+------+------|
          | 450MHz  |  100MHz   |   4.5x   | Off  |  On  | Off  |  On  |
          |---------+-----------+----------+------+------+------+------|
          | 500MHz  |  100MHz   |    5x    |  On  | Off  | Off  |  On  |
          |---------+-----------+----------+------+------+------+------|
          | 550MHz  |  100MHz   |   5.5x   | Off  | Off  | Off  |  On  |
          |---------+-----------+----------+------+------+------+------|
          | 600MHz  |  100MHz   |    6x    |  On  |  On  |  On  | Off  |
          |---------+-----------+----------+------+------+------+------|
          | 650MHz  |  100MHz   |   6.5x   | Off  |  On  |  On  | Off  |
          +------------------------------------------------------------+
       
          +------------------------------------------------------------+
          |                       AGP SELECTION                        |
          |------------------------------------------------------------|
          |          Setting           |             JP17              |
          |----------------------------+-------------------------------|
          |           Normal           |             Open              |
          |----------------------------+-------------------------------|
          |          Special           |       Pins 1 & 2 closed       |
          |----------------------------+-------------------------------|
          |           GA-612           |       Pins 2 & 3 closed       |
          +------------------------------------------------------------+