URI: 
  TEXT View Source
       
       # GIGA-BYTE TECHNOLOGY CO., LTD.
       
          GA-6ZMM (VER. 1.4)
       
          Device     Mainboard                                              
          Type       
          Processor  Pentium II/Celeron                                     
          Processor  266/300/333/350/366/400/433/450/466/500/550/600/650MHz 
          Speed      
          Chip Set   Intel 440BX                                            
          Video Chip ATI                                                    
          Set        
          Maximum    512MB (EDO & SDRAM supported)                          
          Onboard    
          Memory     
          Maximum    Unidentified                                           
          Video      
          Memory     
          Audio Chip ATI                                                    
          Set        
          Cache      0/128/256/512KB (located on the CPU)                   
          BIOS       Award                                                  
          Dimensions 245mm x 200mm                                          
          I/O        32-bit PCI slots (3), floppy drive interface,          
          Options    game/MIDI port, green PC connector, IDE interfaces     
                     (2), parallel port, PS/2 mouse port, serial ports (2), 
                     VGA port, IR connector, USB connectors (2), ATX power  
                     connector, AGP slot, line in, line out, microphone in, 
                     audio in - CD-ROMs (2), wake on LAN connector, wake on 
                     modem connector                                        
       
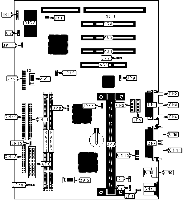
   IMG IMG 1
          
       
          +------------------------------------------------------------+
          |                        CONNECTIONS                         |
          |------------------------------------------------------------|
          | Purpose         | Location | Purpose          |  Location  |
          |-----------------+----------+------------------+------------|
          | AGP slot        |   AGP    | Floppy drive     |    CN13    |
          |                 |          | interface        |            |
          |-----------------+----------+------------------+------------|
          | ATX power       |   ATX    | VGA port         |    CN14    |
          | connector       |          |                  |            |
          |-----------------+----------+------------------+------------|
          | CPU fan power   |    C1    | Serial port 2    |    CN15    |
          |-----------------+----------+------------------+------------|
          | Power fan power |    C2    | IR connector     |    IR1     |
          |-----------------+----------+------------------+------------|
          | Chassis fan     |    C3    | Wake on modem    |    J11     |
          | power           |          | connector        |            |
          |-----------------+----------+------------------+------------|
          | Game/MIDI port  |   CN1    | Audio in -       |    JP5     |
          |                 |          | CD-ROM           |            |
          |-----------------+----------+------------------+------------|
          | Microphone in   |   CN2    | Green PC LED     | JP6/pins 1 |
          |                 |          |                  |    & 12    |
          |-----------------+----------+------------------+------------|
          | Line in         |   CN3    | Reset switch     | JP6/pins 3 |
          |                 |          |                  |    & 4     |
          |-----------------+----------+------------------+------------|
          | Line out        |   CN4    | Speaker          | JP6/pins 5 |
          |                 |          |                  |    - 8     |
          |-----------------+----------+------------------+------------|
          | Serial port 1   |   CN5    | IDE interface    | JP6/pins 9 |
          |                 |          | LED              |    & 20    |
          |-----------------+----------+------------------+------------|
          | Audio in -      |   CN6    | Green PC         |  JP6/pins  |
          | CD-ROM          |          | connector        |  11 & 22   |
          |-----------------+----------+------------------+------------|
          | Parallel port   |   CN7    | Soft off power   |  JP6/pins  |
          |                 |          | supply           |  15 & 16   |
          |-----------------+----------+------------------+------------|
          | USB connector 1 |   CN8    | Power LED        |  JP6/pins  |
          |                 |          |                  |  17 - 19   |
          |-----------------+----------+------------------+------------|
          | USB connector 2 |   CN9    | Wake on LAN      |    JP7     |
          |                 |          | connector        |            |
          |-----------------+----------+------------------+------------|
          | PS/2 mouse port |   CN10   | STR LED          |    JP15    |
          |-----------------+----------+------------------+------------|
          | IDE interface 2 |   CN11   | 32-bit PCI slots | PC1 - PC3  |
          |-----------------+----------+------------------+------------|
          | IDE interface 1 |   CN12   |                  |            |
          +------------------------------------------------------------+
       
          +------------------------------------------------------------+
          |                 USER CONFIGURABLE SETTINGS                 |
          |------------------------------------------------------------|
          |               Function                | Label |  Position  |
          |---------------------------------------+-------+------------|
          | »  | Keyboard power on disabled       |  JP1  | Pins 2 & 3 |
          |    |                                  |       |   closed   |
          |----+----------------------------------+-------+------------|
          |    | Keyboard power on enabled        |  JP1  | Pins 1 & 2 |
          |    |                                  |       |   closed   |
          |----+----------------------------------+-------+------------|
          | »  | VGA INT disabled                 |  JP8  | Pins 1 & 2 |
          |    |                                  |       |   closed   |
          |----+----------------------------------+-------+------------|
          |    | VGA INT enabled                  |  JP8  | Pins 2 & 3 |
          |    |                                  |       |   closed   |
          |----+----------------------------------+-------+------------|
          | »  | On board sound enabled           |  JP9  | Pins 1 & 2 |
          |    |                                  |       |   closed   |
          |----+----------------------------------+-------+------------|
          |    | On board sound disabled          |  JP9  | Pins 2 & 3 |
          |    |                                  |       |   closed   |
          |----+----------------------------------+-------+------------|
          | »  | System acceleration select       | JP11  | Pins 2 & 3 |
          |    | 100MHz                           |       |   closed   |
          |----+----------------------------------+-------+------------|
          |    | System acceleration select turbo | JP11  | Pins 1 & 2 |
          |    |                                  |       |   closed   |
          |----+----------------------------------+-------+------------|
          | »  | On board video enabled           | JP12  | Pins 2 & 3 |
          |    |                                  |       |   closed   |
          |----+----------------------------------+-------+------------|
          |    | On board video disabled          | JP12  | Pins 1 & 2 |
          |    |                                  |       |   closed   |
          |----+----------------------------------+-------+------------|
          | »  | Suspend to RAM function enabled  | JP13  |    Open    |
          |----+----------------------------------+-------+------------|
          |    | Suspend to RAM function disabled | JP13  |   Closed   |
          |----+----------------------------------+-------+------------|
          | »  | CMOS memory normal operation     | JP14  | Pins 2 & 3 |
          |    |                                  |       |   closed   |
          |----+----------------------------------+-------+------------|
          |    | CMOS memory clear                | JP14  | Pins 1 & 2 |
          |    |                                  |       |   closed   |
          +------------------------------------------------------------+
       
          +------------------------------------------------------------+
          |                     DIMM CONFIGURATION                     |
          |------------------------------------------------------------|
          |       Size       |       Bank 0       |       Bank 1       |
          |------------------+--------------------+--------------------|
          |       8MB        |    (1) 1M x 64     |        None        |
          |------------------+--------------------+--------------------|
          |       16MB       |    (1) 2M x 64     |        None        |
          |------------------+--------------------+--------------------|
          |       16MB       |    (1) 1M x 64     |    (1) 1M x 64     |
          |------------------+--------------------+--------------------|
          |       24MB       |    (1) 2M x 64     |    (1) 1M x 64     |
          |------------------+--------------------+--------------------|
          |       32MB       |    (1) 4M x 64     |        None        |
          +------------------------------------------------------------+
       
          +------------------------------------------------------------+
          |                 DIMM CONFIGURATION (CON'T)                 |
          |------------------------------------------------------------|
          |       Size       |       Bank 0       |       Bank 1       |
          |------------------+--------------------+--------------------|
          |       32MB       |    (1) 2M x 64     |    (1) 2M x 64     |
          |------------------+--------------------+--------------------|
          |       40MB       |    (1) 4M x 64     |    (1) 1M x 64     |
          |------------------+--------------------+--------------------|
          |       48MB       |    (1) 4M x 64     |    (1) 2M x 64     |
          |------------------+--------------------+--------------------|
          |       64MB       |    (1) 8M x 64     |        None        |
          |------------------+--------------------+--------------------|
          |       64MB       |    (1) 4M x 64     |    (1) 4M x 64     |
          |------------------+--------------------+--------------------|
          |       72MB       |    (1) 8M x 64     |    (1) 1M x 64     |
          |------------------+--------------------+--------------------|
          |       80MB       |    (1) 8M x 64     |    (1) 2M x 64     |
          |------------------+--------------------+--------------------|
          |       96MB       |    (1) 8M x 64     |    (1) 4M x 64     |
          |------------------+--------------------+--------------------|
          |      128MB       |    (1) 8M x 64     |    (1) 8M x 64     |
          |------------------+--------------------+--------------------|
          |      128MB       |    (1) 16M x 64    |        None        |
          |------------------+--------------------+--------------------|
          |      136MB       |    (1) 16M x 64    |    (1) 1M x 64     |
          |------------------+--------------------+--------------------|
          |      144MB       |    (1) 16M x 64    |    (1) 2M x 64     |
          |------------------+--------------------+--------------------|
          |      160MB       |    (1) 16M x 64    |    (1) 4M x 64     |
          |------------------+--------------------+--------------------|
          |      192MB       |    (1) 16M x 64    |    (1) 8M x 64     |
          |------------------+--------------------+--------------------|
          |      256MB       |    (1) 16M x 64    |    (1) 16M x 64    |
          |------------------+--------------------+--------------------|
          |      256MB       |    (1) 32M x 64    |        None        |
          |------------------+--------------------+--------------------|
          |      264MB       |    (1) 32M x 64    |    (1) 1M x 64     |
          |------------------+--------------------+--------------------|
          |      272MB       |    (1) 32M x 64    |    (1) 2M x 64     |
          |------------------+--------------------+--------------------|
          |      288MB       |    (1) 32M x 64    |    (1) 4M x 64     |
          |------------------+--------------------+--------------------|
          |      320MB       |    (1) 32M x 64    |    (1) 8M x 64     |
          |------------------+--------------------+--------------------|
          |      384MB       |    (1) 32M x 64    |    (1) 16M x 64    |
          |------------------+--------------------+--------------------|
          |      512MB       |    (1) 32M x 64    |    (1) 32M x 64    |
          |------------------------------------------------------------|
          | Note: Board accepts SDRAM memory.                          |
          +------------------------------------------------------------+
       
          +------------------------------------------------------------+
          |                    CACHE CONFIGURATION                     |
          |------------------------------------------------------------|
          | Note: 256KB/512KB cache is located on the Pentium II CPU.  |
          | 128KB cache is located on the Celeron 300A & 333 CPU.      |
          +------------------------------------------------------------+
       
          +---------------------------------------------------------+
          |               VIDEO MEMORY CONFIGURATION                |
          |---------------------------------------------------------|
          | Note: The location of the video memory is unidentified. |
          +---------------------------------------------------------+
       
          +------------------------------------------------------------+
          |               CPU SPEED SELECTION (CELERON)                |
          |------------------------------------------------------------|
          |CPU speed|Clock speed|Multiplier|SW1/1 |SW1/2 |SW1/3 |SW1/4 |
          |---------+-----------+----------+------+------+------+------|
          | 266MHz  |   66MHz   |    4x    |  On  | Off  | Off  |  On  |
          |---------+-----------+----------+------+------+------+------|
          | 300MHz  |   66MHz   |   4.5x   |  On  | Off  | Off  |  On  |
          |---------+-----------+----------+------+------+------+------|
          | 333MHz  |   66MHz   |    5x    |  On  | Off  | Off  |  On  |
          |---------+-----------+----------+------+------+------+------|
          | 366MHz  |   66MHz   |   5.5x   |  On  | Off  | Off  |  On  |
          |---------+-----------+----------+------+------+------+------|
          | 400MHz  |   66MHz   |    6x    |  On  | Off  | Off  |  On  |
          |---------+-----------+----------+------+------+------+------|
          | 433MHz  |   66MHz   |   6.5x   |  On  | Off  | Off  |  On  |
          +------------------------------------------------------------+
       
          +------------------------------------------------------------+
          |            CPU SPEED SELECTION (CELERON, CON'T)            |
          |------------------------------------------------------------|
          |CPU speed|Clock speed|Multiplier|SW2/1 |SW2/2 |SW2/3 |SW2/4 |
          |---------+-----------+----------+------+------+------+------|
          | 266MHz  |   66MHz   |    4x    |  On  |  On  | Off  |  On  |
          |---------+-----------+----------+------+------+------+------|
          | 300MHz  |   66MHz   |   4.5x   | Off  |  On  | Off  |  On  |
          |---------+-----------+----------+------+------+------+------|
          | 333MHz  |   66MHz   |    5x    |  On  | Off  | Off  |  On  |
          |---------+-----------+----------+------+------+------+------|
          | 366MHz  |   66MHz   |   5.5x   | Off  | Off  | Off  |  On  |
          |---------+-----------+----------+------+------+------+------|
          | 400MHz  |   66MHz   |    6x    |  On  |  On  |  On  | Off  |
          |---------+-----------+----------+------+------+------+------|
          | 433MHz  |   66MHz   |   6.5x   | Off  |  On  |  On  | Off  |
          +------------------------------------------------------------+
       
          +------------------------------------------------------------+
          |              CPU SPEED SELECTION (PENTIUM II)              |
          |------------------------------------------------------------|
          |CPU speed|Clock speed|Multiplier|SW1/1 |SW1/2 |SW1/3 |SW1/4 |
          |---------+-----------+----------+------+------+------+------|
          | 266MHz  |   66MHz   |    4x    |  On  | Off  | Off  |  On  |
          |---------+-----------+----------+------+------+------+------|
          | 300MHz  |   66MHz   |   4.5x   |  On  | Off  | Off  |  On  |
          |---------+-----------+----------+------+------+------+------|
          | 333MHz  |   66MHz   |    5x    |  On  | Off  | Off  |  On  |
          |---------+-----------+----------+------+------+------+------|
          | 366MHz  |   66MHz   |   5.5x   |  On  | Off  | Off  |  On  |
          |---------+-----------+----------+------+------+------+------|
          | 400MHz  |   66MHz   |    6x    |  On  | Off  | Off  |  On  |
          |---------+-----------+----------+------+------+------+------|
          | 433MHz  |   66MHz   |   6.5x   |  On  | Off  | Off  |  On  |
          |---------+-----------+----------+------+------+------+------|
          | 350MHz  |  100MHz   |   3.5x   | Off  | Off  | Off  | Off  |
          |---------+-----------+----------+------+------+------+------|
          | 400MHz  |  100MHz   |    4x    | Off  | Off  | Off  | Off  |
          |---------+-----------+----------+------+------+------+------|
          | 450MHz  |  100MHz   |   4.5x   | Off  | Off  | Off  | Off  |
          |---------+-----------+----------+------+------+------+------|
          | 500MHz  |  100MHz   |    5x    | Off  | Off  | Off  | Off  |
          |---------+-----------+----------+------+------+------+------|
          | 550MHz  |  100MHz   |   5.5x   | Off  | Off  | Off  | Off  |
          |---------+-----------+----------+------+------+------+------|
          | 600MHz  |  100MHz   |    6x    | Off  | Off  | Off  | Off  |
          |---------+-----------+----------+------+------+------+------|
          | 650MHz  |  100MHz   |   6.5x   | Off  | Off  | Off  | Off  |
          +------------------------------------------------------------+
       
          +------------------------------------------------------------+
          |          CPU SPEED SELECTION (PENTIUM II, CON'T)           |
          |------------------------------------------------------------|
          |CPU speed|Clock speed|Multiplier|SW2/1 |SW2/2 |SW2/3 |SW2/4 |
          |---------+-----------+----------+------+------+------+------|
          | 266MHz  |   66MHz   |    4x    |  On  |  On  | Off  |  On  |
          |---------+-----------+----------+------+------+------+------|
          | 300MHz  |   66MHz   |   4.5x   | Off  |  On  | Off  |  On  |
          |---------+-----------+----------+------+------+------+------|
          | 333MHz  |   66MHz   |    5x    |  On  | Off  | Off  |  On  |
          |---------+-----------+----------+------+------+------+------|
          | 366MHz  |   66MHz   |   5.5x   | Off  | Off  | Off  |  On  |
          |---------+-----------+----------+------+------+------+------|
          | 400MHz  |   66MHz   |    6x    |  On  |  On  |  On  | Off  |
          |---------+-----------+----------+------+------+------+------|
          | 433MHz  |   66MHz   |   6.5x   | Off  |  On  |  On  | Off  |
          |---------+-----------+----------+------+------+------+------|
          | 350MHz  |  100MHz   |   3.5x   | Off  | Off  |  On  |  On  |
          |---------+-----------+----------+------+------+------+------|
          | 400MHz  |  100MHz   |    4x    |  On  |  On  | Off  |  On  |
          |---------+-----------+----------+------+------+------+------|
          | 450MHz  |  100MHz   |   4.5x   | Off  |  On  | Off  |  On  |
          |---------+-----------+----------+------+------+------+------|
          | 500MHz  |  100MHz   |    5x    |  On  | Off  | Off  |  On  |
          |---------+-----------+----------+------+------+------+------|
          | 550MHz  |  100MHz   |   5.5x   | Off  | Off  | Off  |  On  |
          |---------+-----------+----------+------+------+------+------|
          | 600MHz  |  100MHz   |    6x    |  On  |  On  |  On  | Off  |
          |---------+-----------+----------+------+------+------+------|
          | 650MHz  |  100MHz   |   6.5x   | Off  |  On  |  On  | Off  |
          +------------------------------------------------------------+