URI: 
  TEXT View Source
       
       # INTEL CORPORATION
       
          NP430HX
       
          Processor        Pentium                                       
          Processor Speed  75/90/100/120/133/150/166/200MHz              
          Chip Set         Intel                                         
          Video Chip Set   ATI                                           
          Maximum Onboard  192MB (EDO supported)                         
          Memory           
          Maximum Video    2MB                                           
          Memory           
          Cache            256/512KB                                     
          BIOS             AMI/Intel                                     
          Dimensions       304mm x 243mm                                 
          I/O Options      32-bit PCI slots (3), Ethernet 10BaseT        
                           connector, floppy drive interface, green PC   
                           connector, IDE interfaces (2), parallel port, 
                           PS/2 mouse port, serial ports (2), VESA       
                           feature connector, VGA port, IR connector,    
                           USB connectors (2), soft off power supply,    
                           wavetable connector, telephony connector,     
                           audio out connector, microphone in connector, 
                           CD-ROM connector                              
          NPU Options      None                                          
       
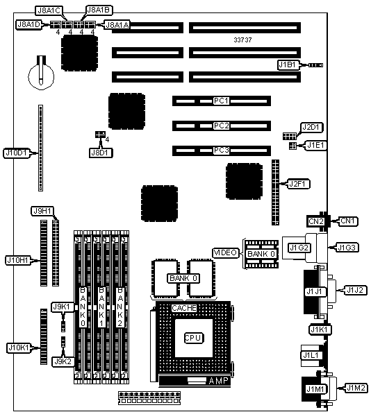
   IMG IMG 1
          
       
          +------------------------------------------------------------+
          |                        CONNECTIONS                         |
          |------------------------------------------------------------|
          | Purpose            | Location | Purpose       |  Location  |
          |--------------------+----------+---------------+------------|
          | Microphone in      |   CN1    | IDE interface |    J9H1    |
          | connector          |          | 1             |            |
          |--------------------+----------+---------------+------------|
          | Audio out          |   CN2    | Chassis fan   |    J9K1    |
          | connector          |          | power         |            |
          |--------------------+----------+---------------+------------|
          | CD-ROM connector   |   J1B1   | Chassis fan   |    J9K2    |
          |                    |          | power         |            |
          |--------------------+----------+---------------+------------|
          | Telephony          |   J1E1   | Front panel   | J10D1 pins |
          | connector          |          | power switch  |   1 & 2    |
          |--------------------+----------+---------------+------------|
          | USB connector 1    |   J1G2   | Green PC      | J10D1 pins |
          |                    |          | connector     |   3 & 4    |
          |--------------------+----------+---------------+------------|
          | USB connector 2    |   J1G3   | IR connector  | J10D1 pins |
          |                    |          |               |   6 - 11   |
          |--------------------+----------+---------------+------------|
          | Parallel port      |   J1J1   | IDE interface | J10D1 pins |
          |                    |          | LED           |  13 - 16   |
          |--------------------+----------+---------------+------------|
          | VGA port           |   J1J2   | Green PC LED  | J10D1 pins |
          |                    |          |               |  18 - 21   |
          |--------------------+----------+---------------+------------|
          | Ethernet 10BaseT   |   J1K1   | Reset switch  | J10D1 pins |
          | connector          |          |               |  22 & 23   |
          |--------------------+----------+---------------+------------|
          | PS/2 mouse port    |   J1L1   | Speaker       | J10D1 pins |
          |                    |          |               |  24 - 27   |
          |--------------------+----------+---------------+------------|
          | Serial port 1      |   J1M1   | IDE interface |   J10H1    |
          |                    |          | 2             |            |
          |--------------------+----------+---------------+------------|
          | Serial port 2      |   J1M2   | Floppy drive  |   J10K1    |
          |                    |          | interface     |            |
          |--------------------+----------+---------------+------------|
          | Wavetable          |   J2D1   | 32-bit PCI    | PC1 - PC3  |
          | connector          |          | slots         |            |
          |--------------------+----------+---------------+------------|
          | VESA feature       |   J2F1   |               |            |
          | connector          |          |               |            |
          +------------------------------------------------------------+
       
          +------------------------------------------------------------+
          |                 USER CONFIGURABLE SETTINGS                 |
          |------------------------------------------------------------|
          |             Function             | Label |    Position     |
          |----------------------------------+-------+-----------------|
          | » | Password enabled             | J8A1A |   Pins 1 & 2    |
          |   |                              |       |     closed      |
          |---+------------------------------+-------+-----------------|
          |   | Password disabled            | J8A1A |   Pins 2 & 3    |
          |   |                              |       |     closed      |
          |---+------------------------------+-------+-----------------|
          | » | CMOS memory normal operation | J8A1A |   Pins 4 & 5    |
          |   |                              |       |     closed      |
          |---+------------------------------+-------+-----------------|
          |   | CMOS memory clear            | J8A1A |   Pins 5 & 6    |
          |   |                              |       |     closed      |
          |---+------------------------------+-------+-----------------|
          | » | Setup access enabled         | J8A1B |   Pins 1 & 2    |
          |   |                              |       |     closed      |
          |---+------------------------------+-------+-----------------|
          |   | Setup access disabled        | J8A1B |   Pins 2 & 3    |
          |   |                              |       |     closed      |
          +------------------------------------------------------------+
       
          +------------------------------------------------------------+
          |                     DRAM CONFIGURATION                     |
          |------------------------------------------------------------|
          |    Size    |    Bank 0     |    Bank 1     |    Bank 2     |
          |------------+---------------+---------------+---------------|
          |    4MB     | (2) 512K x 36 |     None      |     None      |
          |------------+---------------+---------------+---------------|
          |    8MB     | (2) 512K x 36 | (2) 512K x 36 |     None      |
          |------------+---------------+---------------+---------------|
          |    12MB    | (2) 512K x 36 |  (2) 1M x 36  |     None      |
          |------------+---------------+---------------+---------------|
          |    16MB    |  (2) 1M x 36  |  (2) 1M x 36  |     None      |
          |------------+---------------+---------------+---------------|
          |    16MB    |  (2) 2M x 36  |     None      |     None      |
          |------------+---------------+---------------+---------------|
          |    20MB    |  (2) 1M x 36  |  (2) 1M x 36  | (2) 512K x 36 |
          |------------+---------------+---------------+---------------|
          |    20MB    |  (2) 2M x 36  | (2) 512K x 36 |     None      |
          |------------+---------------+---------------+---------------|
          |    24MB    |  (2) 2M x 36  |  (2) 1M x 36  |     None      |
          |------------+---------------+---------------+---------------|
          |    24MB    |  (2) 1M x 36  |  (2) 1M x 36  |  (2) 1M x 36  |
          |------------+---------------+---------------+---------------|
          |    28MB    |  (2) 2M x 36  |  (2) 1M x 36  | (2) 512K x 36 |
          |------------+---------------+---------------+---------------|
          |    32MB    |  (2) 4M x 36  |     None      |     None      |
          |------------+---------------+---------------+---------------|
          |    32MB    |  (2) 2M x 36  |  (2) 2M x 36  |     None      |
          |------------+---------------+---------------+---------------|
          |    40MB    |  (2) 4M x 36  |  (2) 1M x 36  |     None      |
          |------------+---------------+---------------+---------------|
          |    40MB    |  (2) 4M x 36  | (2) 512K x 36 | (2) 512K x 36 |
          |------------+---------------+---------------+---------------|
          |    44MB    |  (2) 4M x 36  |  (2) 1M x 36  | (2) 512K x 36 |
          |------------+---------------+---------------+---------------|
          |    48MB    |  (2) 4M x 36  |  (2) 2M x 36  |     None      |
          +------------------------------------------------------------+
       
          +------------------------------------------------------------+
          |                 DRAM CONFIGURATION (CON’T)                 |
          |------------------------------------------------------------|
          |   Size   |     Bank 0     |     Bank 1     |    Bank 2     |
          |----------+----------------+----------------+---------------|
          |   48MB   |  (2) 4M x 36   |  (2) 1M x 36   |  (2) 1M x 36  |
          |----------+----------------+----------------+---------------|
          |   52MB   |  (2) 4M x 36   |  (2) 2M x 36   | (2) 512K x 36 |
          |----------+----------------+----------------+---------------|
          |   56MB   |  (2) 4M x 36   |  (2) 2M x 36   |  (2) 1M x 36  |
          |----------+----------------+----------------+---------------|
          |   64MB   |  (2) 8M x 36   |      None      |     None      |
          |----------+----------------+----------------+---------------|
          |   64MB   |  (2) 4M x 36   |  (2) 4M x 36   |     None      |
          |----------+----------------+----------------+---------------|
          |   68MB   |  (2) 8M x 36   | (2) 512K x 36  |     None      |
          |----------+----------------+----------------+---------------|
          |   68MB   |  (2) 4M x 36   |  (2) 4M x 36   | (2) 512K x 36 |
          |----------+----------------+----------------+---------------|
          |   72MB   |  (2) 8M x 36   | (2) 512K x 36  | (2) 512K x 36 |
          |----------+----------------+----------------+---------------|
          |   76MB   |  (2) 8M x 36   | (2) 512K x 36  |  (2) 1M x 36  |
          |----------+----------------+----------------+---------------|
          |   80MB   |  (2) 8M x 36   |  (2) 2M x 36   |     None      |
          |----------+----------------+----------------+---------------|
          |   80MB   |  (2) 8M x 36   |  (2) 1M x 36   |  (2) 1M x 36  |
          |----------+----------------+----------------+---------------|
          |   84MB   |  (2) 8M x 36   |  (2) 2M x 36   | (2) 512K x 36 |
          |----------+----------------+----------------+---------------|
          |   88MB   |  (2) 8M x 36   |  (2) 2M x 36   |  (2) 1M x 36  |
          |----------+----------------+----------------+---------------|
          |   96MB   |  (2) 8M x 36   |  (2) 4M x 36   |     None      |
          |----------+----------------+----------------+---------------|
          |   96MB   |  (2) 4M x 36   |  (2) 4M x 36   |  (2) 4M x 36  |
          |----------+----------------+----------------+---------------|
          |   96MB   |  (2) 8M x 36   |  (2) 2M x 36   |  (2) 2M x 36  |
          |----------+----------------+----------------+---------------|
          |  100MB   |  (2) 8M x 36   |  (2) 4M x 36   | (2) 512K x 36 |
          |----------+----------------+----------------+---------------|
          |  104MB   |  (2) 8M x 36   |  (2) 4M x 36   |  (2) 1M x 36  |
          |----------+----------------+----------------+---------------|
          |  112MB   |  (2) 8M x 36   |  (2) 4M x 36   |  (2) 2M x 36  |
          |----------+----------------+----------------+---------------|
          |  128MB   |  (2) 8M x 36   |  (2) 4M x 36   |  (2) 4M x 36  |
          |----------+----------------+----------------+---------------|
          |  128MB   |  (2) 8M x 36   |  (2) 8M x 36   |     None      |
          |----------+----------------+----------------+---------------|
          |  132MB   |  (2) 8M x 36   |  (2) 8M x 36   | (2) 512K x 36 |
          |----------+----------------+----------------+---------------|
          |  136MB   |  (2) 8M x 36   |  (2) 8M x 36   |  (2) 1M x 36  |
          |----------+----------------+----------------+---------------|
          |  192MB   |  (2) 8M x 36   |  (2) 8M x 36   |  (2) 8M x 36  |
          |------------------------------------------------------------|
          | Note: Board accepts EDO memory. Board also accepts x 32    |
          | SIMMs.                                                     |
          +------------------------------------------------------------+
       
          +------------------------------------------------------------+
          |                    CACHE CONFIGURATION                     |
          |------------------------------------------------------------|
          |    Size     |          Bank 0          |        TAG        |
          |-------------+--------------------------+-------------------|
          |    256KB    |       (2) 32K x 32       |    (1) 8K x 8     |
          |-------------+--------------------------+-------------------|
          |    512KB    |       (2) 64K x 32       |    (1) 32K x 8    |
          |------------------------------------------------------------|
          | Note: Board will either have 256KB or 512KB cache          |
          | installed. The location of the TAG is unidentified.        |
          +------------------------------------------------------------+
       
          +------------------------------------------------------------+
          |                 VIDEO MEMORY CONFIGURATION                 |
          |------------------------------------------------------------|
          |       Size        |       Bank 0       |      Bank 1       |
          |-------------------+--------------------+-------------------|
          |        1MB        |        1MB         |       None        |
          |-------------------+--------------------+-------------------|
          |        2MB        |        1MB         |        1MB        |
          |------------------------------------------------------------|
          | Note: The size of the video memory chips are unidentified. |
          +------------------------------------------------------------+
       
          +------------------------------------------------------------+
          |                    CPU SPEED SELECTION                     |
          |------------------------------------------------------------|
          | CPU speed  |  Clock   | Multiplier |   J8A1C    |  J8A1D   |
          |            |  speed   |            |            |          |
          |------------+----------+------------+------------+----------|
          |   75MHz    |  50MHz   |    1.5x    | 2 & 3, 5 & | 1 & 2, 4 |
          |            |          |            |     6      |   & 5    |
          |------------+----------+------------+------------+----------|
          |   90MHz    |  60MHz   |    1.5x    | 2 & 3, 4 & | 1 & 2, 4 |
          |            |          |            |     5      |   & 5    |
          |------------+----------+------------+------------+----------|
          |   100MHz   |  66MHz   |    1.5x    | 1 & 2, 5 & | 1 & 2, 4 |
          |            |          |            |     6      |   & 5    |
          |------------+----------+------------+------------+----------|
          |   120MHz   |  60MHz   |     2x     | 2 & 3, 4 & | 2 & 3, 4 |
          |            |          |            |     5      |   & 5    |
          |------------+----------+------------+------------+----------|
          |   133MHz   |  66MHz   |     2x     | 1 & 2, 5 & | 2 & 3, 4 |
          |            |          |            |     6      |   & 5    |
          |------------+----------+------------+------------+----------|
          |   150MHz   |  60MHz   |    2.5x    | 2 & 3, 5 & | 1 & 2, 5 |
          |            |          |            |     6      |   & 6    |
          |------------+----------+------------+------------+----------|
          |   166MHz   |  66MHz   |    2.5x    | 1 & 2, 5 & | 2 & 3, 5 |
          |            |          |            |     6      |   & 6    |
          |------------+----------+------------+------------+----------|
          |   200MHz   |  66MHz   |     3x     | 1 & 2, 5 & | 1 & 2, 5 |
          |            |          |            |     6      |   & 6    |
          |------------------------------------------------------------|
          | Note: Pins designated should be in the closed position.    |
          +------------------------------------------------------------+
       
          +------------------------------------------------------------+
          |                     CPU TYPE SELECTION                     |
          |------------------------------------------------------------|
          |             Type             |            J8D1             |
          |------------------------------+-----------------------------|
          |   |      VR or standard      |      Pins 4 & 5 closed      |
          |---+--------------------------+-----------------------------|
          | » |           VRE            |      Pins 5 & 6 closed      |
          +------------------------------------------------------------+