URI: 
  TEXT View Source
       
       # INTEL CORPORATION
       
          VS440FX
       
          Processor        Pentium Pro                                   
          Processor Speed  150/166/180/200MHz                            
          Chip Set         Intel                                         
          Video Chip Set   None                                          
          Maximum Onboard  256MB (EDO supported)                         
          Memory           
          Maximum Video    None                                          
          Memory           
          Cache            256/512KB (located on Pentium Pro CPU)        
          BIOS             Intel                                         
          Dimensions       305mm x 244mm                                 
          I/O Options      32-bit PCI slots (4), CD-ROM interface,       
                           floppy drive interface, green PC connector,   
                           IDE interfaces (2), parallel port, PS/2 mouse 
                           port, serial ports (2), IR connector,         
                           wavetable connector, telephony connector,     
                           audio out connector, microphone in connector, 
                           audio in connector, MIDI/game port            
          NPU Options      None                                          
       
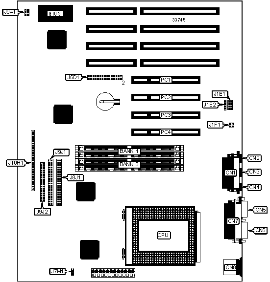
   IMG IMG 1
          
       
          +------------------------------------------------------------+
          |                        CONNECTIONS                         |
          |------------------------------------------------------------|
          | Purpose          | Location | Purpose         |  Location  |
          |------------------+----------+-----------------+------------|
          | MIDI/game port   |   CN1    | IDE interface 1 |    J8J1    |
          |------------------+----------+-----------------+------------|
          | Microphone in    |   CN2    | Chassis fan     |    J9A1    |
          | connector        |          | power           |            |
          |------------------+----------+-----------------+------------|
          | Audio in         |   CN3    | IDE interface 2 |    J9J1    |
          | connector        |          |                 |            |
          |------------------+----------+-----------------+------------|
          | Audio out        |   CN4    | Floppy drive    |    J9J2    |
          | connector        |          | interface       |            |
          |------------------+----------+-----------------+------------|
          | Serial port 1    |   CN5    | Front panel     | J10H1 pins |
          |                  |          | power switch    |   1 & 2    |
          |------------------+----------+-----------------+------------|
          | Serial port 2    |   CN6    | Green PC        | J10H1 pins |
          |                  |          | connector       |   3 & 4    |
          |------------------+----------+-----------------+------------|
          | Parallel port    |   CN7    | IR connector    | J10H1 pins |
          |                  |          |                 |   6 - 11   |
          |------------------+----------+-----------------+------------|
          | PS/2 mouse port  |   CN8    | IDE interface   | J10H1 pins |
          |                  |          | LED             |  13 - 16   |
          |------------------+----------+-----------------+------------|
          | Wavetable        |   J1E1   | Power LED       | J10H1 pins |
          | connector        |          |                 |  18 - 20   |
          |------------------+----------+-----------------+------------|
          | CD-ROM connector |   J1E2   | Reset switch    | J10H1 pins |
          |                  |          |                 |  22 - 23   |
          |------------------+----------+-----------------+------------|
          | Telephony        |   J1F1   | Speaker         | J10H1 pins |
          | connector        |          |                 |  24 - 27   |
          |------------------+----------+-----------------+------------|
          | Chassis fan      |   J7M1   | 32-bit PCI      | PC1 - PC4  |
          | power            |          | slots           |            |
          +------------------------------------------------------------+
       
          +------------------------------------------------------------+
          |                 USER CONFIGURABLE SETTINGS                 |
          |------------------------------------------------------------|
          |             Function             | Label |    Position     |
          |----------------------------------+-------+-----------------|
          | » | CMOS memory normal operation | J6D1  |  Pins 20 & 22   |
          |   |                              |       |     closed      |
          |---+------------------------------+-------+-----------------|
          |   | CMOS memory clear            | J6D1  |  Pins 18 & 20   |
          |   |                              |       |     closed      |
          |---+------------------------------+-------+-----------------|
          | » | Password enabled             | J6D1  |  Pins 27 & 29   |
          |   |                              |       |     closed      |
          |---+------------------------------+-------+-----------------|
          |   | Password disabled            | J6D1  |  Pins 25 & 27   |
          |   |                              |       |     closed      |
          |---+------------------------------+-------+-----------------|
          | » | Setup access enabled         | J6D1  |  Pins 28 & 30   |
          |   |                              |       |     closed      |
          |---+------------------------------+-------+-----------------|
          |   | Setup access disabled        | J6D1  |  Pins 26 & 28   |
          |   |                              |       |     closed      |
          |---+------------------------------+-------+-----------------|
          | » | Flash BIOS normal operation  | J6D1  |   Pins 4 & 6    |
          |   |                              |       |     closed      |
          |---+------------------------------+-------+-----------------|
          |   | Flash BIOS recovery mode     | J6D1  |   Pins 2 & 4    |
          |   |                              |       |     closed      |
          +------------------------------------------------------------+
       
          +------------------------------------------------------------+
          |                     DRAM CONFIGURATION                     |
          |------------------------------------------------------------|
          |       Size       |       Bank 0       |       Bank 1       |
          |------------------+--------------------+--------------------|
          |       8MB        |    (2) 1M x 36     |        None        |
          |------------------+--------------------+--------------------|
          |       16MB       |    (2) 2M x 36     |        None        |
          |------------------+--------------------+--------------------|
          |       16MB       |    (2) 1M x 36     |    (2) 1M x 36     |
          |------------------+--------------------+--------------------|
          |       24MB       |    (2) 2M x 36     |    (2) 1M x 36     |
          |------------------+--------------------+--------------------|
          |       32MB       |    (2) 4M x 36     |        None        |
          |------------------+--------------------+--------------------|
          |       32MB       |    (2) 2M x 36     |    (2) 2M x 36     |
          |------------------+--------------------+--------------------|
          |       40MB       |    (2) 1M x 36     |    (2) 4M x 36     |
          |------------------+--------------------+--------------------|
          |       48MB       |    (2) 4M x 36     |    (2) 2M x 36     |
          |------------------+--------------------+--------------------|
          |       64MB       |    (2) 8M x 36     |        None        |
          |------------------+--------------------+--------------------|
          |       64MB       |    (2) 4M x 36     |    (2) 4M x 36     |
          |------------------+--------------------+--------------------|
          |       72MB       |    (2) 8M x 36     |    (2) 1M x 36     |
          |------------------+--------------------+--------------------|
          |       80MB       |    (2) 8M x 36     |    (2) 2M x 36     |
          |------------------+--------------------+--------------------|
          |       96MB       |    (2) 8M x 36     |    (2) 4M x 36     |
          |------------------+--------------------+--------------------|
          |      128MB       |    (2) 16M x 36    |        None        |
          |------------------+--------------------+--------------------|
          |      128MB       |    (2) 8M x 36     |    (2) 8M x 36     |
          |------------------+--------------------+--------------------|
          |      136MB       |    (2) 16M x 36    |    (2) 1M x 36     |
          +------------------------------------------------------------+
       
          +------------------------------------------------------------+
          |                 DRAM CONFIGURATION (CON’T)                 |
          |------------------------------------------------------------|
          |     Size     |         Bank 0         |       Bank 1       |
          |--------------+------------------------+--------------------|
          |    144MB     |      (2) 16M x 36      |    (2) 2M x 36     |
          |--------------+------------------------+--------------------|
          |    160MB     |      (2) 16M x 36      |    (2) 4M x 36     |
          |--------------+------------------------+--------------------|
          |    192MB     |      (2) 16M x 36      |    (2) 8M x 36     |
          |--------------+------------------------+--------------------|
          |    256MB     |      (2) 16M x 36      |    (2) 16M x 36    |
          |------------------------------------------------------------|
          | Note: Board accepts EDO memory. Board also accepts x 32    |
          | SIMMs. Banks are interchangeable.                          |
          +------------------------------------------------------------+
       
          +------------------------------------------------------------+
          |                    CACHE CONFIGURATION                     |
          |------------------------------------------------------------|
          | Note: 256KB or 512KB cache is located on the Pentium Pro   |
          | CPU.                                                       |
          +------------------------------------------------------------+
       
          +------------------------------------------------------------+
          |                    CPU SPEED SELECTION                     |
          |------------------------------------------------------------|
          | CPU speed | Clock speed | Multiplier |        J6D1         |
          |-----------+-------------+------------+---------------------|
          |  150MHz   |    60MHz    |    2.5x    |  10 & 12, 11 & 13,  |
          |           |             |            |       17 & 19       |
          |-----------+-------------+------------+---------------------|
          |  166MHz   |    66MHz    |    2.5x    |  10 & 12, 11 & 13,  |
          |           |             |            |       19 & 21       |
          |-----------+-------------+------------+---------------------|
          |  180MHz   |    60MHz    |     3x     | 9 & 11, 12 & 14, 17 |
          |           |             |            |        & 19         |
          |-----------+-------------+------------+---------------------|
          |  200MHz   |    66MHz    |     3x     | 9 & 11, 12 & 14, 19 |
          |           |             |            |        & 21         |
          |------------------------------------------------------------|
          | Note: Pins designated should be in the closed position.    |
          +------------------------------------------------------------+