URI: 
  TEXT View Source
       
       # IWILL CORPORATION
       
          DPIILS2
       
          Device Type      Mainboard                                     
          Processor        Pentium II                                    
          Processor Speed  233/266/300/333MHz                            
          Chip Set         Intel                                         
          Video Chip Set   None                                          
          Maximum Onboard  1GB (EDO & SDRAM supported)                   
          Memory           
          Maximum Video    None                                          
          Memory           
          Cache            256/512KB (located on Pentium II CPU)         
          BIOS             Award                                         
          Dimensions       305mm x 265mm                                 
          I/O Options      32-bit PCI slots (4), floppy drive interface, 
                           IDE interfaces (2), SCSI interface, Wide      
                           Ultra SCSI interfaces (2), parallel port,     
                           PS/2 mouse port, serial ports (2), IR         
                           connector, USB connectors (2), ATX power      
                           connector, AGP slot, RAID slot                
          NPU Options      None                                          
       
   IMG IMG 1
          
       
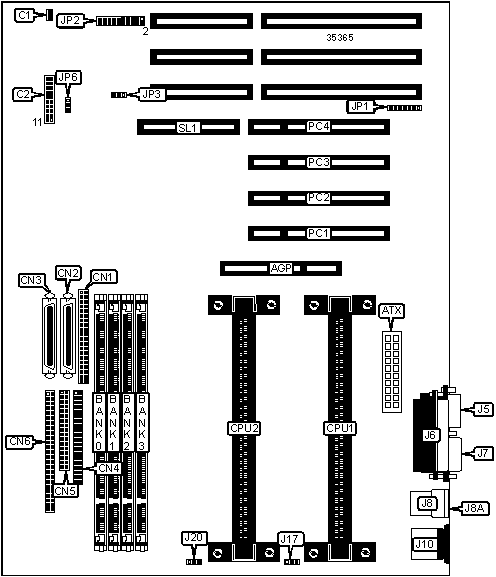
          +------------------------------------------------------------+
          |                        CONNECTIONS                         |
          |------------------------------------------------------------|
          | Purpose         |  Location  | Purpose         | Location  |
          |-----------------+------------+-----------------+-----------|
          | AGP slot        |    AGP     | SCSI interface  |    CN6    |
          |-----------------+------------+-----------------+-----------|
          | ATX power       |    ATX     | Serial port 2   |    J5     |
          | connector       |            |                 |           |
          |-----------------+------------+-----------------+-----------|
          | Soft off power  |     C1     | Parallel port   |    J6     |
          | supply          |            |                 |           |
          |-----------------+------------+-----------------+-----------|
          | IDE interface   | C2/pins 5  | Serial port 1   |    J7     |
          | LED             |    & 6     |                 |           |
          |-----------------+------------+-----------------+-----------|
          | SCSI interface  | C2/pins 7  | USB connector 2 |    J8     |
          | LED             |    & 8     |                 |           |
          |-----------------+------------+-----------------+-----------|
          | Reset switch    | C2/pins 9  | USB connector 1 |    J8A    |
          |                 |    & 10    |                 |           |
          |-----------------+------------+-----------------+-----------|
          | Power LED &     | C2/pins 11 | PS/2 mouse port |    J10    |
          | keylock         |    – 15    |                 |           |
          |-----------------+------------+-----------------+-----------|
          | Speaker         | C2/pins 17 | CPU fan power   |    J17    |
          |                 |    - 20    |                 |           |
          |-----------------+------------+-----------------+-----------|
          | IDE interface 1 |    CN1     | Power fan       |    J20    |
          |-----------------+------------+-----------------+-----------|
          | Ultra Wide SCSI |    CN2     | IR connector    |    JP1    |
          | interface       |            |                 |           |
          |-----------------+------------+-----------------+-----------|
          | Ultra Wide SCSI |    CN3     | 32-bit PCI      | PC1 – PC4 |
          | interface       |            | slots           |           |
          |-----------------+------------+-----------------+-----------|
          | IDE interface 2 |    CN4     | RAID slot       |    SL1    |
          |-----------------+------------+-----------------+-----------|
          | Floppy drive    |    CN5     |                 |           |
          | interface       |            |                 |           |
          +------------------------------------------------------------+
       
          +------------------------------------------------------------+
          |                 USER CONFIGURABLE SETTINGS                 |
          |------------------------------------------------------------|
          |             Function             | Label |    Position     |
          |----------------------------------+-------+-----------------|
          | » | CMOS memory normal operation |  JP3  |   Pins 1 & 2    |
          |   |                              |       |     closed      |
          |---+------------------------------+-------+-----------------|
          |   | CMOS memory clear            |  JP3  |   Pins 2 & 3    |
          |   |                              |       |     closed      |
          |---+------------------------------+-------+-----------------|
          |   | SCSI enabled                 |  JP6  |   Pins 1 & 2    |
          |   |                              |       |     closed      |
          |---+------------------------------+-------+-----------------|
          |   | SCSI disabled                |  JP6  |   Pins 2 & 3    |
          |   |                              |       |     closed      |
          +------------------------------------------------------------+
       
          +------------------------------------------------------------+
          |                     DIMM CONFIGURATION                     |
          |------------------------------------------------------------|
          | Size |   Bank 0    |   Bank 1    |   Bank 2   |   Bank 3   |
          |------+-------------+-------------+------------+------------|
          | 8MB  | (1) 1M x 64 |    None     |    None    |    None    |
          |------+-------------+-------------+------------+------------|
          | 16MB | (1) 2M x 64 |    None     |    None    |    None    |
          |------+-------------+-------------+------------+------------|
          | 16MB | (1) 1M x 64 | (1) 1M x 64 |    None    |    None    |
          |------+-------------+-------------+------------+------------|
          | 24MB | (1) 2M x 64 | (1) 1M x 64 |    None    |    None    |
          |------+-------------+-------------+------------+------------|
          | 24MB | (1) 1M x 64 | (1) 1M x 64 |  (1) 1M x  |    None    |
          |      |             |             |     64     |            |
          |------+-------------+-------------+------------+------------|
          | 32MB | (1) 4M x 64 |    None     |    None    |    None    |
          |------+-------------+-------------+------------+------------|
          | 32MB | (1) 2M x 64 | (1) 2M x 64 |    None    |    None    |
          |------+-------------+-------------+------------+------------|
          | 32MB | (1) 1M x 64 | (1) 1M x 64 |  (1) 1M x  |  (1) 1M x  |
          |      |             |             |     64     |     64     |
          |------+-------------+-------------+------------+------------|
          | 40MB | (1) 4M x 64 | (1) 1M x 64 |    None    |    None    |
          |------+-------------+-------------+------------+------------|
          | 48MB | (1) 4M x 64 | (1) 2M x 64 |    None    |    None    |
          |------+-------------+-------------+------------+------------|
          | 48MB | (1) 2M x 64 | (1) 2M x 64 |  (1) 2M x  |    None    |
          |      |             |             |     64     |            |
          |------+-------------+-------------+------------+------------|
          | 64MB | (1) 2M x 64 | (1) 2M x 64 |  (1) 2M x  |  (1) 2M x  |
          |      |             |             |     64     |     64     |
          |------+-------------+-------------+------------+------------|
          | 64MB | (1) 8M x 64 |    None     |    None    |    None    |
          |------+-------------+-------------+------------+------------|
          | 64MB | (1) 4M x 64 | (1) 4M x 64 |    None    |    None    |
          |------+-------------+-------------+------------+------------|
          | 72MB | (1) 8M x 64 | (1) 1M x 64 |    None    |    None    |
          +------------------------------------------------------------+
       
          +------------------------------------------------------------+
          |                 DIMM CONFIGURATION (CON’T)                 |
          |------------------------------------------------------------|
          |   Size   |   Bank 0   |   Bank 1   |  Bank 2   |  Bank 3   |
          |----------+------------+------------+-----------+-----------|
          |   80MB   |  (1) 8M x  |  (1) 2M x  |   None    |   None    |
          |          |     64     |     64     |           |           |
          |----------+------------+------------+-----------+-----------|
          |   96MB   |  (1) 8M x  |  (1) 4M x  |   None    |   None    |
          |          |     64     |     64     |           |           |
          |----------+------------+------------+-----------+-----------|
          |   96MB   |  (1) 4M x  |  (1) 4M x  | (1) 4M x  |   None    |
          |          |     64     |     64     |    64     |           |
          |----------+------------+------------+-----------+-----------|
          |  128MB   | (1) 16M x  |    None    |   None    |   None    |
          |          |     64     |            |           |           |
          |----------+------------+------------+-----------+-----------|
          |  128MB   |  (1) 8M x  |  (1) 8M x  |   None    |   None    |
          |          |     64     |     64     |           |           |
          |----------+------------+------------+-----------+-----------|
          |  128MB   |  (1) 4M x  |  (1) 4M x  | (1) 4M x  | (1) 4M x  |
          |          |     64     |     64     |    64     |    64     |
          |----------+------------+------------+-----------+-----------|
          |  136MB   | (1) 16M x  |  (1) 1M x  |   None    |   None    |
          |          |     64     |     64     |           |           |
          |----------+------------+------------+-----------+-----------|
          |  144MB   | (1) 16M x  |  (1) 2M x  |   None    |   None    |
          |          |     64     |     64     |           |           |
          |----------+------------+------------+-----------+-----------|
          |  152MB   | (1) 16M x  |  (1) 1M x  | (1) 1M x  | (1) 1M x  |
          |          |     64     |     64     |    64     |    64     |
          |----------+------------+------------+-----------+-----------|
          |  160MB   | (1) 16M x  |  (1) 4M x  |   None    |   None    |
          |          |     64     |     64     |           |           |
          |----------+------------+------------+-----------+-----------|
          |  176MB   | (1) 16M x  |  (1) 2M x  | (1) 2M x  | (1) 2M x  |
          |          |     64     |     64     |    64     |    64     |
          |----------+------------+------------+-----------+-----------|
          |  192MB   | (1) 16M x  |  (1) 8M x  |   None    |   None    |
          |          |     64     |     64     |           |           |
          |----------+------------+------------+-----------+-----------|
          |  192MB   |  (1) 8M x  |  (1) 8M x  | (1) 8M x  |   None    |
          |          |     64     |     64     |    64     |           |
          |----------+------------+------------+-----------+-----------|
          |  224MB   | (1) 16M x  |  (1) 4M x  | (1) 4M x  | (1) 4M x  |
          |          |     64     |     64     |    64     |    64     |
          |----------+------------+------------+-----------+-----------|
          |  256MB   | (1) 32M x  |    None    |   None    |   None    |
          |          |     64     |            |           |           |
          |----------+------------+------------+-----------+-----------|
          |  256MB   | (1) 16M x  | (1) 16M x  |   None    |   None    |
          |          |     64     |     64     |           |           |
          |----------+------------+------------+-----------+-----------|
          |  256MB   |  (1) 8M x  |  (1) 8M x  | (1) 8M x  | (1) 8M x  |
          |          |     64     |     64     |    64     |    64     |
          |----------+------------+------------+-----------+-----------|
          |  272MB   | (1) 16M x  | (1) 16M x  | (1) 1M x  | (1) 1M x  |
          |          |     64     |     64     |    64     |    64     |
          |----------+------------+------------+-----------+-----------|
          |  280MB   | (1) 32M x  |  (1) 1M x  | (1) 1M x  | (1) 1M x  |
          |          |     64     |     64     |    64     |    64     |
          |----------+------------+------------+-----------+-----------|
          |  288MB   | (1) 16M x  | (1) 16M x  | (1) 2M x  | (1) 2M x  |
          |          |     64     |     64     |    64     |    64     |
          |----------+------------+------------+-----------+-----------|
          |  304MB   | (1) 32M x  |  (1) 2M x  | (1) 2M x  | (1) 2M x  |
          |          |     64     |     64     |    64     |    64     |
          |----------+------------+------------+-----------+-----------|
          |  320MB   | (1) 16M x  | (1) 16M x  | (1) 4M x  | (1) 4M x  |
          |          |     64     |     64     |    64     |    64     |
          |----------+------------+------------+-----------+-----------|
          |  320MB   | (1) 16M x  |  (1) 8M x  | (1) 8M x  | (1) 8M x  |
          |          |     64     |     64     |    64     |    64     |
          |----------+------------+------------+-----------+-----------|
          |  352MB   | (1) 32M x  |  (1) 4M x  | (1) 4M x  | (1) 4M x  |
          |          |     64     |     64     |    64     |    64     |
          |----------+------------+------------+-----------+-----------|
          |  384MB   | (1) 16M x  | (1) 16M x  | (1) 16M x |   None    |
          |          |     64     |     64     |    64     |           |
          |----------+------------+------------+-----------+-----------|
          |  448MB   | (1) 32M x  |  (1) 8M x  | (1) 8M x  | (1) 8M x  |
          |          |     64     |     64     |    64     |    64     |
          |----------+------------+------------+-----------+-----------|
          |  512MB   | (1) 32M x  | (1) 32M x  |   None    |   None    |
          |          |     64     |     64     |           |           |
          |----------+------------+------------+-----------+-----------|
          |  512MB   | (1) 16M x  | (1) 16M x  | (1) 16M x | (1) 16M x |
          |          |     64     |     64     |    64     |    64     |
          |----------+------------+------------+-----------+-----------|
          |  640MB   | (1) 32M x  | (1) 16M x  | (1) 16M x | (1) 16M x |
          |          |     64     |     64     |    64     |    64     |
          |----------+------------+------------+-----------+-----------|
          |  768MB   | (1) 32M x  | (1) 32M x  | (1) 32M x |   None    |
          |          |     64     |     64     |    64     |           |
          |----------+------------+------------+-----------+-----------|
          |  1024MB  | (1) 32M x  | (1) 32M x  | (1) 32M x | (1) 32M x |
          |          |     64     |     64     |    64     |    64     |
          |------------------------------------------------------------|
          |      Note: Board accepts EDO & SDRAM memory. Maximum SDRAM |
          |      is 512MB. Maximum EDO is 1GB.                         |
          +------------------------------------------------------------+
       
          +------------------------------------------------------------+
          |                    CACHE CONFIGURATION                     |
          |------------------------------------------------------------|
          | Note: 256KB/512KB cache is located on the Pentium II CPU.  |
          +------------------------------------------------------------+
       
          +------------------------------------------------------------+
          |                    CPU SPEED SELECTION                     |
          |------------------------------------------------------------|
          | CPU speed  | Clock speed  | Multiplier |        JP2        |
          |------------+--------------+------------+-------------------|
          |   233MHz   |    66MHz     |    3.5x    | Pins 1 & 2 closed |
          |------------+--------------+------------+-------------------|
          |   266MHz   |    66MHz     |     4x     | Pins 3 & 4 closed |
          |------------+--------------+------------+-------------------|
          |   300MHz   |    66MHz     |    4.5x    | Pins 5 & 6 closed |
          |------------+--------------+------------+-------------------|
          |   333MHz   |    66MHz     |     5x     | Pins 7 & 8 closed |
          +------------------------------------------------------------+