URI: 
  TEXT View Source
       
       # LUCKY STAR TECHNOLOGY CO., LTD.
       
          6ALX2
       
          Device Type      Mainboard                                     
          Processor        Pentium II                                    
          Processor Speed  200/233/266/300/333/366MHz                    
          Chip Set         Intel 440LX                                   
          Maximum Onboard  384MB (EDO & SDRAM supported)                 
          Memory           
          Cache            512KB (located on Pentium II CPU)             
          BIOS             Award                                         
          Dimensions       305mm x 190mm                                 
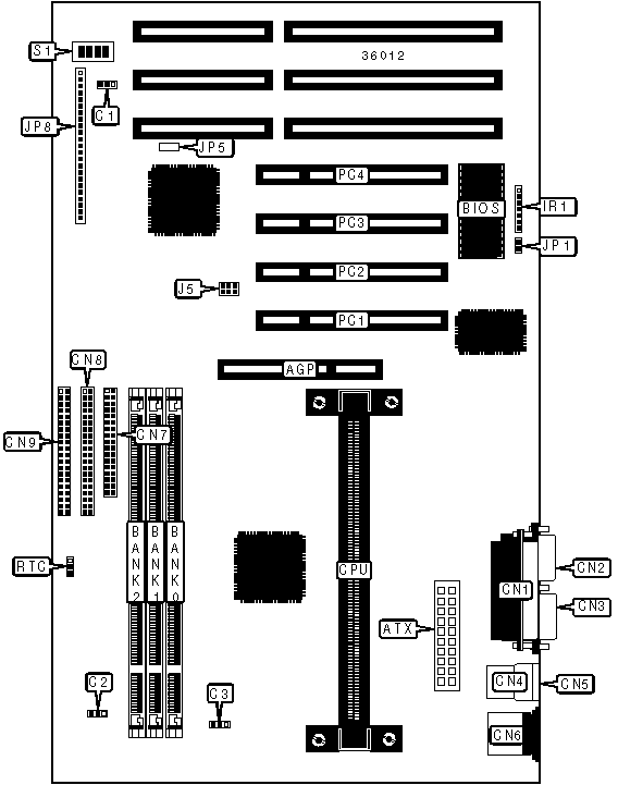
          I/O Options      32-bit PCI slots (4), floppy drive interface, 
                           green PC connector, IDE interfaces (2),       
                           parallel port, PS/2 mouse port, serial ports  
                           (2), IR connector, USB connectors (2), ATX    
                           power connector, AGP slot                     
       
   IMG IMG 1
          
       
          +------------------------------------------------------------+
          |                        CONNECTIONS                         |
          |------------------------------------------------------------|
          | Purpose          | Location | Purpose         |  Location  |
          |------------------+----------+-----------------+------------|
          | AGP slot         |   AGP    | IDE interface 1 |    CN9     |
          |------------------+----------+-----------------+------------|
          | ATX power        |   ATX    | IR connector    |    IR1     |
          | connector        |          |                 |            |
          |------------------+----------+-----------------+------------|
          | Chassis fan      |    C1    | SB-link         |     J5     |
          | power            |          | connector       |            |
          |------------------+----------+-----------------+------------|
          | Chassis fan      |    C2    | Auto sense fan  |    JP5     |
          | power            |          |                 |            |
          |------------------+----------+-----------------+------------|
          | Chassis fan      |    C3    | Power LED &     | JP8/pins 1 |
          | power            |          | keylock         |    - 5     |
          |------------------+----------+-----------------+------------|
          | Parallel port    |   CN1    | Speaker         | JP8/pins 7 |
          |                  |          |                 |    - 10    |
          |------------------+----------+-----------------+------------|
          | Serial port 2    |   CN2    | Reset switch    |  JP8/pins  |
          |                  |          |                 |  12 & 13   |
          |------------------+----------+-----------------+------------|
          | Serial port 1    |   CN3    | IDE interface   |  JP8/pins  |
          |                  |          | LED             |  15 & 16   |
          |------------------+----------+-----------------+------------|
          | USB connector 1  |   CN4    | Soft off power  |  JP8/pins  |
          |                  |          | supply          |  18 & 19   |
          |------------------+----------+-----------------+------------|
          | USB connector 2  |   CN5    | Green PC        |  JP8/pins  |
          |                  |          | connector       |  21 & 22   |
          |------------------+----------+-----------------+------------|
          | PS/2 mouse port  |   CN6    | Turbo LED       |  JP8/pins  |
          |                  |          |                 |  24 & 25   |
          |------------------+----------+-----------------+------------|
          | Floppy drive     |   CN7    | 32-bit PCI      | PC1 - PC4  |
          | interface        |          | slots           |            |
          |------------------+----------+-----------------+------------|
          | IDE interface 2  |   CN8    |                 |            |
          +------------------------------------------------------------+
       
          +------------------------------------------------------------+
          |                 USER CONFIGURABLE SETTINGS                 |
          |------------------------------------------------------------|
          |              Function               | Label |   Position   |
          |-------------------------------------+-------+--------------|
          | » | Factory configured - do not     |  JP1  | Unidentified |
          |   | alter                           |       |              |
          |---+---------------------------------+-------+--------------|
          | » | CMOS memory normal operation    |  RTC  |  Pins 1 & 2  |
          |   |                                 |       |    closed    |
          |---+---------------------------------+-------+--------------|
          |   | CMOS memory clear               |  RTC  |  Pins 2 & 3  |
          |   |                                 |       |    closed    |
          +------------------------------------------------------------+
       
          +------------------------------------------------------------+
          |                     DIMM CONFIGURATION                     |
          |------------------------------------------------------------|
          |    Size    |    Bank 0     |    Bank 1     |    Bank 2     |
          |------------+---------------+---------------+---------------|
          |    8MB     |  (1) 1M x 64  |     None      |     None      |
          |------------+---------------+---------------+---------------|
          |    16MB    |  (1) 2M x 64  |     None      |     None      |
          |------------+---------------+---------------+---------------|
          |    16MB    |  (1) 1M x 64  |  (1) 1M x 64  |     None      |
          |------------+---------------+---------------+---------------|
          |    24MB    |  (1) 2M x 64  |  (1) 1M x 64  |     None      |
          |------------+---------------+---------------+---------------|
          |    24MB    |  (1) 1M x 64  |  (1) 1M x 64  |  (1) 1M x 64  |
          |------------+---------------+---------------+---------------|
          |    32MB    |  (1) 4M x 64  |     None      |     None      |
          |------------+---------------+---------------+---------------|
          |    32MB    |  (1) 2M x 64  |  (1) 1M x 64  |  (1) 1M x 64  |
          |------------+---------------+---------------+---------------|
          |    32MB    |  (1) 2M x 64  |  (1) 2M x 64  |     None      |
          |------------+---------------+---------------+---------------|
          |    40MB    |  (1) 4M x 64  |  (1) 1M x 64  |     None      |
          |------------+---------------+---------------+---------------|
          |    40MB    |  (1) 2M x 64  |  (1) 2M x 64  |  (1) 1M x 64  |
          |------------+---------------+---------------+---------------|
          |    48MB    |  (1) 4M x 64  |  (1) 1M x 64  |  (1) 1M x 64  |
          |------------+---------------+---------------+---------------|
          |    48MB    |  (1) 4M x 64  |  (1) 2M x 64  |     None      |
          |------------+---------------+---------------+---------------|
          |    48MB    |  (1) 2M x 64  |  (1) 2M x 64  |  (1) 2M x 64  |
          |------------+---------------+---------------+---------------|
          |    56MB    |  (1) 4M x 64  |  (1) 2M x 64  |  (1) 1M x 64  |
          |------------+---------------+---------------+---------------|
          |    64MB    |  (1) 8M x 64  |     None      |     None      |
          |------------+---------------+---------------+---------------|
          |    64MB    |  (1) 4M x 64  |  (1) 2M x 64  |  (1) 2M x 64  |
          |------------+---------------+---------------+---------------|
          |    64MB    |  (1) 4M x 64  |  (1) 4M x 64  |     None      |
          +------------------------------------------------------------+
       
          +------------------------------------------------------------+
          |                 DIMM CONFIGURATION (CON'T)                 |
          |------------------------------------------------------------|
          |    Size    |    Bank 0     |    Bank 1     |    Bank 2     |
          |------------+---------------+---------------+---------------|
          |    72MB    |  (1) 8M x 64  |  (1) 1M x 64  |     None      |
          |------------+---------------+---------------+---------------|
          |    72MB    |  (1) 4M x 64  |  (1) 4M x 64  |  (1) 1M x 64  |
          |------------+---------------+---------------+---------------|
          |    80MB    |  (1) 8M x 64  |  (1) 1M x 64  |  (1) 1M x 64  |
          |------------+---------------+---------------+---------------|
          |    80MB    |  (1) 8M x 64  |  (1) 2M x 64  |     None      |
          |------------+---------------+---------------+---------------|
          |    80MB    |  (1) 4M x 64  |  (1) 4M x 64  |  (1) 2M x 64  |
          |------------+---------------+---------------+---------------|
          |    88MB    |  (1) 8M x 64  |  (1) 2M x 64  |  (1) 1M x 64  |
          |------------+---------------+---------------+---------------|
          |    96MB    |  (1) 8M x 64  |  (1) 2M x 64  |  (1) 2M x 64  |
          |------------+---------------+---------------+---------------|
          |    96MB    |  (1) 8M x 64  |  (1) 4M x 64  |     None      |
          |------------+---------------+---------------+---------------|
          |    96MB    |  (1) 4M x 64  |  (1) 4M x 64  |  (1) 4M x 64  |
          |------------+---------------+---------------+---------------|
          |   104MB    |  (1) 8M x 64  |  (1) 4M x 64  |  (1) 1M x 64  |
          |------------+---------------+---------------+---------------|
          |   112MB    |  (1) 8M x 64  |  (1) 4M x 64  |  (1) 2M x 64  |
          |------------+---------------+---------------+---------------|
          |   128MB    | (1) 16M x 64  |     None      |     None      |
          |------------+---------------+---------------+---------------|
          |   128MB    |  (1) 8M x 64  |  (1) 4M x 64  |  (1) 4M x 64  |
          |------------+---------------+---------------+---------------|
          |   128MB    |  (1) 8M x 64  |  (1) 8M x 64  |     None      |
          |------------+---------------+---------------+---------------|
          |   136MB    | (1) 16M x 64  |  (1) 1M x 64  |     None      |
          |------------+---------------+---------------+---------------|
          |   136MB    |  (1) 8M x 64  |  (1) 8M x 64  |  (1) 1M x 64  |
          |------------+---------------+---------------+---------------|
          |   144MB    | (1) 16M x 64  |  (1) 1M x 64  |  (1) 1M x 64  |
          |------------+---------------+---------------+---------------|
          |   144MB    | (1) 16M x 64  |  (1) 2M x 64  |     None      |
          |------------+---------------+---------------+---------------|
          |   144MB    |  (1) 8M x 64  |  (1) 8M x 64  |  (1) 2M x 64  |
          |------------+---------------+---------------+---------------|
          |   152MB    | (1) 16M x 64  |  (1) 2M x 64  |  (1) 1M x 64  |
          |------------+---------------+---------------+---------------|
          |   160MB    | (1) 16M x 64  |  (1) 2M x 64  |  (1) 2M x 64  |
          |------------+---------------+---------------+---------------|
          |   160MB    | (1) 16M x 64  |  (1) 4M x 64  |     None      |
          |------------+---------------+---------------+---------------|
          |   160MB    |  (1) 8M x 64  |  (1) 8M x 64  |  (1) 4M x 64  |
          |------------+---------------+---------------+---------------|
          |   168MB    | (1) 16M x 64  |  (1) 4M x 64  |  (1) 1M x 64  |
          |------------+---------------+---------------+---------------|
          |   176MB    | (1) 16M x 64  |  (1) 4M x 64  |  (1) 2M x 64  |
          |------------+---------------+---------------+---------------|
          |   192MB    | (1) 16M x 64  |  (1) 4M x 64  |  (1) 4M x 64  |
          |------------+---------------+---------------+---------------|
          |   192MB    | (1) 16M x 64  |  (1) 8M x 64  |     None      |
          |------------+---------------+---------------+---------------|
          |   192MB    |  (1) 8M x 64  |  (1) 8M x 64  |  (1) 8M x 64  |
          |------------+---------------+---------------+---------------|
          |   200MB    | (1) 16M x 64  |  (1) 8M x 64  |  (1) 1M x 64  |
          |------------+---------------+---------------+---------------|
          |   208MB    | (1) 16M x 64  |  (1) 8M x 64  |  (1) 2M x 64  |
          |------------+---------------+---------------+---------------|
          |   224MB    | (1) 16M x 64  |  (1) 8M x 64  |  (1) 4M x 64  |
          |------------+---------------+---------------+---------------|
          |   256MB    | (1) 16M x 64  |  (1) 8M x 64  |  (1) 8M x 64  |
          |------------+---------------+---------------+---------------|
          |   384MB    | (1) 16M x 64  | (1) 16M x 64  | (1) 16M x 64  |
          |------------------------------------------------------------|
          |      Note: Board accepts EDO & SDRAM memory.               |
          +------------------------------------------------------------+
       
          +------------------------------------------------------------+
          |                    CACHE CONFIGURATION                     |
          |------------------------------------------------------------|
          | Note: 512KB cache is located on the Pentium II CPU.        |
          +------------------------------------------------------------+
       
          +------------------------------------------------------------+
          |                    CPU SPEED SELECTION                     |
          |------------------------------------------------------------|
          |   CPU   |  Clock  | Multiplier | S1/1 | S1/2 | S1/3 | S1/4 |
          |  speed  |  speed  |            |      |      |      |      |
          |---------+---------+------------+------+------+------+------|
          | 200MHz  |  66MHz  |     3x     | Off  | Off  |  On  | Off  |
          |---------+---------+------------+------+------+------+------|
          | 233MHz  |  66MHz  |    3.5x    | Off  |  On  |  On  | Off  |
          |---------+---------+------------+------+------+------+------|
          | 266MHz  |  66MHz  |     4x     | Off  | Off  | Off  |  On  |
          |---------+---------+------------+------+------+------+------|
          | 300MHz  |  66MHz  |    4.5x    | Off  |  On  | Off  |  On  |
          |---------+---------+------------+------+------+------+------|
          | 333MHz  |  66MHz  |     5x     | Off  | Off  |  On  |  On  |
          |---------+---------+------------+------+------+------+------|
          | 366MHz  |  66MHz  |    5.5x    | Off  |  On  |  On  |  On  |
          +------------------------------------------------------------+