URI: 
  TEXT View Source
       
       # LUCKY STAR TECHNOLOGY CO., LTD.
       
          5ATX2
       
          Device Type      Mainboard                                     
          Processor        CX 6X86/CX 6X86L/CX 686MX/CX MII/AM K5/AM     
                           K6/Pentium/                                   
                                                                         
                           Pentium MMX                                   
          Processor Speed  75/90/100/120/133/150/166/180/200/233MHz      
          Chip Set         Intel                                         
          Maximum Onboard  128MB                                         
          Memory           
          Cache            256/512KB                                     
          BIOS             Unidentified                                  
          Dimensions       305mm x 244mm                                 
          I/O Options      32-bit PCI slots (4), floppy drive interface, 
                           green PC connector, IDE interfaces (2),       
                           parallel port, PS/2 mouse interface, serial   
                           ports (2), USB connectors (2), ATX power      
                           connector                                     
       
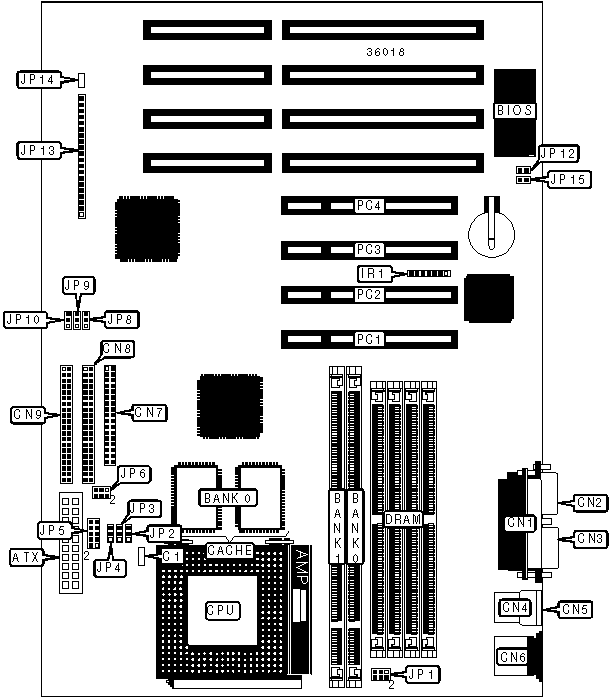
   IMG IMG 1
          
       
          +------------------------------------------------------------+
          |                        CONNECTIONS                         |
          |------------------------------------------------------------|
          | Purpose          | Location | Purpose         |  Location  |
          |------------------+----------+-----------------+------------|
          | CPU fan power    |   ATX    | IDE interface 2 |    CN9     |
          |------------------+----------+-----------------+------------|
          | Chassis fan      |    C1    | IR connector    |    IR1     |
          | power            |          |                 |            |
          |------------------+----------+-----------------+------------|
          | Parallel port    |   CN1    | Power LED &     | JP13/pins  |
          |                  |          | keylock         |   1 – 5    |
          |------------------+----------+-----------------+------------|
          | Serial port 1    |   CN2    | Speaker         | JP13/pins  |
          |                  |          |                 |   7 – 10   |
          |------------------+----------+-----------------+------------|
          | Serial port 2    |   CN3    | Reset switch    | JP13/pins  |
          |                  |          |                 |  12 & 13   |
          |------------------+----------+-----------------+------------|
          | USB connector 1  |   CN4    | IDE interface   | JP13/pins  |
          |                  |          | LED             |  15 & 16   |
          |------------------+----------+-----------------+------------|
          | USB connector 2  |   CN5    | Turbo LED       | JP13/pins  |
          |                  |          |                 |  18 & 19   |
          |------------------+----------+-----------------+------------|
          | PS/2 mouse port  |   CN6    | Green PC        | JP13/pins  |
          |                  |          | connector       |  21 & 22   |
          |------------------+----------+-----------------+------------|
          | Floppy drive     |   CN7    | 32-bit PCI      | PC1 – PC4  |
          | interface        |          | slots           |            |
          |------------------+----------+-----------------+------------|
          | IDE interface 1  |   CN8    |                 |            |
          +------------------------------------------------------------+
       
          +------------------------------------------------------------+
          |                 USER CONFIGURABLE SETTINGS                 |
          |------------------------------------------------------------|
          |              Function               | Label |   Position   |
          |-------------------------------------+-------+--------------|
          | » | Factory configured - do not     |  JP4  | Unidentified |
          |   | alter                           |       |              |
          |---+---------------------------------+-------+--------------|
          | » | Factory configured - do not     | JP12  | Unidentified |
          |   | alter                           |       |              |
          |---+---------------------------------+-------+--------------|
          | » | Factory configured - do not     | JP14  | Unidentified |
          |   | alter                           |       |              |
          |---+---------------------------------+-------+--------------|
          | » | CMOS memory normal operation    | JP15  |    Closed    |
          |---+---------------------------------+-------+--------------|
          |   | CMOS memory clear               | JP15  |     Open     |
          +------------------------------------------------------------+
       
          +------------------------------------------------------------+
          |                     SIMM CONFIGURATION                     |
          |------------------------------------------------------------|
          |       Size       |       Bank 2       |       Bank 3       |
          |------------------+--------------------+--------------------|
          |       8MB        |    (2) 1M x 36     |        None        |
          |------------------+--------------------+--------------------|
          |       16MB       |    (2) 2M x 36     |        None        |
          |------------------+--------------------+--------------------|
          |       16MB       |    (2) 1M x 36     |    (2) 1M x 36     |
          |------------------+--------------------+--------------------|
          |       24MB       |    (2) 2M x 36     |    (2) 1M x 36     |
          |------------------+--------------------+--------------------|
          |       32MB       |    (2) 4M x 36     |        None        |
          |------------------+--------------------+--------------------|
          |       32MB       |    (2) 2M x 36     |    (2) 2M x 36     |
          |------------------+--------------------+--------------------|
          |       40MB       |    (2) 4M x 36     |    (2) 1M x 36     |
          |------------------+--------------------+--------------------|
          |       48MB       |    (2) 4M x 36     |    (2) 2M x 36     |
          |------------------+--------------------+--------------------|
          |       64MB       |    (2) 8M x 36     |        None        |
          |------------------+--------------------+--------------------|
          |       64MB       |    (2) 4M x 36     |    (2) 4M x 36     |
          |------------------+--------------------+--------------------|
          |       72MB       |    (2) 8M x 36     |    (2) 1M x 36     |
          |------------------+--------------------+--------------------|
          |       80MB       |    (2) 8M x 36     |    (2) 2M x 36     |
          |------------------+--------------------+--------------------|
          |       96MB       |    (2) 8M x 36     |    (2) 4M x 36     |
          |------------------+--------------------+--------------------|
          |      128MB       |    (2) 8M x 36     |    (2) 8M x 36     |
          +------------------------------------------------------------+
       
          +------------------------------------------------------------+
          |                     DIMM CONFIGURATION                     |
          |------------------------------------------------------------|
          |       Size       |       Bank 0       |       Bank 1       |
          |------------------+--------------------+--------------------|
          |       8MB        |    (1) 1M x 64     |        None        |
          |------------------+--------------------+--------------------|
          |       16MB       |    (1) 2M x 64     |        None        |
          |------------------+--------------------+--------------------|
          |       16MB       |    (1) 1M x 64     |    (1) 1M x 64     |
          |------------------+--------------------+--------------------|
          |       24MB       |    (1) 2M x 64     |    (1) 1M x 64     |
          +------------------------------------------------------------+
       
          +------------------------------------------------------------+
          |                 DIMM CONFIGURATION (CON’T)                 |
          |------------------------------------------------------------|
          |       Size       |       Bank 0       |       Bank 1       |
          |------------------+--------------------+--------------------|
          |       32MB       |    (1) 4M x 64     |        None        |
          |------------------+--------------------+--------------------|
          |       32MB       |    (1) 2M x 64     |    (1) 2M x 64     |
          |------------------+--------------------+--------------------|
          |       40MB       |    (1) 4M x 64     |    (1) 1M x 64     |
          |------------------+--------------------+--------------------|
          |       48MB       |    (1) 4M x 64     |    (1) 2M x 64     |
          |------------------+--------------------+--------------------|
          |       64MB       |    (1) 8M x 64     |        None        |
          |------------------+--------------------+--------------------|
          |       64MB       |    (1) 4M x 64     |    (1) 4M x 64     |
          |------------------+--------------------+--------------------|
          |       72MB       |    (1) 8M x 64     |    (1) 1M x 64     |
          |------------------+--------------------+--------------------|
          |       80MB       |    (1) 8M x 64     |    (1) 2M x 64     |
          |------------------+--------------------+--------------------|
          |       96MB       |    (1) 8M x 64     |    (1) 4M x 64     |
          |------------------+--------------------+--------------------|
          |      128MB       |    (1) 8M x 64     |    (1) 8M x 64     |
          +------------------------------------------------------------+
       
          +------------------------------------------------------------+
          |                 DIMM VOLTAGE CONFIGURATION                 |
          |------------------------------------------------------------|
          |          Voltage           |              JP1              |
          |----------------------------+-------------------------------|
          |            3.3v            |   Pins 1 & 3, 2 & 4 closed    |
          |----------------------------+-------------------------------|
          |             5v             |   Pins 3 & 5, 4 & 6 closed    |
          +------------------------------------------------------------+
       
          +------------------------------------------------------------+
          |               CPU SPEED SELECTION (CX 6X86)                |
          |------------------------------------------------------------|
          |  CPU   | Clock | Multiplier | JP2 | JP3 | JP8 | JP9 | JP10 |
          | speed  | speed |            |     |     |     |     |      |
          |--------+-------+------------+-----+-----+-----+-----+------|
          | 120MHz | 50MHz |     2x     | 2 & | 1 & | 1 & | 1 & | 1 &  |
          |        |       |            |  3  |  2  |  2  |  2  |  2   |
          |--------+-------+------------+-----+-----+-----+-----+------|
          | 133MHz | 55MHz |     2x     | 2 & | 1 & | 1 & | 1 & | 2 &  |
          |        |       |            |  3  |  2  |  2  |  2  |  3   |
          |--------+-------+------------+-----+-----+-----+-----+------|
          | 150MHz | 60MHz |     2x     | 2 & | 1 & | 2 & | 1 & | 1 &  |
          |        |       |            |  3  |  2  |  3  |  2  |  2   |
          |--------+-------+------------+-----+-----+-----+-----+------|
          | 166MHz | 66MHz |     2x     | 2 & | 1 & | 1 & | 2 & | 1 &  |
          |        |       |            |  3  |  2  |  2  |  3  |  2   |
          |--------+-------+------------+-----+-----+-----+-----+------|
          | 200MHz | 75MHz |     2x     | 2 & | 1 & | 2 & | 1 & | 2 &  |
          |        |       |            |  3  |  2  |  3  |  2  |  3   |
          |------------------------------------------------------------|
          | Note: Pins designated should be in the closed position.    |
          +------------------------------------------------------------+
       
          +------------------------------------------------------------+
          |               CPU SPEED SELECTION (CX 6X86L)               |
          |------------------------------------------------------------|
          |  CPU   | Clock | Multiplier | JP2 | JP3 | JP8 | JP9 | JP10 |
          | speed  | speed |            |     |     |     |     |      |
          |--------+-------+------------+-----+-----+-----+-----+------|
          | 133MHz | 55MHz |     2x     | 2 & | 1 & | 1 & | 1 & | 2 &  |
          |        |       |            |  3  |  2  |  2  |  2  |  3   |
          |--------+-------+------------+-----+-----+-----+-----+------|
          | 150MHz | 60MHz |     2x     | 2 & | 1 & | 2 & | 1 & | 1 &  |
          |        |       |            |  3  |  2  |  3  |  2  |  2   |
          |--------+-------+------------+-----+-----+-----+-----+------|
          | 166MHz | 66MHz |     2x     | 2 & | 1 & | 1 & | 2 & | 1 &  |
          |        |       |            |  3  |  2  |  2  |  3  |  2   |
          |--------+-------+------------+-----+-----+-----+-----+------|
          | 200MHz | 75MHz |     2x     | 2 & | 1 & | 2 & | 1 & | 2 &  |
          |        |       |            |  3  |  2  |  3  |  2  |  3   |
          |------------------------------------------------------------|
          | Note: Pins designated should be in the closed position.    |
          +------------------------------------------------------------+
       
          +------------------------------------------------------------+
          |              CPU SPEED SELECTION (CX 6X86MX)               |
          |------------------------------------------------------------|
          |  CPU   | Clock | Multiplier | JP2 | JP3 | JP8 | JP9 | JP10 |
          | speed  | speed |            |     |     |     |     |      |
          |--------+-------+------------+-----+-----+-----+-----+------|
          | 166MHz | 60MHz |    2.5x    | 2 & | 2 & | 2 & | 1 & | 1 &  |
          |        |       |            |  3  |  3  |  3  |  2  |  2   |
          |--------+-------+------------+-----+-----+-----+-----+------|
          | 166MHz | 66MHz |     2x     | 2 & | 1 & | 1 & | 2 & | 1 &  |
          |        |       |            |  3  |  2  |  2  |  3  |  2   |
          |--------+-------+------------+-----+-----+-----+-----+------|
          | 200MHz | 75MHz |     2x     | 2 & | 1 & | 2 & | 1 & | 2 &  |
          |        |       |            |  3  |  2  |  3  |  2  |  3   |
          |--------+-------+------------+-----+-----+-----+-----+------|
          | 233MHz | 75MHz |    2.5x    | 2 & | 2 & | 2 & | 1 & | 2 &  |
          |        |       |            |  3  |  3  |  3  |  2  |  3   |
          |------------------------------------------------------------|
          | Note: Pins designated should be in the closed position.    |
          +------------------------------------------------------------+
       
          +------------------------------------------------------------+
          |                CPU SPEED SELECTION (CX MII)                |
          |------------------------------------------------------------|
          |  CPU   | Clock | Multiplier | JP2 | JP3 | JP8 | JP9 | JP10 |
          | speed  | speed |            |     |     |     |     |      |
          |--------+-------+------------+-----+-----+-----+-----+------|
          | 300MHz | 66MHz |    3.5x    | 1 & | 1 & | 1 & | 2 & | 1 &  |
          |        |       |            |  2  |  2  |  2  |  3  |  2   |
          |------------------------------------------------------------|
          | Note: Pins designated should be in the closed position.    |
          +------------------------------------------------------------+
       
          +------------------------------------------------------------+
          |                CPU SPEED SELECTION (AM K5)                 |
          |------------------------------------------------------------|
          |  CPU   | Clock | Multiplier | JP2 | JP3 | JP8 | JP9 | JP10 |
          | speed  | speed |            |     |     |     |     |      |
          |--------+-------+------------+-----+-----+-----+-----+------|
          | 75MHz  | 50MHz |    1.5x    | 1 & | 1 & | 1 & | 1 & | 1 &  |
          |        |       |            |  2  |  2  |  2  |  2  |  2   |
          |--------+-------+------------+-----+-----+-----+-----+------|
          | 90MHz  | 60MHz |    1.5x    | 1 & | 1 & | 2 & | 1 & | 1 &  |
          |        |       |            |  2  |  2  |  3  |  2  |  2   |
          |--------+-------+------------+-----+-----+-----+-----+------|
          | 100MHz | 66MHz |    1.5x    | 1 & | 1 & | 1 & | 2 & | 1 &  |
          |        |       |            |  2  |  2  |  2  |  3  |  2   |
          |--------+-------+------------+-----+-----+-----+-----+------|
          | 120MHz | 60MHz |    1.5x    | 1 & | 1 & | 2 & | 1 & | 1 &  |
          |        |       |            |  2  |  2  |  3  |  2  |  2   |
          |--------+-------+------------+-----+-----+-----+-----+------|
          | 133MHz | 66MHz |    1.5x    | 1 & | 1 & | 1 & | 2 & | 1 &  |
          |        |       |            |  2  |  2  |  2  |  3  |  2   |
          |--------+-------+------------+-----+-----+-----+-----+------|
          | 150MHz | 60MHz |    2.5x    | 2 & | 2 & | 2 & | 1 & | 1 &  |
          |        |       |            |  3  |  3  |  3  |  2  |  2   |
          |--------+-------+------------+-----+-----+-----+-----+------|
          | 166MHz | 66MHz |    2.5x    | 2 & | 2 & | 1 & | 2 & | 1 &  |
          |        |       |            |  3  |  3  |  2  |  3  |  2   |
          |------------------------------------------------------------|
          | Note: Pins designated should be in the closed position.    |
          +------------------------------------------------------------+
       
          +------------------------------------------------------------+
          |                CPU SPEED SELECTION (AM K6)                 |
          |------------------------------------------------------------|
          |  CPU   | Clock | Multiplier | JP2 | JP3 | JP8 | JP9 | JP10 |
          | speed  | speed |            |     |     |     |     |      |
          |--------+-------+------------+-----+-----+-----+-----+------|
          | 166MHz | 66MHz |    2.5x    | 2 & | 2 & | 1 & | 2 & | 1 &  |
          |        |       |            |  3  |  3  |  2  |  3  |  2   |
          |--------+-------+------------+-----+-----+-----+-----+------|
          | 200MHz | 66MHz |     3x     | 1 & | 2 & | 1 & | 2 & | 1 &  |
          |        |       |            |  2  |  3  |  2  |  3  |  2   |
          |--------+-------+------------+-----+-----+-----+-----+------|
          | 233MHz | 66MHz |    3.5x    | 1 & | 1 & | 1 & | 2 & | 1 &  |
          |        |       |            |  2  |  2  |  2  |  3  |  2   |
          |--------+-------+------------+-----+-----+-----+-----+------|
          | 266MHz | 66MHz |     4x     | 2 & | 1 & | 1 & | 2 & | 1 &  |
          |        |       |            |  3  |  2  |  2  |  3  |  2   |
          |--------+-------+------------+-----+-----+-----+-----+------|
          | 300MHz | 66MHz |    4.5x    | 2 & | 2 & | 1 & | 2 & | 1 &  |
          |        |       |            |  3  |  3  |  2  |  3  |  2   |
          |------------------------------------------------------------|
          | Note: Pins designated should be in the closed position.    |
          +------------------------------------------------------------+
       
          +------------------------------------------------------------+
          |                CPU SPEED SELECTION (INTEL)                 |
          |------------------------------------------------------------|
          |  CPU   | Clock | Multiplier | JP2 | JP3 | JP8 | JP9 | JP10 |
          | speed  | speed |            |     |     |     |     |      |
          |--------+-------+------------+-----+-----+-----+-----+------|
          | 75MHz  | 50MHz |    1.5x    | 1 & | 1 & | 1 & | 1 & | 1 &  |
          |        |       |            |  2  |  2  |  2  |  2  |  2   |
          |--------+-------+------------+-----+-----+-----+-----+------|
          | 90MHz  | 60MHz |    1.5x    | 1 & | 1 & | 2 & | 1 & | 1 &  |
          |        |       |            |  2  |  2  |  3  |  2  |  2   |
          |--------+-------+------------+-----+-----+-----+-----+------|
          | 100MHz | 66MHz |    1.5x    | 1 & | 1 & | 1 & | 2 & | 1 &  |
          |        |       |            |  2  |  2  |  2  |  3  |  2   |
          |--------+-------+------------+-----+-----+-----+-----+------|
          | 120MHz | 60MHz |     2x     | 2 & | 1 & | 2 & | 1 & | 1 &  |
          |        |       |            |  3  |  2  |  3  |  2  |  2   |
          |--------+-------+------------+-----+-----+-----+-----+------|
          | 133MHz | 66MHz |     2x     | 2 & | 1 & | 1 & | 2 & | 1 &  |
          |        |       |            |  3  |  2  |  2  |  3  |  2   |
          |--------+-------+------------+-----+-----+-----+-----+------|
          | 150MHz | 60MHz |    2.5x    | 2 & | 2 & | 2 & | 1 & | 1 &  |
          |        |       |            |  3  |  3  |  3  |  2  |  2   |
          |--------+-------+------------+-----+-----+-----+-----+------|
          | 166MHz | 66MHz |    2.5x    | 2 & | 2 & | 1 & | 2 & | 1 &  |
          |        |       |            |  3  |  3  |  2  |  3  |  2   |
          |--------+-------+------------+-----+-----+-----+-----+------|
          | 180MHz | 60MHz |     3x     | 1 & | 2 & | 2 & | 1 & | 1 &  |
          |        |       |            |  2  |  3  |  3  |  2  |  2   |
          |--------+-------+------------+-----+-----+-----+-----+------|
          | 200MHz | 66MHz |     3x     | 1 & | 2 & | 1 & | 2 & | 1 &  |
          |        |       |            |  2  |  3  |  2  |  3  |  2   |
          |------------------------------------------------------------|
          | Note: Pins designated should be in the closed position.    |
          +------------------------------------------------------------+
       
          +------------------------------------------------------------+
          |              CPU SPEED SELECTION (INTEL MMX)               |
          |------------------------------------------------------------|
          |  CPU   | Clock | Multiplier | JP2 | JP3 | JP8 | JP9 | JP10 |
          | speed  | speed |            |     |     |     |     |      |
          |--------+-------+------------+-----+-----+-----+-----+------|
          | 166MHz | 66MHz |    2.5x    | 2 & | 2 & | 1 & | 2 & | 1 &  |
          |        |       |            |  3  |  3  |  2  |  3  |  2   |
          |--------+-------+------------+-----+-----+-----+-----+------|
          | 200MHz | 66MHz |     3x     | 1 & | 2 & | 1 & | 2 & | 1 &  |
          |        |       |            |  2  |  3  |  2  |  3  |  2   |
          |--------+-------+------------+-----+-----+-----+-----+------|
          | 233MHz | 66MHz |    3.5x    | 1 & | 1 & | 1 & | 2 & | 1 &  |
          |        |       |            |  2  |  2  |  2  |  3  |  2   |
          |------------------------------------------------------------|
          | Note: Pins designated should be in the closed position.    |
          +------------------------------------------------------------+
       
          +------------------------------------------------------------+
          |                     CPU TYPE SELECTION                     |
          |------------------------------------------------------------|
          |           Type           |               JP6               |
          |--------------------------+---------------------------------|
          |      Single voltage      |              Open               |
          |--------------------------+---------------------------------|
          |       Dual voltage       | Pins 1 & 2, 3 & 4, 5 & 6 closed |
          +------------------------------------------------------------+
       
          +------------------------------------------------------------+
          |                   CPU VOLTAGE SELECTION                    |
          |------------------------------------------------------------|
          |      Voltage      |                  JP5                   |
          |-------------------+----------------------------------------|
          |       2.0v        |                  Open                  |
          |-------------------+----------------------------------------|
          |       2.1v        |           Pins 1 & 2 closed            |
          |-------------------+----------------------------------------|
          |       2.5v        |        Pins 1 & 2, 5 & 6 closed        |
          |-------------------+----------------------------------------|
          |       2.8v        |           Pins 7 & 8 closed            |
          |-------------------+----------------------------------------|
          |       2.9v        |        Pins 1 & 2, 7 & 8 closed        |
          |-------------------+----------------------------------------|
          |       3.0v        |        Pins 3 & 4, 7 & 8 closed        |
          |-------------------+----------------------------------------|
          |       3.1v        |    Pins 1 & 2, 3 & 4, 7 & 8 closed     |
          |-------------------+----------------------------------------|
          |       3.2v        |        Pins 5 & 6, 7 & 8 closed        |
          |-------------------+----------------------------------------|
          |       3.3v        |    Pins 1 & 2, 5 & 6, 7 & 8 closed     |
          |-------------------+----------------------------------------|
          |       3.5v        | Pins 1 & 2, 3 & 4, 5 & 6, 7 & 8 closed |
          +------------------------------------------------------------+