URI: 
  TEXT View Source
       
       # OCEAN INFORMATION SYSTEMS, INC.
       
          HIPPO PRO 486 REV 1.2
       
          Processor    80486SX/80487SX/80486DX/80486DX2/Pentium          
                       Overdrive                                         
          Processor    25/33/50(internal)/50/66(internal)MHz             
          Speed        
          Chip Set     UNI                                               
          Max. Onboard 128MB                                             
          DRAM         
          Cache        None                                              
          BIOS         AMI                                               
          Dimensions   330mm x 218mm                                     
          I/O Options  32-bit VESA local bus slots (3), floppy drive     
                       interface, game port, IDE interface, parallel     
                       port, serial ports (2)                            
          NPU Options  None                                              
       
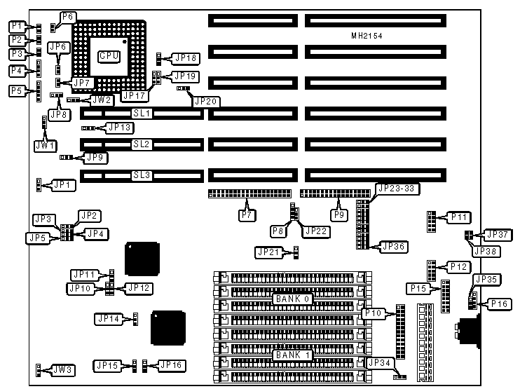
   IMG IMG 1
          
       
          +------------------------------------------------------------+
          |                        CONNECTIONS                         |
          |------------------------------------------------------------|
          | Purpose           | Location | Purpose          | Location |
          |-------------------+----------+------------------+----------|
          | Reset switch      |    P1    | Floppy drive     |    P9    |
          |                   |          | interface        |          |
          |-------------------+----------+------------------+----------|
          | Turbo switch      |    P2    | Parallel port    |   P10    |
          |-------------------+----------+------------------+----------|
          | Turbo LED         |    P3    | Serial port 1    |   P11    |
          |-------------------+----------+------------------+----------|
          | Speaker           |    P4    | Serial port 2    |   P12    |
          |-------------------+----------+------------------+----------|
          | Power LED &       |    P5    | Game interface   |   P15    |
          | keylock           |          |                  |          |
          |-------------------+----------+------------------+----------|
          | Chassis fan power |    P6    | External battery |   P16    |
          |-------------------+----------+------------------+----------|
          | IDE interface     |    P7    | 32-bit VESA      |  SL1 -   |
          |                   |          | Local bus slots  |   SL3    |
          |-------------------+----------+------------------+----------|
          | IDE interface LED |    P8    |                  |          |
          +------------------------------------------------------------+
       
          +------------------------------------------------------------+
          |                 USER CONFIGURABLE SETTINGS                 |
          |------------------------------------------------------------|
          |               Function               | Jumper |  Position  |
          |--------------------------------------+--------+------------|
          | » | Factory configured - do not      |  JP1   | pins 1 & 2 |
          |   | alter                            |        |   closed   |
          |---+----------------------------------+--------+------------|
          | » | Factory configured - do not      |  JP3   | pins 2 & 3 |
          |   | alter                            |        |   closed   |
          |---+----------------------------------+--------+------------|
          | » | Factory configured - do not      |  JP4   |    Open    |
          |   | alter                            |        |            |
          |---+----------------------------------+--------+------------|
          | » | Factory configured - do not      |  JP6   |    Open    |
          |   | alter                            |        |            |
          |---+----------------------------------+--------+------------|
          | » | Factory configured - do not      |  JP7   |    Open    |
          |   | alter                            |        |            |
          |---+----------------------------------+--------+------------|
          | » | Factory configured - do not      |  JP8   | pins 1 & 2 |
          |   | alter                            |        |   closed   |
          |---+----------------------------------+--------+------------|
          | » | Factory configured - do not      |  JP9   |    Open    |
          |   | alter                            |        |            |
          |---+----------------------------------+--------+------------|
          | » | Factory configured - do not      |  JP11  |    Open    |
          |   | alter                            |        |            |
          |---+----------------------------------+--------+------------|
          | » | Factory configured - do not      |  JP13  | pins 1 & 2 |
          |   | alter                            |        |   closed   |
          |---+----------------------------------+--------+------------|
          | » | Factory configured - do not      |  JP14  | pins 1 & 2 |
          |   | alter                            |        |   closed   |
          |---+----------------------------------+--------+------------|
          | » | Monitor type select monochrome   |  JP15  | pins 2 & 3 |
          |   |                                  |        |   closed   |
          |---+----------------------------------+--------+------------|
          |   | Monitor type select color        |  JP15  | pins 1 & 2 |
          |   |                                  |        |   closed   |
          |---+----------------------------------+--------+------------|
          | » | Factory configured - do not      |  JP16  | pins 1 & 2 |
          |   | alter                            |        |   closed   |
          |---+----------------------------------+--------+------------|
          | » | Factory configured - do not      |  JP20  | pins 1 & 2 |
          |   | alter                            |        |   closed   |
          |---+----------------------------------+--------+------------|
          | » | Game interface enabled           |  JP21  | pins 1 & 2 |
          |   |                                  |        |   closed   |
          |---+----------------------------------+--------+------------|
          |   | Game interface disabled          |  JP21  | pins 2 & 3 |
          |   |                                  |        |   closed   |
          |---+----------------------------------+--------+------------|
          | » | Factory configured - do not      |  JP22  |    Open    |
          |   | alter                            |        |            |
          |---+----------------------------------+--------+------------|
          | » | Factory configured - do not      |  JP26  | pins 1 & 2 |
          |   | alter                            |        |   closed   |
          |---+----------------------------------+--------+------------|
          | » | Floppy drive interface enabled   |  JP33  | pins 1 & 2 |
          |   |                                  |        |   closed   |
          |---+----------------------------------+--------+------------|
          |   | Floppy drive interface disabled  |  JP33  | pins 2 & 3 |
          |   |                                  |        |   closed   |
          |---+----------------------------------+--------+------------|
          | » | CMOS memory normal operation     |  JP34  | pins 1 & 2 |
          |   |                                  |        |   closed   |
          |---+----------------------------------+--------+------------|
          |   | CMOS memory clear                |  JP34  | pins 2 & 3 |
          |   |                                  |        |   closed   |
          |---+----------------------------------+--------+------------|
          | » | Factory configured - do not      |  JP35  |    Open    |
          |   | alter                            |        |            |
          |---+----------------------------------+--------+------------|
          | » | Factory configured - do not      |  JP37  |    Open    |
          |   | alter                            |        |            |
          |---+----------------------------------+--------+------------|
          | » | Factory configured - do not      |  JP38  |    Open    |
          |   | alter                            |        |            |
          |---+----------------------------------+--------+------------|
          | » | Factory configured - do not      |  JW1   | pins 1 & 2 |
          |   | alter                            |        |   closed   |
          |---+----------------------------------+--------+------------|
          | » | Factory configured - do not      |  JW2   | pins 2 & 3 |
          |   | alter                            |        |   closed   |
          |---+----------------------------------+--------+------------|
          | » | Factory configured - do not      |  JW3   |    Open    |
          |   | alter                            |        |            |
          +------------------------------------------------------------+
       
          +------------------------------------------------------------+
          |                     DRAM CONFIGURATION                     |
          |------------------------------------------------------------|
          |       Size       |       Bank 0       |       Bank 1       |
          |------------------+--------------------+--------------------|
          |       1MB        |    (4) 256K x 9    |        NONE        |
          |------------------+--------------------+--------------------|
          |       2MB        |    (4) 256K x 9    |    (4) 256K x 9    |
          |------------------+--------------------+--------------------|
          |       4MB        |     (4) 1M x 9     |        NONE        |
          |------------------+--------------------+--------------------|
          |       5MB        |    (4) 256K x 9    |     (4) 1M x 9     |
          |------------------+--------------------+--------------------|
          |       8MB        |     (4) 1M x 9     |     (4) 1M x 9     |
          |------------------+--------------------+--------------------|
          |       16MB       |     (4) 4M x 9     |        NONE        |
          |------------------+--------------------+--------------------|
          |       20MB       |     (4) 1M x 9     |     (4) 4M x 9     |
          |------------------+--------------------+--------------------|
          |       32MB       |     (4) 4M x 9     |     (4) 4M x 9     |
          |------------------+--------------------+--------------------|
          |       80MB       |     (4) 4M x 9     |    (4) 16M x 9     |
          |------------------+--------------------+--------------------|
          |      128MB       |    (4) 16M x 9     |    (4) 16M x 9     |
          +------------------------------------------------------------+
       
          +------------------------------------------------------------+
          |                   CPU TYPE CONFIGURATION                   |
          |------------------------------------------------------------|
          |    Type     |     JP17      |     JP18      |     JP19     |
          |-------------+---------------+---------------+--------------|
          |   80486SX   |  pins 2 & 3   |     Open      |  pins 1 & 2  |
          |             |    closed     |               |    closed    |
          |-------------+---------------+---------------+--------------|
          |   80487SX   |  pins 1 & 2   |  pins 1 & 2   |  pins 2 & 3  |
          |             |    closed     |    closed     |    closed    |
          |-------------+---------------+---------------+--------------|
          | 80486DX/DX2 |  pins 1 & 2   |  pins 2 & 3   |  pins 2 & 3  |
          |             |    closed     |    closed     |    closed    |
          +------------------------------------------------------------+
       
          +------------------------------------------------------------+
          |                  CPU SPEED CONFIGURATION                   |
          |------------------------------------------------------------|
          |           Speed            |              JP2              |
          |----------------------------+-------------------------------|
          |           25MHz            |       pins 1 & 2 closed       |
          |----------------------------+-------------------------------|
          |           33MHz            |       pins 2 & 3 closed       |
          |----------------------------+-------------------------------|
          |           50iMHz           |       pins 1 & 2 closed       |
          |----------------------------+-------------------------------|
          |           66iMHz           |       pins 2 & 3 closed       |
          +------------------------------------------------------------+
       
          +------------------------------------------------------------+
          |                SERIAL PORT 1 CONFIGURATION                 |
          |------------------------------------------------------------|
          |      Port 1      |        JP29        |        JP30        |
          |------------------+--------------------+--------------------|
          | » |     COM1     | pins 1 & 2 closed  | pins 1 & 2 closed  |
          |---+--------------+--------------------+--------------------|
          |   |   Disabled   | pins 2 & 3 closed  | pins 2 & 3 closed  |
          +------------------------------------------------------------+
       
          +------------------------------------------------------------+
          |                SERIAL PORT 2 CONFIGURATION                 |
          |------------------------------------------------------------|
          |      Port 2      |        JP31        |        JP32        |
          |------------------+--------------------+--------------------|
          | » |     COM2     | pins 1 & 2 closed  | pins 1 & 2 closed  |
          |---+--------------+--------------------+--------------------|
          |   |   Disabled   | pins 2 & 3 closed  | pins 2 & 3 closed  |
          +------------------------------------------------------------+
       
          +------------------------------------------------------------+
          |                PARALLEL PORT CONFIGURATION                 |
          |------------------------------------------------------------|
          |     Setting      |        JP27        |        JP28        |
          |------------------+--------------------+--------------------|
          |       278H       | pins 1 & 2 closed  | pins 1 & 2 closed  |
          |------------------+--------------------+--------------------|
          |       378H       | pins 2 & 3 closed  | pins 1 & 2 closed  |
          |------------------+--------------------+--------------------|
          |       380H       | pins 1 & 2 closed  | pins 2 & 3 closed  |
          |------------------+--------------------+--------------------|
          |     Disabled     | pins 2 & 3 closed  | pins 2 & 3 closed  |
          +------------------------------------------------------------+
       
          +------------------------------------------------------------+
          |          FLOPPY DRIVE CONFIGURATION (2.88MB ONLY)          |
          |------------------------------------------------------------|
          |        Type         |    JP23    |    JP24    |    JP25    |
          |---------------------+------------+------------+------------|
          |       2.88MB        | pins 1 & 2 | pins 1 & 2 | pins 1 & 2 |
          |                     |   closed   |   closed   |   closed   |
          |---------------------+------------+------------+------------|
          |     2.88MB not      | pins 2 & 3 | pins 2 & 3 | pins 2 & 3 |
          |      installed      |   closed   |   closed   |   closed   |
          +------------------------------------------------------------+
       
          +------------------------------------------------------------+
          |                 ON BOARD IDE CONFIGURATION                 |
          |------------------------------------------------------------|
          |          Type          |       JP5       |      JP36       |
          |------------------------+-----------------+-----------------|
          | » |    On board IDE    |   pins 2 & 3    |   pins 1 & 2    |
          |   |      enabled       |     closed      |     closed      |
          |---+--------------------+-----------------+-----------------|
          |   |    On board IDE    |   pins 1 & 2    |   pins 2 & 3    |
          |   |      disabled      |     closed      |     closed      |
          +------------------------------------------------------------+
       
          +------------------------------------------------------------+
          |               IDE ACCESS TIME CONFIGURATION                |
          |------------------------------------------------------------|
          | Mode | Cycle time | Access time |    JP10     |    JP12    |
          |      |    (ms)    |    (ms)     |             |            |
          |------+------------+-------------+-------------+------------|
          |  1   |    390     |     120     | pins 1 & 2  | pins 2 & 3 |
          |      |            |             |   closed    |   closed   |
          |------+------------+-------------+-------------+------------|
          |  0   |    600     |     180     | pins 2 & 3  | pins 2 & 3 |
          |      |            |             |   closed    |   closed   |
          |------+------------+-------------+-------------+------------|
          |  2   |    240     |     190     | pins 2 & 3  | pins 1 & 2 |
          |      |            |             |   closed    |   closed   |
          |------+------------+-------------+-------------+------------|
          |  3   |    150     |     90      | pins 1 & 2  | pins 1 & 2 |
          |      |            |             |   closed    |   closed   |
          +------------------------------------------------------------+