URI: 
  TEXT View Source
       
       # MICRO-STAR INTERNATIONAL CO., LTD.
       
          MS-5136 (VER 1.0)
       
          Processor        CX M1/AM K5/Pentium                           
          Processor Speed  75/90/100/120/133/150/166/200MHz              
          Chip Set         Intel                                         
          Video Chip Set   None                                          
          Maximum Onboard  128MB (EDO supported)                         
          Memory           
          Maximum Video    None                                          
          Memory           
          Cache            256/512KB                                     
          BIOS             AMI/Award                                     
          Dimensions       305mm x 220mm                                 
          I/O Options      32-bit PCI slots (4), floppy drive interface, 
                           green PC connector, IDE interfaces (2),       
                           parallel port, PS/2 mouse port, serial ports  
                           (2), cache slot, IR connector, USB connector, 
                           ATX power connector, remote power on/off      
                           switch, remote on/off switch                  
          NPU Options      None                                          
       
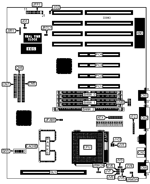
   IMG IMG 1
          
       
          +------------------------------------------------------------+
          |                        CONNECTIONS                         |
          |------------------------------------------------------------|
          | Purpose          | Location  | Purpose        |  Location  |
          |------------------+-----------+----------------+------------|
          | ATX power        |    ATX    | Turbo LED      | JFP1 pins  |
          | connector        |           |                |  12 & 13   |
          |------------------+-----------+----------------+------------|
          | Serial port 2    |    CN1    | Turbo switch   | JFP1 pins  |
          |                  |           |                |  15 & 17   |
          |------------------+-----------+----------------+------------|
          | Parallel port    |    CN2    | Reset switch   | JFP1 pins  |
          |                  |           |                |  19 & 20   |
          |------------------+-----------+----------------+------------|
          | PS/2 mouse port  |    CN3    | IDE interface  | JFP1 pins  |
          |                  |           | LED            |  21 & 22   |
          |------------------+-----------+----------------+------------|
          | Serial port 1    |    CN4    | Green PC       |    JG2     |
          |                  |           | connector      |            |
          |------------------+-----------+----------------+------------|
          | IDE interface 1  |    CN5    | IR connector   |    JIR1    |
          |------------------+-----------+----------------+------------|
          | IDE interface 2  |    CN6    | Remote on/off  |   JRMCN    |
          |                  |           | switch         |            |
          |------------------+-----------+----------------+------------|
          | Floppy drive     |    CN7    | Remote on/off  |   JRMSW    |
          | interface        |           | switch         |            |
          |------------------+-----------+----------------+------------|
          | Chassis fan      |   JFAN1   | 32-bit PCI     | PC1 - PC4  |
          | power            |           | slots          |            |
          |------------------+-----------+----------------+------------|
          | Power LED &      | JFP1 pins | Cache slot     |    SL1     |
          | keylock          |   1 - 5   |                |            |
          |------------------+-----------+----------------+------------|
          | Speaker          | JFP1 pins | USB connector  |    USB     |
          |                  |  7 & 10   |                |            |
          +------------------------------------------------------------+
       
          +------------------------------------------------------------+
          |                 USER CONFIGURABLE SETTINGS                 |
          |------------------------------------------------------------|
          |              Function              | Label |   Position    |
          |------------------------------------+-------+---------------|
          | »  | Factory configured - do not   |  J12  | 1 & 2, 3 & 4, |
          |    | alter                         |       | 5 & 6, 7 & 8  |
          |----+-------------------------------+-------+---------------|
          | »  | Factory configured - do not   |  JG1  | Unidentified  |
          |    | alter                         |       |               |
          |----+-------------------------------+-------+---------------|
          | »  | Factory configured - do not   | JRTC1 | Unidentified  |
          |    | alter                         |       |               |
          |------------------------------------------------------------|
          | Note: Pins designated should be in the closed position.    |
          +------------------------------------------------------------+
       
          +------------------------------------------------------------+
          |                     DRAM CONFIGURATION                     |
          |------------------------------------------------------------|
          |    Size    |    Bank 0     |    Bank 1     |    Bank 2     |
          |------------+---------------+---------------+---------------|
          |    8MB     |  (2) 1M x 36  |     None      |     None      |
          |------------+---------------+---------------+---------------|
          |    8MB     |     None      |     None      |  (1) 1M x 64  |
          |------------+---------------+---------------+---------------|
          |    16MB    |  (2) 2M x 36  |     None      |     None      |
          |------------+---------------+---------------+---------------|
          |    16MB    |  (2) 1M x 36  |  (2) 1M x 36  |     None      |
          |------------+---------------+---------------+---------------|
          |    16MB    |     None      |     None      |  (1) 2M x 64  |
          |------------+---------------+---------------+---------------|
          |    24MB    |  (2) 1M x 36  |  (2) 2M x 36  |     None      |
          |------------+---------------+---------------+---------------|
          |    32MB    |  (2) 4M x 36  |     None      |     None      |
          |------------+---------------+---------------+---------------|
          |    32MB    |  (2) 2M x 36  |  (2) 2M x 36  |     None      |
          |------------+---------------+---------------+---------------|
          |    32MB    |     None      |     None      |  (1) 4M x 64  |
          |------------+---------------+---------------+---------------|
          |    40MB    |  (2) 4M x 36  |  (2) 1M x 36  |     None      |
          |------------+---------------+---------------+---------------|
          |    48MB    |  (2) 2M x 36  |  (2) 4M x 36  |     None      |
          |------------+---------------+---------------+---------------|
          |    64MB    |  (2) 8M x 36  |     None      |     None      |
          |------------+---------------+---------------+---------------|
          |    64MB    |  (2) 4M x 36  |  (2) 4M x 36  |     None      |
          |------------+---------------+---------------+---------------|
          |    64MB    |     None      |     None      |  (1) 8M x 64  |
          |------------+---------------+---------------+---------------|
          |    72MB    |  (2) 1M x 36  |  (2) 8M x 36  |     None      |
          |------------+---------------+---------------+---------------|
          |    80MB    |  (2) 8M x 36  |  (2) 2M x 36  |     None      |
          |------------+---------------+---------------+---------------|
          |    96MB    |  (2) 4M x 36  |  (2) 8M x 36  |     None      |
          |------------+---------------+---------------+---------------|
          |   128MB    |  (2) 8M x 36  |  (2) 8M x 36  |     None      |
          |------------------------------------------------------------|
          | Note: Board accepts EDO memory. Banks 0 & 1 are            |
          | interchangeable.                                           |
          +------------------------------------------------------------+
       
          +------------------------------------------------------------+
          |                    CACHE CONFIGURATION                     |
          |------------------------------------------------------------|
          |     Size     |       Bank 0       |          SL1           |
          |--------------+--------------------+------------------------|
          |    256KB     |    (2) 32K x 32    |     Not installed      |
          |--------------+--------------------+------------------------|
          |    512KB     |    (2) 32K x 32    | 256KB module installed |
          +------------------------------------------------------------+
       
          +------------------------------------------------------------+
          |                CPU SPEED SELECTION (CYRIX)                 |
          |------------------------------------------------------------|
          |  CPU  |Clock|Multiplier|SW1/1|SW1/2|SW1/3|SW1/4|SW1/5|SW1/6|
          | speed |speed|          |     |     |     |     |     |     |
          |-------+-----+----------+-----+-----+-----+-----+-----+-----|
          |120MHz |50MHz|    2x    | Off | Off | On  | Off | On  | Off |
          |-------+-----+----------+-----+-----+-----+-----+-----+-----|
          |133MHz |55MHz|    2x    | Off | On  | On  | On  | On  | Off |
          |-------+-----+----------+-----+-----+-----+-----+-----+-----|
          |150MHz |60MHz|    2x    | Off | On  | Off | Off | On  | Off |
          |-------+-----+----------+-----+-----+-----+-----+-----+-----|
          |166MHz |66MHz|    2x    | Off | Off | Off | Off | On  | Off |
          +------------------------------------------------------------+
       
          +------------------------------------------------------------+
          |                 CPU SPEED SELECTION (AMD)                  |
          |------------------------------------------------------------|
          | CPU  |Clock |Multiplier|SW1/1|SW1/2|SW1/3|SW1/4|SW1/5|SW1/6|
          |speed |speed |          |     |     |     |     |     |     |
          |------+------+----------+-----+-----+-----+-----+-----+-----|
          |75MHz |50MHz |   1.5x   | Off | Off | On  | Off | Off | Off |
          |------+------+----------+-----+-----+-----+-----+-----+-----|
          |90MHz |60MHz |   1.5x   | Off | On  | Off | Off | Off | Off |
          +------------------------------------------------------------+
       
          +------------------------------------------------------------+
          |                CPU SPEED SELECTION (INTEL)                 |
          |------------------------------------------------------------|
          |  CPU  |Clock|Multiplier|SW1/1|SW1/2|SW1/3|SW1/4|SW1/5|SW1/6|
          | speed |speed|          |     |     |     |     |     |     |
          |-------+-----+----------+-----+-----+-----+-----+-----+-----|
          | 75MHz |50MHz|   1.5x   | Off | Off | On  | Off | Off | Off |
          |-------+-----+----------+-----+-----+-----+-----+-----+-----|
          | 90MHz |60MHz|   1.5x   | Off | On  | Off | Off | Off | Off |
          |-------+-----+----------+-----+-----+-----+-----+-----+-----|
          |100MHz |66MHz|   1.5x   | Off | Off | Off | Off | Off | Off |
          |-------+-----+----------+-----+-----+-----+-----+-----+-----|
          |120MHz |60MHz|    2x    | Off | On  | Off | Off | On  | Off |
          |-------+-----+----------+-----+-----+-----+-----+-----+-----|
          |133MHz |66MHz|    2x    | Off | Off | Off | Off | On  | Off |
          |-------+-----+----------+-----+-----+-----+-----+-----+-----|
          |150MHz |60MHz|   2.5x   | Off | On  | Off | Off | On  | On  |
          |-------+-----+----------+-----+-----+-----+-----+-----+-----|
          |166MHz |66MHz|   2.5x   | Off | Off | Off | Off | On  | On  |
          |-------+-----+----------+-----+-----+-----+-----+-----+-----|
          |200MHz |66MHz|    3x    | Off | Off | Off | Off | Off | On  |
          +------------------------------------------------------------+
       
         +----------------------------------------------------------------+
         |                     CPU VOLTAGE SELECTION                      |
         |----------------------------------------------------------------|
         |  V  |VI/O | JV1  | JV2  |JV3| JV4  | JV5  | JV6  | JV7  | JV8  |
         |core |     |      |      |   |      |      |      |      |      |
         |-----+-----+------+------+---+------+------+------+------+------|
         |2.5v |3.3v | Open | Open |2 &| Open | Open |Closed| Open | Open |
         |     |     |      |      | 3 |      |      |      |      |      |
         |-----+-----+------+------+---+------+------+------+------+------|
         |2.8v |3.3v | Open | Open |2 &| Open | Open | Open |Closed| Open |
         |     |     |      |      | 3 |      |      |      |      |      |
         |-----+-----+------+------+---+------+------+------+------+------|
         |2.9v |3.3v | Open | Open |2 &| Open | Open | Open | Open |Closed|
         |     |     |      |      | 3 |      |      |      |      |      |
         |-----+-----+------+------+---+------+------+------+------+------|
         |3.38v|3.38v|Closed|Closed|1 &|Closed| Open | Open | Open | Open |
         |     |     |      |      | 2 |      |      |      |      |      |
         |-----+-----+------+------+---+------+------+------+------+------|
         |3.52v|3.52v|Closed|Closed|1 &| Open |Closed| Open | Open | Open |
         |     |     |      |      | 2 |      |      |      |      |      |
         +----------------------------------------------------------------+