URI: 
  TEXT View Source
       
       # MICRO-STAR INTERNATIONAL CO., LTD.
       
          MS-6111
       
          Processor        Pentium II                                    
          Processor Speed  200/233/266/300/333MHz                        
          Chip Set         Intel                                         
          Video Chip Set   None                                          
          Maximum Onboard  1GB (EDO supported)                           
          Memory           
          Maximum Video    None                                          
          Memory           
          Cache            256/512KB (located on Pentium II CPU)         
          BIOS             Unidentified                                  
          Dimensions       300mm x 230mm                                 
          I/O Options      32-bit PCI slots (4), floppy drive interface, 
                           IDE interfaces (2), PS/2 mouse port, serial   
                           ports (2), parallel port, IR connector, USB   
                           connector, ATX power connector, AGP slot      
          NPU Options      None                                          
       
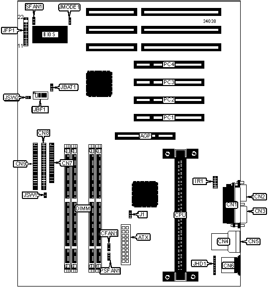
   IMG IMG 1
          
       
          +------------------------------------------------------------+
          |                        CONNECTIONS                         |
          |------------------------------------------------------------|
          | Purpose          | Location | Purpose        |  Location   |
          |------------------+----------+----------------+-------------|
          | AGP slot         |   AGP    | IR connector   |     IR1     |
          |------------------+----------+----------------+-------------|
          | ATX power        |   ATX    | Power LED &    | JFP1/pins 1 |
          | connector        |          | keylock        |     - 5     |
          |------------------+----------+----------------+-------------|
          | Parallel port    |   CN1    | Speaker        | JFP1/pins 7 |
          |                  |          |                |    - 10     |
          |------------------+----------+----------------+-------------|
          | Serial port 1    |   CN2    | Turbo LED      |  JFP1/pins  |
          |                  |          |                |   12 & 13   |
          |------------------+----------+----------------+-------------|
          | Serial port 2    |   CN3    | Reset switch   |  JFP1/pins  |
          |                  |          |                |   19 & 20   |
          |------------------+----------+----------------+-------------|
          | USB connector 1  |   CN4    | IDE interface  |  JFP1/pins  |
          |                  |          | LED            |   21 & 22   |
          |------------------+----------+----------------+-------------|
          | USB connector 2  |   CN5    | Soft off power |    JSW1     |
          |                  |          | supply         |             |
          |------------------+----------+----------------+-------------|
          | PS/2 mouse port  |   CN6    | Soft off power |    JSW2     |
          |                  |          | supply         |             |
          |------------------+----------+----------------+-------------|
          | Floppy drive     |   CN7    | 32-bit PCI     |  PC1 – PC4  |
          | interface        |          | slots          |             |
          |------------------+----------+----------------+-------------|
          | IDE interface 2  |   CN8    | Power supply   |   PSFAN1    |
          |                  |          | fan            |             |
          |------------------+----------+----------------+-------------|
          | IDE interface 1  |   CN9    | Chassis fan    |    SFAN1    |
          |                  |          | power          |             |
          |------------------+----------+----------------+-------------|
          | CPU fan          |  CFAN1   |                |             |
          +------------------------------------------------------------+
       
          +------------------------------------------------------------+
          |                 USER CONFIGURABLE SETTINGS                 |
          |------------------------------------------------------------|
          |              Function              | Label  |   Position   |
          |------------------------------------+--------+--------------|
          | » | Factory configured - do not    |   J1   | Unidentified |
          |   | alter                          |        |              |
          |---+--------------------------------+--------+--------------|
          | » | CMOS memory normal operation   | JBAT1  |  Pins 1 & 2  |
          |   |                                |        |    closed    |
          |---+--------------------------------+--------+--------------|
          |   | CMOS memory clear              | JBAT1  |  Pins 2 & 3  |
          |   |                                |        |    closed    |
          |---+--------------------------------+--------+--------------|
          | » | Factory configured - do not    |  JHD1  | Unidentified |
          |   | alter                          |        |              |
          |---+--------------------------------+--------+--------------|
          | » | Flash BIOS voltage select 5v   | JMODE1 |  Pins 2 & 3  |
          |   |                                |        |    closed    |
          |---+--------------------------------+--------+--------------|
          |   | Flash BIOS voltage select 12v  | JMODE1 |  Pins 1 & 2  |
          |   |                                |        |    closed    |
          +------------------------------------------------------------+
       
          +------------------------------------------------------------+
          |                     DIMM CONFIGURATION                     |
          |------------------------------------------------------------|
          | Size |   Bank 0    |   Bank 1    |   Bank 2   |   Bank 3   |
          |------+-------------+-------------+------------+------------|
          | 8MB  | (1) 1M x 64 |    None     |    None    |    None    |
          |------+-------------+-------------+------------+------------|
          | 16MB | (1) 2M x 64 |    None     |    None    |    None    |
          |------+-------------+-------------+------------+------------|
          | 16MB | (1) 1M x 64 | (1) 1M x 64 |    None    |    None    |
          |------+-------------+-------------+------------+------------|
          | 24MB | (1) 2M x 64 | (1) 1M x 64 |    None    |    None    |
          |------+-------------+-------------+------------+------------|
          | 24MB | (1) 1M x 64 | (1) 1M x 64 |  (1) 1M x  |    None    |
          |      |             |             |     64     |            |
          |------+-------------+-------------+------------+------------|
          | 32MB | (1) 4M x 64 |    None     |    None    |    None    |
          |------+-------------+-------------+------------+------------|
          | 32MB | (1) 2M x 64 | (1) 2M x 64 |    None    |    None    |
          |------+-------------+-------------+------------+------------|
          | 32MB | (1) 1M x 64 | (1) 1M x 64 |  (1) 1M x  |  (1) 1M x  |
          |      |             |             |     64     |     64     |
          |------+-------------+-------------+------------+------------|
          | 40MB | (1) 4M x 64 | (1) 1M x 64 |    None    |    None    |
          |------+-------------+-------------+------------+------------|
          | 48MB | (1) 4M x 64 | (1) 2M x 64 |    None    |    None    |
          |------+-------------+-------------+------------+------------|
          | 48MB | (1) 2M x 64 | (1) 2M x 64 |  (1) 2M x  |    None    |
          |      |             |             |     64     |            |
          |------+-------------+-------------+------------+------------|
          | 64MB | (1) 8M x 64 |    None     |    None    |    None    |
          |------+-------------+-------------+------------+------------|
          | 64MB | (1) 4M x 64 | (1) 4M x 64 |    None    |    None    |
          |------+-------------+-------------+------------+------------|
          | 64MB | (1) 2M x 64 | (1) 2M x 64 |  (1) 2M x  |  (1) 2M x  |
          |      |             |             |     64     |     64     |
          |------+-------------+-------------+------------+------------|
          | 72MB | (1) 8M x 64 | (1) 1M x 64 |    None    |    None    |
          |------+-------------+-------------+------------+------------|
          | 80MB | (1) 8M x 64 | (1) 2M x 64 |    None    |    None    |
          |------+-------------+-------------+------------+------------|
          | 96MB | (1) 8M x 64 | (1) 4M x 64 |    None    |    None    |
          +------------------------------------------------------------+
       
          +------------------------------------------------------------+
          |                 DIMM CONFIGURATION (CON’T)                 |
          |------------------------------------------------------------|
          |  Size   |    Bank 0    |  Bank 1   |  Bank 2   |  Bank 3   |
          |---------+--------------+-----------+-----------+-----------|
          |  96MB   | (1) 4M x 64  | (1) 4M x  | (1) 4M x  |   None    |
          |         |              |    64     |    64     |           |
          |---------+--------------+-----------+-----------+-----------|
          |  128MB  | (1) 8M x 64  | (1) 8M x  |   None    |   None    |
          |         |              |    64     |           |           |
          |---------+--------------+-----------+-----------+-----------|
          |  128MB  | (1) 4M x 64  | (1) 4M x  | (1) 4M x  | (1) 4M x  |
          |         |              |    64     |    64     |    64     |
          |---------+--------------+-----------+-----------+-----------|
          |  128MB  | (1) 16M x 64 |   None    |   None    |   None    |
          |---------+--------------+-----------+-----------+-----------|
          |  192MB  | (1) 8M x 64  | (1) 8M x  | (1) 8M x  |   None    |
          |         |              |    64     |    64     |           |
          |---------+--------------+-----------+-----------+-----------|
          |  256MB  | (1) 8M x 64  | (1) 8M x  | (1) 8M x  | (1) 8M x  |
          |         |              |    64     |    64     |    64     |
          |---------+--------------+-----------+-----------+-----------|
          |  256MB  | (1) 16M x 64 | (1) 16M x |   None    |   None    |
          |         |              |    64     |           |           |
          |---------+--------------+-----------+-----------+-----------|
          |  256MB  | (1) 32M x 64 |   None    |   None    |   None    |
          |---------+--------------+-----------+-----------+-----------|
          |  384MB  | (1) 16M x 64 | (1) 16M x | (1) 16M x |   None    |
          |         |              |    64     |    64     |           |
          |---------+--------------+-----------+-----------+-----------|
          |  512MB  | (1) 16M x 64 | (1) 16M x | (1) 16M x | (1) 16M x |
          |         |              |    64     |    64     |    64     |
          |---------+--------------+-----------+-----------+-----------|
          |  512MB  | (1) 32M x 64 | (1) 32M x |   None    |   None    |
          |         |              |    64     |           |           |
          |---------+--------------+-----------+-----------+-----------|
          |  768MB  | (1) 32M x 64 | (1) 32M x | (1) 32M x |   None    |
          |         |              |    64     |    64     |           |
          |---------+--------------+-----------+-----------+-----------|
          |   1GB   | (1) 32M x 64 | (1) 32M x | (1) 32M x | (1) 32M x |
          |         |              |    64     |    64     |    64     |
          |------------------------------------------------------------|
          | Note: If SDRAM are used the maximum memory is 512MB. If    |
          | EDO is used the maximum memory is 1GB.                     |
          +------------------------------------------------------------+
       
          +------------------------------------------------------------+
          |                    CACHE CONFIGURATION                     |
          |------------------------------------------------------------|
          | Note: 256KB/512KB cache is located on the Pentium II CPU.  |
          +------------------------------------------------------------+
       
          +------------------------------------------------------------+
          |                    CPU SPEED SELECTION                     |
          |------------------------------------------------------------|
          |     Speed      |  JBF1/1  |  JBF1/2  |  JBF1/3  |  JBF1/4  |
          |----------------+----------+----------+----------+----------|
          |     200MHz     |    On    |   Off    |    On    |    On    |
          |----------------+----------+----------+----------+----------|
          |     233MHz     |    On    |   Off    |   Off    |    On    |
          |----------------+----------+----------+----------+----------|
          |     266MHz     |   Off    |    On    |    On    |    On    |
          |----------------+----------+----------+----------+----------|
          |     300MHz     |   Off    |    On    |   Off    |    On    |
          |----------------+----------+----------+----------+----------|
          |     333MHz     |   Off    |   Off    |    On    |    On    |
          +------------------------------------------------------------+