URI: 
  TEXT View Source
       
       # MICRONICS COMPUTERS, INC.
       
          REDSTONE
       
          Device Type      Mainboard                                     
          Processor        Pentium II                                    
          Processor Speed  233/266/300/333/350/400MHz                    
          Chip Set         Intel                                         
          Video Chip Set   None                                          
          Maximum Onboard  768MB (SDRAM supported)                       
          Memory           
          Maximum Video    None                                          
          Memory           
          Cache            256/512KB (located on Pentium II CPU)         
          BIOS             Phoenix                                       
          Dimensions       305mm x 244mm                                 
          I/O Options      32-bit PCI slots (4), floppy drive interface, 
                           game/MIDI port, IDE interfaces (2), parallel  
                           port, PS/2 mouse port, serial ports (2), USB  
                           connectors (2), ATX power connector, AGP      
                           slot, line in, line out, microphone in, audio 
                           in – CD-ROM                                   
          NPU Options      None                                          
       
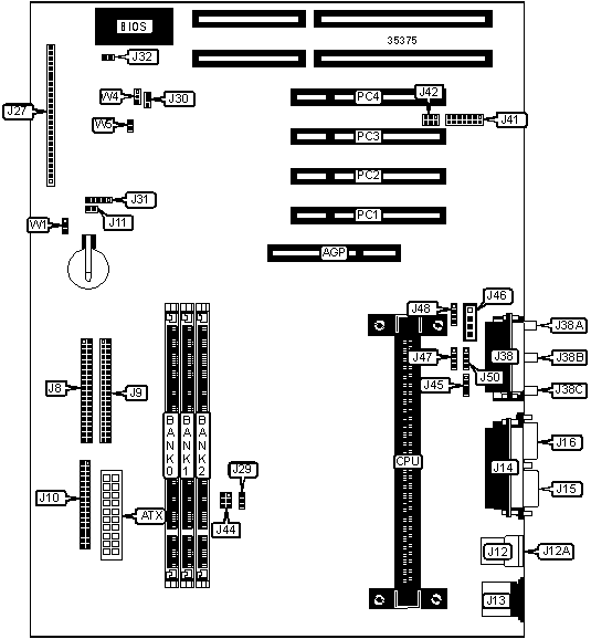
   IMG IMG 1
          
       
          +------------------------------------------------------------+
          |                        CONNECTIONS                         |
          |------------------------------------------------------------|
          | Purpose         |  Location  | Purpose         | Location  |
          |-----------------+------------+-----------------+-----------|
          | AGP slot        |    AGP     | CPU fan power 1 |    J29    |
          |-----------------+------------+-----------------+-----------|
          | ATX power       |    ATX     | Chassis fan     |    J30    |
          | connector       |            | power           |           |
          |-----------------+------------+-----------------+-----------|
          | IDE interface 1 |     J8     | I2C connector   |    J31    |
          |-----------------+------------+-----------------+-----------|
          | IDE interface 2 |     J9     | Chassis         |    J32    |
          |                 |            | intrusion alarm |           |
          |-----------------+------------+-----------------+-----------|
          | Floppy drive    |    J10     | Game/MIDI port  |    J38    |
          | interface       |            |                 |           |
          |-----------------+------------+-----------------+-----------|
          | IDE interface   |    J11     | Microphone in   |   J38A    |
          | LED             |            |                 |           |
          |-----------------+------------+-----------------+-----------|
          | USB connector 1 |    J12     | Line in         |   J38B    |
          |-----------------+------------+-----------------+-----------|
          | USB connector 2 |    J12A    | Line out        |   J38C    |
          |-----------------+------------+-----------------+-----------|
          | PS/2 mouse port |    J13     | PCI sideband    |    J41    |
          |                 |            | connector       |           |
          |-----------------+------------+-----------------+-----------|
          | Parallel port   |    J14     | PCI sideband    |    J42    |
          |                 |            | connector       |           |
          |-----------------+------------+-----------------+-----------|
          | Serial port 1   |    J15     | Audio auxiliary |    J45    |
          |                 |            | input           |           |
          |-----------------+------------+-----------------+-----------|
          | Serial port 2   |    J16     | Audio in –      |    J46    |
          |                 |            | CD-ROM          |           |
          |-----------------+------------+-----------------+-----------|
          | Soft off power  | J27/pins 1 | Video audio     |    J47    |
          | supply          |    & 2     | input           |           |
          |-----------------+------------+-----------------+-----------|
          | IDE interface   |  J27/pins  | I2S connector   |    J48    |
          | LED             |  13 - 16   |                 |           |
          |-----------------+------------+-----------------+-----------|
          | Power LED       |  J27/pins  | Phone in        |    J50    |
          |                 |  18 – 20   |                 |           |
          |-----------------+------------+-----------------+-----------|
          | Reset switch    |  J27/pins  | 32-bit PCI      | PC1 – PC4 |
          |                 |  22 & 23   | slots           |           |
          |-----------------+------------+-----------------+-----------|
          | Speaker         |  J27/pins  |                 |           |
          |                 |  24 - 27   |                 |           |
          +------------------------------------------------------------+
       
          +------------------------------------------------------------+
          |                 USER CONFIGURABLE SETTINGS                 |
          |------------------------------------------------------------|
          |              Function               | Label |   Position   |
          |-------------------------------------+-------+--------------|
          | » | CPU speed select from BIOS      |  W1   |  Pins 1 & 2  |
          |   | disabled                        |       |    closed    |
          |---+---------------------------------+-------+--------------|
          |   | CPU speed select from BIOS      |  W1   |  Pins 2 & 3  |
          |   | enabled                         |       |    closed    |
          |---+---------------------------------+-------+--------------|
          | » | CMOS memory normal operation    |  W4   |  Pins 1 & 2  |
          |   |                                 |       |    closed    |
          |---+---------------------------------+-------+--------------|
          |   | CMOS memory clear               |  W4   |  Pins 2 & 3  |
          |   |                                 |       |    closed    |
          |---+---------------------------------+-------+--------------|
          | » | Factory configured - do not     |  W5   | Unidentified |
          |   | alter                           |       |              |
          +------------------------------------------------------------+
       
          +------------------------------------------------------------+
          |                     DIMM CONFIGURATION                     |
          |------------------------------------------------------------|
          |    Size    |    Bank 0     |    Bank 1     |    Bank 2     |
          |------------+---------------+---------------+---------------|
          |    8MB     |  (1) 1M x 64  |     None      |     None      |
          |------------+---------------+---------------+---------------|
          |    16MB    |  (1) 1M x 64  |  (1) 1M x 64  |     None      |
          |------------+---------------+---------------+---------------|
          |    16MB    |  (1) 2M x 64  |     None      |     None      |
          |------------+---------------+---------------+---------------|
          |    24MB    |  (1) 1M x 64  |  (1) 1M x 64  |  (1) 1M x 64  |
          |------------+---------------+---------------+---------------|
          |    32MB    |  (1) 2M x 64  |  (1) 2M x 64  |     None      |
          |------------+---------------+---------------+---------------|
          |    32MB    |  (1) 4M x 64  |     None      |     None      |
          |------------+---------------+---------------+---------------|
          |    48MB    |  (1) 2M x 64  |  (1) 2M x 64  |  (1) 2M x 64  |
          |------------+---------------+---------------+---------------|
          |    64MB    |  (1) 4M x 64  |  (1) 4M x 64  |     None      |
          +------------------------------------------------------------+
       
          +------------------------------------------------------------+
          |                 DIMM CONFIGURATION (CON’T)                 |
          |------------------------------------------------------------|
          |    Size    |    Bank 0     |    Bank 1     |    Bank 2     |
          |------------+---------------+---------------+---------------|
          |    64MB    |  (1) 8M x 64  |     None      |     None      |
          |------------+---------------+---------------+---------------|
          |    96MB    |  (1) 4M x 64  |  (1) 4M x 64  |  (1) 4M x 64  |
          |------------+---------------+---------------+---------------|
          |   128MB    |  (1) 8M x 64  |  (1) 8M x 64  |     None      |
          |------------+---------------+---------------+---------------|
          |   128MB    | (1) 16M x 64  |     None      |     None      |
          |------------+---------------+---------------+---------------|
          |   136MB    | (1) 16M x 64  |  (1) 1M x 64  |     None      |
          |------------+---------------+---------------+---------------|
          |   144MB    | (1) 16M x 64  |  (1) 1M x 64  |  (1) 1M x 64  |
          |------------+---------------+---------------+---------------|
          |   144MB    | (1) 16M x 64  |  (1) 2M x 64  |     None      |
          |------------+---------------+---------------+---------------|
          |   160MB    | (1) 16M x 64  |  (1) 2M x 64  |  (1) 2M x 64  |
          |------------+---------------+---------------+---------------|
          |   160MB    | (1) 16M x 64  |  (1) 4M x 64  |     None      |
          |------------+---------------+---------------+---------------|
          |   192MB    | (1) 16M x 64  |  (1) 4M x 64  |  (1) 4M x 64  |
          |------------+---------------+---------------+---------------|
          |   192MB    | (1) 16M x 64  |  (1) 8M x 64  |     None      |
          |------------+---------------+---------------+---------------|
          |   192MB    |  (1) 8M x 64  |  (1) 8M x 64  |  (1) 8M x 64  |
          |------------+---------------+---------------+---------------|
          |   256MB    | (1) 16M x 64  |  (1) 8M x 64  |  (1) 8M x 64  |
          |------------+---------------+---------------+---------------|
          |   256MB    | (1) 16M x 64  | (1) 16M x 64  |     None      |
          |------------+---------------+---------------+---------------|
          |   256MB    | (1) 32M x 64  |     None      |     None      |
          |------------+---------------+---------------+---------------|
          |   264MB    | (1) 32M x 64  |  (1) 1M x 64  |     None      |
          |------------+---------------+---------------+---------------|
          |   272MB    | (1) 32M x 64  |  (1) 1M x 64  |  (1) 1M x 64  |
          |------------+---------------+---------------+---------------|
          |   272MB    | (1) 32M x 64  |  (1) 2M x 64  |     None      |
          |------------+---------------+---------------+---------------|
          |   288MB    | (1) 32M x 64  |  (1) 2M x 64  |  (1) 2M x 64  |
          |------------+---------------+---------------+---------------|
          |   288MB    | (1) 32M x 64  |  (1) 4M x 64  |     None      |
          |------------+---------------+---------------+---------------|
          |   320MB    | (1) 32M x 64  |  (1) 4M x 64  |  (1) 4M x 64  |
          |------------+---------------+---------------+---------------|
          |   320MB    | (1) 32M x 64  |  (1) 8M x 64  |     None      |
          |------------+---------------+---------------+---------------|
          |   384MB    | (1) 32M x 64  |  (1) 8M x 64  |  (1) 8M x 64  |
          |------------+---------------+---------------+---------------|
          |   384MB    | (1) 32M x 64  | (1) 16M x 64  |     None      |
          |------------+---------------+---------------+---------------|
          |   384MB    | (1) 16M x 64  | (1) 16M x 64  | (1) 16M x 64  |
          |------------+---------------+---------------+---------------|
          |   512MB    | (1) 32M x 64  | (1) 16M x 64  | (1) 16M x 64  |
          |------------+---------------+---------------+---------------|
          |   512MB    | (1) 32M x 64  | (1) 32M x 64  |     None      |
          |------------+---------------+---------------+---------------|
          |   768MB    | (1) 32M x 64  | (1) 32M x 64  | (1) 32M x 64  |
          |------------------------------------------------------------|
          |      Note: Board accepts SDRAM memory.                     |
          +------------------------------------------------------------+
       
          +------------------------------------------------------------+
          |                    CACHE CONFIGURATION                     |
          |------------------------------------------------------------|
          | Note: 256KB/512KB cache is located on the Pentium II CPU.  |
          +------------------------------------------------------------+