URI: 
  TEXT View Source
       
       # MICRO-STAR INTERNATIONAL CO., LTD.
       
          MS-5176
       
          Device Type      Mainboard                                     
          Processor        Cyrix GX                                      
          Processor Speed  200/233/266MHz                                
          Chip Set         CX 5520                                       
          Video Chip Set   Cyrix                                         
          Maximum Onboard  512MB (SDRAM supported)                       
          Memory           
          Maximum Video    1MB                                           
          Memory           
          Audio Chip Set   Cyrix                                         
          Cache            Unidentified                                  
          BIOS             Award                                         
          Dimensions       244mm x 176mm                                 
          I/O Options      32-bit PCI slots (3), floppy drive interface, 
                           game/MIDI port, green PC connector, IDE       
                           interfaces (2), parallel port, PS/2 mouse     
                           port, serial ports (2), IR connector, USB     
                           connectors (2), ATX power connector, line in, 
                           line out, microphone in, audio in – CD-ROMs   
                           (2), wake on LAN connector, wake on modem     
                           connector                                     
       
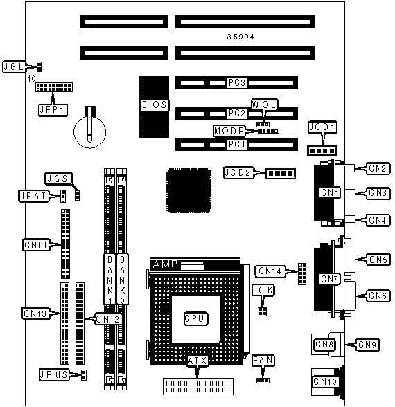
   IMG IMG 1
          
       
          +------------------------------------------------------------+
          |                        CONNECTIONS                         |
          |------------------------------------------------------------|
          | Purpose          | Location | Purpose         |  Location  |
          |------------------+----------+-----------------+------------|
          | ATX power        |   ATX    | Power supply    |    FAN     |
          | connector        |          | fan             |            |
          |------------------+----------+-----------------+------------|
          | Game/MIDI port   |   CN1    | Audio in –      |    JCD1    |
          |                  |          | CD-ROM          |            |
          |------------------+----------+-----------------+------------|
          | Microphone in    |   CN2    | Audio in –      |    JCD2    |
          |                  |          | CD-ROM          |            |
          |------------------+----------+-----------------+------------|
          | Line in          |   CN3    | Keylock         | JFP1/pins  |
          |                  |          |                 |   1 & 10   |
          |------------------+----------+-----------------+------------|
          | Line out         |   CN4    | IDE interface   | JFP1/pins  |
          |                  |          | LED             |   3 & 13   |
          |------------------+----------+-----------------+------------|
          | VGA port         |   CN5    | Power LED       | JFP1/pins  |
          |                  |          |                 |   4 - 6    |
          |------------------+----------+-----------------+------------|
          | Serial port 1    |   CN6    | Power switch    | JFP1/pins  |
          |                  |          |                 |   7 & 8    |
          |------------------+----------+-----------------+------------|
          | Parallel port    |   CN7    | Speaker         | JFP1/pins  |
          |                  |          |                 |  13 - 16   |
          |------------------+----------+-----------------+------------|
          | USB connector 1  |   CN8    | Reset switch    | JFP1/pins  |
          |                  |          |                 |  17 & 18   |
          |------------------+----------+-----------------+------------|
          | USB connector 2  |   CN9    | Green PC LED    |    JGL     |
          |------------------+----------+-----------------+------------|
          | PS/2 mouse port  |   CN10   | Green PC        |    JGS     |
          |                  |          | connector       |            |
          |------------------+----------+-----------------+------------|
          | IDE interface 2  |   CN11   | Soft off power  |    JRMS    |
          |                  |          | supply          |            |
          |------------------+----------+-----------------+------------|
          | IDE interface 1  |   CN12   | Wake on modem   |    MODE    |
          |                  |          | connector       |            |
          |------------------+----------+-----------------+------------|
          | Floppy drive     |   CN13   | 32-bit PCI      | PC1 – PC3  |
          | interface        |          | slots           |            |
          |------------------+----------+-----------------+------------|
          | Serial port 2    |   CN14   | Wake on LAN     |    WOL     |
          |                  |          | connector       |            |
          +------------------------------------------------------------+
       
          +------------------------------------------------------------+
          |                 USER CONFIGURABLE SETTINGS                 |
          |------------------------------------------------------------|
          |             Function             | Label |    Position     |
          |----------------------------------+-------+-----------------|
          | » | CMOS memory normal operation | JBAT  |   Pins 1 & 2    |
          |   |                              |       |     closed      |
          |---+------------------------------+-------+-----------------|
          |   | CMOS memory clear            | JBAT  |   Pins 2 & 3    |
          |   |                              |       |     closed      |
          +------------------------------------------------------------+
       
          +------------------------------------------------------------+
          |                     DIMM CONFIGURATION                     |
          |------------------------------------------------------------|
          |       Size       |       Bank 0       |       Bank 1       |
          |------------------+--------------------+--------------------|
          |       8MB        |    (1) 1M x 64     |        None        |
          |------------------+--------------------+--------------------|
          |       16MB       |    (1) 2M x 64     |        None        |
          |------------------+--------------------+--------------------|
          |       16MB       |    (1) 1M x 64     |    (1) 1M x 64     |
          |------------------+--------------------+--------------------|
          |       24MB       |    (1) 2M x 64     |    (1) 1M x 64     |
          |------------------+--------------------+--------------------|
          |       32MB       |    (1) 4M x 64     |        None        |
          |------------------+--------------------+--------------------|
          |       32MB       |    (1) 2M x 64     |    (1) 2M x 64     |
          |------------------+--------------------+--------------------|
          |       40MB       |    (1) 4M x 64     |    (1) 1M x 64     |
          |------------------+--------------------+--------------------|
          |       48MB       |    (1) 4M x 64     |    (1) 2M x 64     |
          |------------------+--------------------+--------------------|
          |       64MB       |    (1) 8M x 64     |        None        |
          |------------------+--------------------+--------------------|
          |       64MB       |    (1) 4M x 64     |    (1) 4M x 64     |
          |------------------+--------------------+--------------------|
          |       72MB       |    (1) 8M x 64     |    (1) 1M x 64     |
          |------------------+--------------------+--------------------|
          |       80MB       |    (1) 8M x 64     |    (1) 2M x 64     |
          |------------------+--------------------+--------------------|
          |       96MB       |    (1) 8M x 64     |    (1) 4M x 64     |
          |------------------+--------------------+--------------------|
          |      128MB       |    (1) 8M x 64     |    (1) 8M x 64     |
          |------------------+--------------------+--------------------|
          |      128MB       |    (1) 16M x 64    |        None        |
          |------------------+--------------------+--------------------|
          |      136MB       |    (1) 16M x 64    |    (1) 1M x 64     |
          |------------------+--------------------+--------------------|
          |      144MB       |    (1) 16M x 64    |    (1) 2M x 64     |
          |------------------+--------------------+--------------------|
          |      160MB       |    (1) 16M x 64    |    (1) 4M x 64     |
          +------------------------------------------------------------+
       
          +------------------------------------------------------------+
          |                 DIMM CONFIGURATION (CON’T)                 |
          |------------------------------------------------------------|
          |       Size       |       Bank 0       |       Bank 1       |
          |------------------+--------------------+--------------------|
          |      192MB       |    (1) 16M x 64    |    (1) 8M x 64     |
          |------------------+--------------------+--------------------|
          |      256MB       |    (1) 16M x 64    |    (1) 16M x 64    |
          |------------------+--------------------+--------------------|
          |      256MB       |    (1) 32M x 64    |        None        |
          |------------------+--------------------+--------------------|
          |      264MB       |    (1) 32M x 64    |    (1) 1M x 64     |
          |------------------+--------------------+--------------------|
          |      272MB       |    (1) 32M x 64    |    (1) 2M x 64     |
          |------------------+--------------------+--------------------|
          |      288MB       |    (1) 32M x 64    |    (1) 4M x 64     |
          |------------------+--------------------+--------------------|
          |      320MB       |    (1) 32M x 64    |    (1) 8M x 64     |
          |------------------+--------------------+--------------------|
          |      384MB       |    (1) 32M x 64    |    (1) 16M x 64    |
          |------------------+--------------------+--------------------|
          |      512MB       |    (1) 32M x 64    |    (1) 32M x 64    |
          |------------------------------------------------------------|
          |      Note: Board accepts SDRAM memory.                     |
          +------------------------------------------------------------+
       
          +------------------------------------------------------------+
          |                    CACHE CONFIGURATION                     |
          |------------------------------------------------------------|
          | Note: The size & location of the cache is unidentified.    |
          +------------------------------------------------------------+
       
          +------------------------------------------------------------+
          |                 VIDEO MEMORY CONFIGURATION                 |
          |------------------------------------------------------------|
          | Note: The size & location of the video memory is           |
          | unidentified.                                              |
          +------------------------------------------------------------+
       
          +------------------------------------------------------------+
          |                    CPU SPEED SELECTION                     |
          |------------------------------------------------------------|
          | CPU speed  | Clock speed  | Multiplier |        JCK        |
          |------------+--------------+------------+-------------------|
          |   200MHz   |    66MHz     |     3x     | Pins 1 & 2 closed |
          |------------+--------------+------------+-------------------|
          |   233MHz   |    66MHz     |    3.5x    | Pins 3 & 4 closed |
          |------------+--------------+------------+-------------------|
          |   266MHz   |    66MHz     |     4x     |       Open        |
          +------------------------------------------------------------+