URI: 
  TEXT View Source
       
       # SUPER MICRO
       
          P6SNA
       
          Processor        Pentium Pro                                   
          Processor Speed  150/166/180/200MHz                            
          Chip Set         Intel                                         
          Video Chip Set   None                                          
          Maximum Onboard  512MB (EDO supported)                         
          Memory           
          Maximum Video    None                                          
          Memory           
          Cache            256/512KB (located on Pentium Pro CPU)        
          BIOS             AMI                                           
          Dimensions       305mm x 249mm                                 
          I/O Options      32-bit PCI slots (4), floppy drive interface, 
                           green PC connector, IDE interfaces (2),       
                           parallel port, PS/2 mouse port, serial ports  
                           (2), IR connector, USB connectors (2), ATX    
                           power connector, power on connector           
          NPU Options      None                                          
       
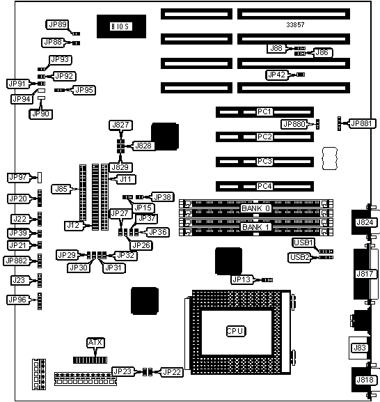
   IMG IMG 1
          
       
          +------------------------------------------------------------+
          |                        CONNECTIONS                         |
          |------------------------------------------------------------|
          | Purpose           | Location | Purpose          | Location |
          |-------------------+----------+------------------+----------|
          | ATX power         |   ATX    | Green PC         |   JP39   |
          | connector         |          | connector        |          |
          |-------------------+----------+------------------+----------|
          | IDE interface 1   |   J11    | Buzzer           |   JP89   |
          |-------------------+----------+------------------+----------|
          | IDE interface 2   |   J12    | Chassis fan      |   JP91   |
          |                   |          | power            |          |
          |-------------------+----------+------------------+----------|
          | Speaker           |   J22    | Chassis fan      |   JP92   |
          |                   |          | power            |          |
          |-------------------+----------+------------------+----------|
          | IDE interface LED |   J23    | Chassis fan      |   JP93   |
          |                   |          | power            |          |
          |-------------------+----------+------------------+----------|
          | PS/2 mouse port   |   J83    | IR connector     |   JP96   |
          |-------------------+----------+------------------+----------|
          | Floppy drive      |   J85    | External battery |  JP881   |
          | interface         |          |                  |          |
          |-------------------+----------+------------------+----------|
          | Parallel port     |   J817   | Power on         |  JP882   |
          |                   |          | connector        |          |
          |-------------------+----------+------------------+----------|
          | Serial port 1     |   J818   | 32-bit PCI slots | PC1- PC4 |
          |-------------------+----------+------------------+----------|
          | Serial port 2     |   J824   | USB connector 1  |   USB1   |
          |-------------------+----------+------------------+----------|
          | Power LED &       |   JP20   | USB connector 2  |   USB2   |
          | keylock           |          |                  |          |
          |-------------------+----------+------------------+----------|
          | Reset switch      |   JP21   |                  |          |
          +------------------------------------------------------------+
       
          +------------------------------------------------------------+
          |                 USER CONFIGURABLE SETTINGS                 |
          |------------------------------------------------------------|
          |              Function               | Label |   Position   |
          |-------------------------------------+-------+--------------|
          | » | Factory configured - do not     |  J86  |  Pins 1 & 2  |
          |   | alter                           |       |    closed    |
          |---+---------------------------------+-------+--------------|
          | » | Factory configured - do not     |  J88  |  Pins 1 & 2  |
          |   | alter                           |       |    closed    |
          |---+---------------------------------+-------+--------------|
          | » | Factory configured - do not     | J827  |    Closed    |
          |   | alter                           |       |              |
          |---+---------------------------------+-------+--------------|
          | » | Factory configured - do not     | J828  |    Closed    |
          |   | alter                           |       |              |
          |---+---------------------------------+-------+--------------|
          | » | Factory configured - do not     | J829  |    Closed    |
          |   | alter                           |       |              |
          |---+---------------------------------+-------+--------------|
          | » | Factory configured - do not     | JP13  |  Pins 2 & 3  |
          |   | alter                           |       |    closed    |
          |---+---------------------------------+-------+--------------|
          | » | Factory configured - do not     | JP15  |  Pins 2 & 3  |
          |   | alter                           |       |    closed    |
          |---+---------------------------------+-------+--------------|
          | » | Factory configured - do not     | JP22  |     Open     |
          |   | alter                           |       |              |
          |---+---------------------------------+-------+--------------|
          | » | Factory configured - do not     | JP23  |     Open     |
          |   | alter                           |       |              |
          |---+---------------------------------+-------+--------------|
          | » | Factory configured - do not     | JP26  |     Open     |
          |   | alter                           |       |              |
          |---+---------------------------------+-------+--------------|
          | » | Factory configured - do not     | JP27  |    Closed    |
          |   | alter                           |       |              |
          |---+---------------------------------+-------+--------------|
          | » | Factory configured - do not     | JP38  |     Open     |
          |   | alter                           |       |              |
          |---+---------------------------------+-------+--------------|
          | » | Factory configured - do not     | JP88  |     Open     |
          |   | alter                           |       |              |
          |---+---------------------------------+-------+--------------|
          |   | ISA CLK = PCI CLK/4             | JP42  |    Closed    |
          |---+---------------------------------+-------+--------------|
          |   | ISA CLK = PCI CLK/3             | JP42  |     Open     |
          |---+---------------------------------+-------+--------------|
          | » | Factory configured - do not     | JP90  | Unidentified |
          |   | alter                           |       |              |
          |---+---------------------------------+-------+--------------|
          | » | Factory configured - do not     | JP94  | Unidentified |
          |   | alter                           |       |              |
          |---+---------------------------------+-------+--------------|
          | » | Factory configured - do not     | JP97  | Unidentified |
          |   | alter                           |       |              |
          |---+---------------------------------+-------+--------------|
          | » | CMOS memory normal operation    | JP880 |  Pins 1 & 2  |
          |   |                                 |       |    closed    |
          |---+---------------------------------+-------+--------------|
          |   | CMOS memory clear               | JP880 |  Pins 2 & 3  |
          |   |                                 |       |    closed    |
          +------------------------------------------------------------+
       
          +------------------------------------------------------------+
          |                     DRAM CONFIGURATION                     |
          |------------------------------------------------------------|
          |       Size       |       Bank 0       |       Bank 1       |
          |------------------+--------------------+--------------------|
          |       8MB        |    (2) 1M x 36     |        None        |
          |------------------+--------------------+--------------------|
          |       16MB       |    (2) 2M x 36     |        None        |
          |------------------+--------------------+--------------------|
          |       16MB       |    (2) 1M x 36     |    (2) 1M x 36     |
          |------------------+--------------------+--------------------|
          |       24MB       |    (2) 2M x 36     |    (2) 1M x 36     |
          +------------------------------------------------------------+
       
          +------------------------------------------------------------+
          |                 DRAM CONFIGURATION (CON’T)                 |
          |------------------------------------------------------------|
          |     Size     |         Bank 0         |       Bank 1       |
          |--------------+------------------------+--------------------|
          |     32MB     |      (2) 4M x 36       |        None        |
          |--------------+------------------------+--------------------|
          |     32MB     |      (2) 2M x 36       |    (2) 2M x 36     |
          |--------------+------------------------+--------------------|
          |     40MB     |      (2) 4M x 36       |    (2) 1M x 36     |
          |--------------+------------------------+--------------------|
          |     48MB     |      (2) 2M x 36       |    (2) 4M x 36     |
          |--------------+------------------------+--------------------|
          |     64MB     |      (2) 8M x 36       |        None        |
          |--------------+------------------------+--------------------|
          |     64MB     |      (2) 4M x 36       |    (2) 4M x 36     |
          |--------------+------------------------+--------------------|
          |     72MB     |      (2) 8M x 36       |    (2) 1M x 36     |
          |--------------+------------------------+--------------------|
          |     80MB     |      (2) 2M x 36       |    (2) 8M x 36     |
          |--------------+------------------------+--------------------|
          |     96MB     |      (2) 8M x 36       |    (2) 4M x 36     |
          |--------------+------------------------+--------------------|
          |    128MB     |      (2) 16M x 36      |        None        |
          |--------------+------------------------+--------------------|
          |    128MB     |      (2) 8M x 36       |    (2) 8M x 36     |
          |--------------+------------------------+--------------------|
          |    136MB     |      (2) 16M x 36      |    (2) 1M x 36     |
          |--------------+------------------------+--------------------|
          |    144MB     |      (2) 16M x 36      |    (2) 2M x 36     |
          |--------------+------------------------+--------------------|
          |    160MB     |      (2) 16M x 36      |    (2) 4M x 36     |
          |--------------+------------------------+--------------------|
          |    192MB     |      (2) 16M x 36      |    (2) 8M x 36     |
          |--------------+------------------------+--------------------|
          |    256MB     |      (2) 32M x 36      |        None        |
          |--------------+------------------------+--------------------|
          |    256MB     |      (2) 16M x 36      |    (2) 16M x 36    |
          |--------------+------------------------+--------------------|
          |    264MB     |      (2) 32M x 36      |    (2) 1M x 36     |
          |--------------+------------------------+--------------------|
          |    272MB     |      (2) 32M x 36      |    (2) 2M x 36     |
          |--------------+------------------------+--------------------|
          |    288MB     |      (2) 32M x 36      |    (2) 4M x 36     |
          |--------------+------------------------+--------------------|
          |    320MB     |      (2) 32M x 36      |    (2) 8M x 36     |
          |--------------+------------------------+--------------------|
          |    384MB     |      (2) 32M x 36      |    (2) 16M x 36    |
          |--------------+------------------------+--------------------|
          |    512MB     |      (2) 32M x 36      |    (2) 32M x 36    |
          |------------------------------------------------------------|
          | Note: Board accepts EDO memory. Board also accepts x 32    |
          | SIMMs. Banks are interchangeable.                          |
          +------------------------------------------------------------+
       
          +------------------------------------------------------------+
          |                    CACHE CONFIGURATION                     |
          |------------------------------------------------------------|
          | Note: 256KB/512KB cache is located on the Pentium Pro CPU. |
          +------------------------------------------------------------+
       
          +------------------------------------------------------------+
          |                    CPU SPEED SELECTION                     |
          |------------------------------------------------------------|
          | Speed  |  JP29  |  JP30  |  JP31  |  JP32  | JP36  | JP37  |
          |--------+--------+--------+--------+--------+-------+-------|
          | 150MHz |  Open  | Closed | Closed | Closed |Closed | Open  |
          |--------+--------+--------+--------+--------+-------+-------|
          | 166MHz |  Open  | Closed | Closed | Closed | Open  |Closed |
          |--------+--------+--------+--------+--------+-------+-------|
          | 180MHz | Closed |  Open  | Closed | Closed |Closed | Open  |
          |--------+--------+--------+--------+--------+-------+-------|
          | 200MHz | Closed |  Open  | Closed | Closed | Open  |Closed |
          +------------------------------------------------------------+
       
          +------------------------------------------------------------+
          |                 THERMAL CONTROL SELECTION                  |
          |------------------------------------------------------------|
          |     Turn on      |     Shut down      |        JP95        |
          |------------------+--------------------+--------------------|
          |    |     55      |         37         | Pins 1 & 2 closed  |
          |----+-------------+--------------------+--------------------|
          |    |     64      |         50         | Pins 2 & 3 closed  |
          |----+-------------+--------------------+--------------------|
          | »  |     72      |         43         |        Open        |
          |------------------------------------------------------------|
          | Note: Temperature is in Celsius.                           |
          +------------------------------------------------------------+