URI: 
  TEXT View Source
       
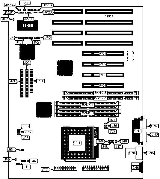
       # SUPER MICRO
       
          P5MMA98
       
          Processor        CX 6X86/IBM 6X86/AM K5/AM K6/Pentium          
          Processor Speed  75/90/100/120/133/150/166/180/200/233MHz      
          Chip Set         Intel                                         
          Video Chip Set   None                                          
          Maximum Onboard  256MB (EDO supported)                         
          Memory           
          Maximum Video    None                                          
          Memory           
          Cache            512KB                                         
          BIOS             AMI                                           
          Dimensions       330mm x 218mm                                 
          I/O Options      32-bit PCI slots (4), floppy drive interface, 
                           IDE interfaces (2), parallel port, PS/2 mouse 
                           port, serial ports (2), IR connector, USB     
                           connectors (2), ATX power connector           
          NPU Options      None                                          
       
   IMG IMG 1
          
       
          +------------------------------------------------------------+
          |                        CONNECTIONS                         |
          |------------------------------------------------------------|
          | Purpose           | Location | Purpose          | Location |
          |-------------------+----------+------------------+----------|
          | ATX power         |   ATX    | Chassis fan      |   J44    |
          | connector         |          | power            |          |
          |-------------------+----------+------------------+----------|
          | Parallel port     |   CN1    | CPU fan power    |   J51    |
          |-------------------+----------+------------------+----------|
          | Serial port 1     |   CN2    | Overheat fan     |   JP9    |
          |-------------------+----------+------------------+----------|
          | Serial port 2     |   CN3    | External battery |   JP3    |
          |-------------------+----------+------------------+----------|
          | USB connector     |   CN4    | IR connector     |  JP23A   |
          |-------------------+----------+------------------+----------|
          | USB connector     |   CN5    | Soft off power   |  JP23B   |
          |                   |          | supply           |          |
          |-------------------+----------+------------------+----------|
          | PS/2 mouse port   |   CN6    | Reset switch     |  JP23C   |
          |-------------------+----------+------------------+----------|
          | Floppy drive      |   J19    | IDE interface    |  JP23D   |
          | interface         |          | LED              |          |
          |-------------------+----------+------------------+----------|
          | IDE interface 2   |   J20    | Power LED &      |  JP23E   |
          |                   |          | keylock          |          |
          |-------------------+----------+------------------+----------|
          | IDE interface 1   |   J21    | Speaker          |  JP23F   |
          |-------------------+----------+------------------+----------|
          | Overheat fan      |   J41    | 32-bit PCI slots |  PC1 –   |
          |                   |          |                  |   PC4    |
          |-------------------+----------+------------------+----------|
          | Overheat LED      |   J42    |                  |          |
          +------------------------------------------------------------+
       
          +------------------------------------------------------------+
          |                 USER CONFIGURABLE SETTINGS                 |
          |------------------------------------------------------------|
          |               Function                | Label |  Position  |
          |---------------------------------------+-------+------------|
          | » | Flash BIOS flash enabled          |  J7   | Pins 1 & 2 |
          |   |                                   |       |   closed   |
          |---+-----------------------------------+-------+------------|
          |   | Flash BIOS protect enabled        |  J7   | Pins 2 & 3 |
          |   |                                   |       |   closed   |
          |---+-----------------------------------+-------+------------|
          | » | Factory configured - do not alter |  J40  |    Open    |
          |---+-----------------------------------+-------+------------|
          |   | PC health monitor IRQ select IRQ9 |  J43  | Pins 1 & 2 |
          |   |                                   |       |   closed   |
          |---+-----------------------------------+-------+------------|
          |   | PC health monitor IRQ select IRQ3 |  J43  | Pins 2 & 3 |
          |   |                                   |       |   closed   |
          |---+-----------------------------------+-------+------------|
          | » | CMOS memory normal operation      |  JP2  | Pins 1 & 2 |
          |   |                                   |       |   closed   |
          |---+-----------------------------------+-------+------------|
          |   | CMOS memory clear                 |  JP2  | Pins 2 & 3 |
          |   |                                   |       |   closed   |
          +------------------------------------------------------------+
       
          +------------------------------------------------------------+
          |                     SIMM CONFIGURATION                     |
          |------------------------------------------------------------|
          |       Size       |       Bank 0       |       Bank 1       |
          |------------------+--------------------+--------------------|
          |       8MB        |    (2) 1M x 36     |        None        |
          |------------------+--------------------+--------------------|
          |       16MB       |    (2) 2M x 36     |        None        |
          |------------------+--------------------+--------------------|
          |       16MB       |    (2) 1M x 36     |    (2) 1M x 36     |
          |------------------+--------------------+--------------------|
          |       24MB       |    (2) 2M x 36     |    (2) 1M x 36     |
          |------------------+--------------------+--------------------|
          |       32MB       |    (2) 4M x 36     |        None        |
          |------------------+--------------------+--------------------|
          |       32MB       |    (2) 2M x 36     |    (2) 2M x 36     |
          |------------------+--------------------+--------------------|
          |       40MB       |    (2) 4M x 36     |    (2) 1M x 36     |
          |------------------+--------------------+--------------------|
          |       48MB       |    (2) 4M x 36     |    (2) 2M x 36     |
          |------------------+--------------------+--------------------|
          |       64MB       |    (2) 8M x 36     |        None        |
          |------------------+--------------------+--------------------|
          |       64MB       |    (2) 4M x 36     |    (2) 4M x 36     |
          |------------------+--------------------+--------------------|
          |       72MB       |    (2) 8M x 36     |    (2) 1M x 36     |
          |------------------+--------------------+--------------------|
          |       80MB       |    (2) 8M x 36     |    (2) 2M x 36     |
          |------------------+--------------------+--------------------|
          |       96MB       |    (2) 8M x 36     |    (2) 4M x 36     |
          |------------------+--------------------+--------------------|
          |      128MB       |    (2) 8M x 36     |    (2) 8M x 36     |
          |------------------+--------------------+--------------------|
          |      128MB       |    (2) 16M x 36    |        None        |
          |------------------+--------------------+--------------------|
          |      136MB       |    (2) 16M x 36    |    (2) 1M x 36     |
          +------------------------------------------------------------+
       
          +------------------------------------------------------------+
          |                 SIMM CONFIGURATION (CON’T)                 |
          |------------------------------------------------------------|
          |     Size      |        Bank 0        |       Bank 1        |
          |---------------+----------------------+---------------------|
          |     144MB     |     (2) 16M x 36     |     (2) 2M x 36     |
          |---------------+----------------------+---------------------|
          |     160MB     |     (2) 16M x 36     |     (2) 4M x 36     |
          |---------------+----------------------+---------------------|
          |     192MB     |     (2) 16M x 36     |     (2) 8M x 36     |
          |---------------+----------------------+---------------------|
          |     256MB     |     (2) 16M x 36     |    (2) 16M x 36     |
          |---------------+----------------------+---------------------|
          |     256MB     |     (2) 32M x 36     |        None         |
          |------------------------------------------------------------|
          |      Note: Board accepts EDO memory. Do not populate banks |
          |      0 & 2 at the same time. Use only FPM/EDO in bank 0.   |
          +------------------------------------------------------------+
       
          +------------------------------------------------------------+
          |                     DIMM CONFIGURATION                     |
          |------------------------------------------------------------|
          |     Size     |         Bank 2         |       Bank 3       |
          |--------------+------------------------+--------------------|
          |     8MB      |      (1) 1M x 64       |        None        |
          |--------------+------------------------+--------------------|
          |     16MB     |      (1) 2M x 64       |        None        |
          |--------------+------------------------+--------------------|
          |     16MB     |      (1) 1M x 64       |    (1) 1M x 64     |
          |--------------+------------------------+--------------------|
          |     24MB     |      (1) 2M x 64       |    (1) 1M x 64     |
          |--------------+------------------------+--------------------|
          |     32MB     |      (1) 4M x 64       |        None        |
          |--------------+------------------------+--------------------|
          |     32MB     |      (1) 2M x 64       |    (1) 2M x 64     |
          |--------------+------------------------+--------------------|
          |     40MB     |      (1) 4M x 64       |    (1) 1M x 64     |
          |--------------+------------------------+--------------------|
          |     48MB     |      (1) 4M x 64       |    (1) 2M x 64     |
          |--------------+------------------------+--------------------|
          |     64MB     |      (1) 8M x 64       |        None        |
          |--------------+------------------------+--------------------|
          |     64MB     |      (1) 4M x 64       |    (1) 4M x 64     |
          |--------------+------------------------+--------------------|
          |     72MB     |      (1) 8M x 64       |    (1) 1M x 64     |
          |--------------+------------------------+--------------------|
          |     80MB     |      (1) 8M x 64       |    (1) 2M x 64     |
          |--------------+------------------------+--------------------|
          |     96MB     |      (1) 8M x 64       |    (1) 4M x 64     |
          |--------------+------------------------+--------------------|
          |    128MB     |      (1) 8M x 64       |    (1) 8M x 64     |
          |--------------+------------------------+--------------------|
          |    128MB     |      (1) 16M x 64      |        None        |
          |--------------+------------------------+--------------------|
          |    256MB     |      (1) 16M x 64      |    (1) 16M x 64    |
          |--------------+------------------------+--------------------|
          |    256MB     |      (1) 32M x 64      |        None        |
          |------------------------------------------------------------|
          |      Note: Use only SDRAM in bank 3. Bank 2 can use any    |
          |      type of DIMM.                                         |
          +------------------------------------------------------------+
       
          +------------------------------------------------------------+
          |                    CACHE CONFIGURATION                     |
          |------------------------------------------------------------|
          | Note: 512KB cache is factory installed and is not          |
          | configurable. The location is unidentified.                |
          +------------------------------------------------------------+
       
          +------------------------------------------------------------+
          |               CPU SPEED SELECTION (CX 6X86)                |
          |------------------------------------------------------------|
          |CPU speed|  Clock  |Multiplier| JP5 | JP6 | JP7 |J35 | J36  |
          |         |  speed  |          |     |     |     |    |      |
          |---------+---------+----------+-----+-----+-----+----+------|
          | 150MHz  |  60MHz  |    2x    |2 & 3|2 & 3|1 & 2|Open|Closed|
          |---------+---------+----------+-----+-----+-----+----+------|
          | 166MHz  |  66MHz  |    2x    |1 & 2|2 & 3|2 & 3|Open|Closed|
          |---------+---------+----------+-----+-----+-----+----+------|
          | 200MHz  |  66MHz  |    2x    |2 & 3|1 & 2|1 & 2|Open|Closed|
          |------------------------------------------------------------|
          |Note: Pins designated should be in the closed position.     |
          +------------------------------------------------------------+
       
          +------------------------------------------------------------+
          |               CPU SPEED SELECTION (IBM 6X86)               |
          |------------------------------------------------------------|
          |CPU speed|  Clock  |Multiplier| JP5 | JP6 | JP7 |J35 | J36  |
          |         |  speed  |          |     |     |     |    |      |
          |---------+---------+----------+-----+-----+-----+----+------|
          | 150MHz  |  60MHz  |    2x    |2 & 3|2 & 3|1 & 2|Open|Closed|
          |---------+---------+----------+-----+-----+-----+----+------|
          | 166MHz  |  66MHz  |    2x    |1 & 2|2 & 3|2 & 3|Open|Closed|
          |---------+---------+----------+-----+-----+-----+----+------|
          | 200MHz  |  66MHz  |    2x    |2 & 3|1 & 2|1 & 2|Open|Closed|
          |------------------------------------------------------------|
          |Note: Pins designated should be in the closed position.     |
          +------------------------------------------------------------+
       
          +------------------------------------------------------------+
          |                CPU SPEED SELECTION (AM K5)                 |
          |------------------------------------------------------------|
          |CPU speed| Clock |Multiplier| JP5 | JP6 | JP7 | J35  | J36  |
          |         | speed |          |     |     |     |      |      |
          |---------+-------+----------+-----+-----+-----+------+------|
          |  75MHz  | 50MHz |   1.5x   |2 & 3|2 & 3|2 & 3| Open | Open |
          |---------+-------+----------+-----+-----+-----+------+------|
          |  90MHz  | 60MHz |   1.5x   |2 & 3|2 & 3|1 & 2| Open | Open |
          |---------+-------+----------+-----+-----+-----+------+------|
          | 100MHz  | 66MHz |   1.5x   |1 & 2|2 & 3|2 & 3| Open | Open |
          |---------+-------+----------+-----+-----+-----+------+------|
          | 120MHz  | 60MHz |    2x    |2 & 3|2 & 3|1 & 2| Open |Closed|
          |---------+-------+----------+-----+-----+-----+------+------|
          | 133MHz  | 66MHz |    2x    |1 & 2|2 & 3|2 & 3| Open |Closed|
          |---------+-------+----------+-----+-----+-----+------+------|
          | 166MHz  | 66MHz |   2.5x   |1 & 2|2 & 3|2 & 3|Closed|Closed|
          |------------------------------------------------------------|
          |Note: Pins designated should be in the closed position.     |
          +------------------------------------------------------------+
       
          +------------------------------------------------------------+
          |                CPU SPEED SELECTION (AM K6)                 |
          |------------------------------------------------------------|
          |CPU speed| Clock |Multiplier| JP5 | JP6 | JP7 | J35  | J36  |
          |         | speed |          |     |     |     |      |      |
          |---------+-------+----------+-----+-----+-----+------+------|
          | 166MHz  | 66MHz |   2.5x   |1 & 2|2 & 3|2 & 3|Closed|Closed|
          |---------+-------+----------+-----+-----+-----+------+------|
          | 200MHz  | 66MHz |    3x    |1 & 2|2 & 3|2 & 3|Closed| Open |
          |---------+-------+----------+-----+-----+-----+------+------|
          | 233MHz  | 66MHz |   3.5x   |1 & 2|2 & 3|2 & 3| Open | Open |
          |------------------------------------------------------------|
          |Note: Pins designated should be in the closed position.     |
          +------------------------------------------------------------+
       
          +------------------------------------------------------------+
          |                CPU SPEED SELECTION (INTEL)                 |
          |------------------------------------------------------------|
          |CPU speed| Clock |Multiplier| JP5 | JP6 | JP7 | J35  | J36  |
          |         | speed |          |     |     |     |      |      |
          |---------+-------+----------+-----+-----+-----+------+------|
          |  75MHz  | 50MHz |   1.5x   |2 & 3|2 & 3|2 & 3| Open | Open |
          |---------+-------+----------+-----+-----+-----+------+------|
          |  90MHz  | 60MHz |   1.5x   |2 & 3|2 & 3|1 & 2| Open | Open |
          |---------+-------+----------+-----+-----+-----+------+------|
          | 100MHz  | 66MHz |   1.5x   |1 & 2|2 & 3|2 & 3| Open | Open |
          |---------+-------+----------+-----+-----+-----+------+------|
          | 120MHz  | 60MHz |    2x    |2 & 3|2 & 3|1 & 2| Open |Closed|
          |---------+-------+----------+-----+-----+-----+------+------|
          | 133MHz  | 66MHz |    2x    |1 & 2|2 & 3|2 & 3| Open |Closed|
          |---------+-------+----------+-----+-----+-----+------+------|
          | 150MHz  | 60MHz |   2.5x   |2 & 3|2 & 3|1 & 2|Closed|Closed|
          |---------+-------+----------+-----+-----+-----+------+------|
          | 150MHz  | 75MHz |    2x    |2 & 3|1 & 2|1 & 2| Open |Closed|
          |---------+-------+----------+-----+-----+-----+------+------|
          | 166MHz  | 66MHz |   2.5x   |1 & 2|2 & 3|2 & 3|Closed|Closed|
          |---------+-------+----------+-----+-----+-----+------+------|
          | 180MHz  | 60MHz |    3x    |2 & 3|2 & 3|1 & 2|Closed| Open |
          |---------+-------+----------+-----+-----+-----+------+------|
          | 200MHz  | 66MHz |    3x    |1 & 2|2 & 3|2 & 3|Closed| Open |
          |---------+-------+----------+-----+-----+-----+------+------|
          | 233MHz  | 66MHz |   3.5x   |1 & 2|2 & 3|2 & 3| Open | Open |
          |------------------------------------------------------------|
          |Note: Pins designated should be in the closed position.     |
          +------------------------------------------------------------+
       
          +------------------------------------------------------------+
          |                   CPU VOLTAGE SELECTION                    |
          |------------------------------------------------------------|
          |  Voltage   |    J46    |    J47    |    J48    |    J49    |
          |------------+-----------+-----------+-----------+-----------|
          |    2.1v    |  Closed   |   Open    |   Open    |   Open    |
          |------------+-----------+-----------+-----------+-----------|
          |    2.2v    |   Open    |  Closed   |   Open    |   Open    |
          |------------+-----------+-----------+-----------+-----------|
          |    2.3v    |  Closed   |  Closed   |   Open    |   Open    |
          |------------+-----------+-----------+-----------+-----------|
          |    2.4v    |   Open    |   Open    |  Closed   |   Open    |
          |------------+-----------+-----------+-----------+-----------|
          |    2.5v    |  Closed   |   Open    |  Closed   |   Open    |
          |------------+-----------+-----------+-----------+-----------|
          |    2.6v    |   Open    |  Closed   |  Closed   |   Open    |
          |------------+-----------+-----------+-----------+-----------|
          |    2.7v    |  Closed   |  Closed   |  Closed   |   Open    |
          |------------+-----------+-----------+-----------+-----------|
          |    2.8v    |   Open    |   Open    |   Open    |  Closed   |
          |------------+-----------+-----------+-----------+-----------|
          |    2.9v    |  Closed   |   Open    |   Open    |  Closed   |
          |------------+-----------+-----------+-----------+-----------|
          |    3.0v    |   Open    |  Closed   |   Open    |  Closed   |
          |------------+-----------+-----------+-----------+-----------|
          |    3.1v    |  Closed   |  Closed   |   Open    |  Closed   |
          |------------+-----------+-----------+-----------+-----------|
          |    3.2v    |   Open    |   Open    |  Closed   |  Closed   |
          |------------+-----------+-----------+-----------+-----------|
          |    3.3v    |  Closed   |   Open    |  Closed   |  Closed   |
          |------------+-----------+-----------+-----------+-----------|
          |    3.4v    |   Open    |  Closed   |  Closed   |  Closed   |
          |------------+-----------+-----------+-----------+-----------|
          |    3.5v    |  Closed   |  Closed   |  Closed   |  Closed   |
          +------------------------------------------------------------+
       
          +------------------------------------------------------------+
          |                MISCELLANEOUS TECHNICAL NOTE                |
          |------------------------------------------------------------|
          | The CPU fan will automatically turn on when the CPU        |
          | temperature exceeds the user defined temperature.          |
          +------------------------------------------------------------+