URI: 
  TEXT View Source
       
       # SOYO COMPUTER CO., LTD.
       
          6KB
       
          Processor        Pentium II                                    
          Processor Speed  233/266/300/333MHz                            
          Chip Set         Intel                                         
          Video Chip Set   None                                          
          Maximum Onboard  512MB (EDO & SDRAM supported)                 
          Memory           
          Maximum Video    None                                          
          Memory           
          Cache            256/512KB (located on Pentium II CPU)         
          BIOS             Unidentified                                  
          Dimensions       305mm x 244mm                                 
          I/O Options      32-bit PCI slots (4), floppy drive interface, 
                           IDE interfaces (2), parallel port, PS/2 mouse 
                           port, serial ports (2), IR connector, USB     
                           connectors (2), ATX power connector, AGP slot 
          NPU Options      None                                          
       
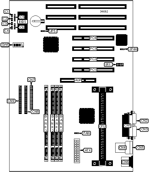
   IMG IMG 1
          
       
          +------------------------------------------------------------+
          |                        CONNECTIONS                         |
          |------------------------------------------------------------|
          | Purpose           | Location | Purpose          | Location |
          |-------------------+----------+------------------+----------|
          | AGP slot          |   AGP    | USB connector 1  |   CN4    |
          |-------------------+----------+------------------+----------|
          | ATX power         |   ATX    | USB connector 2  |   CN5    |
          | connector         |          |                  |          |
          |-------------------+----------+------------------+----------|
          | Reset switch      |    C1    | PS/2 mouse port  |   CN6    |
          |-------------------+----------+------------------+----------|
          | Soft off power    |    C2    | Floppy drive     |   CN7    |
          | supply            |          | interface        |          |
          |-------------------+----------+------------------+----------|
          | Turbo LED         |    C3    | IDE interface 2  |   CN8    |
          |-------------------+----------+------------------+----------|
          | IDE interface LED |    C4    | IDE interface 1  |   CN9    |
          |-------------------+----------+------------------+----------|
          | Power LED &       |    C5    | CPU fan power    |   FAN    |
          | keylock           |          |                  |          |
          |-------------------+----------+------------------+----------|
          | Speaker           |    C6    | IR connector     |   IR1    |
          |-------------------+----------+------------------+----------|
          | Parallel port     |   CN1    | Wake on LAN      |   JP44   |
          |                   |          | connector        |          |
          |-------------------+----------+------------------+----------|
          | Serial port 2     |   CN2    | 32-bit PCI slots |  PC1 –   |
          |                   |          |                  |   PC4    |
          |-------------------+----------+------------------+----------|
          | Serial port 1     |   CN3    |                  |          |
          +------------------------------------------------------------+
       
          +------------------------------------------------------------+
          |                 USER CONFIGURABLE SETTINGS                 |
          |------------------------------------------------------------|
          |             Function             | Label |    Position     |
          |----------------------------------+-------+-----------------|
          | » | CMOS memory normal operation |  JP5  |   Pins 1 & 2    |
          |   |                              |       |     closed      |
          |---+------------------------------+-------+-----------------|
          |   | CMOS memory clear            |  JP5  |   Pins 2 & 3    |
          |   |                              |       |     closed      |
          +------------------------------------------------------------+
       
          +------------------------------------------------------------+
          |                     DIMM CONFIGURATION                     |
          |------------------------------------------------------------|
          | Size |   Bank 0    |   Bank 1    |   Bank 2   |   Bank 3   |
          |------+-------------+-------------+------------+------------|
          | 8MB  | (1) 1M x 64 |    None     |    None    |    None    |
          |------+-------------+-------------+------------+------------|
          | 16MB | (1) 2M x 64 |    None     |    None    |    None    |
          |------+-------------+-------------+------------+------------|
          | 16MB | (1) 1M x 64 | (1) 1M x 64 |    None    |    None    |
          |------+-------------+-------------+------------+------------|
          | 24MB | (1) 2M x 64 | (1) 1M x 64 |    None    |    None    |
          |------+-------------+-------------+------------+------------|
          | 24MB | (1) 1M x 64 | (1) 1M x 64 |  (1) 1M x  |    None    |
          |      |             |             |     64     |            |
          |------+-------------+-------------+------------+------------|
          | 32MB | (1) 2M x 64 | (1) 2M x 64 |    None    |    None    |
          |------+-------------+-------------+------------+------------|
          | 32MB | (1) 4M x 64 |    None     |    None    |    None    |
          |------+-------------+-------------+------------+------------|
          | 32MB | (1) 1M x 64 | (1) 1M x 64 |  (1) 1M x  |  (1) 1M x  |
          |      |             |             |     64     |     64     |
          |------+-------------+-------------+------------+------------|
          | 40MB | (1) 2M x 64 | (1) 2M x 64 |  (1) 1M x  |    None    |
          |      |             |             |     64     |            |
          |------+-------------+-------------+------------+------------|
          | 40MB | (1) 2M x 64 | (1) 1M x 64 |  (1) 1M x  |  (1) 1M x  |
          |      |             |             |     64     |     64     |
          |------+-------------+-------------+------------+------------|
          | 40MB | (1) 4M x 64 | (1) 1M x 64 |    None    |    None    |
          |------+-------------+-------------+------------+------------|
          | 48MB | (1) 2M x 64 | (1) 2M x 64 |  (1) 2M x  |    None    |
          |      |             |             |     64     |            |
          |------+-------------+-------------+------------+------------|
          | 48MB | (1) 2M x 64 | (1) 2M x 64 |  (1) 1M x  |  (1) 1M x  |
          |      |             |             |     64     |     64     |
          |------+-------------+-------------+------------+------------|
          | 48MB | (1) 4M x 64 | (1) 1M x 64 |  (1) 1M x  |    None    |
          |      |             |             |     64     |            |
          |------+-------------+-------------+------------+------------|
          | 56MB | (1) 4M x 64 | (1) 2M x 64 |  (1) 1M x  |    None    |
          |      |             |             |     64     |            |
          |------+-------------+-------------+------------+------------|
          | 56MB | (1) 4M x 64 | (1) 1M x 64 |  (1) 1M x  |  (1) 1M x  |
          |      |             |             |     64     |     64     |
          |------+-------------+-------------+------------+------------|
          | 64MB | (1) 2M x 64 | (1) 2M x 64 |  (1) 2M x  |  (1) 2M x  |
          |      |             |             |     64     |     64     |
          |------+-------------+-------------+------------+------------|
          | 64MB | (1) 4M x 64 | (1) 4M x 64 |    None    |    None    |
          |------+-------------+-------------+------------+------------|
          | 64MB | (1) 8M x 64 |    None     |    None    |    None    |
          |------+-------------+-------------+------------+------------|
          | 80MB | (1) 4M x 64 | (1) 2M x 64 |  (1) 2M x  |  (1) 2M x  |
          |      |             |             |     64     |     64     |
          |------+-------------+-------------+------------+------------|
          | 80MB | (1) 4M x 64 | (1) 4M x 64 |  (1) 1M x  |  (1) 1M x  |
          |      |             |             |     64     |     64     |
          |------+-------------+-------------+------------+------------|
          | 80MB | (1) 8M x 64 | (1) 2M x 64 |    None    |    None    |
          +------------------------------------------------------------+
       
          +------------------------------------------------------------+
          |                 DIMM CONFIGURATION (CON’T)                 |
          |------------------------------------------------------------|
          | Size  |   Bank 0    |   Bank 1   |   Bank 2   |   Bank 3   |
          |-------+-------------+------------+------------+------------|
          | 80MB  | (1) 8M x 64 |  (1) 1M x  |  (1) 1M x  |    None    |
          |       |             |     64     |     64     |            |
          |-------+-------------+------------+------------+------------|
          | 96MB  | (1) 4M x 64 |  (1) 4M x  |  (1) 2M x  |  (1) 2M x  |
          |       |             |     64     |     64     |     64     |
          |-------+-------------+------------+------------+------------|
          | 96MB  | (1) 4M x 64 |  (1) 4M x  |  (1) 4M x  |    None    |
          |       |             |     64     |     64     |            |
          |-------+-------------+------------+------------+------------|
          | 96MB  | (1) 8M x 64 |  (1) 2M x  |  (1) 1M x  |  (1) 1M x  |
          |       |             |     64     |     64     |     64     |
          |-------+-------------+------------+------------+------------|
          | 112MB | (1) 4M x 64 |  (1) 4M x  |  (1) 4M x  |  (1) 2M x  |
          |       |             |     64     |     64     |     64     |
          |-------+-------------+------------+------------+------------|
          | 112MB | (1) 8M x 64 |  (1) 4M x  |  (1) 2M x  |    None    |
          |       |             |     64     |     64     |            |
          |-------+-------------+------------+------------+------------|
          | 112MB | (1) 8M x 64 |  (1) 4M x  |  (1) 1M x  |  (1) 1M x  |
          |       |             |     64     |     64     |     64     |
          |-------+-------------+------------+------------+------------|
          | 128MB |  (1) 16M x  |    None    |    None    |    None    |
          |       |     64      |            |            |            |
          |-------+-------------+------------+------------+------------|
          | 128MB | (1) 4M x 64 |  (1) 4M x  |  (1) 4M x  |  (1) 4M x  |
          |       |             |     64     |     64     |     64     |
          |-------+-------------+------------+------------+------------|
          | 128MB | (1) 8M x 64 |  (1) 4M x  |  (1) 4M x  |    None    |
          |       |             |     64     |     64     |            |
          |-------+-------------+------------+------------+------------|
          | 128MB | (1) 8M x 64 |  (1) 8M x  |    None    |    None    |
          |       |             |     64     |            |            |
          |-------+-------------+------------+------------+------------|
          | 160MB |  (1) 16M x  |  (1) 2M x  |  (1) 1M x  |  (1) 1M x  |
          |       |     64      |     64     |     64     |     64     |
          |-------+-------------+------------+------------+------------|
          | 192MB |  (1) 16M x  |  (1) 4M x  |  (1) 4M x  |    None    |
          |       |     64      |     64     |     64     |            |
          |-------+-------------+------------+------------+------------|
          | 192MB | (1) 8M x 64 |  (1) 8M x  |  (1) 4M x  |  (1) 4M x  |
          |       |             |     64     |     64     |     64     |
          |-------+-------------+------------+------------+------------|
          | 192MB | (1) 8M x 64 |  (1) 8M x  |  (1) 8M x  |    None    |
          |       |             |     64     |     64     |            |
          |-------+-------------+------------+------------+------------|
          | 224MB |  (1) 16M x  |  (1) 8M x  |  (1) 2M x  |  (1) 2M x  |
          |       |     64      |     64     |     64     |     64     |
          |-------+-------------+------------+------------+------------|
          | 224MB |  (1) 16M x  |  (1) 8M x  |  (1) 4M x  |    None    |
          |       |     64      |     64     |     64     |            |
          |-------+-------------+------------+------------+------------|
          | 256MB |  (1) 16M x  | (1) 16M x  |    None    |    None    |
          |       |     64      |     64     |            |            |
          |-------+-------------+------------+------------+------------|
          | 256MB |  (1) 16M x  |  (1) 8M x  |  (1) 4M x  |  (1) 4M x  |
          |       |     64      |     64     |     64     |     64     |
          |-------+-------------+------------+------------+------------|
          | 256MB |  (1) 16M x  |  (1) 8M x  |  (1) 8M x  |    None    |
          |       |     64      |     64     |     64     |            |
          |-------+-------------+------------+------------+------------|
          | 256MB | (1) 8M x 64 |  (1) 8M x  |  (1) 8M x  |  (1) 8M x  |
          |       |             |     64     |     64     |     64     |
          |-------+-------------+------------+------------+------------|
          | 288MB |  (1) 16M x  | (1) 16M x  |  (1) 4M x  |    None    |
          |       |     64      |     64     |     64     |            |
          |-------+-------------+------------+------------+------------|
          | 320MB |  (1) 16M x  |  (1) 8M x  |  (1) 8M x  |  (1) 8M x  |
          |       |     64      |     64     |     64     |     64     |
          |-------+-------------+------------+------------+------------|
          | 384MB |  (1) 16M x  | (1) 16M x  | (1) 16M x  |    None    |
          |       |     64      |     64     |     64     |            |
          |-------+-------------+------------+------------+------------|
          | 384MB |  (1) 16M x  | (1) 16M x  |  (1) 8M x  |  (1) 8M x  |
          |       |     64      |     64     |     64     |     64     |
          |-------+-------------+------------+------------+------------|
          | 448MB |  (1) 16M x  | (1) 16M x  | (1) 16M x  |  (1) 8M x  |
          |       |     64      |     64     |     64     |     64     |
          |-------+-------------+------------+------------+------------|
          | 512MB |  (1) 16M x  | (1) 16M x  | (1) 16M x  | (1) 16M x  |
          |       |     64      |     64     |     64     |     64     |
          |------------------------------------------------------------|
          |      Note: Board accepts EDO & SDRAM memory.               |
          +------------------------------------------------------------+
       
          +------------------------------------------------------------+
          |                    CACHE CONFIGURATION                     |
          |------------------------------------------------------------|
          | Note: 256KB/512KB cache is located on the Pentium II CPU.  |
          +------------------------------------------------------------+
       
          +------------------------------------------------------------+
          |                    CPU SPEED SELECTION                     |
          |------------------------------------------------------------|
          |CPU speed|  Clock  |Multiplier|SW1/1|SW1/2|SW1/3|SW1/4|SW1/5|
          |         |  speed  |          |     |     |     |     |     |
          |---------+---------+----------+-----+-----+-----+-----+-----|
          | 233MHz  |  66MHz  |   3.5x   | Off | On  | Off | Off | On  |
          |---------+---------+----------+-----+-----+-----+-----+-----|
          | 266MHz  |  66MHz  |    4x    | Off | On  | On  | On  | Off |
          |---------+---------+----------+-----+-----+-----+-----+-----|
          | 300MHz  |  66MHz  |   4.5x   | Off | On  | Off | On  | Off |
          |---------+---------+----------+-----+-----+-----+-----+-----|
          | 333MHz  |  66MHz  |    5x    | Off | On  | On  | Off | Off |
          +------------------------------------------------------------+