URI: 
  TEXT View Source
       
       # SIEMENS-NIXDORF INFORMATIONSSYSTEME AG
       
          SYSTEM BOARD D1005
       
          Device Type      Mainboard                                     
          Processor        Pentium II                                    
          Processor Speed  233/266/300MHz                                
          Chip Set         Unidentified                                  
          Video Chip Set   None                                          
          Maximum Onboard  256MB (EDO supported)                         
          Memory           
          Maximum Video    None                                          
          Memory           
          Cache            256/512KB (located on Pentium II CPU)         
          BIOS             Unidentified                                  
          Dimensions       305mm x 244mm                                 
          I/O Options      32-bit PCI slots (4), floppy drive interface, 
                           game/MIDI port, green PC connector, IDE       
                           interfaces (2), parallel port, PS/2 mouse     
                           port, serial ports (2), IR connector, USB     
                           connectors (2), line in, line out, microphone 
                           in, wavetable connector, audio in – CD-ROM,   
                           telephony connectors (2)                      
          NPU Options      None                                          
       
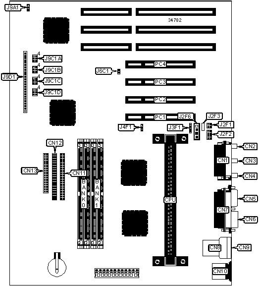
   IMG IMG 1
          
       
          +------------------------------------------------------------+
          |                        CONNECTIONS                         |
          |------------------------------------------------------------|
          | Purpose          | Location | Purpose        |  Location   |
          |------------------+----------+----------------+-------------|
          | Game/MIDI port   |   CN1    | Telephony      |    J2F3     |
          |                  |          | connector      |             |
          |------------------+----------+----------------+-------------|
          | Microphone in    |   CN2    | Audio in –     |    J2F6     |
          |                  |          | CD-ROM         |             |
          |------------------+----------+----------------+-------------|
          | Line in          |   CN3    | Line in        |    J3F1     |
          |                  |          | (auxiliary)    |             |
          |------------------+----------+----------------+-------------|
          | Line out         |   CN4    | Chassis fan    |    J4F1     |
          |                  |          | power          |             |
          |------------------+----------+----------------+-------------|
          | Serial port 2    |   CN5    | Security       |    J6C1     |
          |                  |          | connector      |             |
          |------------------+----------+----------------+-------------|
          | Serial port 1    |   CN6    | Chassis fan    |    J9A1     |
          |                  |          | power          |             |
          |------------------+----------+----------------+-------------|
          | Parallel port    |   CN7    | Soft off power | J9D1/pins 1 |
          |                  |          | supply         |     & 2     |
          |------------------+----------+----------------+-------------|
          | USB connector 1  |   CN8    | Green PC       | J9D1/pins 3 |
          |                  |          | connector      |     & 4     |
          |------------------+----------+----------------+-------------|
          | USB connector 2  |   CN9    | IR connector   | J9D1/pins 6 |
          |                  |          |                |    - 11     |
          |------------------+----------+----------------+-------------|
          | PS/2 mouse port  |   CN10   | IDE interface  |  J9D1/pins  |
          |                  |          | LED            |   13 - 16   |
          |------------------+----------+----------------+-------------|
          | IDE interface 2  |   CN11   | Power LED      |  J9D1/pins  |
          |                  |          |                |   18 - 20   |
          |------------------+----------+----------------+-------------|
          | IDE interface 1  |   CN12   | Reset switch   |  J9D1/pins  |
          |                  |          |                |   22 & 23   |
          |------------------+----------+----------------+-------------|
          | Floppy drive     |   CN13   | Speaker        |  J9D1/pins  |
          | interface        |          |                |   24 - 27   |
          |------------------+----------+----------------+-------------|
          | Telephony        |   J2F1   | 32-bit PCI     |  PC1 – PC4  |
          | connector        |          | slots          |             |
          |------------------+----------+----------------+-------------|
          | Wavetable        |   J2F2   |                |             |
          | connector        |          |                |             |
          +------------------------------------------------------------+
       
          +------------------------------------------------------------+
          |                 USER CONFIGURABLE SETTINGS                 |
          |------------------------------------------------------------|
          |             Function             | Label |    Position     |
          |----------------------------------+-------+-----------------|
          | » | Flash BIOS normal operation  | J9C1A |   Pins 5 & 6    |
          |   |                              |       |     closed      |
          |---+------------------------------+-------+-----------------|
          |   | Flash BIOS recovery mode     | J9C1A |   Pins 4 & 5    |
          |   |                              |       |     closed      |
          |---+------------------------------+-------+-----------------|
          | » | CMOS memory normal operation | J9C1C |   Pins 5 & 6    |
          |   |                              |       |     closed      |
          |---+------------------------------+-------+-----------------|
          |   | CMOS memory clear            | J9C1C |   Pins 4 & 5    |
          |   |                              |       |     closed      |
          |---+------------------------------+-------+-----------------|
          | » | Setup access enabled         | J9C1D |   Pins 5 & 6    |
          |   |                              |       |     closed      |
          |---+------------------------------+-------+-----------------|
          |   | Setup access disabled        | J9C1D |   Pins 4 & 5    |
          |   |                              |       |     closed      |
          +------------------------------------------------------------+
       
          +------------------------------------------------------------+
          |                     SIMM CONFIGURATION                     |
          |------------------------------------------------------------|
          |       Size       |       Bank 0       |       Bank 1       |
          |------------------+--------------------+--------------------|
          |       8MB        |    (2) 1M x 36     |        None        |
          |------------------+--------------------+--------------------|
          |       16MB       |    (2) 2M x 36     |        None        |
          |------------------+--------------------+--------------------|
          |       16MB       |    (2) 1M x 36     |    (2) 1M x 36     |
          |------------------+--------------------+--------------------|
          |       24MB       |    (2) 2M x 36     |    (2) 1M x 36     |
          |------------------+--------------------+--------------------|
          |       32MB       |    (2) 4M x 36     |        None        |
          |------------------+--------------------+--------------------|
          |       32MB       |    (2) 2M x 36     |    (2) 2M x 36     |
          |------------------+--------------------+--------------------|
          |       40MB       |    (2) 4M x 36     |    (2) 1M x 36     |
          |------------------+--------------------+--------------------|
          |       48MB       |    (2) 4M x 36     |    (2) 2M x 36     |
          |------------------+--------------------+--------------------|
          |       64MB       |    (2) 8M x 36     |        None        |
          |------------------+--------------------+--------------------|
          |       64MB       |    (2) 4M x 36     |    (2) 4M x 36     |
          +------------------------------------------------------------+
       
          +------------------------------------------------------------+
          |                 SIMM CONFIGURATION (CON’T)                 |
          |------------------------------------------------------------|
          |       Size       |       Bank 0       |       Bank 1       |
          |------------------+--------------------+--------------------|
          |       72MB       |    (2) 8M x 36     |    (2) 1M x 36     |
          |------------------+--------------------+--------------------|
          |       80MB       |    (2) 8M x 36     |    (2) 2M x 36     |
          |------------------+--------------------+--------------------|
          |       96MB       |    (2) 8M x 36     |    (2) 4M x 36     |
          |------------------+--------------------+--------------------|
          |      128MB       |    (2) 8M x 36     |    (2) 8M x 36     |
          |------------------+--------------------+--------------------|
          |      128MB       |    (2) 16M x 36    |        None        |
          |------------------+--------------------+--------------------|
          |      136MB       |    (2) 16M x 36    |    (2) 1M x 36     |
          |------------------+--------------------+--------------------|
          |      144MB       |    (2) 16M x 36    |    (2) 2M x 36     |
          |------------------+--------------------+--------------------|
          |      160MB       |    (2) 16M x 36    |    (2) 4M x 36     |
          |------------------+--------------------+--------------------|
          |      192MB       |    (2) 16M x 36    |    (2) 8M x 36     |
          |------------------+--------------------+--------------------|
          |      256MB       |    (2) 16M x 36    |    (2) 16M x 36    |
          |------------------------------------------------------------|
          | Note: Board accepts EDO memory.                            |
          +------------------------------------------------------------+
       
          +------------------------------------------------------------+
          |                    CACHE CONFIGURATION                     |
          |------------------------------------------------------------|
          | Note: 256KB/512KB cache is located on the Pentium II CPU.  |
          +------------------------------------------------------------+
       
          +------------------------------------------------------------+
          |                    CPU SPEED SELECTION                     |
          |------------------------------------------------------------|
          |   CPU    |  Clock  | Multiplier | J9C1A |  J9C1B   | J9C1C |
          |  speed   |  speed  |            |       |          |       |
          |----------+---------+------------+-------+----------+-------|
          |  233MHz  |  66MHz  |    3.5x    | 2 & 3 | 2 & 3, 5 | 2 & 3 |
          |          |         |            |       |   & 6    |       |
          |----------+---------+------------+-------+----------+-------|
          |  266MHz  |  66MHz  |     4x     | 1 & 2 | 1 & 2, 4 | 2 & 3 |
          |          |         |            |       |   & 5    |       |
          |----------+---------+------------+-------+----------+-------|
          |  300MHz  |  66MHz  |    4.5x    | 1 & 2 | 2 & 3, 4 | 2 & 3 |
          |          |         |            |       |   & 5    |       |
          |------------------------------------------------------------|
          | Note: Pins designated should be in the closed position.    |
          +------------------------------------------------------------+