URI: 
  TEXT View Source
       
       # SHUTTLE COMPUTER INTERNATIONAL, INC.
       
          HOT-635
       
          Device Type      Mainboard                                     
          Processor        Pentium II                                    
          Processor Speed  233/266/300/333MHz                            
          Chip Set         Intel                                         
          Video Chip Set   None                                          
          Maximum Onboard  512MB (EDO & SDRAM supported)                 
          Memory           
          Maximum Video    None                                          
          Memory           
          Cache            256/512KB (located on Pentium II CPU)         
          BIOS             Award                                         
          Dimensions       305mm x 244mm                                 
          I/O Options      32-bit PCI slots (4), floppy drive interface, 
                           IDE interfaces (2), SCSI-2 interface, Ultra   
                           SCSI Wide interface, parallel port, PS/2      
                           mouse port, serial ports (2), IR connector,   
                           USB connectors (2), ATX power connector, AGP  
                           slot                                          
          NPU Options      None                                          
       
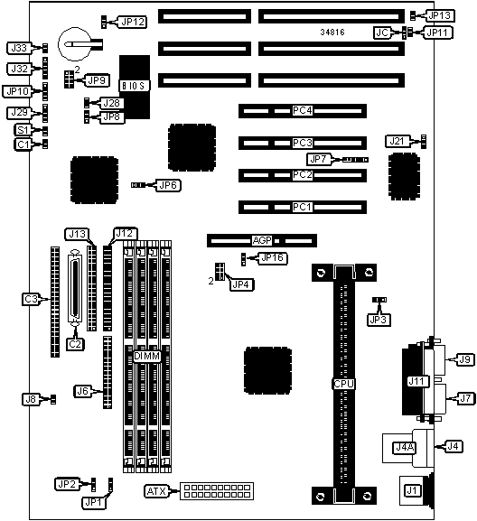
   IMG IMG 1
          
       
          +------------------------------------------------------------+
          |                        CONNECTIONS                         |
          |------------------------------------------------------------|
          | Purpose           | Location | Purpose          | Location |
          |-------------------+----------+------------------+----------|
          | AGP slot          |   AGP    | IDE interface 2  |   J12    |
          |-------------------+----------+------------------+----------|
          | ATX power         |   ATX    | IDE interface 1  |   J13    |
          | connector         |          |                  |          |
          |-------------------+----------+------------------+----------|
          | SCSI interface    |    C1    | IDE interface    |   J29    |
          | LED               |          | LED              |          |
          |-------------------+----------+------------------+----------|
          | Ultra SCSI Wide   |    C2    | Power LED &      |   J32    |
          | interface         |          | keylock          |          |
          |-------------------+----------+------------------+----------|
          | SCSI-2 interface  |    C3    | Reset switch     |   J33    |
          |-------------------+----------+------------------+----------|
          | PS/2 mouse port   |    J1    | CPU fan power    |   JP1    |
          |-------------------+----------+------------------+----------|
          | USB connector 1   |    J4    | Chassis fan      |   JP2    |
          |                   |          | power            |          |
          |-------------------+----------+------------------+----------|
          | USB connector 2   |   J4A    | IR connector     |   JP7    |
          |-------------------+----------+------------------+----------|
          | Floppy drive      |    J6    | Speaker          |   JP10   |
          | interface         |          |                  |          |
          |-------------------+----------+------------------+----------|
          | Serial port 2     |    J7    | AGP fan power    |   JP16   |
          |-------------------+----------+------------------+----------|
          | Serial port 1     |    J9    | 32-bit PCI slots |  PC1 –   |
          |                   |          |                  |   PC4    |
          |-------------------+----------+------------------+----------|
          | Parallel port     |   J11    | Soft off power   |    S1    |
          |                   |          | supply           |          |
          +------------------------------------------------------------+
       
          +------------------------------------------------------------+
          |                 USER CONFIGURABLE SETTINGS                 |
          |------------------------------------------------------------|
          |              Function               | Label |   Position   |
          |-------------------------------------+-------+--------------|
          | » | Termination enabled             |  J8   |     Open     |
          |---+---------------------------------+-------+--------------|
          |   | Termination disabled            |  J8   |    Closed    |
          |---+---------------------------------+-------+--------------|
          | » | Factory configured - do not     |  J21  | Unidentified |
          |   | alter                           |       |              |
          |---+---------------------------------+-------+--------------|
          | » | Factory configured - do not     |  J28  |  Pins 2 & 3  |
          |   | alter                           |       |    closed    |
          |---+---------------------------------+-------+--------------|
          | » | Factory configured - do not     |  JC   | Unidentified |
          |   | alter                           |       |              |
          |---+---------------------------------+-------+--------------|
          | » | Factory configured - do not     |  JP3  | Unidentified |
          |   | alter                           |       |              |
          |---+---------------------------------+-------+--------------|
          | » | Seagate hard drive not          |  JP6  |  Pins 1 & 2  |
          |   | installed                       |       |    closed    |
          |---+---------------------------------+-------+--------------|
          |   | Seagate hard drive installed    |  JP6  |  Pins 2 & 3  |
          |   |                                 |       |    closed    |
          |---+---------------------------------+-------+--------------|
          | » | Factory configured - do not     |  JP8  |     Open     |
          |   | alter                           |       |              |
          |---+---------------------------------+-------+--------------|
          | » | Factory configured - do not     | JP11  | Unidentified |
          |   | alter                           |       |              |
          |---+---------------------------------+-------+--------------|
          | » | CMOS memory normal operation    | JP12  |  Pins 1 & 2  |
          |   |                                 |       |    closed    |
          |---+---------------------------------+-------+--------------|
          |   | CMOS memory clear               | JP12  |  Pins 2 & 3  |
          |   |                                 |       |    closed    |
          |---+---------------------------------+-------+--------------|
          | » | Factory configured - do not     | JP13  | Unidentified |
          |   | alter                           |       |              |
          +------------------------------------------------------------+
       
          +------------------------------------------------------------+
          |                     DIMM CONFIGURATION                     |
          |------------------------------------------------------------|
          | Size  |   Bank 0    |   Bank 1   |   Bank 2   |   Bank 3   |
          |-------+-------------+------------+------------+------------|
          |  8MB  | (1) 1M x 64 |    None    |    None    |    None    |
          |-------+-------------+------------+------------+------------|
          | 16MB  | (1) 2M x 64 |    None    |    None    |    None    |
          |-------+-------------+------------+------------+------------|
          | 16MB  | (1) 1M x 64 |  (1) 1M x  |    None    |    None    |
          |       |             |     64     |            |            |
          |-------+-------------+------------+------------+------------|
          | 24MB  | (1) 2M x 64 |  (1) 1M x  |    None    |    None    |
          |       |             |     64     |            |            |
          |-------+-------------+------------+------------+------------|
          | 24MB  | (1) 1M x 64 |  (1) 1M x  |  (1) 1M x  |    None    |
          |       |             |     64     |     64     |            |
          |-------+-------------+------------+------------+------------|
          | 32MB  | (1) 4M x 64 |    None    |    None    |    None    |
          |-------+-------------+------------+------------+------------|
          | 32MB  | (1) 2M x 64 |  (1) 2M x  |    None    |    None    |
          |       |             |     64     |            |            |
          |-------+-------------+------------+------------+------------|
          | 32MB  | (1) 1M x 64 |  (1) 1M x  |  (1) 1M x  |  (1) 1M x  |
          |       |             |     64     |     64     |     64     |
          |-------+-------------+------------+------------+------------|
          | 40MB  | (1) 4M x 64 |  (1) 1M x  |    None    |    None    |
          |       |             |     64     |            |            |
          |-------+-------------+------------+------------+------------|
          | 48MB  | (1) 4M x 64 |  (1) 2M x  |    None    |    None    |
          |       |             |     64     |            |            |
          |-------+-------------+------------+------------+------------|
          | 48MB  | (1) 2M x 64 |  (1) 2M x  |  (1) 2M x  |    None    |
          |       |             |     64     |     64     |            |
          |-------+-------------+------------+------------+------------|
          | 64MB  | (1) 2M x 64 |  (1) 2M x  |  (1) 2M x  |  (1) 2M x  |
          |       |             |     64     |     64     |     64     |
          |-------+-------------+------------+------------+------------|
          | 64MB  | (1) 8M x 64 |    None    |    None    |    None    |
          |-------+-------------+------------+------------+------------|
          | 64MB  | (1) 4M x 64 |  (1) 4M x  |    None    |    None    |
          |       |             |     64     |            |            |
          |-------+-------------+------------+------------+------------|
          | 72MB  | (1) 8M x 64 |  (1) 1M x  |    None    |    None    |
          |       |             |     64     |            |            |
          |-------+-------------+------------+------------+------------|
          | 80MB  | (1) 8M x 64 |  (1) 2M x  |    None    |    None    |
          |       |             |     64     |            |            |
          |-------+-------------+------------+------------+------------|
          | 96MB  | (1) 8M x 64 |  (1) 4M x  |    None    |    None    |
          |       |             |     64     |            |            |
          |-------+-------------+------------+------------+------------|
          | 96MB  | (1) 4M x 64 |  (1) 4M x  |  (1) 4M x  |    None    |
          |       |             |     64     |     64     |            |
          |-------+-------------+------------+------------+------------|
          | 128MB |  (1) 16M x  |    None    |    None    |    None    |
          |       |     64      |            |            |            |
          |-------+-------------+------------+------------+------------|
          | 128MB | (1) 8M x 64 |  (1) 8M x  |    None    |    None    |
          |       |             |     64     |            |            |
          |-------+-------------+------------+------------+------------|
          | 128MB | (1) 4M x 64 |  (1) 4M x  |  (1) 4M x  |  (1) 4M x  |
          |       |             |     64     |     64     |     64     |
          |-------+-------------+------------+------------+------------|
          | 136MB |  (1) 16M x  |  (1) 1M x  |    None    |    None    |
          |       |     64      |     64     |            |            |
          |-------+-------------+------------+------------+------------|
          | 144MB |  (1) 16M x  |  (1) 2M x  |    None    |    None    |
          |       |     64      |     64     |            |            |
          |-------+-------------+------------+------------+------------|
          | 152MB |  (1) 16M x  |  (1) 1M x  |  (1) 1M x  |  (1) 1M x  |
          |       |     64      |     64     |     64     |     64     |
          |-------+-------------+------------+------------+------------|
          | 160MB |  (1) 16M x  |  (1) 4M x  |    None    |    None    |
          |       |     64      |     64     |            |            |
          |-------+-------------+------------+------------+------------|
          | 176MB |  (1) 16M x  |  (1) 2M x  |  (1) 2M x  |  (1) 2M x  |
          |       |     64      |     64     |     64     |     64     |
          |-------+-------------+------------+------------+------------|
          | 192MB |  (1) 16M x  |  (1) 8M x  |    None    |    None    |
          |       |     64      |     64     |            |            |
          |-------+-------------+------------+------------+------------|
          | 192MB | (1) 8M x 64 |  (1) 8M x  |  (1) 8M x  |    None    |
          |       |             |     64     |     64     |            |
          |-------+-------------+------------+------------+------------|
          | 224MB |  (1) 16M x  |  (1) 4M x  |  (1) 4M x  |  (1) 4M x  |
          |       |     64      |     64     |     64     |     64     |
          |-------+-------------+------------+------------+------------|
          | 256MB |  (1) 16M x  | (1) 16M x  |    None    |    None    |
          |       |     64      |     64     |            |            |
          |-------+-------------+------------+------------+------------|
          | 256MB | (1) 8M x 64 |  (1) 8M x  |  (1) 8M x  |  (1) 8M x  |
          |       |             |     64     |     64     |     64     |
          |-------+-------------+------------+------------+------------|
          | 272MB |  (1) 16M x  | (1) 16M x  |  (1) 1M x  |  (1) 1M x  |
          |       |     64      |     64     |     64     |     64     |
          |-------+-------------+------------+------------+------------|
          | 288MB |  (1) 16M x  | (1) 16M x  |  (1) 2M x  |  (1) 2M x  |
          |       |     64      |     64     |     64     |     64     |
          |-------+-------------+------------+------------+------------|
          | 320MB |  (1) 16M x  | (1) 16M x  |  (1) 4M x  |  (1) 4M x  |
          |       |     64      |     64     |     64     |     64     |
          |-------+-------------+------------+------------+------------|
          | 320MB |  (1) 16M x  |  (1) 8M x  |  (1) 8M x  |  (1) 8M x  |
          |       |     64      |     64     |     64     |     64     |
          |-------+-------------+------------+------------+------------|
          | 384MB |  (1) 16M x  | (1) 16M x  | (1) 16M x  |    None    |
          |       |     64      |     64     |     64     |            |
          |-------+-------------+------------+------------+------------|
          | 512MB |  (1) 16M x  | (1) 16M x  | (1) 16M x  | (1) 16M x  |
          |       |     64      |     64     |     64     |     64     |
          |------------------------------------------------------------|
          |      Note: Board accepts EDO & SDRAM memory.               |
          +------------------------------------------------------------+
       
          +------------------------------------------------------------+
          |                    CACHE CONFIGURATION                     |
          |------------------------------------------------------------|
          | Note: 256KB/512KB cache is located on the Pentium II CPU.  |
          +------------------------------------------------------------+
       
          +------------------------------------------------------------+
          |                    CPU SPEED SELECTION                     |
          |------------------------------------------------------------|
          | CPU speed | Clock speed | Multiplier | JP4  |     JP9      |
          |-----------+-------------+------------+------+--------------|
          |  233MHz   |    66MHz    |    3.5x    | Open | 1 & 2, 5 & 6 |
          |-----------+-------------+------------+------+--------------|
          |  266MHz   |    66MHz    |     4x     | Open |  3 & 4, 5 &  |
          |           |             |            |      |   6, 7 & 8   |
          |-----------+-------------+------------+------+--------------|
          |  300MHz   |    66MHz    |    4.5x    | Open | 3 & 4, 5 & 6 |
          |-----------+-------------+------------+------+--------------|
          |  333MHz   |    66MHz    |     5x     | Open | 5 & 6, 7 & 8 |
          |------------------------------------------------------------|
          | Note: Pins designated should be in the closed position.    |
          +------------------------------------------------------------+