URI: 
  TEXT View Source
       
       # SOLTEK COMPUTER, INC.
       
          SL-67A
       
          Device Type      Mainboard                                     
          Processor        Pentium II/Deschutes                          
          Processor Speed  233/266/300/333/350/400/450/500MHz            
          Chip Set         Intel 440BX                                   
          Maximum Onboard  768MB (EDO & SDRAM supported)                 
          Memory           
          Cache            256/512KB                                     
          BIOS             Award                                         
          I/O Options      32-bit PCI slots (4), floppy drive interface, 
                           IDE interfaces (2), parallel port, PS/2 mouse 
                           port, serial ports (2), green PC connector,   
                           USB connectors (2), AGP slot, RAID slot, IR   
                           connector, ATX power connector                
          Dimensions       305mm x 220mm                                 
       
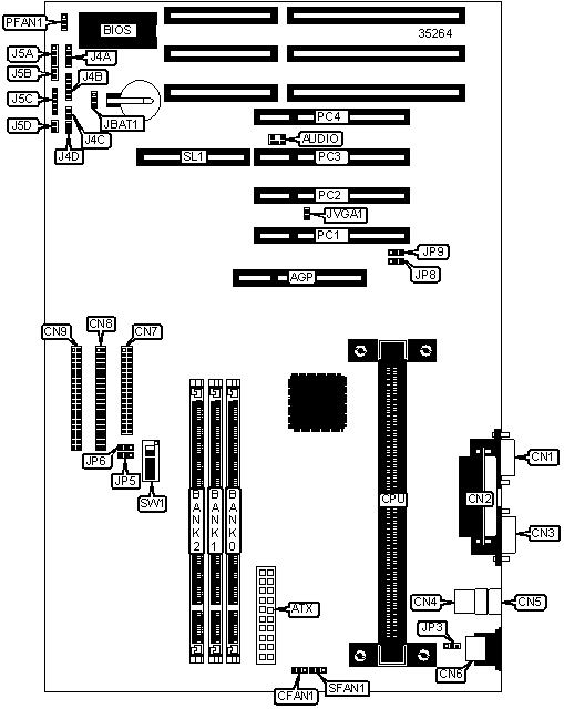
   IMG IMG 1
          
       
          +------------------------------------------------------------+
          |                        CONNECTIONS                         |
          |------------------------------------------------------------|
          | Purpose           | Location | Purpose          | Location |
          |-------------------+----------+------------------+----------|
          | AGP slot          |   AGP    | Chassis fan      |  PFAN1   |
          |-------------------+----------+------------------+----------|
          | ATX power         |   ATX    | Power fan        |  SFAN1   |
          | connector         |          |                  |          |
          |-------------------+----------+------------------+----------|
          | SoundBlast PCI    |  AUDIO   | IDE interface    |   J4A    |
          | socket            |          | LED              |          |
          |-------------------+----------+------------------+----------|
          | Serial port 2     |   CN1    | IR connector     |   J4B    |
          |-------------------+----------+------------------+----------|
          | Parallel port     |   CN2    | Power switch     |   J4C    |
          |-------------------+----------+------------------+----------|
          | Serial port 1     |   CN3    | Green PC switch  |   J4D    |
          |-------------------+----------+------------------+----------|
          | USB connector 2   |   CN4    | Speaker          |   J5A    |
          |-------------------+----------+------------------+----------|
          | USB connector 1   |   CN5    | Reset switch     |   J5B    |
          |-------------------+----------+------------------+----------|
          | PS/2 mouse port   |   CN6    | Power LED &      |   J5C    |
          |                   |          | keylock          |          |
          |-------------------+----------+------------------+----------|
          | Floppy drive      |   CN7    | Green PC LED     |   J5D    |
          | interface         |          |                  |          |
          |-------------------+----------+------------------+----------|
          | IDE interface 2   |   CN8    | 32-bit PCI slots |  PC1 -   |
          |                   |          |                  |   PC4    |
          |-------------------+----------+------------------+----------|
          | IDE interface 1   |   CN9    | RAID slot        |   SL1    |
          |-------------------+----------+------------------+----------|
          | CPU fan           |  CFAN1   |                  |          |
          +------------------------------------------------------------+
       
          +------------------------------------------------------------+
          |                 USER CONFIGURABLE SETTINGS                 |
          |------------------------------------------------------------|
          |            Function            | Label |     Position      |
          |--------------------------------+-------+-------------------|
          | » | CMOS normal operation      | JBAT1 | Pins 1 & 2 closed |
          |---+----------------------------+-------+-------------------|
          |   | CMOS clear                 | JBAT1 | Pins 2 & 3 closed |
          |---+----------------------------+-------+-------------------|
          | » | Keyboard power on enabled  |  JP3  | Pins 2 & 3 closed |
          |---+----------------------------+-------+-------------------|
          |   | Keyboard power on disabled |  JP3  | Pins 1 & 2 closed |
          |---+----------------------------+-------+-------------------|
          | » | Normal VGA card            | JVGA1 |      Closed       |
          |---+----------------------------+-------+-------------------|
          |   | Special VGA card           | JVGA1 |       Open        |
          +------------------------------------------------------------+
       
          +------------------------------------------------------------+
          |              DIP SWITCH/JUMPERLESS SELECTION               |
          |------------------------------------------------------------|
          |    CPU Clock Setting     |      JP5       |      JP6       |
          |--------------------------+----------------+----------------|
          | » | DIP SW1 enabled      |   Pins 2 & 3   |   Pins 2 & 3   |
          |   |                      |     closed     |     closed     |
          |---+----------------------+----------------+----------------|
          |   | BIOS setting enabled |   Pins 1 & 2   |   Pins 1 & 2   |
          |   |                      |     closed     |     closed     |
          +------------------------------------------------------------+
       
          +------------------------------------------------------------+
          |                     USB PORT SELECTION                     |
          |------------------------------------------------------------|
          |             USB Port             |    JP8     |    JP9     |
          |----------------------------------+------------+------------|
          | » | Redirect all USB ports to    | Pins 1 & 2 | Pins 1 & 2 |
          |   | USB connector                |   closed   |   closed   |
          |---+------------------------------+------------+------------|
          |   | Redirect USB1 to AGP port    | Pins 2 & 3 | Pins 2 & 3 |
          |   |                              |   closed   |   closed   |
          +------------------------------------------------------------+
       
          +------------------------------------------------------------+
          |                     DRAM CONFIGURATION                     |
          |------------------------------------------------------------|
          |    Size    |    Bank 0     |    Bank 1     |    Bank 2     |
          |------------+---------------+---------------+---------------|
          |    8MB     | (2) 1MB x 36  |     None      |     None      |
          |------------+---------------+---------------+---------------|
          |    16MB    | (2) 1MB x 36  | (1) 1MB x 64  |     None      |
          |------------+---------------+---------------+---------------|
          |    16MB    | (2) 2MB x 36  |     None      |     None      |
          |------------+---------------+---------------+---------------|
          |    24MB    | (2) 1MB x 36  | (1) 1MB x 64  | (1) 1MB x 64  |
          |------------+---------------+---------------+---------------|
          |    24MB    | (2) 2MB x 36  | (1) 1MB x 64  |     None      |
          |------------+---------------+---------------+---------------|
          |    32MB    | (2) 2MB x 36  | (1) 2MB x 64  |     None      |
          |------------+---------------+---------------+---------------|
          |    32MB    | (2) 4MB x 64  |     None      |     None      |
          |------------+---------------+---------------+---------------|
          |    40MB    | (2) 2MB x 36  | (1) 2MB x 64  | (1) 1MB x 64  |
          |------------+---------------+---------------+---------------|
          |    40MB    | (2) 4MB x 36  | (1) 1MB x 64  |     None      |
          |------------+---------------+---------------+---------------|
          |    48MB    | (2) 2MB x 36  | (1) 2MB x 64  | (1) 2MB x 64  |
          |------------+---------------+---------------+---------------|
          |    48MB    | (2) 4MB x 36  | (1) 2MB x 64  |     None      |
          |------------+---------------+---------------+---------------|
          |    64MB    | (2) 4MB x 36  | (1) 4MB x 64  |     None      |
          |------------+---------------+---------------+---------------|
          |    64MB    | (2) 8MB x 36  |     None      |     None      |
          |------------+---------------+---------------+---------------|
          |    72MB    | (2) 4MB x 36  | (1) 4MB x 64  | (1) 1MB x 64  |
          |------------+---------------+---------------+---------------|
          |    72MB    | (2) 8MB x 36  | (1) 1MB x 64  |     None      |
          |------------+---------------+---------------+---------------|
          |    80MB    | (2) 4MB x 36  | (1) 4MB x 64  | (1) 2MB x 64  |
          |------------+---------------+---------------+---------------|
          |    80MB    | (2) 8MB x 36  | (1) 2MB x 64  |     None      |
          |------------+---------------+---------------+---------------|
          |    96MB    | (2) 4MB x 36  | (1) 4MB x 64  | (1) 4MB x 64  |
          |------------+---------------+---------------+---------------|
          |    96MB    | (2) 8MB x 36  | (1) 4MB x 64  |     None      |
          |------------+---------------+---------------+---------------|
          |   128MB    | (2) 8MB x 36  | (1) 8MB x 64  |     None      |
          |------------+---------------+---------------+---------------|
          |   128MB    | (2) 16MB x 36 |     None      |     None      |
          |------------+---------------+---------------+---------------|
          |   136MB    | (2) 8MB x 36  | (1) 8MB x 64  | (1) 1MB x 64  |
          |------------+---------------+---------------+---------------|
          |   136MB    | (2) 16MB x 36 | (1) 1MB x 64  |     None      |
          |------------+---------------+---------------+---------------|
          |   144MB    | (2) 8MB x 36  | (1) 8MB x 64  | (1) 2MB x 64  |
          |------------+---------------+---------------+---------------|
          |   144MB    | (2) 16MB x 36 | (1) 2MB x 64  |     None      |
          |------------+---------------+---------------+---------------|
          |   160MB    | (2) 8MB x 36  | (1) 8MB x 64  | (1) 4MB x 64  |
          |------------+---------------+---------------+---------------|
          |   160MB    | (2) 16MB x 36 | (1) 4MB x 64  |     None      |
          |------------+---------------+---------------+---------------|
          |   196MB    | (2) 8MB x 36  | (1) 8MB x 64  | (1) 8MB x 64  |
          |------------+---------------+---------------+---------------|
          |   196MB    | (2) 16MB x 36 | (1) 8MB x 64  |     None      |
          |------------+---------------+---------------+---------------|
          |   256MB    | (2) 16MB x 36 | (1) 16MB x 64 |     None      |
          |------------+---------------+---------------+---------------|
          |   256MB    | (2) 32MB x 36 |     None      |     None      |
          |------------+---------------+---------------+---------------|
          |   264MB    | (2) 32MB x 36 | (1) 1MB x 64  |     None      |
          |------------+---------------+---------------+---------------|
          |   272MB    | (2) 32MB x 36 | (1) 2MB x 64  |     None      |
          |------------+---------------+---------------+---------------|
          |   288MB    | (2) 32MB x 36 | (1) 4MB x 64  |     None      |
          |------------+---------------+---------------+---------------|
          |   320MB    | (2) 32MB x 36 | (1) 8MB x 64  |     None      |
          |------------+---------------+---------------+---------------|
          |   384MB    | (2) 32MB x 36 | (1) 16MB x 64 |     None      |
          |------------+---------------+---------------+---------------|
          |   512MB    | (2) 32MB x 36 | (1) 32MB x 64 |     None      |
          |------------+---------------+---------------+---------------|
          |   520MB    | (2) 32MB x 36 | (1) 32MB x 64 | (1) 1MB x 64  |
          |------------+---------------+---------------+---------------|
          |   528MB    | (2) 32MB x 36 | (1) 32MB x 64 | (1) 2MB x 64  |
          |------------+---------------+---------------+---------------|
          |   544MB    | (2) 32MB x 36 | (1) 32MB x 64 | (1) 4MB x 64  |
          |------------+---------------+---------------+---------------|
          |   576MB    | (2) 32MB x 36 | (1) 32MB x 64 | (1) 8MB x 64  |
          |------------+---------------+---------------+---------------|
          |   640MB    | (2) 32MB x 36 | (1) 32MB x 64 | (1) 16MB x 64 |
          |------------+---------------+---------------+---------------|
          |   768MB    | (2) 32MB x 36 | (1) 32MB x 64 | (1) 32MB x 64 |
          +------------------------------------------------------------+
       
          +------------------------------------------------------------+
          |                    CACHE CONFIGURATION                     |
          |------------------------------------------------------------|
          | Note: 256/512KB cache is located on the Pentium            |
          | II/Deschutes CPU.                                          |
          +------------------------------------------------------------+
       
          +------------------------------------------------------------+
          |              CPU SPEED SELECTION (PENTIUM II)              |
          |------------------------------------------------------------|
          |  CPU  |Clock|Multiplier|SW1/1|SW1/2|SW1/3|SW1/4|SW1/5|SW1/6|
          | Speed |speed|          |     |     |     |     |     |     |
          |-------+-----+----------+-----+-----+-----+-----+-----+-----|
          |233MHz |66MHz|   3.5x   | On  | Off | Off | On  | On  | Off |
          |-------+-----+----------+-----+-----+-----+-----+-----+-----|
          |266MHz |66MHz|    4x    | Off | On  | On  | On  | On  | Off |
          |-------+-----+----------+-----+-----+-----+-----+-----+-----|
          |300MHz |66MHz|   4.5x   | Off | On  | Off | On  | On  | Off |
          |-------+-----+----------+-----+-----+-----+-----+-----+-----|
          |333MHz |66MHz|    5x    | Off | Off | On  | On  | On  | Off |
          |------------------------------------------------------------|
          |Note: SW1/5 and SW1/6 control Bus Clock Speed. Default      |
          |setting is Auto Detect, with SW1/5 Off, and SW1/6 On        |
          +------------------------------------------------------------+
       
          +------------------------------------------------------------+
          |              CPU SPEED SELECTION (DESCHUTES)               |
          |------------------------------------------------------------|
          | CPU  |Clock |Multiplier|SW1/1|SW1/2|SW1/3|SW1/4|SW1/5|SW1/6|
          |Speed |speed |          |     |     |     |     |     |     |
          |------+------+----------+-----+-----+-----+-----+-----+-----|
          |350MHz|100MHz|   3.5x   | On  | Off | Off | On  | Off | Off |
          |------+------+----------+-----+-----+-----+-----+-----+-----|
          |400MHz|100MHz|    4x    | Off | On  | On  | On  | Off | Off |
          |------+------+----------+-----+-----+-----+-----+-----+-----|
          |450MHz|100MHz|   4.5x   | Off | On  | Off | On  | Off | Off |
          |------+------+----------+-----+-----+-----+-----+-----+-----|
          |500MHz|100MHz|    5x    | Off | Off | On  | On  | Off | Off |
          |------------------------------------------------------------|
          |Note: SW1/5 and SW1/6 control Bus Clock Speed. Default      |
          |setting is Auto Detect, with SW1/5 Off, and SW1/6 On        |
          +------------------------------------------------------------+