URI: 
  TEXT View Source
       
       # TMC RESEARCH CORPORATION
       
          MI6NE (VER. 1.0)
       
          Device Type      Mainboard                                     
          Processor        Pentium II                                    
          Processor Speed  233/266/300/333MHz                            
          Chip Set         Intel 440LX                                   
          Video Chip Set   None                                          
          Maximum Onboard  512MB (EDO & SDRAM supported)                 
          Memory           
          Maximum Video    None                                          
          Memory           
          Cache            256/512KB (located on Pentium II CPU)         
          BIOS             Award                                         
          Dimensions       240mm x 185mm                                 
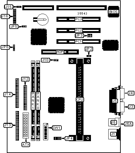
          I/O Options      32-bit PCI slots (3), floppy drive interface, 
                           IDE interfaces (2), parallel port, PS/2 mouse 
                           port, serial ports (2), IR connector, USB     
                           connectors (2), ATX power connector, AGP      
                           slot, line in, line out, microphone in,       
                           wavetable connector                           
       
   IMG IMG 1
          
       
          +------------------------------------------------------------+
          |                        CONNECTIONS                         |
          |------------------------------------------------------------|
          | Purpose          | Location | Purpose         |  Location  |
          |------------------+----------+-----------------+------------|
          | AGP slot         |   AGP    | IDE interface 1 |    J14     |
          |------------------+----------+-----------------+------------|
          | ATX power        |   ATX    | Chassis fan     |    J15     |
          | connector        |          | power           |            |
          |------------------+----------+-----------------+------------|
          | PS/2 mouse port  |    J1    | Speaker         | J16/pins 1 |
          |                  |          |                 |    - 4     |
          |------------------+----------+-----------------+------------|
          | IR connector     |    J2    | Soft off power  | J16/pins 7 |
          |                  |          | supply          |    & 17    |
          |------------------+----------+-----------------+------------|
          | Serial port 1    |    J3    | Turbo LED       | J16/pins 8 |
          |                  |          |                 |    & 18    |
          |------------------+----------+-----------------+------------|
          | Serial port 2    |    J4    | Reset switch    | J16/pins 9 |
          |                  |          |                 |    & 19    |
          |------------------+----------+-----------------+------------|
          | Parallel port    |    J5    | IDE interface   |  J16/pins  |
          |                  |          | LED             |  10 & 20   |
          |------------------+----------+-----------------+------------|
          | USB connector 1  |    J6    | Power LED &     |  J16/pins  |
          |                  |          | keylock         |  11 - 15   |
          |------------------+----------+-----------------+------------|
          | USB connector 2  |   J6A    | Wake on LAN     |    JP2     |
          |                  |          | connector       |            |
          |------------------+----------+-----------------+------------|
          | CPU fan power    |   J10    | SB-link         |    JP3     |
          |                  |          | connector       |            |
          |------------------+----------+-----------------+------------|
          | Floppy drive     |   J12    | External        |    JP6     |
          | interface        |          | battery         |            |
          |------------------+----------+-----------------+------------|
          | IDE interface 2  |   J13    | 32-bit PCI      | PC1 – PC3  |
          |                  |          | slots           |            |
          +------------------------------------------------------------+
       
          +------------------------------------------------------------+
          |                 USER CONFIGURABLE SETTINGS                 |
          |------------------------------------------------------------|
          |              Function               | Label |   Position   |
          |-------------------------------------+-------+--------------|
          | » | Factory configured - do not     |  JP4  | Unidentified |
          |   | alter                           |       |              |
          |---+---------------------------------+-------+--------------|
          | » | CMOS memory normal operation    |  JP5  |  Pins 1 & 2  |
          |   |                                 |       |    closed    |
          |---+---------------------------------+-------+--------------|
          |   | CMOS memory clear               |  JP5  |  Pins 2 & 3  |
          |   |                                 |       |    closed    |
          +------------------------------------------------------------+
       
          +------------------------------------------------------------+
          |                     DIMM CONFIGURATION                     |
          |------------------------------------------------------------|
          |       Size       |       Bank 0       |       Bank 1       |
          |------------------+--------------------+--------------------|
          |       8MB        |    (1) 1M x 64     |        None        |
          |------------------+--------------------+--------------------|
          |       16MB       |    (1) 2M x 64     |        None        |
          |------------------+--------------------+--------------------|
          |       16MB       |    (1) 1M x 64     |    (1) 1M x 64     |
          |------------------+--------------------+--------------------|
          |       24MB       |    (1) 2M x 64     |    (1) 1M x 64     |
          |------------------+--------------------+--------------------|
          |       32MB       |    (1) 4M x 64     |        None        |
          |------------------+--------------------+--------------------|
          |       32MB       |    (1) 2M x 64     |    (1) 2M x 64     |
          |------------------+--------------------+--------------------|
          |       40MB       |    (1) 4M x 64     |    (1) 1M x 64     |
          |------------------+--------------------+--------------------|
          |       48MB       |    (1) 4M x 64     |    (1) 2M x 64     |
          |------------------+--------------------+--------------------|
          |       64MB       |    (1) 8M x 64     |        None        |
          |------------------+--------------------+--------------------|
          |       64MB       |    (1) 4M x 64     |    (1) 4M x 64     |
          |------------------+--------------------+--------------------|
          |       72MB       |    (1) 8M x 64     |    (1) 1M x 64     |
          |------------------+--------------------+--------------------|
          |       80MB       |    (1) 8M x 64     |    (1) 2M x 64     |
          |------------------+--------------------+--------------------|
          |       96MB       |    (1) 8M x 64     |    (1) 4M x 64     |
          +------------------------------------------------------------+
       
          +------------------------------------------------------------+
          |                 DIMM CONFIGURATION (CON’T)                 |
          |------------------------------------------------------------|
          |       Size       |       Bank 0       |       Bank 1       |
          |------------------+--------------------+--------------------|
          |      128MB       |    (1) 16M x 64    |        None        |
          |------------------+--------------------+--------------------|
          |      128MB       |    (1) 8M x 64     |    (1) 8M x 64     |
          |------------------+--------------------+--------------------|
          |      136MB       |    (1) 16M x 64    |    (1) 1M x 64     |
          |------------------+--------------------+--------------------|
          |      144MB       |    (1) 16M x 64    |    (1) 2M x 64     |
          |------------------+--------------------+--------------------|
          |      160MB       |    (1) 16M x 64    |    (1) 4M x 64     |
          |------------------+--------------------+--------------------|
          |      192MB       |    (1) 16M x 64    |    (1) 8M x 64     |
          |------------------+--------------------+--------------------|
          |      256MB       |    (1) 16M x 64    |    (1) 16M x 64    |
          |------------------+--------------------+--------------------|
          |      256MB       |    (1) 32M x 64    |        None        |
          |------------------+--------------------+--------------------|
          |      264MB       |    (1) 32M x 64    |    (1) 1M x 64     |
          |------------------+--------------------+--------------------|
          |      272MB       |    (1) 32M x 64    |    (1) 2M x 64     |
          |------------------+--------------------+--------------------|
          |      288MB       |    (1) 32M x 64    |    (1) 4M x 64     |
          |------------------+--------------------+--------------------|
          |      320MB       |    (1) 32M x 64    |    (1) 8M x 64     |
          |------------------+--------------------+--------------------|
          |      384MB       |    (1) 32M x 64    |    (1) 16M x 64    |
          |------------------+--------------------+--------------------|
          |      512MB       |    (1) 32M x 64    |    (1) 32M x 64    |
          |------------------------------------------------------------|
          |      Note: Board accepts EDO & SDRAM memory.               |
          +------------------------------------------------------------+
       
          +------------------------------------------------------------+
          |                    CACHE CONFIGURATION                     |
          |------------------------------------------------------------|
          | Note: 256KB/512KB cache is located on the Pentium II CPU.  |
          +------------------------------------------------------------+
       
          +------------------------------------------------------------+
          |                    CPU SPEED SELECTION                     |
          |------------------------------------------------------------|
          |CPU speed|Clock speed|Multiplier|SW1/1 |SW1/2 |SW1/3 |SW1/4 |
          |---------+-----------+----------+------+------+------+------|
          | 266MHz  |   66MHz   |    4x    | Off  | Off  | Off  | Off  |
          |---------+-----------+----------+------+------+------+------|
          | 300MHz  |   66MHz   |   4.5x   | Off  | Off  | Off  | Off  |
          |---------+-----------+----------+------+------+------+------|
          | 333MHz  |   66MHz   |    5x    | Off  | Off  | Off  | Off  |
          |---------+-----------+----------+------+------+------+------|
          | 366MHz  |   66MHz   |   5.5x   | Off  | Off  | Off  | Off  |
          +------------------------------------------------------------+
       
          +------------------------------------------------------------+
          |                CPU SPEED SELECTION (CON’T)                 |
          |------------------------------------------------------------|
          |CPU speed|Clock speed|Multiplier|SW1/5 |SW1/6 |SW1/7 |SW1/8 |
          |---------+-----------+----------+------+------+------+------|
          | 266MHz  |   66MHz   |    4x    |  On  | Off  | Off  |  On  |
          |---------+-----------+----------+------+------+------+------|
          | 300MHz  |   66MHz   |   4.5x   | Off  |  On  |  On  |  On  |
          |---------+-----------+----------+------+------+------+------|
          | 333MHz  |   66MHz   |    5x    | Off  |  On  | Off  |  On  |
          |---------+-----------+----------+------+------+------+------|
          | 366MHz  |   66MHz   |   5.5x   | Off  | Off  |  On  |  On  |
          +------------------------------------------------------------+