URI: 
  TEXT View Source
       
       # TMC RESEARCH CORPORATION
       
          TI6NB (VER. 1.0A)
       
          Device Type     Mainboard                                      
          Processor       Pentium II                                     
          Processor Speed 233/266/300/333/350/400/450MHz                 
          Chip Set        Intel 440BX                                    
          Video Chip Set  None                                           
          Maximum Onboard 512MB (SDRAM supported)                        
          Memory          
          Maximum Video   None                                           
          Memory          
          Cache           256/512KB (located on Pentium II CPU)          
          BIOS            Award                                          
          Dimensions      305mm x 185mm                                  
          I/O Options     32-bit PCI slots (5), floppy drive interface,  
                          IDE interfaces (2), parallel port, PS/2 mouse  
                          port, serial ports (2), IR connector, USB      
                          connectors (2), ATX power connector, AGP slot  
          NPU Options     None                                           
       
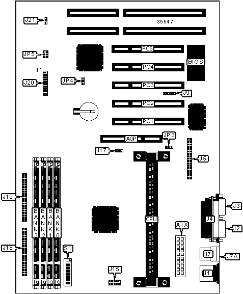
   IMG IMG 1
          
       
          +------------------------------------------------------------+
          |                        CONNECTIONS                         |
          |------------------------------------------------------------|
          | Purpose          | Location | Purpose          | Location  |
          |------------------+----------+------------------+-----------|
          | AGP slot         |   AGP    | IDE interface 1  |    J19    |
          |------------------+----------+------------------+-----------|
          | ATX power        |   ATX    | Speaker          | J16/pins  |
          | connector        |          |                  |   1 - 4   |
          |------------------+----------+------------------+-----------|
          | PS/2 mouse port  |    J1    | Soft off power   | J16/pins  |
          |                  |          | supply           |  7 & 17   |
          |------------------+----------+------------------+-----------|
          | Serial port 1    |    J2    | Turbo LED        | J16/pins  |
          |                  |          |                  |  8 & 18   |
          |------------------+----------+------------------+-----------|
          | Serial port 2    |    J3    | Reset switch     | J16/pins  |
          |                  |          |                  |  9 & 19   |
          |------------------+----------+------------------+-----------|
          | Parallel port    |    J4    | IDE interface    | J16/pins  |
          |                  |          | LED              |  10 & 20  |
          |------------------+----------+------------------+-----------|
          | Floppy drive     |    J5    | Power LED &      | J16/pins  |
          | interface        |          | keylock          |  11 - 15  |
          |------------------+----------+------------------+-----------|
          | USB connector 1  |    J7    | Chassis fan      |    J21    |
          |                  |          | power            |           |
          |------------------+----------+------------------+-----------|
          | USB connector 2  |   J7A    | Wake on LAN      |    JP3    |
          |                  |          | connector        |           |
          |------------------+----------+------------------+-----------|
          | IR connector     |    J9    | SB-link          |    JP5    |
          |                  |          | connector        |           |
          |------------------+----------+------------------+-----------|
          | CPU fan power    |   J17    | 32-bit PCI slots | PC1 - PC5 |
          |------------------+----------+------------------+-----------|
          | IDE interface 2  |   J18    |                  |           |
          +------------------------------------------------------------+
       
          +------------------------------------------------------------+
          |                 USER CONFIGURABLE SETTINGS                 |
          |------------------------------------------------------------|
          |              Function               | Label |   Position   |
          |-------------------------------------+-------+--------------|
          | » | Factory configured - do not     |  J15  | Unidentified |
          |   | alter                           |       |              |
          |---+---------------------------------+-------+--------------|
          | » | CMOS memory normal operation    |  JP4  |  Pins 1 & 2  |
          |   |                                 |       |    closed    |
          |---+---------------------------------+-------+--------------|
          |   | CMOS memory clear               |  JP4  |  Pins 2 & 3  |
          |   |                                 |       |    closed    |
          +------------------------------------------------------------+
       
          +------------------------------------------------------------+
          |                     DIMM CONFIGURATION                     |
          |------------------------------------------------------------|
          | Size |   Bank 0    |   Bank 1    |   Bank 2   |   Bank 3   |
          |------+-------------+-------------+------------+------------|
          | 8MB  | (1) 1M x 64 |    None     |    None    |    None    |
          |------+-------------+-------------+------------+------------|
          | 16MB | (1) 2M x 64 |    None     |    None    |    None    |
          |------+-------------+-------------+------------+------------|
          | 16MB | (1) 1M x 64 | (1) 1M x 64 |    None    |    None    |
          |------+-------------+-------------+------------+------------|
          | 24MB | (1) 2M x 64 | (1) 1M x 64 |    None    |    None    |
          |------+-------------+-------------+------------+------------|
          | 24MB | (1) 1M x 64 | (1) 1M x 64 |  (1) 1M x  |    None    |
          |      |             |             |     64     |            |
          |------+-------------+-------------+------------+------------|
          | 32MB | (1) 4M x 64 |    None     |    None    |    None    |
          |------+-------------+-------------+------------+------------|
          | 32MB | (1) 2M x 64 | (1) 2M x 64 |    None    |    None    |
          |------+-------------+-------------+------------+------------|
          | 32MB | (1) 1M x 64 | (1) 1M x 64 |  (1) 1M x  |  (1) 1M x  |
          |      |             |             |     64     |     64     |
          |------+-------------+-------------+------------+------------|
          | 40MB | (1) 4M x 64 | (1) 1M x 64 |    None    |    None    |
          |------+-------------+-------------+------------+------------|
          | 48MB | (1) 4M x 64 | (1) 2M x 64 |    None    |    None    |
          |------+-------------+-------------+------------+------------|
          | 48MB | (1) 2M x 64 | (1) 2M x 64 |  (1) 2M x  |    None    |
          |      |             |             |     64     |            |
          |------+-------------+-------------+------------+------------|
          | 64MB | (1) 2M x 64 | (1) 2M x 64 |  (1) 2M x  |  (1) 2M x  |
          |      |             |             |     64     |     64     |
          |------+-------------+-------------+------------+------------|
          | 64MB | (1) 8M x 64 |    None     |    None    |    None    |
          +------------------------------------------------------------+
       
          +------------------------------------------------------------+
          |                 DIMM CONFIGURATION (CON'T)                 |
          |------------------------------------------------------------|
          | Size  |   Bank 0    |   Bank 1   |   Bank 2   |   Bank 3   |
          |-------+-------------+------------+------------+------------|
          | 64MB  | (1) 4M x 64 |  (1) 4M x  |    None    |    None    |
          |       |             |     64     |            |            |
          |-------+-------------+------------+------------+------------|
          | 72MB  | (1) 8M x 64 |  (1) 1M x  |    None    |    None    |
          |       |             |     64     |            |            |
          |-------+-------------+------------+------------+------------|
          | 80MB  | (1) 8M x 64 |  (1) 2M x  |    None    |    None    |
          |       |             |     64     |            |            |
          |-------+-------------+------------+------------+------------|
          | 96MB  | (1) 8M x 64 |  (1) 4M x  |    None    |    None    |
          |       |             |     64     |            |            |
          |-------+-------------+------------+------------+------------|
          | 96MB  | (1) 4M x 64 |  (1) 4M x  |  (1) 4M x  |    None    |
          |       |             |     64     |     64     |            |
          |-------+-------------+------------+------------+------------|
          | 128MB |  (1) 16M x  |    None    |    None    |    None    |
          |       |     64      |            |            |            |
          |-------+-------------+------------+------------+------------|
          | 128MB | (1) 8M x 64 |  (1) 8M x  |    None    |    None    |
          |       |             |     64     |            |            |
          |-------+-------------+------------+------------+------------|
          | 128MB | (1) 4M x 64 |  (1) 4M x  |  (1) 4M x  |  (1) 4M x  |
          |       |             |     64     |     64     |     64     |
          |-------+-------------+------------+------------+------------|
          | 136MB |  (1) 16M x  |  (1) 1M x  |    None    |    None    |
          |       |     64      |     64     |            |            |
          |-------+-------------+------------+------------+------------|
          | 144MB |  (1) 16M x  |  (1) 2M x  |    None    |    None    |
          |       |     64      |     64     |            |            |
          |-------+-------------+------------+------------+------------|
          | 152MB |  (1) 16M x  |  (1) 1M x  |  (1) 1M x  |  (1) 1M x  |
          |       |     64      |     64     |     64     |     64     |
          |-------+-------------+------------+------------+------------|
          | 160MB |  (1) 16M x  |  (1) 4M x  |    None    |    None    |
          |       |     64      |     64     |            |            |
          |-------+-------------+------------+------------+------------|
          | 176MB |  (1) 16M x  |  (1) 2M x  |  (1) 2M x  |  (1) 2M x  |
          |       |     64      |     64     |     64     |     64     |
          |-------+-------------+------------+------------+------------|
          | 192MB |  (1) 16M x  |  (1) 8M x  |    None    |    None    |
          |       |     64      |     64     |            |            |
          |-------+-------------+------------+------------+------------|
          | 192MB | (1) 8M x 64 |  (1) 8M x  |  (1) 8M x  |    None    |
          |       |             |     64     |     64     |            |
          |-------+-------------+------------+------------+------------|
          | 224MB |  (1) 16M x  |  (1) 4M x  |  (1) 4M x  |  (1) 4M x  |
          |       |     64      |     64     |     64     |     64     |
          |-------+-------------+------------+------------+------------|
          | 256MB |  (1) 16M x  | (1) 16M x  |    None    |    None    |
          |       |     64      |     64     |            |            |
          |-------+-------------+------------+------------+------------|
          | 256MB | (1) 8M x 64 |  (1) 8M x  |  (1) 8M x  |  (1) 8M x  |
          |       |             |     64     |     64     |     64     |
          |-------+-------------+------------+------------+------------|
          | 272MB |  (1) 16M x  | (1) 16M x  |  (1) 1M x  |  (1) 1M x  |
          |       |     64      |     64     |     64     |     64     |
          |-------+-------------+------------+------------+------------|
          | 288MB |  (1) 16M x  | (1) 16M x  |  (1) 2M x  |  (1) 2M x  |
          |       |     64      |     64     |     64     |     64     |
          |-------+-------------+------------+------------+------------|
          | 320MB |  (1) 16M x  | (1) 16M x  |  (1) 4M x  |  (1) 4M x  |
          |       |     64      |     64     |     64     |     64     |
          |-------+-------------+------------+------------+------------|
          | 320MB |  (1) 16M x  |  (1) 8M x  |  (1) 8M x  |  (1) 8M x  |
          |       |     64      |     64     |     64     |     64     |
          |-------+-------------+------------+------------+------------|
          | 384MB |  (1) 16M x  | (1) 16M x  | (1) 16M x  |    None    |
          |       |     64      |     64     |     64     |            |
          |-------+-------------+------------+------------+------------|
          | 512MB |  (1) 16M x  | (1) 16M x  | (1) 16M x  | (1) 16M x  |
          |       |     64      |     64     |     64     |     64     |
          |------------------------------------------------------------|
          | Note: Board accepts SDRAM memory.                          |
          +------------------------------------------------------------+
       
          +-----------------------------------------------------------+
          |                    CACHE CONFIGURATION                    |
          |-----------------------------------------------------------|
          | Note: 256KB/512KB cache is located on the Pentium II CPU. |
          +-----------------------------------------------------------+
       
          +------------------------------------------------------------+
          |                    CPU SPEED SELECTION                     |
          |------------------------------------------------------------|
          |  CPU   |  Clock   | Multiplier | S1/1 | S1/2 | S1/3 | S1/4 |
          | speed  |  speed   |            |      |      |      |      |
          |--------+----------+------------+------+------+------+------|
          | 233MHz |  66MHz   |    3.5x    | Off  | Off  | Off  | Off  |
          |--------+----------+------------+------+------+------+------|
          | 266MHz |  66MHz   |     4x     | Off  | Off  | Off  | Off  |
          |--------+----------+------------+------+------+------+------|
          | 300MHz |  66MHz   |    4.5x    | Off  | Off  | Off  | Off  |
          |--------+----------+------------+------+------+------+------|
          | 300MHz |  100MHz  |     3x     | Off  | Off  | Off  | Off  |
          |--------+----------+------------+------+------+------+------|
          | 333MHz |  66MHz   |     5x     | Off  | Off  | Off  | Off  |
          |--------+----------+------------+------+------+------+------|
          | 350MHz |  100MHz  |    3.5x    | Off  | Off  | Off  | Off  |
          |--------+----------+------------+------+------+------+------|
          | 400MHz |  100MHz  |     4x     | Off  | Off  | Off  | Off  |
          |--------+----------+------------+------+------+------+------|
          | 450MHz |  100MHz  |    4.5x    | Off  | Off  | Off  | Off  |
          +------------------------------------------------------------+
       
          +------------------------------------------------------------+
          |                CPU SPEED SELECTION (CON'T)                 |
          |------------------------------------------------------------|
          |  CPU   |  Clock   | Multiplier | S1/5 | S1/6 | S1/7 | S1/8 |
          | speed  |  speed   |            |      |      |      |      |
          |--------+----------+------------+------+------+------+------|
          | 233MHz |  66MHz   |    3.5x    |  On  | Off  | Off  |  On  |
          |--------+----------+------------+------+------+------+------|
          | 266MHz |  66MHz   |     4x     | Off  |  On  |  On  |  On  |
          |--------+----------+------------+------+------+------+------|
          | 300MHz |  66MHz   |    4.5x    | Off  |  On  | Off  |  On  |
          |--------+----------+------------+------+------+------+------|
          | 300MHz |  100MHz  |     3x     |  On  | Off  |  On  |  On  |
          |--------+----------+------------+------+------+------+------|
          | 333MHz |  66MHz   |     5x     | Off  | Off  |  On  |  On  |
          |--------+----------+------------+------+------+------+------|
          | 350MHz |  100MHz  |    3.5x    |  On  | Off  | Off  |  On  |
          |--------+----------+------------+------+------+------+------|
          | 400MHz |  100MHz  |     4x     | Off  |  On  |  On  |  On  |
          |--------+----------+------------+------+------+------+------|
          | 450MHz |  100MHz  |    4.5x    | Off  |  On  | Off  |  On  |
          +------------------------------------------------------------+