URI: 
  TEXT View Source
       
       # TRIGEM MICROSYSTEMS, INC.
       
          DT650
       
          Device Type      Mainboard                                     
          Processor        Pentium II                                    
          Processor Speed  233/266/300/333/350/400MHz                    
          Chip Set         Intel 443BX                                   
          Video Chip Set   None                                          
          Maximum Onboard  512MB (SDRAM supported)                       
          Memory           
          Maximum Video    None                                          
          Memory           
          Cache            512KB (located on Pentium II CPU)             
          BIOS             Unidentified                                  
          Dimensions       305mm x 244mm                                 
          I/O Options      32-bit PCI slots (4), floppy drive interface, 
                           green PC connector, IDE interfaces (2),       
                           parallel port, PS/2 mouse port, serial ports  
                           (2), IR connector, USB connectors (2), ATX    
                           power connector, AGP slot                     
       
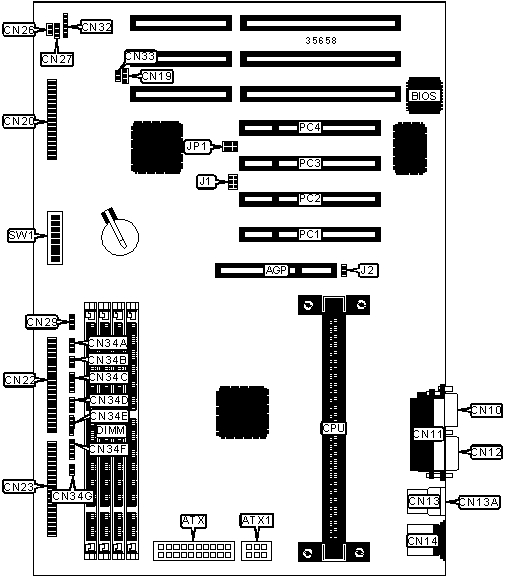
   IMG IMG 1
          
       
          +------------------------------------------------------------+
          |                        CONNECTIONS                         |
          |------------------------------------------------------------|
          | Purpose          | Location | Purpose           | Location |
          |------------------+----------+-------------------+----------|
          | AGP slot         |   AGP    | Chassis security  |   CN26   |
          |                  |          | connector         |          |
          |------------------+----------+-------------------+----------|
          | ATX power        |   ATX    | Chassis fan power |   CN27   |
          | connector        |          |                   |          |
          |------------------+----------+-------------------+----------|
          | ATX auxiliary    |   ATX1   | CPU fan power     |   CN29   |
          | power            |          |                   |          |
          |------------------+----------+-------------------+----------|
          | Serial port 1    |   CN10   | IR connector      |   CN32   |
          |------------------+----------+-------------------+----------|
          | Parallel port    |   CN11   | Wake on ring      |   CN33   |
          |                  |          | connector         |          |
          |------------------+----------+-------------------+----------|
          | Serial port 2    |   CN12   | Power LED         |  CN34A   |
          |------------------+----------+-------------------+----------|
          | USB connector 1  |   CN13   | IDE interface LED |  CN34B   |
          |------------------+----------+-------------------+----------|
          | USB connector 2  |  CN13A   | Speaker           |  CN34C   |
          |------------------+----------+-------------------+----------|
          | PS/2 mouse port  |   CN14   | Keylock           |  CN34D   |
          |------------------+----------+-------------------+----------|
          | Wake on LAN      |   CN19   | Reset switch      |  CN34E   |
          | connector        |          |                   |          |
          |------------------+----------+-------------------+----------|
          | Floppy drive     |   CN20   | Green PC          |  CN34F   |
          | interface        |          | connector         |          |
          |------------------+----------+-------------------+----------|
          | IDE interface 1  |   CN22   | Soft off power    |  CN34G   |
          |                  |          | supply            |          |
          |------------------+----------+-------------------+----------|
          | IDE interface 2  |   CN23   | 32-bit PCI slots  |  PC1 –   |
          |                  |          |                   |   PC4    |
          +------------------------------------------------------------+
       
          +------------------------------------------------------------+
          |                 USER CONFIGURABLE SETTINGS                 |
          |------------------------------------------------------------|
          |              Function               | Label |   Position   |
          |-------------------------------------+-------+--------------|
          | » | Factory configured - do not     |  J1   | Unidentified |
          |   | alter                           |       |              |
          |---+---------------------------------+-------+--------------|
          | » | Factory configured - do not     |  J2   | Unidentified |
          |   | alter                           |       |              |
          |---+---------------------------------+-------+--------------|
          | » | Factory configured - do not     |  JP1  | Unidentified |
          |   | alter                           |       |              |
          |---+---------------------------------+-------+--------------|
          | » | CMOS memory normal operation    | SW1/5 |     Off      |
          |---+---------------------------------+-------+--------------|
          |   | CMOS memory clear               | SW1/5 |      On      |
          |---+---------------------------------+-------+--------------|
          |   | Password enabled                | SW1/6 |     Off      |
          |---+---------------------------------+-------+--------------|
          |   | Password disabled               | SW1/6 |      On      |
          |---+---------------------------------+-------+--------------|
          |   | Setup access enabled            | SW1/7 |     Off      |
          |---+---------------------------------+-------+--------------|
          |   | Setup access disabled           | SW1/7 |      On      |
          |---+---------------------------------+-------+--------------|
          |   | Floppy drive write protect      | SW1/8 |     Off      |
          |   | disabled                        |       |              |
          |---+---------------------------------+-------+--------------|
          |   | Floppy drive write protect      | SW1/8 |      On      |
          |   | enabled                         |       |              |
          +------------------------------------------------------------+
       
          +------------------------------------------------------------+
          |                     DIMM CONFIGURATION                     |
          |------------------------------------------------------------|
          |  Size   |   Bank 0    |   Bank 1    |  Bank 2   |  Bank 3  |
          |---------+-------------+-------------+-----------+----------|
          |   8MB   | (1) 1M x 64 |    None     |   None    |   None   |
          |---------+-------------+-------------+-----------+----------|
          |  16MB   | (1) 2M x 64 |    None     |   None    |   None   |
          |---------+-------------+-------------+-----------+----------|
          |  16MB   | (1) 1M x 64 | (1) 1M x 64 |   None    |   None   |
          |---------+-------------+-------------+-----------+----------|
          |  24MB   | (1) 2M x 64 | (1) 1M x 64 |   None    |   None   |
          +------------------------------------------------------------+
       
          +------------------------------------------------------------+
          |                 DIMM CONFIGURATION (CON’T)                 |
          |------------------------------------------------------------|
          | Size  |   Bank 0    |   Bank 1   |   Bank 2   |   Bank 3   |
          |-------+-------------+------------+------------+------------|
          | 24MB  | (1) 1M x 64 |  (1) 1M x  |  (1) 1M x  |    None    |
          |       |             |     64     |     64     |            |
          |-------+-------------+------------+------------+------------|
          | 32MB  | (1) 4M x 64 |    None    |    None    |    None    |
          |-------+-------------+------------+------------+------------|
          | 32MB  | (1) 2M x 64 |  (1) 2M x  |    None    |    None    |
          |       |             |     64     |            |            |
          |-------+-------------+------------+------------+------------|
          | 32MB  | (1) 1M x 64 |  (1) 1M x  |  (1) 1M x  |  (1) 1M x  |
          |       |             |     64     |     64     |     64     |
          |-------+-------------+------------+------------+------------|
          | 40MB  | (1) 4M x 64 |  (1) 1M x  |    None    |    None    |
          |       |             |     64     |            |            |
          |-------+-------------+------------+------------+------------|
          | 48MB  | (1) 4M x 64 |  (1) 2M x  |    None    |    None    |
          |       |             |     64     |            |            |
          |-------+-------------+------------+------------+------------|
          | 48MB  | (1) 2M x 64 |  (1) 2M x  |  (1) 2M x  |    None    |
          |       |             |     64     |     64     |            |
          |-------+-------------+------------+------------+------------|
          | 64MB  | (1) 2M x 64 |  (1) 2M x  |  (1) 2M x  |  (1) 2M x  |
          |       |             |     64     |     64     |     64     |
          |-------+-------------+------------+------------+------------|
          | 64MB  | (1) 8M x 64 |    None    |    None    |    None    |
          |-------+-------------+------------+------------+------------|
          | 64MB  | (1) 4M x 64 |  (1) 4M x  |    None    |    None    |
          |       |             |     64     |            |            |
          |-------+-------------+------------+------------+------------|
          | 72MB  | (1) 8M x 64 |  (1) 1M x  |    None    |    None    |
          |       |             |     64     |            |            |
          |-------+-------------+------------+------------+------------|
          | 80MB  | (1) 8M x 64 |  (1) 2M x  |    None    |    None    |
          |       |             |     64     |            |            |
          |-------+-------------+------------+------------+------------|
          | 96MB  | (1) 8M x 64 |  (1) 4M x  |    None    |    None    |
          |       |             |     64     |            |            |
          |-------+-------------+------------+------------+------------|
          | 96MB  | (1) 4M x 64 |  (1) 4M x  |  (1) 4M x  |    None    |
          |       |             |     64     |     64     |            |
          |-------+-------------+------------+------------+------------|
          | 128MB |  (1) 16M x  |    None    |    None    |    None    |
          |       |     64      |            |            |            |
          |-------+-------------+------------+------------+------------|
          | 128MB | (1) 8M x 64 |  (1) 8M x  |    None    |    None    |
          |       |             |     64     |            |            |
          |-------+-------------+------------+------------+------------|
          | 128MB | (1) 4M x 64 |  (1) 4M x  |  (1) 4M x  |  (1) 4M x  |
          |       |             |     64     |     64     |     64     |
          |-------+-------------+------------+------------+------------|
          | 136MB |  (1) 16M x  |  (1) 1M x  |    None    |    None    |
          |       |     64      |     64     |            |            |
          |-------+-------------+------------+------------+------------|
          | 144MB |  (1) 16M x  |  (1) 2M x  |    None    |    None    |
          |       |     64      |     64     |            |            |
          |-------+-------------+------------+------------+------------|
          | 152MB |  (1) 16M x  |  (1) 1M x  |  (1) 1M x  |  (1) 1M x  |
          |       |     64      |     64     |     64     |     64     |
          |-------+-------------+------------+------------+------------|
          | 160MB |  (1) 16M x  |  (1) 4M x  |    None    |    None    |
          |       |     64      |     64     |            |            |
          |-------+-------------+------------+------------+------------|
          | 176MB |  (1) 16M x  |  (1) 2M x  |  (1) 2M x  |  (1) 2M x  |
          |       |     64      |     64     |     64     |     64     |
          |-------+-------------+------------+------------+------------|
          | 192MB |  (1) 16M x  |  (1) 8M x  |    None    |    None    |
          |       |     64      |     64     |            |            |
          |-------+-------------+------------+------------+------------|
          | 192MB | (1) 8M x 64 |  (1) 8M x  |  (1) 8M x  |    None    |
          |       |             |     64     |     64     |            |
          |-------+-------------+------------+------------+------------|
          | 224MB |  (1) 16M x  |  (1) 4M x  |  (1) 4M x  |  (1) 4M x  |
          |       |     64      |     64     |     64     |     64     |
          |-------+-------------+------------+------------+------------|
          | 256MB |  (1) 16M x  | (1) 16M x  |    None    |    None    |
          |       |     64      |     64     |            |            |
          |-------+-------------+------------+------------+------------|
          | 256MB | (1) 8M x 64 |  (1) 8M x  |  (1) 8M x  |  (1) 8M x  |
          |       |             |     64     |     64     |     64     |
          |-------+-------------+------------+------------+------------|
          | 272MB |  (1) 16M x  | (1) 16M x  |  (1) 1M x  |  (1) 1M x  |
          |       |     64      |     64     |     64     |     64     |
          |-------+-------------+------------+------------+------------|
          | 288MB |  (1) 16M x  | (1) 16M x  |  (1) 2M x  |  (1) 2M x  |
          |       |     64      |     64     |     64     |     64     |
          |-------+-------------+------------+------------+------------|
          | 320MB |  (1) 16M x  | (1) 16M x  |  (1) 4M x  |  (1) 4M x  |
          |       |     64      |     64     |     64     |     64     |
          |-------+-------------+------------+------------+------------|
          | 320MB |  (1) 16M x  |  (1) 8M x  |  (1) 8M x  |  (1) 8M x  |
          |       |     64      |     64     |     64     |     64     |
          |-------+-------------+------------+------------+------------|
          | 384MB |  (1) 16M x  | (1) 16M x  | (1) 16M x  |    None    |
          |       |     64      |     64     |     64     |            |
          |-------+-------------+------------+------------+------------|
          | 512MB |  (1) 16M x  | (1) 16M x  | (1) 16M x  | (1) 16M x  |
          |       |     64      |     64     |     64     |     64     |
          |------------------------------------------------------------|
          |      Note: Board accepts SDRAM memory.                     |
          +------------------------------------------------------------+
       
          +------------------------------------------------------------+
          |                    CACHE CONFIGURATION                     |
          |------------------------------------------------------------|
          | Note: 512KB cache is located on the Pentium II CPU.        |
          +------------------------------------------------------------+
       
          +------------------------------------------------------------+
          |                    CPU SPEED SELECTION                     |
          |------------------------------------------------------------|
          |CPU speed|Clock speed|Multiplier|SW1/1 |SW1/2 |SW1/3 |SW1/4 |
          |---------+-----------+----------+------+------+------+------|
          | 233MHz  |   66MHz   |   3.5x   |  On  | Off  | Off  |  On  |
          |---------+-----------+----------+------+------+------+------|
          | 266MHz  |   66MHz   |    4x    | Off  |  On  |  On  |  On  |
          |---------+-----------+----------+------+------+------+------|
          | 300MHz  |   66MHz   |   4.5x   | Off  |  On  | Off  |  On  |
          |---------+-----------+----------+------+------+------+------|
          | 300MHz  |  100MHz   |    3x    |  On  | Off  |  On  |  On  |
          |---------+-----------+----------+------+------+------+------|
          | 333MHz  |   66MHz   |    5x    | Off  | Off  |  On  |  On  |
          |---------+-----------+----------+------+------+------+------|
          | 350MHz  |  100MHz   |   3.5x   |  On  | Off  | Off  |  On  |
          |---------+-----------+----------+------+------+------+------|
          | 400MHz  |  100MHz   |    4x    | Off  |  On  |  On  |  On  |
          +------------------------------------------------------------+