URI: 
  TEXT View Source
       
       # SIEMENS NIXDORF
       
          SYSTEM BOARD D1064
       
          Device Type      Mainboard                                     
          Processor        Pentium II                                    
          Processor Speed  266/300/333/350/366/400/450MHz                
          Chip Set         Unidentified                                  
          Video Chip Set   Matrox                                        
          Maximum Onboard  384MB (SDRAM supported)                       
          Memory           
          Maximum Video    6MB                                           
          Memory           
          Cache            256/512KB (located on Pentium II CPU)         
          BIOS             Unidentified                                  
          Dimensions       305mm x 244mm                                 
          I/O Options      32-bit PCI slots (5), floppy drive interface, 
                           IDE interfaces (2), parallel port, PS/2 mouse 
                           port, serial ports (2), IR connector, USB     
                           connectors (2), ATX power connector, AGP      
                           slot, wake on modem connector                 
       
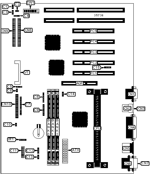
   IMG IMG 1
          
       
          +------------------------------------------------------------+
          |                        CONNECTIONS                         |
          |------------------------------------------------------------|
          | Purpose           | Location | Purpose          | Location |
          |-------------------+----------+------------------+----------|
          | AGP slot          |   AGP    | Chassis fan      |   C14    |
          |                   |          | power            |          |
          |-------------------+----------+------------------+----------|
          | ATX power         |   ATX    | USB chipcard     |   C15    |
          | connector         |          | reader           |          |
          |-------------------+----------+------------------+----------|
          | Chassis fan power |    C1    | VGA port         |   CN1    |
          |-------------------+----------+------------------+----------|
          | Modem connector   |    C2    | USB connector 1  |   CN2    |
          |-------------------+----------+------------------+----------|
          | Wake on LAN       |    C3    | USB connector 2  |   CN3    |
          | connector         |          |                  |          |
          |-------------------+----------+------------------+----------|
          | Speaker           |    C4    | Parallel port    |   CN4    |
          |-------------------+----------+------------------+----------|
          | SCSI interface    |    C5    | PS/2 mouse port  |   CN5    |
          | LED               |          |                  |          |
          |-------------------+----------+------------------+----------|
          | Soft off power    |    C6    | Serial port 2    |   CN6    |
          | supply            |          |                  |          |
          |-------------------+----------+------------------+----------|
          | Front panel       |    C7    | Serial port 1    |   CN7    |
          | connector         |          |                  |          |
          |-------------------+----------+------------------+----------|
          | Chassis intrusion |    C8    | IDE interface 1  |   CN8    |
          | connector         |          |                  |          |
          |-------------------+----------+------------------+----------|
          | 5v power          |    C9    | IDE interface 2  |   CN9    |
          |-------------------+----------+------------------+----------|
          | Reset switch      |   C10    | Floppy drive     |   CN10   |
          |                   |          | interface        |          |
          |-------------------+----------+------------------+----------|
          | Chipcard reader   |   C11    | IR connector     |   IR1    |
          |-------------------+----------+------------------+----------|
          | I2C connector     |   C12    | 32-bit PCI slots |  PC1 –   |
          |                   |          |                  |   PC5    |
          |-------------------+----------+------------------+----------|
          | Chassis fan power |   C13    |                  |          |
          +------------------------------------------------------------+
       
          +------------------------------------------------------------+
          |                 USER CONFIGURABLE SETTINGS                 |
          |------------------------------------------------------------|
          |              Function               | Label |   Position   |
          |-------------------------------------+-------+--------------|
          | » | Factory configured - do not     | SW1/1 |     Off      |
          |   | alter                           |       |              |
          |---+---------------------------------+-------+--------------|
          | » | Flash BIOS normal operation     | SW1/2 |     Off      |
          |---+---------------------------------+-------+--------------|
          |   | Flash BIOS recovery mode        | SW1/2 |      On      |
          |---+---------------------------------+-------+--------------|
          | » | Floppy drive write protect      | SW1/3 |     Off      |
          |   | disabled                        |       |              |
          |---+---------------------------------+-------+--------------|
          |   | Floppy drive write protect      | SW1/3 |      On      |
          |   | enabled                         |       |              |
          |---+---------------------------------+-------+--------------|
          | » | Factory configured - do not     | SW1/4 | Unidentified |
          |   | alter                           |       |              |
          +------------------------------------------------------------+
       
          +------------------------------------------------------------+
          |                     DIMM CONFIGURATION                     |
          |------------------------------------------------------------|
          |    Size    |    Bank 0     |    Bank 1     |    Bank 2     |
          |------------+---------------+---------------+---------------|
          |    16MB    |  (1) 2M x 64  |     None      |     None      |
          |------------+---------------+---------------+---------------|
          |    16MB    |  (1) 1M x 64  |  (1) 1M x 64  |     None      |
          |------------+---------------+---------------+---------------|
          |    24MB    |  (1) 2M x 64  |  (1) 1M x 64  |     None      |
          |------------+---------------+---------------+---------------|
          |    24MB    |  (1) 1M x 64  |  (1) 1M x 64  |  (1) 1M x 64  |
          |------------+---------------+---------------+---------------|
          |    32MB    |  (1) 4M x 64  |     None      |     None      |
          |------------+---------------+---------------+---------------|
          |    32MB    |  (1) 2M x 64  |  (1) 1M x 64  |  (1) 1M x 64  |
          |------------+---------------+---------------+---------------|
          |    32MB    |  (1) 2M x 64  |  (1) 2M x 64  |     None      |
          +------------------------------------------------------------+
       
          +------------------------------------------------------------+
          |                 DIMM CONFIGURATION (CON’T)                 |
          |------------------------------------------------------------|
          |    Size    |    Bank 0     |    Bank 1     |    Bank 2     |
          |------------+---------------+---------------+---------------|
          |    40MB    |  (1) 4M x 64  |  (1) 1M x 64  |     None      |
          |------------+---------------+---------------+---------------|
          |    40MB    |  (1) 2M x 64  |  (1) 2M x 64  |  (1) 1M x 64  |
          |------------+---------------+---------------+---------------|
          |    48MB    |  (1) 4M x 64  |  (1) 1M x 64  |  (1) 1M x 64  |
          |------------+---------------+---------------+---------------|
          |    48MB    |  (1) 4M x 64  |  (1) 2M x 64  |     None      |
          |------------+---------------+---------------+---------------|
          |    48MB    |  (1) 2M x 64  |  (1) 2M x 64  |  (1) 2M x 64  |
          |------------+---------------+---------------+---------------|
          |    56MB    |  (1) 4M x 64  |  (1) 2M x 64  |  (1) 1M x 64  |
          |------------+---------------+---------------+---------------|
          |    64MB    |  (1) 8M x 64  |     None      |     None      |
          |------------+---------------+---------------+---------------|
          |    64MB    |  (1) 4M x 64  |  (1) 2M x 64  |  (1) 2M x 64  |
          |------------+---------------+---------------+---------------|
          |    64MB    |  (1) 4M x 64  |  (1) 4M x 64  |     None      |
          |------------+---------------+---------------+---------------|
          |    72MB    |  (1) 8M x 64  |  (1) 1M x 64  |     None      |
          |------------+---------------+---------------+---------------|
          |    72MB    |  (1) 4M x 64  |  (1) 4M x 64  |  (1) 1M x 64  |
          |------------+---------------+---------------+---------------|
          |    80MB    |  (1) 8M x 64  |  (1) 1M x 64  |  (1) 1M x 64  |
          |------------+---------------+---------------+---------------|
          |    80MB    |  (1) 8M x 64  |  (1) 2M x 64  |     None      |
          |------------+---------------+---------------+---------------|
          |    80MB    |  (1) 4M x 64  |  (1) 4M x 64  |  (1) 2M x 64  |
          |------------+---------------+---------------+---------------|
          |    88MB    |  (1) 8M x 64  |  (1) 2M x 64  |  (1) 1M x 64  |
          |------------+---------------+---------------+---------------|
          |    96MB    |  (1) 8M x 64  |  (1) 2M x 64  |  (1) 2M x 64  |
          |------------+---------------+---------------+---------------|
          |    96MB    |  (1) 8M x 64  |  (1) 4M x 64  |     None      |
          |------------+---------------+---------------+---------------|
          |    96MB    |  (1) 4M x 64  |  (1) 4M x 64  |  (1) 4M x 64  |
          |------------+---------------+---------------+---------------|
          |   104MB    |  (1) 8M x 64  |  (1) 4M x 64  |  (1) 1M x 64  |
          |------------+---------------+---------------+---------------|
          |   112MB    |  (1) 8M x 64  |  (1) 4M x 64  |  (1) 2M x 64  |
          |------------+---------------+---------------+---------------|
          |   128MB    | (1) 16M x 64  |     None      |     None      |
          |------------+---------------+---------------+---------------|
          |   128MB    |  (1) 8M x 64  |  (1) 4M x 64  |  (1) 4M x 64  |
          |------------+---------------+---------------+---------------|
          |   128MB    |  (1) 8M x 64  |  (1) 8M x 64  |     None      |
          |------------+---------------+---------------+---------------|
          |   136MB    | (1) 16M x 64  |  (1) 1M x 64  |     None      |
          |------------+---------------+---------------+---------------|
          |   136MB    |  (1) 8M x 64  |  (1) 8M x 64  |  (1) 1M x 64  |
          |------------+---------------+---------------+---------------|
          |   144MB    | (1) 16M x 64  |  (1) 1M x 64  |  (1) 1M x 64  |
          |------------+---------------+---------------+---------------|
          |   144MB    | (1) 16M x 64  |  (1) 2M x 64  |     None      |
          |------------+---------------+---------------+---------------|
          |   144MB    |  (1) 8M x 64  |  (1) 8M x 64  |  (1) 2M x 64  |
          |------------+---------------+---------------+---------------|
          |   152MB    | (1) 16M x 64  |  (1) 2M x 64  |  (1) 1M x 64  |
          |------------+---------------+---------------+---------------|
          |   160MB    | (1) 16M x 64  |  (1) 2M x 64  |  (1) 2M x 64  |
          |------------+---------------+---------------+---------------|
          |   160MB    | (1) 16M x 64  |  (1) 4M x 64  |     None      |
          |------------+---------------+---------------+---------------|
          |   160MB    |  (1) 8M x 64  |  (1) 8M x 64  |  (1) 4M x 64  |
          |------------+---------------+---------------+---------------|
          |   168MB    | (1) 16M x 64  |  (1) 4M x 64  |  (1) 1M x 64  |
          |------------+---------------+---------------+---------------|
          |   176MB    | (1) 16M x 64  |  (1) 4M x 64  |  (1) 2M x 64  |
          |------------+---------------+---------------+---------------|
          |   192MB    | (1) 16M x 64  |  (1) 4M x 64  |  (1) 4M x 64  |
          +------------------------------------------------------------+
       
          +------------------------------------------------------------+
          |                 DIMM CONFIGURATION (CON’T)                 |
          |------------------------------------------------------------|
          |    Size    |    Bank 0     |    Bank 1     |    Bank 2     |
          |------------+---------------+---------------+---------------|
          |   192MB    | (1) 16M x 64  |  (1) 8M x 64  |     None      |
          |------------+---------------+---------------+---------------|
          |   192MB    |  (1) 8M x 64  |  (1) 8M x 64  |  (1) 8M x 64  |
          |------------+---------------+---------------+---------------|
          |   200MB    | (1) 16M x 64  |  (1) 8M x 64  |  (1) 1M x 64  |
          |------------+---------------+---------------+---------------|
          |   208MB    | (1) 16M x 64  |  (1) 8M x 64  |  (1) 2M x 64  |
          |------------+---------------+---------------+---------------|
          |   224MB    | (1) 16M x 64  |  (1) 8M x 64  |  (1) 4M x 64  |
          |------------+---------------+---------------+---------------|
          |   256MB    | (1) 16M x 64  |  (1) 8M x 64  |  (1) 8M x 64  |
          |------------+---------------+---------------+---------------|
          |   384MB    | (1) 16M x 64  | (1) 16M x 64  | (1) 16M x 64  |
          |------------------------------------------------------------|
          |      Note: Board accepts SDRAM memory.                     |
          +------------------------------------------------------------+
       
          +------------------------------------------------------------+
          |                    CACHE CONFIGURATION                     |
          |------------------------------------------------------------|
          | Note: 256KB/512KB cache is located on the Pentium II CPU.  |
          +------------------------------------------------------------+
       
          +------------------------------------------------------------+
          |                 VIDEO MEMORY CONFIGURATION                 |
          |------------------------------------------------------------|
          | Note: To upgrade video memory, install module at V1.       |
          +------------------------------------------------------------+
       
          +------------------------------------------------------------+
          |                    CPU SPEED SELECTION                     |
          |------------------------------------------------------------|
          |CPU speed|Clock speed|Multiplier|SW1/5 |SW1/6 |SW1/7 |SW1/8 |
          |---------+-----------+----------+------+------+------+------|
          | 266MHz  |   66MHz   |    4x    |  On  |  On  | Off  |  On  |
          |---------+-----------+----------+------+------+------+------|
          | 300MHz  |   66MHz   |   4.5x   | Off  |  On  | Off  |  On  |
          |---------+-----------+----------+------+------+------+------|
          | 300MHz  |  100MHz   |    3x    |  On  | Off  |  On  |  On  |
          |---------+-----------+----------+------+------+------+------|
          | 333MHz  |   66MHz   |    5x    |  On  | Off  | Off  |  On  |
          |---------+-----------+----------+------+------+------+------|
          | 366MHz  |   66MHz   |   5.5x   | Off  | Off  | Off  |  On  |
          |---------+-----------+----------+------+------+------+------|
          | 350MHz  |  100MHz   |   3.5x   | Off  | Off  |  On  |  On  |
          |---------+-----------+----------+------+------+------+------|
          | 400MHz  |  100MHz   |    4x    |  On  |  On  | Off  |  On  |
          |---------+-----------+----------+------+------+------+------|
          | 450MHz  |  100MHz   |   4.5x   | Off  |  On  | Off  |  On  |
          +------------------------------------------------------------+