URI: 
  TEXT View Source
       
       # SHUTTLE COMPUTER INTERNATIONAL, INC.
       
          HOT-595
       
          Device Type      Mainboard                                     
          Processor        CX 6X86/IBM 6X86/CX 6X86L/IBM 6X86L/CX        
                           686MX/IBM 6X86MX/                             
                                                                         
                           AM K5/AM K6/Pentium/Pentium MMX               
          Processor Speed  75/90/100/120/133/150/166/200/233/266MHz      
          Chip Set         VIA VP3                                       
          Maximum Onboard  384MB (EDO & SDRAM supported)                 
          Memory           
          Cache            512/1024KB                                    
          BIOS             Unidentified                                  
          Dimensions       305mm x 210mm                                 
          I/O Options      32-bit PCI slots (4), floppy drive interface, 
                           green PC connector, IDE interfaces (2),       
                           parallel port, PS/2 mouse port, serial ports  
                           (2), IR connector, USB connectors (2), ATX    
                           power connector, AGP slot, wake on LAN        
                           connector                                     
       
   IMG IMG 1
          
       
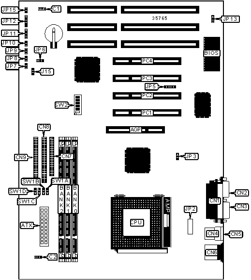
          +------------------------------------------------------------+
          |                        CONNECTIONS                         |
          |------------------------------------------------------------|
          | Purpose           | Location | Purpose          | Location |
          |-------------------+----------+------------------+----------|
          | AGP slot          |   AGP    | IDE interface 1  |   CN9    |
          |-------------------+----------+------------------+----------|
          | ATX power         |   ATX    | Wake on LAN      |   J15    |
          | connector         |          | connector        |          |
          |-------------------+----------+------------------+----------|
          | Chassis fan power |    C1    | EISCA connector  |   JP2    |
          |-------------------+----------+------------------+----------|
          | CPU fan power     |    C2    | IR connector     |   JP5    |
          |-------------------+----------+------------------+----------|
          | Parallel port     |   CN1    | Soft off power   |   JP7    |
          |                   |          | supply           |          |
          |-------------------+----------+------------------+----------|
          | Serial port 2     |   CN2    | IDE interface    |   JP8    |
          |                   |          | LED              |          |
          |-------------------+----------+------------------+----------|
          | Serial port 1     |   CN3    | Green PC LED     |   JP9    |
          |-------------------+----------+------------------+----------|
          | USB connector 1   |   CN4    | Green PC         |   JP10   |
          |                   |          | connector        |          |
          |-------------------+----------+------------------+----------|
          | USB connector 2   |   CN5    | Speaker          |   JP11   |
          |-------------------+----------+------------------+----------|
          | PS/2 mouse port   |   CN6    | Power LED &      |   JP12   |
          |                   |          | keylock          |          |
          |-------------------+----------+------------------+----------|
          | Floppy drive      |   CN7    | Reset switch     |   JP15   |
          | interface         |          |                  |          |
          |-------------------+----------+------------------+----------|
          | IDE interface 2   |   CN8    | 32-bit PCI slots |  PC1 –   |
          |                   |          |                  |   PC4    |
          +------------------------------------------------------------+
       
          +------------------------------------------------------------+
          |                 USER CONFIGURABLE SETTINGS                 |
          |------------------------------------------------------------|
          |               Function               | Label |  Position   |
          |--------------------------------------+-------+-------------|
          |   | CPU burst mode select interleave |  JP3  | Pins 1 & 2  |
          |   |                                  |       |   closed    |
          |---+----------------------------------+-------+-------------|
          |   | CPU burst mode select linear     |  JP3  | Pins 2 & 3  |
          |   |                                  |       |   closed    |
          |---+----------------------------------+-------+-------------|
          | » | CMOS memory normal operation     |  JP6  | Pins 1 & 2  |
          |   |                                  |       |   closed    |
          |---+----------------------------------+-------+-------------|
          |   | CMOS memory clear                |  JP6  | Pins 2 & 3  |
          |   |                                  |       |   closed    |
          |---+----------------------------------+-------+-------------|
          |   | Flash BIOS voltage select 12v    | JP13  | Pins 2 & 3  |
          |   |                                  |       |   closed    |
          |---+----------------------------------+-------+-------------|
          |   | Flash BIOS voltage select 5v     | JP13  | Pins 1 & 2  |
          |   |                                  |       |   closed    |
          +------------------------------------------------------------+
       
          +------------------------------------------------------------+
          |                     DIMM CONFIGURATION                     |
          |------------------------------------------------------------|
          |    Size    |    Bank 0     |    Bank 1     |    Bank 2     |
          |------------+---------------+---------------+---------------|
          |    8MB     |  (1) 1M x 64  |     None      |     None      |
          |------------+---------------+---------------+---------------|
          |    16MB    |  (1) 2M x 64  |     None      |     None      |
          |------------+---------------+---------------+---------------|
          |    16MB    |  (1) 1M x 64  |  (1) 1M x 64  |     None      |
          |------------+---------------+---------------+---------------|
          |    24MB    |  (1) 2M x 64  |  (1) 1M x 64  |     None      |
          |------------+---------------+---------------+---------------|
          |    24MB    |  (1) 1M x 64  |  (1) 1M x 64  |  (1) 1M x 64  |
          |------------+---------------+---------------+---------------|
          |    32MB    |  (1) 4M x 64  |     None      |     None      |
          |------------+---------------+---------------+---------------|
          |    32MB    |  (1) 2M x 64  |  (1) 1M x 64  |  (1) 1M x 64  |
          |------------+---------------+---------------+---------------|
          |    32MB    |  (1) 2M x 64  |  (1) 2M x 64  |     None      |
          |------------+---------------+---------------+---------------|
          |    40MB    |  (1) 4M x 64  |  (1) 1M x 64  |     None      |
          |------------+---------------+---------------+---------------|
          |    40MB    |  (1) 2M x 64  |  (1) 2M x 64  |  (1) 1M x 64  |
          +------------------------------------------------------------+
       
          +------------------------------------------------------------+
          |                 DIMM CONFIGURATION (CON’T)                 |
          |------------------------------------------------------------|
          |    Size    |    Bank 0     |    Bank 1     |    Bank 2     |
          |------------+---------------+---------------+---------------|
          |    48MB    |  (1) 4M x 64  |  (1) 1M x 64  |  (1) 1M x 64  |
          |------------+---------------+---------------+---------------|
          |    48MB    |  (1) 4M x 64  |  (1) 2M x 64  |     None      |
          |------------+---------------+---------------+---------------|
          |    48MB    |  (1) 2M x 64  |  (1) 2M x 64  |  (1) 2M x 64  |
          |------------+---------------+---------------+---------------|
          |    56MB    |  (1) 4M x 64  |  (1) 2M x 64  |  (1) 1M x 64  |
          |------------+---------------+---------------+---------------|
          |    64MB    |  (1) 8M x 64  |     None      |     None      |
          |------------+---------------+---------------+---------------|
          |    64MB    |  (1) 4M x 64  |  (1) 2M x 64  |  (1) 2M x 64  |
          |------------+---------------+---------------+---------------|
          |    64MB    |  (1) 4M x 64  |  (1) 4M x 64  |     None      |
          |------------+---------------+---------------+---------------|
          |    72MB    |  (1) 8M x 64  |  (1) 1M x 64  |     None      |
          |------------+---------------+---------------+---------------|
          |    72MB    |  (1) 4M x 64  |  (1) 4M x 64  |  (1) 1M x 64  |
          |------------+---------------+---------------+---------------|
          |    80MB    |  (1) 8M x 64  |  (1) 1M x 64  |  (1) 1M x 64  |
          |------------+---------------+---------------+---------------|
          |    80MB    |  (1) 8M x 64  |  (1) 2M x 64  |     None      |
          |------------+---------------+---------------+---------------|
          |    80MB    |  (1) 4M x 64  |  (1) 4M x 64  |  (1) 2M x 64  |
          |------------+---------------+---------------+---------------|
          |    88MB    |  (1) 8M x 64  |  (1) 2M x 64  |  (1) 1M x 64  |
          |------------+---------------+---------------+---------------|
          |    96MB    |  (1) 8M x 64  |  (1) 2M x 64  |  (1) 2M x 64  |
          |------------+---------------+---------------+---------------|
          |    96MB    |  (1) 4M x 64  |  (1) 4M x 64  |  (1) 4M x 64  |
          |------------+---------------+---------------+---------------|
          |   104MB    |  (1) 8M x 64  |  (1) 4M x 64  |  (1) 1M x 64  |
          |------------+---------------+---------------+---------------|
          |   112MB    |  (1) 8M x 64  |  (1) 4M x 64  |  (1) 2M x 64  |
          |------------+---------------+---------------+---------------|
          |   128MB    | (1) 16M x 64  |     None      |     None      |
          |------------+---------------+---------------+---------------|
          |   128MB    |  (1) 8M x 64  |  (1) 4M x 64  |  (1) 4M x 64  |
          |------------+---------------+---------------+---------------|
          |   128MB    |  (1) 8M x 64  |  (1) 8M x 64  |     None      |
          |------------+---------------+---------------+---------------|
          |   136MB    | (1) 16M x 64  |  (1) 1M x 64  |     None      |
          |------------+---------------+---------------+---------------|
          |   144MB    | (1) 16M x 64  |  (1) 1M x 64  |  (1) 1M x 64  |
          |------------+---------------+---------------+---------------|
          |   144MB    | (1) 16M x 64  |  (1) 2M x 64  |     None      |
          |------------+---------------+---------------+---------------|
          |   152MB    | (1) 16M x 64  |  (1) 2M x 64  |  (1) 1M x 64  |
          |------------+---------------+---------------+---------------|
          |   160MB    | (1) 16M x 64  |  (1) 2M x 64  |  (1) 2M x 64  |
          |------------+---------------+---------------+---------------|
          |   160MB    | (1) 16M x 64  |  (1) 4M x 64  |     None      |
          |------------+---------------+---------------+---------------|
          |   176MB    | (1) 16M x 64  |  (1) 4M x 64  |  (1) 2M x 64  |
          |------------+---------------+---------------+---------------|
          |   192MB    | (1) 16M x 64  |  (1) 4M x 64  |  (1) 4M x 64  |
          |------------+---------------+---------------+---------------|
          |   192MB    | (1) 16M x 64  |  (1) 8M x 64  |     None      |
          |------------+---------------+---------------+---------------|
          |   192MB    |  (1) 8M x 64  |  (1) 8M x 64  |  (1) 8M x 64  |
          |------------+---------------+---------------+---------------|
          |   200MB    | (1) 16M x 64  |  (1) 8M x 64  |  (1) 1M x 64  |
          |------------+---------------+---------------+---------------|
          |   208MB    | (1) 16M x 64  |  (1) 8M x 64  |  (1) 2M x 64  |
          |------------+---------------+---------------+---------------|
          |   224MB    | (1) 16M x 64  |  (1) 8M x 64  |  (1) 4M x 64  |
          |------------+---------------+---------------+---------------|
          |   256MB    | (1) 16M x 64  |  (1) 8M x 64  |  (1) 8M x 64  |
          |------------+---------------+---------------+---------------|
          |   384MB    | (1) 16M x 64  | (1) 16M x 64  | (1) 16M x 64  |
          |------------------------------------------------------------|
          |      Note: Board accepts EDO & SDRAM memory.               |
          +------------------------------------------------------------+
       
          +------------------------------------------------------------+
          |                    CACHE CONFIGURATION                     |
          |------------------------------------------------------------|
          | Note: The location of the cache is unidentified.           |
          +------------------------------------------------------------+
       
          +------------------------------------------------------------+
          |               CPU SPEED SELECTION (CX 6X86)                |
          |------------------------------------------------------------|
          |  CPU  |Clock|Multiplier|SW2/1|SW2/2|SW2/3|SW2/4|SW2/5|SW2/6|
          | speed |speed|          |     |     |     |     |     |     |
          |-------+-----+----------+-----+-----+-----+-----+-----+-----|
          |120MHz |50MHz|    2x    | On  | On  | On  | On  | Off | Off |
          |-------+-----+----------+-----+-----+-----+-----+-----+-----|
          |150MHz |60MHz|    2x    | On  | Off | Off | On  | Off | Off |
          |-------+-----+----------+-----+-----+-----+-----+-----+-----|
          |166MHz |66MHz|    2x    | Off | Off | Off | On  | Off | Off |
          +------------------------------------------------------------+
       
          +------------------------------------------------------------+
          |               CPU SPEED SELECTION (IBM 6X86)               |
          |------------------------------------------------------------|
          |  CPU  |Clock|Multiplier|SW2/1|SW2/2|SW2/3|SW2/4|SW2/5|SW2/6|
          | speed |speed|          |     |     |     |     |     |     |
          |-------+-----+----------+-----+-----+-----+-----+-----+-----|
          |120MHz |50MHz|    2x    | On  | On  | On  | On  | Off | Off |
          |-------+-----+----------+-----+-----+-----+-----+-----+-----|
          |150MHz |60MHz|    2x    | On  | Off | Off | On  | Off | Off |
          |-------+-----+----------+-----+-----+-----+-----+-----+-----|
          |166MHz |66MHz|    2x    | Off | Off | Off | On  | Off | Off |
          +------------------------------------------------------------+
       
          +------------------------------------------------------------+
          |               CPU SPEED SELECTION (CX 6X86L)               |
          |------------------------------------------------------------|
          |  CPU  |Clock|Multiplier|SW2/1|SW2/2|SW2/3|SW2/4|SW2/5|SW2/6|
          | speed |speed|          |     |     |     |     |     |     |
          |-------+-----+----------+-----+-----+-----+-----+-----+-----|
          |150MHz |60MHz|    2x    | On  | Off | Off | On  | Off | Off |
          |-------+-----+----------+-----+-----+-----+-----+-----+-----|
          |166MHz |66MHz|    2x    | Off | Off | Off | On  | Off | Off |
          +------------------------------------------------------------+
       
          +------------------------------------------------------------+
          |              CPU SPEED SELECTION (IBM 6X86L)               |
          |------------------------------------------------------------|
          |  CPU  |Clock|Multiplier|SW2/1|SW2/2|SW2/3|SW2/4|SW2/5|SW2/6|
          | speed |speed|          |     |     |     |     |     |     |
          |-------+-----+----------+-----+-----+-----+-----+-----+-----|
          |150MHz |60MHz|    2x    | On  | Off | Off | On  | Off | Off |
          |-------+-----+----------+-----+-----+-----+-----+-----+-----|
          |166MHz |66MHz|    2x    | Off | Off | Off | On  | Off | Off |
          +------------------------------------------------------------+
       
          +------------------------------------------------------------+
          |              CPU SPEED SELECTION (CX 6X86MX)               |
          |------------------------------------------------------------|
          |  CPU  |Clock|Multiplier|SW2/1|SW2/2|SW2/3|SW2/4|SW2/5|SW2/6|
          | speed |speed|          |     |     |     |     |     |     |
          |-------+-----+----------+-----+-----+-----+-----+-----+-----|
          |166MHz |60MHz|   2.5x   | On  | Off | Off | On  | On  | Off |
          |-------+-----+----------+-----+-----+-----+-----+-----+-----|
          |200MHz |66MHz|   2.5x   | Off | Off | Off | On  | On  | Off |
          |-------+-----+----------+-----+-----+-----+-----+-----+-----|
          |233MHz |66MHz|    3x    | Off | Off | Off | Off | On  | Off |
          |-------+-----+----------+-----+-----+-----+-----+-----+-----|
          |266MHz |66MHz|   3.5x   | Off | Off | Off | Off | Off | Off |
          +------------------------------------------------------------+
       
          +------------------------------------------------------------+
          |              CPU SPEED SELECTION (IBM 6X86MX)              |
          |------------------------------------------------------------|
          |  CPU  |Clock|Multiplier|SW2/1|SW2/2|SW2/3|SW2/4|SW2/5|SW2/6|
          | speed |speed|          |     |     |     |     |     |     |
          |-------+-----+----------+-----+-----+-----+-----+-----+-----|
          |166MHz |60MHz|   2.5x   | On  | Off | Off | On  | On  | Off |
          |-------+-----+----------+-----+-----+-----+-----+-----+-----|
          |200MHz |66MHz|   2.5x   | Off | Off | Off | On  | On  | Off |
          |-------+-----+----------+-----+-----+-----+-----+-----+-----|
          |233MHz |66MHz|    3x    | Off | Off | Off | Off | On  | Off |
          |-------+-----+----------+-----+-----+-----+-----+-----+-----|
          |266MHz |66MHz|   3.5x   | Off | Off | Off | Off | Off | Off |
          +------------------------------------------------------------+
       
          +------------------------------------------------------------+
          |                CPU SPEED SELECTION (IDT C6)                |
          |------------------------------------------------------------|
          |  CPU  |Clock|Multiplier|SW2/1|SW2/2|SW2/3|SW2/4|SW2/5|SW2/6|
          | speed |speed|          |     |     |     |     |     |     |
          |-------+-----+----------+-----+-----+-----+-----+-----+-----|
          |150MHz |60MHz|   2.5x   | On  | Off | Off | On  | On  | Off |
          |-------+-----+----------+-----+-----+-----+-----+-----+-----|
          |180MHz |60MHz|    3x    | On  | Off | Off | Off | On  | Off |
          |-------+-----+----------+-----+-----+-----+-----+-----+-----|
          |200MHz |66MHz|    3x    | Off | Off | Off | Off | On  | Off |
          +------------------------------------------------------------+
       
          +------------------------------------------------------------+
          |                CPU SPEED SELECTION (AM K5)                 |
          |------------------------------------------------------------|
          |  CPU  |Clock|Multiplier|SW2/1|SW2/2|SW2/3|SW2/4|SW2/5|SW2/6|
          | speed |speed|          |     |     |     |     |     |     |
          |-------+-----+----------+-----+-----+-----+-----+-----+-----|
          | 75MHz |50MHz|   1.5x   | On  | On  | On  | Off | Off | Off |
          |-------+-----+----------+-----+-----+-----+-----+-----+-----|
          | 90MHz |60MHz|   1.5x   | On  | Off | Off | Off | Off | Off |
          |-------+-----+----------+-----+-----+-----+-----+-----+-----|
          |100MHz |66MHz|   1.5x   | Off | Off | Off | Off | Off | Off |
          |-------+-----+----------+-----+-----+-----+-----+-----+-----|
          |120MHz |60MHz|   1.5x   | On  | Off | Off | Off | Off | Off |
          |-------+-----+----------+-----+-----+-----+-----+-----+-----|
          |133MHz |66MHz|   1.5x   | Off | Off | Off | Off | Off | Off |
          |-------+-----+----------+-----+-----+-----+-----+-----+-----|
          |166MHz |66MHz|  1.75x   | Off | Off | Off | On  | On  | Off |
          +------------------------------------------------------------+
       
          +------------------------------------------------------------+
          |                CPU SPEED SELECTION (AM K6)                 |
          |------------------------------------------------------------|
          |  CPU  |Clock|Multiplier|SW2/1|SW2/2|SW2/3|SW2/4|SW2/5|SW2/6|
          | speed |speed|          |     |     |     |     |     |     |
          |-------+-----+----------+-----+-----+-----+-----+-----+-----|
          |166MHz |66MHz|   2.5x   | Off | Off | Off | On  | On  | Off |
          |-------+-----+----------+-----+-----+-----+-----+-----+-----|
          |200MHz |66MHz|    3x    | Off | Off | Off | Off | On  | Off |
          |-------+-----+----------+-----+-----+-----+-----+-----+-----|
          |233MHz |66MHz|   3.5x   | Off | Off | Off | Off | Off | Off |
          |-------+-----+----------+-----+-----+-----+-----+-----+-----|
          |266MHz |66MHz|    4x    | Off | Off | Off | On  | Off | On  |
          +------------------------------------------------------------+
       
          +------------------------------------------------------------+
          |                CPU SPEED SELECTION (INTEL)                 |
          |------------------------------------------------------------|
          |  CPU  |Clock|Multiplier|SW2/1|SW2/2|SW2/3|SW2/4|SW2/5|SW2/6|
          | speed |speed|          |     |     |     |     |     |     |
          |-------+-----+----------+-----+-----+-----+-----+-----+-----|
          | 75MHz |50MHz|   1.5x   | On  | On  | On  | Off | Off | Off |
          |-------+-----+----------+-----+-----+-----+-----+-----+-----|
          | 90MHz |60MHz|   1.5x   | On  | Off | Off | Off | Off | Off |
          |-------+-----+----------+-----+-----+-----+-----+-----+-----|
          |100MHz |66MHz|   1.5x   | Off | Off | Off | Off | Off | Off |
          |-------+-----+----------+-----+-----+-----+-----+-----+-----|
          |120MHz |60MHz|    2x    | On  | Off | Off | On  | Off | Off |
          |-------+-----+----------+-----+-----+-----+-----+-----+-----|
          |133MHz |66MHz|    2x    | Off | Off | Off | On  | Off | Off |
          |-------+-----+----------+-----+-----+-----+-----+-----+-----|
          |150MHz |60MHz|   2.5x   | On  | Off | Off | On  | On  | Off |
          |-------+-----+----------+-----+-----+-----+-----+-----+-----|
          |166MHz |66MHz|   2.5x   | Off | Off | Off | On  | On  | Off |
          |-------+-----+----------+-----+-----+-----+-----+-----+-----|
          |200MHz |66MHz|    3x    | Off | Off | Off | Off | On  | Off |
          +------------------------------------------------------------+
       
          +------------------------------------------------------------+
          |              CPU SPEED SELECTION (INTEL MMX)               |
          |------------------------------------------------------------|
          |  CPU  |Clock|Multiplier|SW2/1|SW2/2|SW2/3|SW2/4|SW2/5|SW2/6|
          | speed |speed|          |     |     |     |     |     |     |
          |-------+-----+----------+-----+-----+-----+-----+-----+-----|
          |166MHz |66MHz|   2.5x   | Off | Off | Off | On  | On  | Off |
          |-------+-----+----------+-----+-----+-----+-----+-----+-----|
          |200MHz |66MHz|    3x    | Off | Off | Off | Off | On  | Off |
          |-------+-----+----------+-----+-----+-----+-----+-----+-----|
          |233MHz |66MHz|   3.5x   | Off | Off | Off | Off | Off | Off |
          +------------------------------------------------------------+
       
          +------------------------------------------------------------+
          |                   CPU VOLTAGE SELECTION                    |
          |------------------------------------------------------------|
          | Voltage |    SW1A    |    SW1B    |    SW1C    |   SW1D    |
          |---------+------------+------------+------------+-----------|
          |  Auto   | Pins 2 & 3 | Pins 2 & 3 | Pins 2 & 3 | Pins 2 &  |
          |         |   closed   |   closed   |   closed   | 3 closed  |
          |---------+------------+------------+------------+-----------|
          |  2.0v   |    Open    |    Open    |    Open    |   Open    |
          |---------+------------+------------+------------+-----------|
          |  2.1v   | Pins 1 & 2 |    Open    |    Open    |   Open    |
          |         |   closed   |            |            |           |
          |---------+------------+------------+------------+-----------|
          |  2.2v   |    Open    | Pins 1 & 2 |    Open    |   Open    |
          |         |            |   closed   |            |           |
          |---------+------------+------------+------------+-----------|
          |  2.3v   | Pins 1 & 2 | Pins 1 & 2 |    Open    |   Open    |
          |         |   closed   |   closed   |            |           |
          |---------+------------+------------+------------+-----------|
          |  2.4v   |    Open    |    Open    | Pins 1 & 2 |   Open    |
          |         |            |            |   closed   |           |
          |---------+------------+------------+------------+-----------|
          |  2.5v   | Pins 1 & 2 |    Open    | Pins 1 & 2 |   Open    |
          |         |   closed   |            |   closed   |           |
          |---------+------------+------------+------------+-----------|
          |  2.6v   |    Open    | Pins 1 & 2 | Pins 1 & 2 |   Open    |
          |         |            |   closed   |   closed   |           |
          |---------+------------+------------+------------+-----------|
          |  2.7v   | Pins 1 & 2 | Pins 1 & 2 | Pins 1 & 2 |   Open    |
          |         |   closed   |   closed   |   closed   |           |
          |---------+------------+------------+------------+-----------|
          |  2.8v   |    Open    |    Open    |    Open    | Pins 1 &  |
          |         |            |            |            | 2 closed  |
          |---------+------------+------------+------------+-----------|
          |  2.9v   | Pins 1 & 2 |    Open    |    Open    | Pins 1 &  |
          |         |   closed   |            |            | 2 closed  |
          |---------+------------+------------+------------+-----------|
          |  3.0v   |    Open    | Pins 1 & 2 |    Open    | Pins 1 &  |
          |         |            |   closed   |            | 2 closed  |
          |---------+------------+------------+------------+-----------|
          |  3.1v   | Pins 1 & 2 | Pins 1 & 2 |    Open    | Pins 1 &  |
          |         |   closed   |   closed   |            | 2 closed  |
          |---------+------------+------------+------------+-----------|
          |  3.2v   |    Open    |    Open    | Pins 1 & 2 | Pins 1 &  |
          |         |            |            |   closed   | 2 closed  |
          |---------+------------+------------+------------+-----------|
          |  3.3v   | Pins 1 & 2 |    Open    | Pins 1 & 2 | Pins 1 &  |
          |         |   closed   |            |   closed   | 2 closed  |
          |---------+------------+------------+------------+-----------|
          |  3.4v   |    Open    | Pins 1 & 2 | Pins 1 & 2 | Pins 1 &  |
          |         |            |   closed   |   closed   | 2 closed  |
          |---------+------------+------------+------------+-----------|
          |  3.52v  | Pins 1 & 2 | Pins 1 & 2 | Pins 1 & 2 | Pins 1 &  |
          |         |   closed   |   closed   |   closed   | 2 closed  |
          +------------------------------------------------------------+