URI: 
  TEXT View Source
       
       # TYAN COMPUTER CORPORATION
       
          S1846S
       
          Device Type     Mainboard                                      
          Processor       Pentium II/Celeron                             
          Processor Speed 233/266/300/333/350/400MHz                     
          Chip Set        Intel 440BX                                    
          Maximum Onboard 768MB (SDRAM supported)                        
          Memory          
          Cache           0/128/256/512KB (located on CPU)               
          BIOS            AMI                                            
          Dimensions      305mm x 244mm                                  
          I/O Options     32-bit PCI slots (5), floppy drive interface,  
                          green PC connector, IDE interfaces (2),        
                          parallel port, PS/2 mouse port, serial ports   
                          (2), IR connector, USB connectors (2), ATX     
                          power connector, AGP slot                      
       
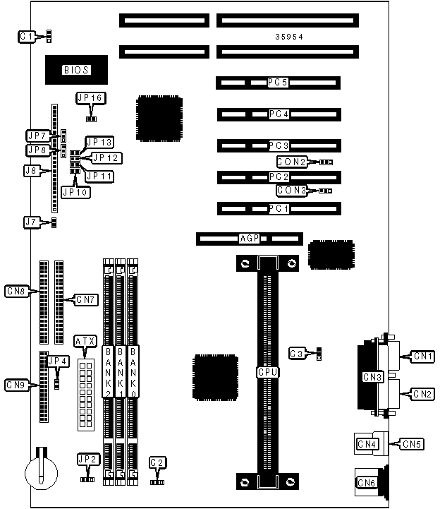
   IMG IMG 1
          
       
          +------------------------------------------------------------+
          |                        CONNECTIONS                         |
          |------------------------------------------------------------|
          | Purpose         | Location | Purpose           | Location  |
          |-----------------+----------+-------------------+-----------|
          | AGP slot        |   AGP    | Floppy drive      |    CN9    |
          |                 |          | interface         |           |
          |-----------------+----------+-------------------+-----------|
          | ATX power       |   ATX    | Wake on LAN       |   CON3    |
          | connector       |          | connector         |           |
          |-----------------+----------+-------------------+-----------|
          | Chassis fan     |    C1    | Chassis intrusion |    J7     |
          | power           |          | connector         |           |
          |-----------------+----------+-------------------+-----------|
          | Chassis fan     |    C2    | Soft off power    | J8/pins 1 |
          | power           |          | supply            |    & 2    |
          |-----------------+----------+-------------------+-----------|
          | Chassis fan     |    C3    | Green PC          | J8/pins 3 |
          | power           |          | connector         |    & 4    |
          |-----------------+----------+-------------------+-----------|
          | Serial port 2   |   CN1    | IR connector      | J8/pins 6 |
          |                 |          |                   |   - 10    |
          |-----------------+----------+-------------------+-----------|
          | Serial port 1   |   CN2    | IDE interface LED |  J8/pins  |
          |                 |          |                   |  13 - 16  |
          |-----------------+----------+-------------------+-----------|
          | Parallel port   |   CN3    | Power LED         |  J8/pins  |
          |                 |          |                   |  18 & 20  |
          |-----------------+----------+-------------------+-----------|
          | USB connector 1 |   CN4    | Reset switch      |  J8/pins  |
          |                 |          |                   |  22 & 23  |
          |-----------------+----------+-------------------+-----------|
          | USB connector 2 |   CN5    | Speaker           |  J8/pins  |
          |                 |          |                   |  24 - 27  |
          |-----------------+----------+-------------------+-----------|
          | PS/2 mouse port |   CN6    | Green PC          |   JP16    |
          |                 |          | connector         |           |
          |-----------------+----------+-------------------+-----------|
          | IDE interface 2 |   CN7    | 32-bit PCI slots  | PC1 - PC5 |
          |-----------------+----------+-------------------+-----------|
          | IDE interface 1 |   CN8    |                   |           |
          +------------------------------------------------------------+
       
          +------------------------------------------------------------+
          |                 USER CONFIGURABLE SETTINGS                 |
          |------------------------------------------------------------|
          |              Function               | Label |   Position   |
          |-------------------------------------+-------+--------------|
          | » | Factory configured - do not     | CON2  | Unidentified |
          |   | alter                           |       |              |
          |---+---------------------------------+-------+--------------|
          | » | CMOS memory normal operation    |  JP2  |  Pins 1 & 2  |
          |   |                                 |       |    closed    |
          |---+---------------------------------+-------+--------------|
          |   | CMOS memory clear               |  JP2  |  Pins 2 & 3  |
          |   |                                 |       |    closed    |
          +------------------------------------------------------------+
       
          +------------------------------------------------------------+
          |                     DIMM CONFIGURATION                     |
          |------------------------------------------------------------|
          |    Size    |    Bank 0     |    Bank 1     |    Bank 2     |
          |------------+---------------+---------------+---------------|
          |    8MB     |  (1) 1M x 64  |     None      |     None      |
          |------------+---------------+---------------+---------------|
          |    16MB    |  (1) 1M x 64  |  (1) 1M x 64  |     None      |
          |------------+---------------+---------------+---------------|
          |    16MB    |  (1) 2M x 64  |     None      |     None      |
          |------------+---------------+---------------+---------------|
          |    24MB    |  (1) 1M x 64  |  (1) 1M x 64  |  (1) 1M x 64  |
          |------------+---------------+---------------+---------------|
          |    32MB    |  (1) 2M x 64  |  (1) 2M x 64  |     None      |
          |------------+---------------+---------------+---------------|
          |    32MB    |  (1) 4M x 64  |     None      |     None      |
          |------------+---------------+---------------+---------------|
          |    48MB    |  (1) 2M x 64  |  (1) 2M x 64  |  (1) 2M x 64  |
          |------------+---------------+---------------+---------------|
          |    64MB    |  (1) 4M x 64  |  (1) 4M x 64  |     None      |
          |------------+---------------+---------------+---------------|
          |    64MB    |  (1) 8M x 64  |     None      |     None      |
          |------------+---------------+---------------+---------------|
          |    96MB    |  (1) 4M x 64  |  (1) 4M x 64  |  (1) 4M x 64  |
          |------------+---------------+---------------+---------------|
          |   128MB    |  (1) 8M x 64  |  (1) 8M x 64  |     None      |
          |------------+---------------+---------------+---------------|
          |   128MB    | (1) 16M x 64  |     None      |     None      |
          +------------------------------------------------------------+
       
          +------------------------------------------------------------+
          |                 DIMM CONFIGURATION (CON'T)                 |
          |------------------------------------------------------------|
          |   Size    |    Bank 0    |    Bank 1    |      Bank 2      |
          |-----------+--------------+--------------+------------------|
          |   164MB   | (1) 16M x 64 | (1) 1M x 64  |       None       |
          |-----------+--------------+--------------+------------------|
          |   144MB   | (1) 16M x 64 | (1) 1M x 64  |   (1) 1M x 64    |
          |-----------+--------------+--------------+------------------|
          |   144MB   | (1) 16M x 64 | (1) 2M x 64  |       None       |
          |-----------+--------------+--------------+------------------|
          |   160MB   | (1) 16M x 64 | (1) 2M x 64  |   (1) 2M x 64    |
          |-----------+--------------+--------------+------------------|
          |   160MB   | (1) 16M x 64 | (1) 4M x 64  |       None       |
          |-----------+--------------+--------------+------------------|
          |   192MB   | (1) 16M x 64 | (1) 4M x 64  |   (1) 4M x 64    |
          |-----------+--------------+--------------+------------------|
          |   192MB   | (1) 16M x 64 | (1) 8M x 64  |       None       |
          |-----------+--------------+--------------+------------------|
          |   192MB   | (1) 8M x 64  | (1) 8M x 64  |   (1) 8M x 64    |
          |-----------+--------------+--------------+------------------|
          |   256MB   | (1) 16M x 64 | (1) 8M x 64  |   (1) 8M x 64    |
          |-----------+--------------+--------------+------------------|
          |   256MB   | (1) 16M x 64 | (1) 16M x 64 |       None       |
          |-----------+--------------+--------------+------------------|
          |   256MB   | (1) 32M x 64 |     None     |       None       |
          |-----------+--------------+--------------+------------------|
          |   264MB   | (1) 32M x 64 | (1) 1M x 64  |       None       |
          |-----------+--------------+--------------+------------------|
          |   272MB   | (1) 32M x 64 | (1) 1M x 64  |   (1) 1M x 64    |
          |-----------+--------------+--------------+------------------|
          |   272MB   | (1) 32M x 64 | (1) 2M x 64  |       None       |
          |-----------+--------------+--------------+------------------|
          |   288MB   | (1) 32M x 64 | (1) 2M x 64  |   (1) 2M x 64    |
          |-----------+--------------+--------------+------------------|
          |   288MB   | (1) 32M x 64 | (1) 4M x 64  |       None       |
          |-----------+--------------+--------------+------------------|
          |   320MB   | (1) 32M x 64 | (1) 4M x 64  |   (1) 4M x 64    |
          |-----------+--------------+--------------+------------------|
          |   320MB   | (1) 32M x 64 | (1) 8M x 64  |       None       |
          |-----------+--------------+--------------+------------------|
          |   384MB   | (1) 32M x 64 | (1) 8M x 64  |   (1) 8M x 64    |
          |-----------+--------------+--------------+------------------|
          |   384MB   | (1) 32M x 64 | (1) 16M x 64 |       None       |
          |-----------+--------------+--------------+------------------|
          |   384MB   | (1) 16M x 64 | (1) 16M x 64 |   (1) 16M x 64   |
          |-----------+--------------+--------------+------------------|
          |   512MB   | (1) 32M x 64 | (1) 16M x 64 |   (1) 16M x 64   |
          |-----------+--------------+--------------+------------------|
          |   512MB   | (1) 32M x 64 | (1) 32M x 64 |       None       |
          |-----------+--------------+--------------+------------------|
          |   768MB   | (1) 32M x 64 | (1) 32M x 64 |   (1) 32M x 64   |
          |------------------------------------------------------------|
          | Note: Board accepts SDRAM memory.                          |
          +------------------------------------------------------------+
       
          +------------------------------------------------------------+
          |                    CACHE CONFIGURATION                     |
          |------------------------------------------------------------|
          | Note: 256KB/512KB cache is located on the Pentium II CPU.  |
          | 128KB cache is located on the Celeron 300A & 333 CPU.      |
          +------------------------------------------------------------+
       
          +------------------------------------------------------------+
          |                    CPU SPEED SELECTION                     |
          |------------------------------------------------------------|
          |CPU speed|Clock speed|Multiplier| JP10 | JP11 | JP12 | JP13 |
          |---------+-----------+----------+------+------+------+------|
          | 233MHz  |   66MHz   |   3.5x   |Closed| Open | Open |Closed|
          |---------+-----------+----------+------+------+------+------|
          | 266MHz  |   66MHz   |    4x    | Open |Closed|Closed|Closed|
          |---------+-----------+----------+------+------+------+------|
          | 300MHz  |   66MHz   |   4.5x   | Open |Closed| Open |Closed|
          |---------+-----------+----------+------+------+------+------|
          | 300MHz  |  100MHz   |    3x    |Closed| Open |Closed|Closed|
          |---------+-----------+----------+------+------+------+------|
          | 333MHz  |   66MHz   |    5x    | Open | Open |Closed|Closed|
          |---------+-----------+----------+------+------+------+------|
          | 350MHz  |  100MHz   |   3.5x   |Closed| Open | Open |Closed|
          |---------+-----------+----------+------+------+------+------|
          | 400MHz  |  100MHz   |    4x    | Open |Closed|Closed|Closed|
          +------------------------------------------------------------+
       
          +------------------------------------------------------------+
          |                 FLOPPY DRIVE/IR SELECTION                  |
          |------------------------------------------------------------|
          |     Setting     |  JP4   |      JP7       |      JP8       |
          |-----------------+--------+----------------+----------------|
          | 2 floppy drives | Closed |   Pins 2 & 3   |   Pins 1 & 2   |
          |                 |        |     closed     |     closed     |
          |-----------------+--------+----------------+----------------|
          | 1 floppy, 1 IR  |  Open  |   Pins 1 & 2   |   Pins 2 & 3   |
          |                 |        |     closed     |     closed     |
          +------------------------------------------------------------+