URI: 
  TEXT View Source
       
       # TYAN COMPUTER CORPORATION
       
          S1894SLA (BX)
       
          Device Type     Mainboard                                      
          Processor       Pentium II/Celeron                             
          Processor Speed 233/266/300/333/350/400/450MHz                 
          Chip Set        Intel 440BX                                    
          Maximum Onboard 768MB (SDRAM supported)                        
          Memory          
          Audio Chip Set  Ensoniq                                        
          Cache           0/128/256/512KB (located on the CPU)           
          BIOS            Award                                          
          Dimensions      305mm x 244mm                                  
          I/O Options     32-bit PCI slots (3), floppy drive interface,  
                          game/MIDI port, green PC connector, IDE        
                          interfaces (2), parallel port, PS/2 mouse      
                          port, serial ports (2), IR connector, USB      
                          connectors (2), ATX power connector, AGP slot, 
                          line in, line out, microphone in, audio in -   
                          CD-ROMs (2), wake on LAN connector             
       
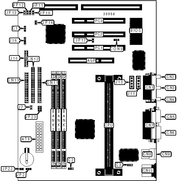
   IMG IMG 1
          
       
          +------------------------------------------------------------+
          |                        CONNECTIONS                         |
          |------------------------------------------------------------|
          | Purpose         | Location | Purpose      |    Location    |
          |-----------------+----------+--------------+----------------|
          | AGP slot        |   AGP    | IDE          |      CN11      |
          |                 |          | interface 2  |                |
          |-----------------+----------+--------------+----------------|
          | ATX power       |   ATX    | IDE          |      CN12      |
          | connector       |          | interface 1  |                |
          |-----------------+----------+--------------+----------------|
          | Chassis fan     |    C1    | Floppy drive |      CN13      |
          | power           |          | interface    |                |
          |-----------------+----------+--------------+----------------|
          | Chassis fan     |    C2    | Wake on LAN  |      CON3      |
          | power           |          | connector    |                |
          |-----------------+----------+--------------+----------------|
          | Chassis fan     |    C3    | Chassis      |       J7       |
          | power           |          | intrusion    |                |
          |-----------------+----------+--------------+----------------|
          | Game/MIDI port  |   CN1    | IDE          | J10/pins 1 -3  |
          |                 |          | interface    |                |
          |                 |          | LED          |                |
          |-----------------+----------+--------------+----------------|
          | Microphone in   |   CN2    | Power LED    | J10/pins 2 & 4 |
          |-----------------+----------+--------------+----------------|
          | Line in         |   CN3    | Reset switch | J10/pins 5 & 7 |
          |                 |          |              |    or 7 & 8    |
          |-----------------+----------+--------------+----------------|
          | Line out        |   CN4    | Soft off     |  J10/pins 6 &  |
          |                 |          | power supply |    8, 5 & 6    |
          |-----------------+----------+--------------+----------------|
          | Serial port 2   |   CN5    | Audio in -   |      J11       |
          |                 |          | CD-ROM       |                |
          |-----------------+----------+--------------+----------------|
          | Serial port 1   |   CN6    | Audio in -   |      J13       |
          |                 |          | CD-ROM       |                |
          |-----------------+----------+--------------+----------------|
          | Parallel port   |   CN7    | Speaker      |      J16       |
          |-----------------+----------+--------------+----------------|
          | USB connector 1 |   CN8    | Green PC     |      JP16      |
          |                 |          | connector    |                |
          |-----------------+----------+--------------+----------------|
          | USB connector 2 |   CN9    | Power fan    |      JP23      |
          |                 |          | power        |                |
          |-----------------+----------+--------------+----------------|
          | PS/2 mouse port |   CN10   | 32-bit PCI   |   PC1 - PC3    |
          |                 |          | slots        |                |
          +------------------------------------------------------------+
       
          +------------------------------------------------------------+
          |                 USER CONFIGURABLE SETTINGS                 |
          |------------------------------------------------------------|
          |              Function               | Label |   Position   |
          |-------------------------------------+-------+--------------|
          | » | CMOS memory normal operation    |  JP2  |  Pins 1 & 2  |
          |   |                                 |       |    closed    |
          |---+---------------------------------+-------+--------------|
          |   | CMOS memory clear               |  JP2  |  Pins 2 & 3  |
          |   |                                 |       |    closed    |
          |---+---------------------------------+-------+--------------|
          |   | On board sound enabled          | JP17  |     Open     |
          |---+---------------------------------+-------+--------------|
          |   | On board sound disabled         | JP17  |    Closed    |
          |---+---------------------------------+-------+--------------|
          | » | Factory configured - do not     | JP22  | Unidentified |
          |   | alter                           |       |              |
          +------------------------------------------------------------+
       
          +------------------------------------------------------------+
          |                     DIMM CONFIGURATION                     |
          |------------------------------------------------------------|
          |    Size    |    Bank 0     |    Bank 1     |    Bank 2     |
          |------------+---------------+---------------+---------------|
          |    8MB     |  (1) 1M x 64  |     None      |     None      |
          |------------+---------------+---------------+---------------|
          |    16MB    |  (1) 1M x 64  |  (1) 1M x 64  |     None      |
          |------------+---------------+---------------+---------------|
          |    16MB    |  (1) 2M x 64  |     None      |     None      |
          |------------+---------------+---------------+---------------|
          |    24MB    |  (1) 1M x 64  |  (1) 1M x 64  |  (1) 1M x 64  |
          |------------+---------------+---------------+---------------|
          |    32MB    |  (1) 2M x 64  |  (1) 2M x 64  |     None      |
          |------------+---------------+---------------+---------------|
          |    32MB    |  (1) 4M x 64  |     None      |     None      |
          |------------+---------------+---------------+---------------|
          |    48MB    |  (1) 2M x 64  |  (1) 2M x 64  |  (1) 2M x 64  |
          |------------+---------------+---------------+---------------|
          |    64MB    |  (1) 4M x 64  |  (1) 4M x 64  |     None      |
          |------------+---------------+---------------+---------------|
          |    64MB    |  (1) 8M x 64  |     None      |     None      |
          |------------+---------------+---------------+---------------|
          |    96MB    |  (1) 4M x 64  |  (1) 4M x 64  |  (1) 4M x 64  |
          |------------+---------------+---------------+---------------|
          |   128MB    |  (1) 8M x 64  |  (1) 8M x 64  |     None      |
          |------------+---------------+---------------+---------------|
          |   128MB    | (1) 16M x 64  |     None      |     None      |
          |------------+---------------+---------------+---------------|
          |   164MB    | (1) 16M x 64  |  (1) 1M x 64  |     None      |
          |------------+---------------+---------------+---------------|
          |   144MB    | (1) 16M x 64  |  (1) 1M x 64  |  (1) 1M x 64  |
          +------------------------------------------------------------+
       
          +------------------------------------------------------------+
          |               DIMM CONFIGURATION (CON'T)               |   |
          |--------------------------------------------------------|   |
          |  Size  |    Bank 0     |    Bank 1     |    Bank 2     |   |
          |--------+---------------+---------------+---------------|   |
          | 144MB  | (1) 16M x 64  |  (1) 2M x 64  |     None      |   |
          |--------+---------------+---------------+---------------|   |
          | 160MB  | (1) 16M x 64  |  (1) 2M x 64  |  (1) 2M x 64  |   |
          |--------+---------------+---------------+---------------|   |
          | 160MB  | (1) 16M x 64  |  (1) 4M x 64  |     None      |   |
          |--------+---------------+---------------+---------------|   |
          | 192MB  | (1) 16M x 64  |  (1) 4M x 64  |  (1) 4M x 64  |   |
          |--------+---------------+---------------+---------------|   |
          | 192MB  | (1) 16M x 64  |  (1) 8M x 64  |     None      |   |
          |--------+---------------+---------------+---------------|   |
          | 192MB  |  (1) 8M x 64  |  (1) 8M x 64  |  (1) 8M x 64  |   |
          |--------+---------------+---------------+---------------|   |
          | 256MB  | (1) 16M x 64  |  (1) 8M x 64  |  (1) 8M x 64  |   |
          |--------+---------------+---------------+---------------|   |
          | 256MB  | (1) 16M x 64  | (1) 16M x 64  |     None      |   |
          |--------+---------------+---------------+---------------|   |
          | 256MB  | (1) 32M x 64  |     None      |     None      |   |
          |--------+---------------+---------------+---------------|   |
          | 264MB  | (1) 32M x 64  |  (1) 1M x 64  |     None      |   |
          |--------+---------------+---------------+---------------|   |
          | 272MB  | (1) 32M x 64  |  (1) 1M x 64  |  (1) 1M x 64  |   |
          |--------+---------------+---------------+---------------|   |
          | 272MB  | (1) 32M x 64  |  (1) 2M x 64  |     None      |   |
          |--------+---------------+---------------+---------------|   |
          | 288MB  | (1) 32M x 64  |  (1) 2M x 64  |  (1) 2M x 64  |   |
          |--------+---------------+---------------+---------------|   |
          | 288MB  | (1) 32M x 64  |  (1) 4M x 64  |     None      |   |
          |--------+---------------+---------------+---------------|   |
          | 320MB  | (1) 32M x 64  |  (1) 4M x 64  |  (1) 4M x 64  |   |
          |--------+---------------+---------------+---------------|   |
          | 320MB  | (1) 32M x 64  |  (1) 8M x 64  |     None      |   |
          |--------+---------------+---------------+---------------|   |
          | 384MB  | (1) 32M x 64  |  (1) 8M x 64  |  (1) 8M x 64  |   |
          |--------+---------------+---------------+---------------|   |
          | 384MB  | (1) 32M x 64  | (1) 16M x 64  |     None      |   |
          |--------+---------------+---------------+---------------|   |
          | 384MB  | (1) 16M x 64  | (1) 16M x 64  | (1) 16M x 64  |   |
          |--------+---------------+---------------+---------------|   |
          | 512MB  | (1) 32M x 64  | (1) 16M x 64  | (1) 16M x 64  |   |
          |--------+---------------+---------------+---------------|   |
          | 512MB  | (1) 32M x 64  | (1) 32M x 64  |     None      |   |
          |--------+---------------+---------------+---------------|   |
          | 768MB  | (1) 32M x 64  | (1) 32M x 64  | (1) 32M x 64  |   |
          |------------------------------------------------------------|
          | Note: Board accepts EDO & SDRAM memory.                    |
          +------------------------------------------------------------+
       
          +------------------------------------------------------------+
          |                    CACHE CONFIGURATION                     |
          |------------------------------------------------------------|
          | Note: 256KB/512KB cache is located on the Pentium II CPU.  |
          | 128KB cache is located on the Celeron 300A & 333 CPU.      |
          +------------------------------------------------------------+
       
          +------------------------------------------------------------+
          |                    CPU SPEED SELECTION                     |
          |------------------------------------------------------------|
          |CPU speed|Clock speed|Multiplier| JP10 | JP11 | JP12 | JP13 |
          |---------+-----------+----------+------+------+------+------|
          | 233MHz  |   66MHz   |   3.5x   |Closed| Open | Open |Closed|
          |---------+-----------+----------+------+------+------+------|
          | 266MHz  |   66MHz   |    4x    | Open |Closed|Closed|Closed|
          |---------+-----------+----------+------+------+------+------|
          | 300MHz  |   66MHz   |   4.5x   | Open |Closed| Open |Closed|
          |---------+-----------+----------+------+------+------+------|
          | 333MHz  |   66MHz   |    5x    | Open | Open |Closed|Closed|
          |---------+-----------+----------+------+------+------+------|
          | 350MHz  |  100MHz   |   3.5x   |Closed| Open | Open |Closed|
          |---------+-----------+----------+------+------+------+------|
          | 400MHz  |  100MHz   |    4x    | Open |Closed|Closed|Closed|
          |---------+-----------+----------+------+------+------+------|
          | 450MHz  |  100MHz   |   4.5x   | Open |Closed| Open |Closed|
          +------------------------------------------------------------+