URI: 
  TEXT View Source
       
       # TYAN COMPUTER CORPORATION
       
          S1894SLA (ZX)
       
          Device Type      Mainboard                                     
          Processor        Pentium II/Celeron                            
          Processor Speed  233/266/300/333/350/400/450MHz                
          Chip Set         Intel 440ZX                                   
          Maximum Onboard  256MB (SDRAM supported)                       
          Memory           
          Audio Chip Set   Ensoniq                                       
          Cache            0/128/256/512KB (located on the CPU)          
          BIOS             Award                                         
          Dimensions       305mm x 244mm                                 
          I/O Options      32-bit PCI slots (3), floppy drive interface, 
                           game/MIDI port, green PC connector, IDE       
                           interfaces (2), parallel port, PS/2 mouse     
                           port, serial ports (2), IR connector, USB     
                           connectors (2), ATX power connector, AGP      
                           slot, line in, line out, microphone in, audio 
                           in – CD-ROMs (2), wake on LAN connector       
       
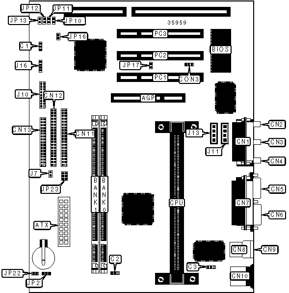
   IMG IMG 1
          
       
          +------------------------------------------------------------+
          |                        CONNECTIONS                         |
          |------------------------------------------------------------|
          | Purpose          | Location | Purpose      |   Location    |
          |------------------+----------+--------------+---------------|
          | AGP slot         |   AGP    | IDE          |     CN11      |
          |                  |          | interface 2  |               |
          |------------------+----------+--------------+---------------|
          | ATX power        |   ATX    | IDE          |     CN12      |
          | connector        |          | interface 1  |               |
          |------------------+----------+--------------+---------------|
          | Chassis fan      |    C1    | Floppy drive |     CN13      |
          | power            |          | interface    |               |
          |------------------+----------+--------------+---------------|
          | Chassis fan      |    C2    | Wake on LAN  |     CON3      |
          | power            |          | connector    |               |
          |------------------+----------+--------------+---------------|
          | Chassis fan      |    C3    | Chassis      |      J7       |
          | power            |          | intrusion    |               |
          |------------------+----------+--------------+---------------|
          | Game/MIDI port   |   CN1    | IDE          | J10/pins 1 -3 |
          |                  |          | interface    |               |
          |                  |          | LED          |               |
          |------------------+----------+--------------+---------------|
          | Microphone in    |   CN2    | Power LED    | J10/pins 2 &  |
          |                  |          |              |       4       |
          |------------------+----------+--------------+---------------|
          | Line in          |   CN3    | Reset switch | J10/pins 5 &  |
          |                  |          |              |  7 or 7 & 8   |
          |------------------+----------+--------------+---------------|
          | Line out         |   CN4    | Soft off     | J10/pins 6 &  |
          |                  |          | power supply |   8, 5 & 6    |
          |------------------+----------+--------------+---------------|
          | Serial port 2    |   CN5    | Audio in –   |      J11      |
          |                  |          | CD-ROM       |               |
          |------------------+----------+--------------+---------------|
          | Serial port 1    |   CN6    | Audio in –   |      J13      |
          |                  |          | CD-ROM       |               |
          |------------------+----------+--------------+---------------|
          | Parallel port    |   CN7    | Speaker      |      J16      |
          |------------------+----------+--------------+---------------|
          | USB connector 1  |   CN8    | Green PC     |     JP16      |
          |                  |          | connector    |               |
          |------------------+----------+--------------+---------------|
          | USB connector 2  |   CN9    | Power fan    |     JP23      |
          |                  |          | power        |               |
          |------------------+----------+--------------+---------------|
          | PS/2 mouse port  |   CN10   | 32-bit PCI   |   PC1 – PC3   |
          |                  |          | slots        |               |
          +------------------------------------------------------------+
       
          +------------------------------------------------------------+
          |                 USER CONFIGURABLE SETTINGS                 |
          |------------------------------------------------------------|
          |              Function               | Label |   Position   |
          |-------------------------------------+-------+--------------|
          | » | CMOS memory normal operation    |  JP2  |  Pins 1 & 2  |
          |   |                                 |       |    closed    |
          |---+---------------------------------+-------+--------------|
          |   | CMOS memory clear               |  JP2  |  Pins 2 & 3  |
          |   |                                 |       |    closed    |
          |---+---------------------------------+-------+--------------|
          |   | On board sound enabled          | JP17  |     Open     |
          |---+---------------------------------+-------+--------------|
          |   | On board sound disabled         | JP17  |    Closed    |
          |---+---------------------------------+-------+--------------|
          | » | Factory configured - do not     | JP22  | Unidentified |
          |   | alter                           |       |              |
          +------------------------------------------------------------+
       
          +------------------------------------------------------------+
          |                     DIMM CONFIGURATION                     |
          |------------------------------------------------------------|
          |       Size       |       Bank 0       |       Bank 1       |
          |------------------+--------------------+--------------------|
          |       8MB        |    (1) 1M x 64     |        None        |
          |------------------+--------------------+--------------------|
          |       16MB       |    (1) 2M x 64     |        None        |
          |------------------+--------------------+--------------------|
          |       16MB       |    (1) 1M x 64     |    (1) 1M x 64     |
          |------------------+--------------------+--------------------|
          |       24MB       |    (1) 2M x 64     |    (1) 1M x 64     |
          |------------------+--------------------+--------------------|
          |       32MB       |    (1) 4M x 64     |        None        |
          |------------------+--------------------+--------------------|
          |       32MB       |    (1) 2M x 64     |    (1) 2M x 64     |
          |------------------+--------------------+--------------------|
          |       40MB       |    (1) 4M x 64     |    (1) 1M x 64     |
          |------------------+--------------------+--------------------|
          |       48MB       |    (1) 4M x 64     |    (1) 2M x 64     |
          |------------------+--------------------+--------------------|
          |       64MB       |    (1) 8M x 64     |        None        |
          |------------------+--------------------+--------------------|
          |       64MB       |    (1) 4M x 64     |    (1) 4M x 64     |
          |------------------+--------------------+--------------------|
          |       72MB       |    (1) 8M x 64     |    (1) 1M x 64     |
          |------------------+--------------------+--------------------|
          |       80MB       |    (1) 8M x 64     |    (1) 2M x 64     |
          |------------------+--------------------+--------------------|
          |       96MB       |    (1) 8M x 64     |    (1) 4M x 64     |
          |------------------+--------------------+--------------------|
          |      128MB       |    (1) 16M x 64    |        None        |
          +------------------------------------------------------------+
       
          +------------------------------------------------------------+
          |                 DIMM CONFIGURATION (CON’T)                 |
          |------------------------------------------------------------|
          |       Size       |       Bank 0       |       Bank 1       |
          |------------------+--------------------+--------------------|
          |      128MB       |    (1) 8M x 64     |    (1) 8M x 64     |
          |------------------+--------------------+--------------------|
          |      136MB       |    (1) 16M x 64    |    (1) 1M x 64     |
          |------------------+--------------------+--------------------|
          |      144MB       |    (1) 16M x 64    |    (1) 2M x 64     |
          |------------------+--------------------+--------------------|
          |      160MB       |    (1) 16M x 64    |    (1) 4M x 64     |
          |------------------+--------------------+--------------------|
          |      192MB       |    (1) 16M x 64    |    (1) 8M x 64     |
          |------------------+--------------------+--------------------|
          |      256MB       |    (1) 16M x 64    |    (1) 16M x 64    |
          |------------------------------------------------------------|
          |      Note: Board accepts SDRAM memory.                     |
          +------------------------------------------------------------+
       
          +------------------------------------------------------------+
          |                    CACHE CONFIGURATION                     |
          |------------------------------------------------------------|
          |      Note: 256KB/512KB cache is located on the Pentium II  |
          |      CPU. 128KB cache is located on the Celeron 300A & 333 |
          |      CPU.                                                  |
          +------------------------------------------------------------+
       
          +------------------------------------------------------------+
          |                    CPU SPEED SELECTION                     |
          |------------------------------------------------------------|
          |CPU speed|Clock speed|Multiplier| JP10 | JP11 | JP12 | JP13 |
          |---------+-----------+----------+------+------+------+------|
          | 233MHz  |   66MHz   |   3.5x   |Closed| Open | Open |Closed|
          |---------+-----------+----------+------+------+------+------|
          | 266MHz  |   66MHz   |    4x    | Open |Closed|Closed|Closed|
          |---------+-----------+----------+------+------+------+------|
          | 300MHz  |   66MHz   |   4.5x   | Open |Closed| Open |Closed|
          |---------+-----------+----------+------+------+------+------|
          | 333MHz  |   66MHz   |    5x    | Open | Open |Closed|Closed|
          |---------+-----------+----------+------+------+------+------|
          | 350MHz  |  100MHz   |   3.5x   |Closed| Open | Open |Closed|
          |---------+-----------+----------+------+------+------+------|
          | 400MHz  |  100MHz   |    4x    | Open |Closed|Closed|Closed|
          |---------+-----------+----------+------+------+------+------|
          | 450MHz  |  100MHz   |   4.5x   | Open |Closed| Open |Closed|
          +------------------------------------------------------------+