URI: 
  TEXT View Source
       
       # TEKRAM TECHNOLOGY CO., LTD.
       
          P6E40-MS3 (SOUND)
       
          Device Type      Mainboard                                     
          Processor        Pentium II/Celeron                            
          Processor Speed  233/266/300/333/366/400MHz                    
          Chip Set         Intel 440EX                                   
          Maximum Onboard  512MB (EDO & SDRAM supported)                 
          Memory           
          Cache            0/128/256/512KB (located on the CPU)          
          BIOS             Award                                         
          Dimensions       245mm x 180mm                                 
          I/O Options      32-bit PCI slots (3), floppy drive interface, 
                           green PC connector, IDE interfaces (2),       
                           parallel port, PS/2 mouse port, serial ports  
                           (2), IR connector, USB connectors (2), ATX    
                           power connector, AGP slot, line in, line out, 
                           microphone in, audio in – CD-ROMs (2)         
       
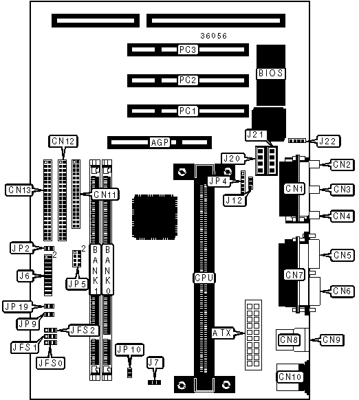
   IMG IMG 1
          
       
          +------------------------------------------------------------+
          |                        CONNECTIONS                         |
          |------------------------------------------------------------|
          | Purpose        | Location | Purpose        |   Location    |
          |----------------+----------+----------------+---------------|
          | AGP slot       |   AGP    | Power LED &    |    J6/pins    |
          |                |          | keylock        |  2/4/6/8/10   |
          |----------------+----------+----------------+---------------|
          | ATX power      |   ATX    | Turbo LED      | J6/pins 3 & 5 |
          | connector      |          |                |               |
          |----------------+----------+----------------+---------------|
          | Game/MIDI port |   CN1    | Green PC       | J6/pins 7 & 9 |
          |                |          | connector      |               |
          |----------------+----------+----------------+---------------|
          | Microphone in  |   CN2    | Speaker        |    J6/pins    |
          |                |          |                |  14/16/18/20  |
          |----------------+----------+----------------+---------------|
          | Line in        |   CN3    | Reset switch   | J6/pins 17 &  |
          |                |          |                |      19       |
          |----------------+----------+----------------+---------------|
          | Line out       |   CN4    | Chassis fan    |      J7       |
          |                |          | power          |               |
          |----------------+----------+----------------+---------------|
          | Serial port 2  |   CN5    | Wake on LAN    |      J12      |
          |                |          | connector      |               |
          |----------------+----------+----------------+---------------|
          | Serial port 1  |   CN6    | Audio in –     |      J20      |
          |                |          | CD-ROM         |               |
          |----------------+----------+----------------+---------------|
          | Parallel port  |   CN7    | Audio in –     |      J21      |
          |                |          | CD-ROM         |               |
          |----------------+----------+----------------+---------------|
          | USB connector  |   CN8    | Auxiliary      |      J22      |
          | 1              |          | connector      |               |
          |----------------+----------+----------------+---------------|
          | USB connector  |   CN9    | IDE interface  |      JP2      |
          | 2              |          | LED            |               |
          |----------------+----------+----------------+---------------|
          | PS/2 mouse     |   CN10   | IR connector   |      JP4      |
          | port           |          |                |               |
          |----------------+----------+----------------+---------------|
          | Floppy drive   |   CN11   | Soft off power |      JP9      |
          | interface      |          | supply         |               |
          |----------------+----------+----------------+---------------|
          | IDE interface  |   CN12   | Temperature    |     JP10      |
          | 2              |          | sensor         |               |
          |                |          | connector      |               |
          |----------------+----------+----------------+---------------|
          | IDE interface  |   CN13   | 32-bit PCI     |   PC1 – PC3   |
          | 1              |          | slots          |               |
          +------------------------------------------------------------+
       
          +------------------------------------------------------------+
          |                 USER CONFIGURABLE SETTINGS                 |
          |------------------------------------------------------------|
          |              Function               |  Label  |  Position  |
          |-------------------------------------+---------+------------|
          |   | Power state function enabled    |  JP19   |   Closed   |
          |---+---------------------------------+---------+------------|
          |   | Power state function disabled   |  JP19   |    Open    |
          +------------------------------------------------------------+
       
          +------------------------------------------------------------+
          |                     DIMM CONFIGURATION                     |
          |------------------------------------------------------------|
          |       Size       |       Bank 0       |       Bank 1       |
          |------------------+--------------------+--------------------|
          |       8MB        |    (1) 1M x 64     |        None        |
          |------------------+--------------------+--------------------|
          |       16MB       |    (1) 2M x 64     |        None        |
          |------------------+--------------------+--------------------|
          |       16MB       |    (1) 1M x 64     |    (2) 1M x 64     |
          |------------------+--------------------+--------------------|
          |       24MB       |    (1) 2M x 64     |    (2) 1M x 64     |
          |------------------+--------------------+--------------------|
          |       32MB       |    (1) 4M x 64     |        None        |
          |------------------+--------------------+--------------------|
          |       32MB       |    (1) 2M x 64     |    (2) 2M x 64     |
          |------------------+--------------------+--------------------|
          |       40MB       |    (1) 4M x 64     |    (2) 1M x 64     |
          |------------------+--------------------+--------------------|
          |       48MB       |    (1) 4M x 64     |    (2) 2M x 64     |
          |------------------+--------------------+--------------------|
          |       64MB       |    (1) 8M x 64     |        None        |
          |------------------+--------------------+--------------------|
          |       64MB       |    (1) 4M x 64     |    (2) 4M x 64     |
          |------------------+--------------------+--------------------|
          |       72MB       |    (1) 8M x 64     |    (2) 1M x 64     |
          |------------------+--------------------+--------------------|
          |       80MB       |    (1) 8M x 64     |    (2) 2M x 64     |
          |------------------+--------------------+--------------------|
          |       96MB       |    (1) 8M x 64     |    (2) 4M x 64     |
          |------------------+--------------------+--------------------|
          |      128MB       |    (1) 8M x 64     |    (2) 8M x 64     |
          |------------------+--------------------+--------------------|
          |      128MB       |    (1) 16M x 64    |        None        |
          |------------------+--------------------+--------------------|
          |      164MB       |    (1) 16M x 64    |    (2) 1M x 64     |
          |------------------+--------------------+--------------------|
          |      144MB       |    (1) 16M x 64    |    (2) 2M x 64     |
          |------------------+--------------------+--------------------|
          |      160MB       |    (1) 16M x 64    |    (2) 4M x 64     |
          |------------------+--------------------+--------------------|
          |      192MB       |    (1) 16M x 64    |    (2) 8M x 64     |
          +------------------------------------------------------------+
       
          +------------------------------------------------------------+
          |                 DIMM CONFIGURATION (CON’T)                 |
          |------------------------------------------------------------|
          |     Size      |        Bank 0        |       Bank 1        |
          |---------------+----------------------+---------------------|
          |     256MB     |     (1) 16M x 64     |    (2) 16M x 64     |
          |---------------+----------------------+---------------------|
          |     256MB     |     (1) 32M x 64     |        None         |
          |---------------+----------------------+---------------------|
          |     264MB     |     (1) 32M x 64     |     (2) 1M x 64     |
          |---------------+----------------------+---------------------|
          |     272MB     |     (1) 32M x 64     |     (2) 2M x 64     |
          |---------------+----------------------+---------------------|
          |     288MB     |     (1) 32M x 64     |     (2) 4M x 64     |
          |---------------+----------------------+---------------------|
          |     320MB     |     (1) 32M x 64     |     (2) 8M x 64     |
          |---------------+----------------------+---------------------|
          |     384MB     |     (1) 32M x 64     |    (2) 16M x 64     |
          |---------------+----------------------+---------------------|
          |     512MB     |     (1) 32M x 64     |    (2) 32M x 64     |
          |------------------------------------------------------------|
          |      Note: Board accepts EDO & SDRAM memory. Maximum SDRAM |
          |      is 256MB. Maximum EDO is 512MB.                       |
          +------------------------------------------------------------+
       
          +------------------------------------------------------------+
          |                    CACHE CONFIGURATION                     |
          |------------------------------------------------------------|
          |      Note: 256KB/512KB cache is located on the Pentium II  |
          |      CPU. 128KB cache is located on the Celeron 300A & 333 |
          |      CPU.                                                  |
          +------------------------------------------------------------+
       
          +------------------------------------------------------------+
          |                    CPU SPEED SELECTION                     |
          |------------------------------------------------------------|
          |  CPU   | Clock  | Multiplier | JFS0  | JFS1  | JFS2  | JP5 |
          | speed  | speed  |            |       |       |       |     |
          |--------+--------+------------+-------+-------+-------+-----|
          | 233MHz | 66MHz  |    3.5x    | 1 & 2 | 1 & 2 | 1 & 2 | 1 & |
          |        |        |            |       |       |       | 2,  |
          |        |        |            |       |       |       | 7 & |
          |        |        |            |       |       |       |  8  |
          |--------+--------+------------+-------+-------+-------+-----|
          | 266MHz | 66MHz  |     4x     | 1 & 2 | 1 & 2 | 1 & 2 | 1 & |
          |        |        |            |       |       |       | 2,  |
          |        |        |            |       |       |       | 3 & |
          |        |        |            |       |       |       | 4,  |
          |        |        |            |       |       |       | 5 & |
          |        |        |            |       |       |       |  6  |
          |--------+--------+------------+-------+-------+-------+-----|
          | 300MHz | 66MHz  |    4.5x    | 1 & 2 | 1 & 2 | 1 & 2 | 1 & |
          |        |        |            |       |       |       | 2,  |
          |        |        |            |       |       |       | 5 & |
          |        |        |            |       |       |       |  6  |
          |--------+--------+------------+-------+-------+-------+-----|
          | 333MHz | 66MHz  |     5x     | 1 & 2 | 1 & 2 | 1 & 2 | 1 & |
          |        |        |            |       |       |       | 2,  |
          |        |        |            |       |       |       | 3 & |
          |        |        |            |       |       |       |  4  |
          |--------+--------+------------+-------+-------+-------+-----|
          | 366MHz | 66MHz  |    5.5x    | 1 & 2 | 1 & 2 | 1 & 2 | 1 & |
          |        |        |            |       |       |       |  2  |
          |--------+--------+------------+-------+-------+-------+-----|
          | 400MHz | 66MHz  |     6x     | 1 & 2 | 1 & 2 | 1 & 2 | 3 & |
          |        |        |            |       |       |       | 4,  |
          |        |        |            |       |       |       | 5 & |
          |        |        |            |       |       |       | 6,  |
          |        |        |            |       |       |       | 7 & |
          |        |        |            |       |       |       |  8  |
          |------------------------------------------------------------|
          | Note: Pins designated should be in the closed position.    |
          +------------------------------------------------------------+