URI: 
  TEXT View Source
       
       # TEKRAM TECHNOLOGY CO., LTD.
       
          P6B40D-A5
       
          Device Type      Mainboard                                     
          Processor        Pentium II/Celeron                            
          Processor Speed  233/266/300/333/350/366/400/450/500/550MHz    
          Chip Set         Intel 440BX                                   
          Maximum Onboard  1GB (EDO & SDRAM supported)                   
          Memory           
          Cache            0/128/256/512KB (located on the CPU)          
          BIOS             Award                                         
          Dimensions       305mm x 242mm                                 
          I/O Options      32-bit PCI slots (5), floppy drive interface, 
                           green PC connector, IDE interfaces (2),       
                           parallel port, PS/2 mouse port, serial ports  
                           (2), IR connector, USB connectors (2), ATX    
                           power connector, AGP slot, wake on LAN        
                           connector                                     
       
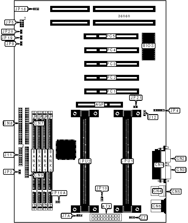
   IMG IMG 1
          
       
          +------------------------------------------------------------+
          |                        CONNECTIONS                         |
          |------------------------------------------------------------|
          | Purpose      |  Location   | Purpose       |   Location    |
          |--------------+-------------+---------------+---------------|
          | AGP slot     |     AGP     | Turbo LED     | J11/pins 3 &  |
          |              |             |               |       5       |
          |--------------+-------------+---------------+---------------|
          | ATX power    |     ATX     | Green PC      | J11/pins 7 &  |
          | connector    |             | connector     |       9       |
          |--------------+-------------+---------------+---------------|
          | Parallel     |     CN1     | Speaker       |   J11/pins    |
          | port         |             |               |  14/16/18/20  |
          |--------------+-------------+---------------+---------------|
          | Serial port  |     CN2     | Reset switch  | J11/pins 17 & |
          | 2            |             |               |      19       |
          |--------------+-------------+---------------+---------------|
          | Serial port  |     CN3     | Wake on LAN   |      J12      |
          | 1            |             | connector     |               |
          |--------------+-------------+---------------+---------------|
          | USB          |     CN4     | IDE interface |      JP2      |
          | connector 1  |             | LED           |               |
          |--------------+-------------+---------------+---------------|
          | USB          |     CN5     | IR connector  |      JP4      |
          | connector 2  |             |               |               |
          |--------------+-------------+---------------+---------------|
          | PS/2 mouse   |     CN6     | Soft off      |      JP9      |
          | port         |             | power supply  |               |
          |--------------+-------------+---------------+---------------|
          | Floppy drive |     CN7     | Temperature   |     JP10      |
          | interface    |             | sensor        |               |
          |--------------+-------------+---------------+---------------|
          | IDE          |     CN8     | Temperature   |     JP10A     |
          | interface 2  |             | sensor        |               |
          |--------------+-------------+---------------+---------------|
          | IDE          |     CN9     | Chassis fan   |     JP18      |
          | interface 1  |             | power         |               |
          |--------------+-------------+---------------+---------------|
          | Chassis fan  |     J7      | Chassis       |     JP20      |
          | power        |             | intrusion     |               |
          |--------------+-------------+---------------+---------------|
          | Chassis fan  |     J7A     | 32-bit PCI    |   PC1 - PC5   |
          | power        |             | slots         |               |
          |--------------+-------------+---------------+---------------|
          | Power LED &  |  J11/pins   |               |               |
          | keylock      | 2/4/6/8/10  |               |               |
          +------------------------------------------------------------+
       
          +------------------------------------------------------------+
          |                 USER CONFIGURABLE SETTINGS                 |
          |------------------------------------------------------------|
          |              Function               |  Label  |  Position  |
          |-------------------------------------+---------+------------|
          |   | Power state function enabled    |  JP19   |   Closed   |
          |---+---------------------------------+---------+------------|
          |   | Power state function disabled   |  JP19   |    Open    |
          +------------------------------------------------------------+
       
          +------------------------------------------------------------+
          |                     DIMM CONFIGURATION                     |
          |------------------------------------------------------------|
          | Size  |   Bank 0    |   Bank 1   |   Bank 2   |   Bank 3   |
          |-------+-------------+------------+------------+------------|
          |  8MB  | (1) 1M x 64 |    None    |    None    |    None    |
          |-------+-------------+------------+------------+------------|
          | 16MB  | (1) 2M x 64 |    None    |    None    |    None    |
          |-------+-------------+------------+------------+------------|
          | 16MB  | (1) 1M x 64 |  (1) 1M x  |    None    |    None    |
          |       |             |     64     |            |            |
          |-------+-------------+------------+------------+------------|
          | 24MB  | (1) 2M x 64 |  (1) 1M x  |    None    |    None    |
          |       |             |     64     |            |            |
          |-------+-------------+------------+------------+------------|
          | 24MB  | (1) 1M x 64 |  (1) 1M x  |  (1) 1M x  |    None    |
          |       |             |     64     |     64     |            |
          |-------+-------------+------------+------------+------------|
          | 32MB  | (1) 4M x 64 |    None    |    None    |    None    |
          |-------+-------------+------------+------------+------------|
          | 32MB  | (1) 2M x 64 |  (1) 2M x  |    None    |    None    |
          |       |             |     64     |            |            |
          |-------+-------------+------------+------------+------------|
          | 32MB  | (1) 1M x 64 |  (1) 1M x  |  (1) 1M x  |  (1) 1M x  |
          |       |             |     64     |     64     |     64     |
          |-------+-------------+------------+------------+------------|
          | 40MB  | (1) 4M x 64 |  (1) 1M x  |    None    |    None    |
          |       |             |     64     |            |            |
          |-------+-------------+------------+------------+------------|
          | 48MB  | (1) 4M x 64 |  (1) 2M x  |    None    |    None    |
          |       |             |     64     |            |            |
          |-------+-------------+------------+------------+------------|
          | 48MB  | (1) 2M x 64 |  (1) 2M x  |  (1) 2M x  |    None    |
          |       |             |     64     |     64     |            |
          |-------+-------------+------------+------------+------------|
          | 64MB  | (1) 2M x 64 |  (1) 2M x  |  (1) 2M x  |  (1) 2M x  |
          |       |             |     64     |     64     |     64     |
          |-------+-------------+------------+------------+------------|
          | 64MB  | (1) 8M x 64 |    None    |    None    |    None    |
          |-------+-------------+------------+------------+------------|
          | 64MB  | (1) 4M x 64 |  (1) 4M x  |    None    |    None    |
          |       |             |     64     |            |            |
          |-------+-------------+------------+------------+------------|
          | 72MB  | (1) 8M x 64 |  (1) 1M x  |    None    |    None    |
          |       |             |     64     |            |            |
          |-------+-------------+------------+------------+------------|
          | 80MB  | (1) 8M x 64 |  (1) 2M x  |    None    |    None    |
          |       |             |     64     |            |            |
          |-------+-------------+------------+------------+------------|
          | 96MB  | (1) 8M x 64 |  (1) 4M x  |    None    |    None    |
          |       |             |     64     |            |            |
          |-------+-------------+------------+------------+------------|
          | 96MB  | (1) 4M x 64 |  (1) 4M x  |  (1) 4M x  |    None    |
          |       |             |     64     |     64     |            |
          |-------+-------------+------------+------------+------------|
          | 128MB |  (1) 16M x  |    None    |    None    |    None    |
          |       |     64      |            |            |            |
          |-------+-------------+------------+------------+------------|
          | 128MB | (1) 8M x 64 |  (1) 8M x  |    None    |    None    |
          |       |             |     64     |            |            |
          +------------------------------------------------------------+
       
          +------------------------------------------------------------+
          |                 DIMM CONFIGURATION (CON'T)                 |
          |------------------------------------------------------------|
          |  Size  |   Bank 0   |   Bank 1   |   Bank 2   |   Bank 3   |
          |--------+------------+------------+------------+------------|
          | 128MB  |  (1) 4M x  |  (1) 4M x  |  (1) 4M x  |  (1) 4M x  |
          |        |     64     |     64     |     64     |     64     |
          |--------+------------+------------+------------+------------|
          | 136MB  | (1) 16M x  |  (1) 1M x  |    None    |    None    |
          |        |     64     |     64     |            |            |
          |--------+------------+------------+------------+------------|
          | 144MB  | (1) 16M x  |  (1) 2M x  |    None    |    None    |
          |        |     64     |     64     |            |            |
          |--------+------------+------------+------------+------------|
          | 176MB  | (1) 16M x  |  (1) 2M x  |  (1) 2M x  |  (1) 2M x  |
          |        |     64     |     64     |     64     |     64     |
          |--------+------------+------------+------------+------------|
          | 192MB  | (1) 16M x  |  (1) 8M x  |    None    |    None    |
          |        |     64     |     64     |            |            |
          |--------+------------+------------+------------+------------|
          | 192MB  |  (1) 8M x  |  (1) 8M x  |  (1) 8M x  |    None    |
          |        |     64     |     64     |     64     |            |
          |--------+------------+------------+------------+------------|
          | 256MB  | (1) 32M x  |    None    |    None    |    None    |
          |        |     64     |            |            |            |
          |--------+------------+------------+------------+------------|
          | 256MB  | (1) 16M x  | (1) 16M x  |    None    |    None    |
          |        |     64     |     64     |            |            |
          |--------+------------+------------+------------+------------|
          | 256MB  |  (1) 8M x  |  (1) 8M x  |  (1) 8M x  |  (1) 8M x  |
          |        |     64     |     64     |     64     |     64     |
          |--------+------------+------------+------------+------------|
          | 272MB  | (1) 16M x  | (1) 16M x  |  (1) 1M x  |  (1) 1M x  |
          |        |     64     |     64     |     64     |     64     |
          |--------+------------+------------+------------+------------|
          | 280MB  | (1) 32M x  |  (1) 1M x  |  (1) 1M x  |  (1) 1M x  |
          |        |     64     |     64     |     64     |     64     |
          |--------+------------+------------+------------+------------|
          | 288MB  | (1) 16M x  | (1) 16M x  |  (1) 2M x  |  (1) 2M x  |
          |        |     64     |     64     |     64     |     64     |
          |--------+------------+------------+------------+------------|
          | 320MB  | (1) 16M x  | (1) 16M x  |  (1) 4M x  |  (1) 4M x  |
          |        |     64     |     64     |     64     |     64     |
          |--------+------------+------------+------------+------------|
          | 384MB  | (1) 16M x  | (1) 16M x  | (1) 16M x  |    None    |
          |        |     64     |     64     |     64     |            |
          |--------+------------+------------+------------+------------|
          | 448MB  | (1) 32M x  |  (1) 8M x  |  (1) 8M x  |  (1) 8M x  |
          |        |     64     |     64     |     64     |     64     |
          |--------+------------+------------+------------+------------|
          | 512MB  | (1) 32M x  | (1) 32M x  |    None    |    None    |
          |        |     64     |     64     |            |            |
          |--------+------------+------------+------------+------------|
          | 512MB  | (1) 16M x  | (1) 16M x  | (1) 16M x  | (1) 16M x  |
          |        |     64     |     64     |     64     |     64     |
          |--------+------------+------------+------------+------------|
          | 640MB  | (1) 32M x  | (1) 16M x  | (1) 16M x  | (1) 16M x  |
          |        |     64     |     64     |     64     |     64     |
          |--------+------------+------------+------------+------------|
          | 768MB  | (1) 32M x  | (1) 32M x  | (1) 32M x  |    None    |
          |        |     64     |     64     |     64     |            |
          |--------+------------+------------+------------+------------|
          | 1024MB | (1) 32M x  | (1) 32M x  | (1) 32M x  | (1) 32M x  |
          |        |     64     |     64     |     64     |     64     |
          |------------------------------------------------------------|
          |      Note: Board accepts EDO & SDRAM memory.               |
          +------------------------------------------------------------+
       
          +------------------------------------------------------------+
          |                    CACHE CONFIGURATION                     |
          |------------------------------------------------------------|
          |      Note: 256KB/512KB cache is located on the Pentium II  |
          |      CPU. 128KB cache is located on the Celeron 300A & 333 |
          |      CPU.                                                  |
          +------------------------------------------------------------+
       
          +------------------------------------------------------------+
          |                    CPU SPEED SELECTION                     |
          |------------------------------------------------------------|
          | CPU speed  |  Clock   | Multiplier |     JP5      |  JP21  |
          |            |  speed   |            |              |        |
          |------------+----------+------------+--------------+--------|
          |   233MHz   |  66MHz   |    3.5x    | 1 & 2, 7 & 8 | Closed |
          |------------+----------+------------+--------------+--------|
          |   266MHz   |  66MHz   |     4x     |  1 & 2, 3 &  | Closed |
          |            |          |            |   4, 5 & 6   |        |
          |------------+----------+------------+--------------+--------|
          |   300MHz   |  66MHz   |    4.5x    | 1 & 2, 5 & 6 | Closed |
          |------------+----------+------------+--------------+--------|
          |   333MHz   |  66MHz   |     5x     | 1 & 2, 3 & 4 | Closed |
          |------------+----------+------------+--------------+--------|
          |   366MHz   |  66MHz   |    5.5x    |    1 & 2     | Closed |
          |------------+----------+------------+--------------+--------|
          |   350MHz   |  100MHz  |    3.5x    | 1 & 2, 7 & 8 |  Open  |
          |------------+----------+------------+--------------+--------|
          |   400MHz   |  100MHz  |     4x     |  1 & 2, 3 &  |  Open  |
          |            |          |            |   4, 5 & 6   |        |
          |------------+----------+------------+--------------+--------|
          |   450MHz   |  100MHz  |    4.5x    | 1 & 2, 5 & 6 |  Open  |
          |------------+----------+------------+--------------+--------|
          |   500MHz   |  100MHz  |     5x     | 1 & 2, 3 & 4 |  Open  |
          |------------+----------+------------+--------------+--------|
          |   550MHz   |  100MHz  |    5.5x    |    1 & 2     |  Open  |
          |------------------------------------------------------------|
          | Note: Pins designated should be in the closed position.    |
          +------------------------------------------------------------+