URI: 
  TEXT View Source
       
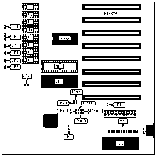
       # UNIDENTIFIED
       
          XT-12
       
          Processor             8088/V-20                                
          Processor Speed       12MHz                                    
          Chip Set              None                                     
          Max. Onboard DRAM     1MB                                      
          Cache                 None                                     
          BIOS                  Unidentified                             
          Dimensions            330mm x 218mm                            
          I/O Options           Floppy drive interface                   
          NPU Options           8087                                     
       
   IMG IMG 1
          
       
          +------------------------------------------------------------+
          |                        CONNECTIONS                         |
          |------------------------------------------------------------|
          | Purpose               | Location | Purpose      | Location |
          |-----------------------+----------+--------------+----------|
          | Floppy drive          |   FP1    | Speaker      |   JP4    |
          | interface             |          |              |          |
          |-----------------------+----------+--------------+----------|
          | Turbo LED             |   JP1    | Turbo switch |   JP5    |
          |-----------------------+----------+--------------+----------|
          | Keylock               |   JP2    | Power LED    |   JP6    |
          |-----------------------+----------+--------------+----------|
          | Reset switch          |   JP3    |              |          |
          +------------------------------------------------------------+
       
          +------------------------------------------------------------+
          |                 USER CONFIGURABLE SETTINGS                 |
          |------------------------------------------------------------|
          |                Function                | Jumper | Position |
          |----------------------------------------+--------+----------|
          | » | Factory configured - do not alter  |  JP7   |   N/A    |
          |---+------------------------------------+--------+----------|
          | » | Factory configured - do not alter  |  JP8   |   N/A    |
          |---+------------------------------------+--------+----------|
          | » | CPU type select Intel 8088         |  JP11  |  Closed  |
          |---+------------------------------------+--------+----------|
          |   | CPU type select NEC V20            |  JP11  |   Open   |
          +------------------------------------------------------------+
       
          +------------------------------------------------------------+
          |                     DRAM CONFIGURATION                     |
          |------------------------------------------------------------|
          |          Size           |             Location             |
          |-------------------------+----------------------------------|
          |          256KB          |   (2) 44256 chips in U4 and U5   |
          |-------------------------+----------------------------------|
          |          512KB          | (4) 44256 chips in U3 through U6 |
          |-------------------------+----------------------------------|
          |          768KB          | (6) 44256 chips in U2 through U7 |
          |-------------------------+----------------------------------|
          |           1MB           | (8) 44256 chips in U1 through U8 |
          +------------------------------------------------------------+
       
          +------------------------------------------------------------+
          |                     BIOS CONFIGURATION                     |
          |------------------------------------------------------------|
          |        Size        |       JP9A        |       JP9B        |
          |--------------------+-------------------+-------------------|
          |       8/16KB       |       Open        |       Open        |
          |--------------------+-------------------+-------------------|
          |        32KB        |      Closed       |       Open        |
          |--------------------+-------------------+-------------------|
          |        64KB        |      Closed       |      Closed       |
          +------------------------------------------------------------+
       
          +------------------------------------------------------------+
          |                FLOPPY DRIVE 0 CONFIGURATION                |
          |------------------------------------------------------------|
          |        Size        |       JP10A       |       JP10B       |
          |--------------------+-------------------+-------------------|
          |    360KB 5.25"     |      Closed       |      Closed       |
          |--------------------+-------------------+-------------------|
          |     720KB 3.5      |       Open        |      Closed       |
          |--------------------+-------------------+-------------------|
          |     1.2MB 5.25     |      Closed       |       Open        |
          |--------------------+-------------------+-------------------|
          |    1.44MB 3.5"     |       Open        |       Open        |
          +------------------------------------------------------------+
       
          +------------------------------------------------------------+
          |                FLOPPY DRIVE 1 CONFIGURATION                |
          |------------------------------------------------------------|
          |        Size        |       JP10C       |       JP10D       |
          |--------------------+-------------------+-------------------|
          |    360KB 5.25"     |      Closed       |      Closed       |
          |--------------------+-------------------+-------------------|
          |     720KB 3.5      |       Open        |      Closed       |
          |--------------------+-------------------+-------------------|
          |     1.2MB 5.25     |      Closed       |       Open        |
          |--------------------+-------------------+-------------------|
          |    1.44MB 3.5"     |       Open        |       Open        |
          +------------------------------------------------------------+