URI: 
  TEXT View Source
       
       # WYSE TECHNOLOGY, INC.
       
          WYSE DECISION 486SE
       
          Processor       80486SX/80487SX/80486DX/ODP486SX/80486DX2      
          Processor Speed 16/20/25/33/50(Internal)/50/66(Internal)       
          Chip Set        OPTI                                           
          Max. Onboard    128MB                                          
          DRAM            
          SRAM Cache      128/256/512KB                                  
          BIOS            Phoenix                                        
          Dimensions      330mm x 218mm                                  
          I/O Options     32-bit local bus slots (2), CPU processor slot 
          NPU Options     4167                                           
       
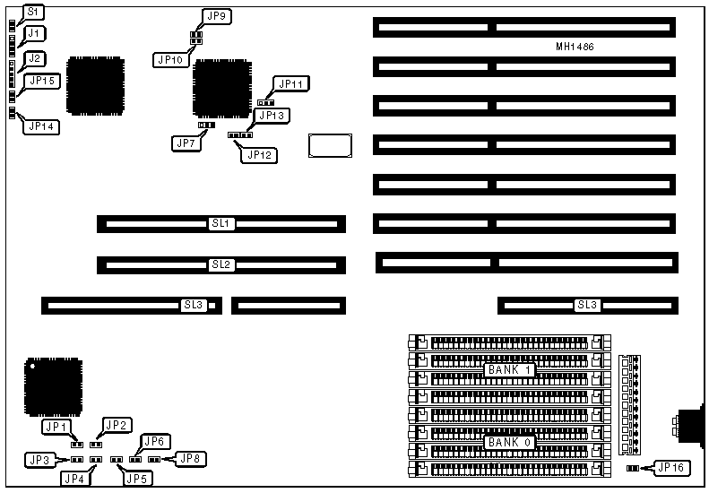
   IMG IMG 1
          
       
          +------------------------------------------------------------+
          |                        CONNECTIONS                         |
          |------------------------------------------------------------|
          | Purpose      | Location | Purpose               | Location |
          |--------------+----------+-----------------------+----------|
          | Speaker      |    J1    | 32-bit local bus slot |   SL1    |
          |--------------+----------+-----------------------+----------|
          | Power LED &  |    J2    | 32-bit local bus slot |   SL2    |
          | keylock      |          |                       |          |
          |--------------+----------+-----------------------+----------|
          | Reset switch |    S1    | CPU processor slot    |   SL3    |
          +------------------------------------------------------------+
       
          +------------------------------------------------------------+
          |          USER CONFIGURABLE SETTINGS SYSTEM BOARD           |
          |------------------------------------------------------------|
          |               Function               | Jumper |  Position  |
          |--------------------------------------+--------+------------|
          | » | Factory configured - do not      |  JP1   |   closed   |
          |   | alter                            |        |            |
          |---+----------------------------------+--------+------------|
          | » | Factory configured - do not      |  JP2   |   closed   |
          |   | alter                            |        |            |
          |---+----------------------------------+--------+------------|
          | » | Factory configured - do not      |  JP3   |   closed   |
          |   | alter                            |        |            |
          |---+----------------------------------+--------+------------|
          | » | Factory configured - do not      |  JP4   |   closed   |
          |   | alter                            |        |            |
          |---+----------------------------------+--------+------------|
          | » | Factory configured - do not      |  JP5   |   closed   |
          |   | alter                            |        |            |
          |---+----------------------------------+--------+------------|
          | » | Factory configured - do not      |  JP6   |   closed   |
          |   | alter                            |        |            |
          |---+----------------------------------+--------+------------|
          | » | Factory configured - do not      |  JP7   | pins 2 & 3 |
          |   | alter                            |        |   closed   |
          |---+----------------------------------+--------+------------|
          | » | Monitor type select color        |  JP8   |   closed   |
          |---+----------------------------------+--------+------------|
          |   | Monitor type select monochrome   |  JP8   |    open    |
          |---+----------------------------------+--------+------------|
          | » | Factory configured - do not      |  JP12  |   closed   |
          |   | alter                            |        |            |
          |---+----------------------------------+--------+------------|
          | » | Factory configured - do not      |  JP13  |   closed   |
          |   | alter                            |        |            |
          |---+----------------------------------+--------+------------|
          | » | Factory configured - do not      |  JP14  |   closed   |
          |   | alter                            |        |            |
          |---+----------------------------------+--------+------------|
          | » | Factory configured - do not      |  JP15  |    open    |
          |   | alter                            |        |            |
          |---+----------------------------------+--------+------------|
          | » | Factory configured - do not      |  JP16  |   closed   |
          |   | alter                            |        |            |
          +------------------------------------------------------------+
       
          +------------------------------------------------------------+
          |                     DRAM CONFIGURATION                     |
          |------------------------------------------------------------|
          |       Size       |       Bank 0       |       Bank 1       |
          |------------------+--------------------+--------------------|
          |       4MB        |     (4) 1M x 9     |        NONE        |
          |------------------+--------------------+--------------------|
          |       8MB        |     (4) 1M x 9     |     (4) 1M x 9     |
          |------------------+--------------------+--------------------|
          |       16MB       |     (4) 4M x 9     |        NONE        |
          |------------------+--------------------+--------------------|
          |       20MB       |     (4) 1M x 9     |     (4) 4M x 9     |
          |------------------+--------------------+--------------------|
          |       32MB       |     (4) 4M x 9     |     (4) 4M x 9     |
          |------------------+--------------------+--------------------|
          |       64MB       |    (4) 16M x 9     |        NONE        |
          |------------------+--------------------+--------------------|
          |      128MB       |    (4) 16M x 9     |    (4) 16M x 9     |
          +------------------------------------------------------------+
       
          +------------------------------------------------------------+
          |                  BUS CLOCK CONFIGURATION                   |
          |------------------------------------------------------------|
          |         Speed         |   JP9   | JP10 |       JP11        |
          |-----------------------+---------+------+-------------------|
          | » |      £ 25MHz      |  Open   | Open | pins 2 & 3 closed |
          |---+-------------------+---------+------+-------------------|
          |   |      ³ 33MHz      | Closed  | Open | pins 1 & 2 closed |
          |---+-------------------+---------+------+-------------------|
          | » | 16MHz synchronous |  Open   | Open | pins 2 & 3 closed |
          |---+-------------------+---------+------+-------------------|
          | » | 20MHz synchronous |  Open   | Open | pins 2 & 3 closed |
          |---+-------------------+---------+------+-------------------|
          |   | 25MHz synchronous | Closed  | Open | pins 1 & 2 closed |
          |---+-------------------+---------+------+-------------------|
          |   | 50MHz synchronous | Closed  | Open | pins 1 & 2 closed |
          +------------------------------------------------------------+
       
   IMG IMG 2
          
       
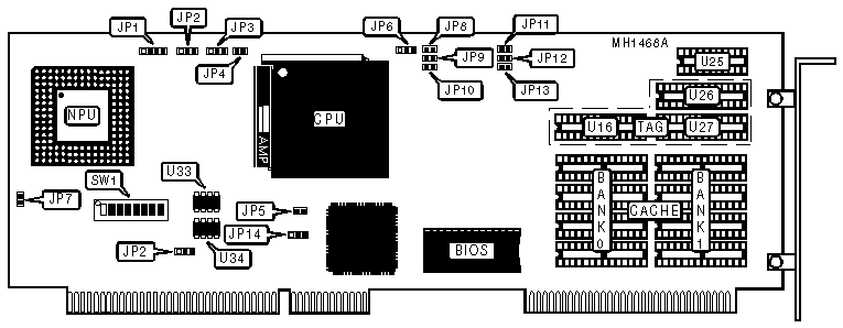
          +------------------------------------------------------------+
          |            USER CONFIGURABLE SETTINGS CPU BOARD            |
          |------------------------------------------------------------|
          |              Function              | Jumper  |  Position   |
          |------------------------------------+---------+-------------|
          | »   | Factory configured - do not  |   JP4   |    open     |
          |     | alter                        |         |             |
          |-----+------------------------------+---------+-------------|
          | »   | Factory configured - do not  |   JP5   |   closed    |
          |     | alter                        |         |             |
          |-----+------------------------------+---------+-------------|
          | »   | Clock generator/oscillator   |  JP14   | pins 1 & 2  |
          |     | enabled                      |         |   closed    |
          |-----+------------------------------+---------+-------------|
          |     | Clock generator/oscillator   |  JP14   | pins 2 & 3  |
          |     | disabled                     |         |   closed    |
          |------------------------------------------------------------|
          | Note: Clock generator is installed in U34 on board X770171 |
          | and in U33 on board Y77071.                                |
          +------------------------------------------------------------+
       
          +------------------------------------------------------------+
          |                 SRAM JUMPER CONFIGURATION                  |
          |------------------------------------------------------------|
          |Size |    JP6     | JP8  | JP9  | JP10 | JP11 | JP12 | JP13 |
          |-----+------------+------+------+------+------+------+------|
          |128KB| pins 1 & 2 |closed| open | open |closed| open | open |
          |     |   closed   |      |      |      |      |      |      |
          |-----+------------+------+------+------+------+------+------|
          |256KB| pins 2 & 3 |closed|closed| open |closed|closed| open |
          |     |   closed   |      |      |      |      |      |      |
          |-----+------------+------+------+------+------+------+------|
          |512KB| pins 1 & 2 |closed|closed|closed|closed|closed|closed|
          |     |   closed   |      |      |      |      |      |      |
          +------------------------------------------------------------+
       
          +------------------------------------------------------------+
          |                     SRAM CONFIGURATION                     |
          |------------------------------------------------------------|
          |Size | Cache |Location |TAG/U26 |TAG/U27 |TAG/U16|  Dirty   |
          |     |       |         |        |        |       | Bit/U25  |
          |-----+-------+---------+--------+--------+-------+----------|
          |64KB |(8) 8K |Banks 0 &|  NONE  |  NONE  |(1) 16K|(1) 64K x |
          |     |  x 8  |    1    |        |        |  x 1  |    1     |
          |-----+-------+---------+--------+--------+-------+----------|
          |128KB|(4) 32K| Bank 0  |  NONE  |(1) 8K x|(1) 16K|(1) 64K x |
          |     |  x 8  |         |        |   8    |  x 1  |    1     |
          |-----+-------+---------+--------+--------+-------+----------|
          |256KB|(8) 32K|Banks 0 &|(1) 8K x|(1) 8K x|(1) 16K|(1) 64K x |
          |     |  x 8  |    1    |   8    |   8    |  x 1  |    1     |
          |-----+-------+---------+--------+--------+-------+----------|
          |512KB|  (8)  | Bank 0  |  NONE  |(1) 32K |(1) 64K|(1) 64K x |
          |     |128K x |         |        |  x 8   |  x 1  |    1     |
          |     |   8   |         |        |        |       |          |
          |------------------------------------------------------------|
          |Note: For Tag Ram U16 may be occupied with 64K x 1 chips.   |
          +------------------------------------------------------------+
       
          +------------------------------------------------------------+
          |                  CPU SPEED CONFIGURATION                   |
          |------------------------------------------------------------|
          |     Type     |   CPU   |   JP1    |  JP2  |  JP3  |  JP7   |
          |              |  Speed  |          |       |       |        |
          |--------------+---------+----------+-------+-------+--------|
          |   80486SX    |  16MHz  | pins 2 & | pins  | open  |  open  |
          |              |         |    3     | 2 & 3 |       |        |
          |--------------+---------+----------+-------+-------+--------|
          |   80487SX    |  16MHz  |  closed  | pins  | pins  |  open  |
          |              |         |          | 2 & 3 | 1 & 2 |        |
          |--------------+---------+----------+-------+-------+--------|
          |   80486SX    |  20MHz  | pins 2 & | pins  | open  |  open  |
          |              |         |    3     | 2 & 3 |       |        |
          |--------------+---------+----------+-------+-------+--------|
          |   80487SX    |  20MHz  |  closed  | pins  | pins  |  open  |
          |              |         |          | 2 & 3 | 1 & 2 |        |
          |--------------+---------+----------+-------+-------+--------|
          |   80486SX    |  25MHz  | pins 2 & | pins  | open  | closed |
          |              |         |    3     | 2 & 3 |       |        |
          |--------------+---------+----------+-------+-------+--------|
          |   80486SX    |  33MHz  | pins 2 & | pins  | open  | closed |
          |              |         |    3     | 2 & 3 |       |        |
          |--------------+---------+----------+-------+-------+--------|
          |   80486DX    |  25MHz  |  closed  | pins  | pins  | closed |
          |              |         |          | 2 & 3 | 2 & 3 |        |
          |--------------+---------+----------+-------+-------+--------|
          |   80486DX    |  33MHz  |  closed  | pins  | pins  | closed |
          |              |         |          | 2 & 3 | 2 & 3 |        |
          |--------------+---------+----------+-------+-------+--------|
          | 80486DX2/50i |  25MHz  |  closed  | pins  | pins  | closed |
          |              |         |          | 2 & 3 | 2 & 3 |        |
          |--------------+---------+----------+-------+-------+--------|
          | 80486DX2/66i |  33MHz  |  closed  | pins  | pins  | closed |
          |              |         |          | 2 & 3 | 2 & 3 |        |
          |------------------------------------------------------------|
          | Note: Pins designated should be in the closed position.    |
          +------------------------------------------------------------+
       
          +---------------------------------------------------------------+
          |         CPU TYPE CONFIGURATION SWITCH 1 BOARD X77017          |
          |---------------------------------------------------------------|
          |     Type      |SW1/1|SW1/2|SW1/3|SW1/4|SW1/5|SW1/6|SW1/7|SW1/8|
          |---------------+-----+-----+-----+-----+-----+-----+-----+-----|
          | 80486SX/16MHz | off | on  | off | on  | on  | off | on  | off |
          |---------------+-----+-----+-----+-----+-----+-----+-----+-----|
          | 80487SX/16MHz | off | on  | off | on  | on  | off | on  | off |
          |---------------+-----+-----+-----+-----+-----+-----+-----+-----|
          | 80486SX/20MHz | off | off | off | on  | on  | off | on  | off |
          |---------------+-----+-----+-----+-----+-----+-----+-----+-----|
          | 80487SX/20MHz | off | off | off | on  | on  | off | on  | off |
          |---------------+-----+-----+-----+-----+-----+-----+-----+-----|
          | 80486SX/25MHz | off | on  | on  | off | on  | off | on  | off |
          |---------------+-----+-----+-----+-----+-----+-----+-----+-----|
          | 80486SX/33MHz | off | on  | on  | off | on  | off | on  | off |
          |---------------+-----+-----+-----+-----+-----+-----+-----+-----|
          | 80486DX/25MHz | off | on  | on  | off | on  | off | on  | off |
          |---------------+-----+-----+-----+-----+-----+-----+-----+-----|
          | 80486DX/33MHz | off | on  | on  | off | on  | off | on  | off |
          |---------------+-----+-----+-----+-----+-----+-----+-----+-----|
          |80486DX2/50iMHz| off | on  | on  | off | on  | off | on  | off |
          |---------------+-----+-----+-----+-----+-----+-----+-----+-----|
          |80486DX2/66iMHz| off | off | on  | off | on  | off | on  | off |
          +---------------------------------------------------------------+
       
          +---------------------------------------------------------------+
          |         CPU TYPE CONFIGURATION SWITCH 1 BOARD Y77017          |
          |---------------------------------------------------------------|
          |     Type      |SW1/1|SW1/2|SW1/3|SW1/4|SW1/5|SW1/6|SW1/7|SW1/8|
          |---------------+-----+-----+-----+-----+-----+-----+-----+-----|
          | 80486SX/16MHz | on  | off | off | on  | on  | off | on  | off |
          |---------------+-----+-----+-----+-----+-----+-----+-----+-----|
          | 80487SX/16MHz | on  | off | off | on  | on  | off | on  | off |
          |---------------+-----+-----+-----+-----+-----+-----+-----+-----|
          | 80486SX/20MHz | off | off | on  | on  | on  | off | off | off |
          |---------------+-----+-----+-----+-----+-----+-----+-----+-----|
          | 80487SX/20MHz | off | off | on  | on  | on  | off | off | off |
          |---------------+-----+-----+-----+-----+-----+-----+-----+-----|
          | 80486SX/25MHz | off | off | on  | on  | on  | off | on  | off |
          |---------------+-----+-----+-----+-----+-----+-----+-----+-----|
          | 80486SX/33MHz | off | on  | on  | on  | on  | off | on  | off |
          |---------------+-----+-----+-----+-----+-----+-----+-----+-----|
          | 80486DX/25MHz | on  | off | on  | on  | on  | off | on  | off |
          |---------------+-----+-----+-----+-----+-----+-----+-----+-----|
          | 80486DX/33MHz | off | on  | on  | on  | on  | off | on  | off |
          |---------------+-----+-----+-----+-----+-----+-----+-----+-----|
          |80486DX2/50iMHz| on  | on  | on  | on  | on  | off | on  | off |
          |---------------+-----+-----+-----+-----+-----+-----+-----+-----|
          |80486DX2/66iMHz| off | off | on  | on  | on  | off | on  | off |
          +---------------------------------------------------------------+