URI: 
  TEXT View Source
       
       # UNIDENTIFIED
       
          80386 SX
       
          Processor              80386SX                                 
          Processor Speed        16/20MHz                                
          Chip Set               Unidentified                            
          Video Chip Set         None                                    
          Maximum Onboard Memory 4MB                                     
          Maximum Video Memory   None                                    
          Cache                  None                                    
          BIOS                   AMI                                     
          Dimensions             330mm x 217mm                           
          I/O Options            None                                    
          NPU Options            80387SX                                 
       
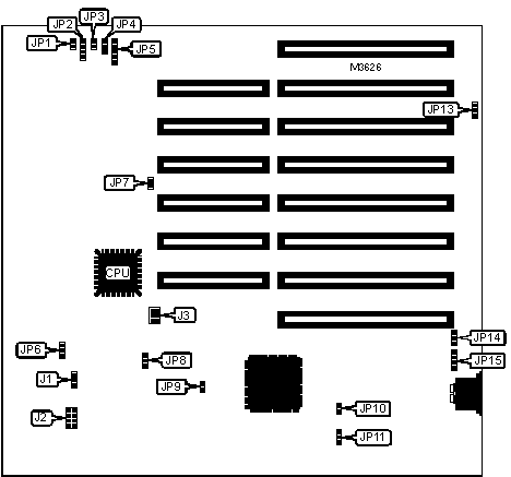
   IMG IMG 1
          
       
          +------------------------------------------------------------+
          |                        CONNECTIONS                         |
          |------------------------------------------------------------|
          | Purpose        | Location | Purpose             | Location |
          |----------------+----------+---------------------+----------|
          | Turbo LED      |   JP1    | Turbo switch        |   JP4    |
          |----------------+----------+---------------------+----------|
          | Speaker        |   JP2    | Power LED & keylock |   JP5    |
          |----------------+----------+---------------------+----------|
          | Reset switch   |   JP3    | External battery    |   JP15   |
          |------------------------------------------------------------|
          | Note: JP4 may be a 2-pin jumper.                           |
          +------------------------------------------------------------+
       
          +------------------------------------------------------------+
          |                 USER CONFIGURABLE SETTINGS                 |
          |------------------------------------------------------------|
          |               Function                | Label |  Position  |
          |---------------------------------------+-------+------------|
          |   | ROM wait state select 2 wait      |  J1   | Pins 2 & 3 |
          |   | states (16MHz CPU)                |       |   closed   |
          |---+-----------------------------------+-------+------------|
          |   | ROM wait state select 3 wait      |  J1   | Pins 1 & 2 |
          |   | states (20MHz CPU)                |       |   closed   |
          |---+-----------------------------------+-------+------------|
          |   | Turbo enabled                     |  JP4  | Pins 2 & 3 |
          |   |                                   |       |   closed   |
          |---+-----------------------------------+-------+------------|
          |   | Turbo disabled                    |  JP4  | Pins 1 & 2 |
          |   |                                   |       |   closed   |
          |---+-----------------------------------+-------+------------|
          |   | NPU not installed                 |  JP6  | Pins 2 & 3 |
          |   |                                   |       |   closed   |
          |---+-----------------------------------+-------+------------|
          |   | NPU installed                     |  JP6  | Pins 1 & 2 |
          |   |                                   |       |   closed   |
          |---+-----------------------------------+-------+------------|
          |   | Parity disabled                   |  JP7  |    Open    |
          |---+-----------------------------------+-------+------------|
          |   | Parity enabled                    |  JP7  |   Closed   |
          |---+-----------------------------------+-------+------------|
          |   | RAM wait state select 0 wait      |  JP8  | Pins 1 & 2 |
          |   | states (only if JP9 is open)      |       |   closed   |
          |---+-----------------------------------+-------+------------|
          |   | RAM wait state select 1 wait      |  JP8  | Pins 2 & 3 |
          |   | state (only if JP9 is open)       |       |   closed   |
          |---+-----------------------------------+-------+------------|
          |   | JP8 enabled                       |  JP9  |    Open    |
          |---+-----------------------------------+-------+------------|
          |   | 8042 keyboard controller pin 29   |  JP9  |   Closed   |
          |---+-----------------------------------+-------+------------|
          | ยป | Factory configured - do not alter | JP10  |    Open    |
          |   | (for AMI BIOS & 8042)             |       |            |
          |---+-----------------------------------+-------+------------|
          |   | Monitor type select color         | JP11  | Pins 2 & 3 |
          |   |                                   |       |   closed   |
          |---+-----------------------------------+-------+------------|
          |   | Monitor type select monochrome    | JP11  | Pins 1 & 2 |
          |   |                                   |       |   closed   |
          |---+-----------------------------------+-------+------------|
          |   | Power good signal detect from     | JP13  | Pins 2 & 3 |
          |   | power supply                      |       |   closed   |
          |---+-----------------------------------+-------+------------|
          |   | Power good signal detect from     | JP13  | Pins 1 & 2 |
          |   | board                             |       |   closed   |
          |---+-----------------------------------+-------+------------|
          |   | 12v battery charge disabled       | JP14  | Pins 1 & 2 |
          |   |                                   |       |   closed   |
          |---+-----------------------------------+-------+------------|
          |   | 12v battery charge enabled        | JP14  | Pins 2 & 3 |
          |   |                                   |       |   closed   |
          +------------------------------------------------------------+
       
          +------------------------------------------------------------+
          |                     DRAM CONFIGURATION                     |
          |------------------------------------------------------------|
          |       Size       |       Bank 0       |       Bank 1       |
          |------------------+--------------------+--------------------|
          |      512KB       |     (18) 41256     |        None        |
          |------------------+--------------------+--------------------|
          |      640KB       |     (18) 41256     |     (18) 4164      |
          |------------------+--------------------+--------------------|
          |       1MB        |     (18) 41256     |     (18) 41256     |
          |------------------+--------------------+--------------------|
          |       2MB        |    (18) 411000     |        None        |
          |------------------+--------------------+--------------------|
          |       4MB        |    (18) 411000     |    (18) 411000     |
          +------------------------------------------------------------+
       
          +------------------------------------------------------------+
          |                 DRAM JUMPER CONFIGURATION                  |
          |------------------------------------------------------------|
          |            Size            |              J3               |
          |----------------------------+-------------------------------|
          |           512KB            |   Pins 1 & 2, 3 & 4 closed    |
          |----------------------------+-------------------------------|
          |           640KB            |   Pins 2 & 4, 3 & 5 closed    |
          |----------------------------+-------------------------------|
          |            1MB             |   Pins 3 & 5, 4 & 6 closed    |
          |----------------------------+-------------------------------|
          |            2MB             |   Pins 1 & 3, 4 & 6 closed    |
          |----------------------------+-------------------------------|
          |            4MB             |   Pins 1 & 3, 4 & 6 closed    |
          +------------------------------------------------------------+
       
          +------------------------------------------------------------+
          |                    CPU SPEED SELECTION                     |
          |------------------------------------------------------------|
          |           Speed            |              J2               |
          |----------------------------+-------------------------------|
          |           16MHz            |   Pins 3 & 4, 7 & 8 closed    |
          |----------------------------+-------------------------------|
          |           20MHz            |   Pins 3 & 4, 5 & 6 closed    |
          +------------------------------------------------------------+