URI: 
  TEXT View Source
       
       # ZIDA TECHNOLOGIES INC.
       
          TX98 (VER. 1.01)
       
          Device Type     Mainboard                                      
          Processor       CX 6X86L/IBM 6X86L/CX 6X86MX/IBM 6X86MX/IDT    
                          C6/AM K5/                                      
                                                                         
                          AM K6/Pentium/Pentium MMX                      
          Processor Speed 100/120/133/150/166/200/225/233/266/300/333MHz 
          Chip Set        VIA VPX                                        
          Video Chip Set  None                                           
          Maximum Onboard 256MB (EDO & SDRAM supported)                  
          Memory          
          Maximum Video   None                                           
          Memory          
          Cache           256/512KB                                      
          BIOS            AMI                                            
          Dimensions      220mm x 200mm                                  
          I/O Options     32-bit PCI slots (4), floppy drive interface,  
                          green PC connector, IDE interfaces (2),        
                          parallel port, PS/2 mouse interface, serial    
                          ports (2), IR connector, USB connectors (2),   
                          ATX power connector, TB-link connector, wake   
                          on LAN connector, TA-link connector            
          NPU Options     None                                           
       
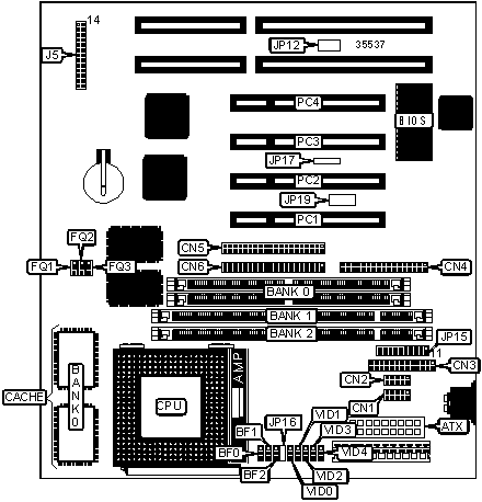
   IMG IMG 1
          
       
          +------------------------------------------------------------+
          |                        CONNECTIONS                         |
          |------------------------------------------------------------|
          | Purpose          | Location  | Purpose       |  Location   |
          |------------------+-----------+---------------+-------------|
          | ATX power        |    ATX    | Speaker       | J5/pins 10  |
          | connector        |           |               |    - 13     |
          |------------------+-----------+---------------+-------------|
          | Serial port 1    |    CN1    | IDE interface | J5/pins 14  |
          |                  |           | LED           |    & 15     |
          |------------------+-----------+---------------+-------------|
          | Serial port 2    |    CN2    | TB-link       |    JP12     |
          |                  |           | connector     |             |
          |------------------+-----------+---------------+-------------|
          | Parallel port    |    CN3    | USB connector | JP15/pins 1 |
          |                  |           | 1             |     - 5     |
          |------------------+-----------+---------------+-------------|
          | Floppy drive     |    CN4    | PS/2 mouse    | JP15/pins 6 |
          | interface        |           | interface     |    - 10     |
          |------------------+-----------+---------------+-------------|
          | IDE interface 1  |    CN5    | USB connector |  JP15/pins  |
          |                  |           | 2             |   11 - 15   |
          |------------------+-----------+---------------+-------------|
          | IDE interface 2  |    CN6    | IR connector  |  JP15/pins  |
          |                  |           |               |   16 - 20   |
          |------------------+-----------+---------------+-------------|
          | Audio in -       |    J6     | Wake on LAN   |    JP17     |
          | CD-ROM           |           | connector     |             |
          |------------------+-----------+---------------+-------------|
          | Audio in -       |    J7     | Audio         |    JP18     |
          | CD-ROM           |           | connector     |             |
          |------------------+-----------+---------------+-------------|
          | Power LED &      | J5/pins 1 | TA-link       |    JP19     |
          | keylock          |    - 5    | connector     |             |
          |------------------+-----------+---------------+-------------|
          | Green PC         | J5/pins 7 | 32-bit PCI    |  PC1 - PC4  |
          | connector        |    & 8    | slots         |             |
          +------------------------------------------------------------+
       
          +------------------------------------------------------------+
          |                 USER CONFIGURABLE SETTINGS                 |
          |------------------------------------------------------------|
          |          Function           |  Label   |     Position      |
          |-----------------------------+----------+-------------------|
          |   | Auto jumper enabled     |   JP16   | Pins 1 & 2 closed |
          |---+-------------------------+----------+-------------------|
          |   | Auto jumper disabled    |   JP16   | Pins 2 & 3 closed |
          +------------------------------------------------------------+
       
          +------------------------------------------------------------+
          |                     SIMM CONFIGURATION                     |
          |------------------------------------------------------------|
          |            Size            |            Bank 0             |
          |----------------------------+-------------------------------|
          |            8MB             |          (2) 1M x 36          |
          |----------------------------+-------------------------------|
          |            16MB            |          (2) 2M x 36          |
          |----------------------------+-------------------------------|
          |            32MB            |          (2) 4M x 36          |
          |----------------------------+-------------------------------|
          |            64MB            |          (2) 8M x 36          |
          |----------------------------+-------------------------------|
          |           128MB            |         (2) 16M x 36          |
          |------------------------------------------------------------|
          |      Note: Board accepts EDO memory.                       |
          +------------------------------------------------------------+
       
          +------------------------------------------------------------+
          |                     DIMM CONFIGURATION                     |
          |------------------------------------------------------------|
          |       Size       |       Bank 1       |       Bank 2       |
          |------------------+--------------------+--------------------|
          |       8MB        |    (1) 1M x 64     |        None        |
          |------------------+--------------------+--------------------|
          |       16MB       |    (1) 2M x 64     |        None        |
          |------------------+--------------------+--------------------|
          |       16MB       |    (1) 1M x 64     |    (1) 1M x 64     |
          |------------------+--------------------+--------------------|
          |       24MB       |    (1) 2M x 64     |    (1) 1M x 64     |
          |------------------+--------------------+--------------------|
          |       32MB       |    (1) 4M x 64     |        None        |
          |------------------+--------------------+--------------------|
          |       32MB       |    (1) 2M x 64     |    (1) 2M x 64     |
          |------------------+--------------------+--------------------|
          |       40MB       |    (1) 4M x 64     |    (1) 1M x 64     |
          |------------------+--------------------+--------------------|
          |       48MB       |    (1) 4M x 64     |    (1) 2M x 64     |
          |------------------+--------------------+--------------------|
          |       64MB       |    (1) 8M x 64     |        None        |
          +------------------------------------------------------------+
       
          +------------------------------------------------------------+
          |                 DIMM CONFIGURATION (CON'T)                 |
          |------------------------------------------------------------|
          |       Size       |       Bank 0       |       Bank 1       |
          |------------------+--------------------+--------------------|
          |       64MB       |    (1) 4M x 64     |    (1) 4M x 64     |
          |------------------+--------------------+--------------------|
          |       72MB       |    (1) 8M x 64     |    (1) 1M x 64     |
          |------------------+--------------------+--------------------|
          |       80MB       |    (1) 8M x 64     |    (1) 2M x 64     |
          |------------------+--------------------+--------------------|
          |       96MB       |    (1) 8M x 64     |    (1) 4M x 64     |
          |------------------+--------------------+--------------------|
          |      128MB       |    (1) 16M x 64    |        None        |
          |------------------+--------------------+--------------------|
          |      128MB       |    (1) 8M x 64     |    (1) 8M x 64     |
          |------------------+--------------------+--------------------|
          |      136MB       |    (1) 16M x 64    |    (1) 1M x 64     |
          |------------------+--------------------+--------------------|
          |      144MB       |    (1) 16M x 64    |    (1) 2M x 64     |
          |------------------+--------------------+--------------------|
          |      160MB       |    (1) 16M x 64    |    (1) 4M x 64     |
          |------------------+--------------------+--------------------|
          |      192MB       |    (1) 16M x 64    |    (1) 8M x 64     |
          |------------------+--------------------+--------------------|
          |      256MB       |    (1) 16M x 64    |    (1) 16M x 64    |
          |------------------------------------------------------------|
          |      Note: Board accepts SDRAM memory.                     |
          +------------------------------------------------------------+
       
          +------------------------------------------------------------+
          |                    CACHE CONFIGURATION                     |
          |------------------------------------------------------------|
          |            Size            |            Bank 0             |
          |----------------------------+-------------------------------|
          |           256KB            |         (2) 32K x 32          |
          |----------------------------+-------------------------------|
          |           512KB            |         (2) 64K x 32          |
          +------------------------------------------------------------+
       
          +------------------------------------------------------------+
          |               CPU SPEED SELECTION (CX 6X86L)               |
          |------------------------------------------------------------|
          |  CPU  |Clock speed|Multiplier| BF0 | BF1 | BF2 |FQ1|FQ2|FQ3|
          | speed |           |          |     |     |     |   |   |   |
          |-------+-----------+----------+-----+-----+-----+---+---+---|
          |150MHz |   60MHz   |    2x    |2 & 3|1 & 2|1 & 2|2 &|1 &|1 &|
          |       |           |          |     |     |     | 3 | 2 | 2 |
          |-------+-----------+----------+-----+-----+-----+---+---+---|
          |166MHz |   66MHz   |    2x    |2 & 3|1 & 2|1 & 2|1 &|1 &|1 &|
          |       |           |          |     |     |     | 2 | 2 | 2 |
          |------------------------------------------------------------|
          |Note: Pins designated should be in the closed position.     |
          +------------------------------------------------------------+
       
          +------------------------------------------------------------+
          |              CPU SPEED SELECTION (IBM 6X86L)               |
          |------------------------------------------------------------|
          |  CPU  |Clock speed|Multiplier| BF0 | BF1 | BF2 |FQ1|FQ2|FQ3|
          | speed |           |          |     |     |     |   |   |   |
          |-------+-----------+----------+-----+-----+-----+---+---+---|
          |150MHz |   60MHz   |    2x    |2 & 3|1 & 2|1 & 2|2 &|1 &|1 &|
          |       |           |          |     |     |     | 3 | 2 | 2 |
          |-------+-----------+----------+-----+-----+-----+---+---+---|
          |166MHz |   66MHz   |    2x    |2 & 3|1 & 2|1 & 2|1 &|1 &|1 &|
          |       |           |          |     |     |     | 2 | 2 | 2 |
          |------------------------------------------------------------|
          |Note: Pins designated should be in the closed position.     |
          +------------------------------------------------------------+
       
          +------------------------------------------------------------+
          |              CPU SPEED SELECTION (CX 6X86MX)               |
          |------------------------------------------------------------|
          |  CPU  |Clock speed|Multiplier| BF0 | BF1 | BF2 |FQ1|FQ2|FQ3|
          | speed |           |          |     |     |     |   |   |   |
          |-------+-----------+----------+-----+-----+-----+---+---+---|
          |200MHz |   75MHz   |    2x    |2 & 3|1 & 2|1 & 2|1 &|2 &|1 &|
          |       |           |          |     |     |     | 2 | 3 | 2 |
          |-------+-----------+----------+-----+-----+-----+---+---+---|
          |233MHz |   66MHz   |    3x    |1 & 2|2 & 3|1 & 2|1 &|1 &|1 &|
          |       |           |          |     |     |     | 2 | 2 | 2 |
          |-------+-----------+----------+-----+-----+-----+---+---+---|
          |233MHz |   75MHz   |   2.5x   |2 & 3|2 & 3|1 & 2|1 &|2 &|1 &|
          |       |           |          |     |     |     | 2 | 3 | 2 |
          |-------+-----------+----------+-----+-----+-----+---+---+---|
          |266MHz |   66MHz   |   3.5x   |1 & 2|1 & 2|1 & 2|1 &|1 &|1 &|
          |       |           |          |     |     |     | 2 | 2 | 2 |
          |-------+-----------+----------+-----+-----+-----+---+---+---|
          |300MHz |   66MHz   |   3.5x   |1 & 2|1 & 2|1 & 2|1 &|1 &|1 &|
          |       |           |          |     |     |     | 2 | 2 | 2 |
          |-------+-----------+----------+-----+-----+-----+---+---+---|
          |300MHz |   75MHz   |    3x    |1 & 2|2 & 3|1 & 2|1 &|2 &|1 &|
          |       |           |          |     |     |     | 2 | 3 | 2 |
          |-------+-----------+----------+-----+-----+-----+---+---+---|
          |333MHz |   75MHz   |   3.5x   |1 & 2|1 & 2|1 & 2|1 &|2 &|1 &|
          |       |           |          |     |     |     | 2 | 3 | 2 |
          |-------+-----------+----------+-----+-----+-----+---+---+---|
          |333MHz |   83MHz   |    3x    |1 & 2|2 & 3|1 & 2|2 &|1 &|2 &|
          |       |           |          |     |     |     | 3 | 2 | 3 |
          |------------------------------------------------------------|
          |Note: Pins designated should be in the closed position.     |
          +------------------------------------------------------------+
       
          +------------------------------------------------------------+
          |              CPU SPEED SELECTION (IBM 6X86MX)              |
          |------------------------------------------------------------|
          |  CPU  |Clock speed|Multiplier| BF0 | BF1 | BF2 |FQ1|FQ2|FQ3|
          | speed |           |          |     |     |     |   |   |   |
          |-------+-----------+----------+-----+-----+-----+---+---+---|
          |200MHz |   75MHz   |    2x    |2 & 3|1 & 2|1 & 2|1 &|2 &|1 &|
          |       |           |          |     |     |     | 2 | 3 | 2 |
          |-------+-----------+----------+-----+-----+-----+---+---+---|
          |233MHz |   66MHz   |    3x    |1 & 2|2 & 3|1 & 2|1 &|1 &|1 &|
          |       |           |          |     |     |     | 2 | 2 | 2 |
          |-------+-----------+----------+-----+-----+-----+---+---+---|
          |233MHz |   75MHz   |   2.5x   |2 & 3|2 & 3|1 & 2|1 &|2 &|1 &|
          |       |           |          |     |     |     | 2 | 3 | 2 |
          |-------+-----------+----------+-----+-----+-----+---+---+---|
          |266MHz |   66MHz   |   3.5x   |1 & 2|1 & 2|1 & 2|1 &|1 &|1 &|
          |       |           |          |     |     |     | 2 | 2 | 2 |
          |-------+-----------+----------+-----+-----+-----+---+---+---|
          |300MHz |   66MHz   |   3.5x   |1 & 2|1 & 2|1 & 2|1 &|1 &|1 &|
          |       |           |          |     |     |     | 2 | 2 | 2 |
          |-------+-----------+----------+-----+-----+-----+---+---+---|
          |300MHz |   75MHz   |    3x    |1 & 2|2 & 3|1 & 2|1 &|2 &|1 &|
          |       |           |          |     |     |     | 2 | 3 | 2 |
          |-------+-----------+----------+-----+-----+-----+---+---+---|
          |333MHz |   75MHz   |   3.5x   |1 & 2|1 & 2|1 & 2|1 &|2 &|1 &|
          |       |           |          |     |     |     | 2 | 3 | 2 |
          |-------+-----------+----------+-----+-----+-----+---+---+---|
          |333MHz |   83MHz   |    3x    |1 & 2|2 & 3|1 & 2|2 &|1 &|2 &|
          |       |           |          |     |     |     | 3 | 2 | 3 |
          |------------------------------------------------------------|
          |Note: Pins designated should be in the closed position.     |
          +------------------------------------------------------------+
       
          +------------------------------------------------------------+
          |                CPU SPEED SELECTION (IDT C6)                |
          |------------------------------------------------------------|
          |  CPU  |Clock speed|Multiplier| BF0 | BF1 | BF2 |FQ1|FQ2|FQ3|
          | speed |           |          |     |     |     |   |   |   |
          |-------+-----------+----------+-----+-----+-----+---+---+---|
          |150MHz |   50MHz   |    3x    |1 & 2|2 & 3|1 & 2|2 &|2 &|2 &|
          |       |           |          |     |     |     | 3 | 3 | 3 |
          |-------+-----------+----------+-----+-----+-----+---+---+---|
          |150MHz |   75MHz   |    2x    |2 & 3|1 & 2|1 & 2|1 &|2 &|1 &|
          |       |           |          |     |     |     | 2 | 3 | 2 |
          |-------+-----------+----------+-----+-----+-----+---+---+---|
          |180MHz |   60MHz   |    3x    |1 & 2|2 & 3|1 & 2|2 &|1 &|1 &|
          |       |           |          |     |     |     | 3 | 2 | 2 |
          |-------+-----------+----------+-----+-----+-----+---+---+---|
          |200MHz |   66MHz   |    3x    |1 & 2|2 & 3|1 & 2|1 &|1 &|1 &|
          |       |           |          |     |     |     | 2 | 2 | 2 |
          |-------+-----------+----------+-----+-----+-----+---+---+---|
          |225MHz |   75MHz   |    3x    |1 & 2|2 & 3|1 & 2|1 &|2 &|1 &|
          |       |           |          |     |     |     | 2 | 3 | 2 |
          |------------------------------------------------------------|
          |Note: Pins designated should be in the closed position.     |
          +------------------------------------------------------------+
       
          +------------------------------------------------------------+
          |                CPU SPEED SELECTION (AM K5)                 |
          |------------------------------------------------------------|
          |  CPU  |Clock speed|Multiplier| BF0 | BF1 | BF2 |FQ1|FQ2|FQ3|
          | speed |           |          |     |     |     |   |   |   |
          |-------+-----------+----------+-----+-----+-----+---+---+---|
          |100MHz |   66MHz   |   1.5x   |1 & 2|1 & 2|1 & 2|1 &|1 &|1 &|
          |       |           |          |     |     |     | 2 | 2 | 2 |
          |-------+-----------+----------+-----+-----+-----+---+---+---|
          |166MHz |   66MHz   |   2.5x   |2 & 3|2 & 3|1 & 2|1 &|1 &|1 &|
          |       |           |          |     |     |     | 2 | 2 | 2 |
          |------------------------------------------------------------|
          |Note: Pins designated should be in the closed position.     |
          +------------------------------------------------------------+
       
          +------------------------------------------------------------+
          |                CPU SPEED SELECTION (AM K6)                 |
          |------------------------------------------------------------|
          |  CPU  |Clock speed|Multiplier| BF0 | BF1 | BF2 |FQ1|FQ2|FQ3|
          | speed |           |          |     |     |     |   |   |   |
          |-------+-----------+----------+-----+-----+-----+---+---+---|
          |166MHz |   66MHz   |   2.5x   |2 & 3|2 & 3|1 & 2|1 &|1 &|1 &|
          |       |           |          |     |     |     | 2 | 2 | 2 |
          |-------+-----------+----------+-----+-----+-----+---+---+---|
          |200MHz |   66MHz   |    3x    |1 & 2|2 & 3|1 & 2|1 &|1 &|1 &|
          |       |           |          |     |     |     | 2 | 2 | 2 |
          |-------+-----------+----------+-----+-----+-----+---+---+---|
          |233MHz |   66MHz   |   3.5x   |1 & 2|1 & 2|1 & 2|1 &|1 &|1 &|
          |       |           |          |     |     |     | 2 | 2 | 2 |
          |-------+-----------+----------+-----+-----+-----+---+---+---|
          |266MHz |   66MHz   |    4x    |2 & 3|1 & 2|2 & 3|1 &|1 &|1 &|
          |       |           |          |     |     |     | 2 | 2 | 2 |
          |-------+-----------+----------+-----+-----+-----+---+---+---|
          |300MHz |   66MHz   |   4.5x   |2 & 3|2 & 3|2 & 3|1 &|1 &|1 &|
          |       |           |          |     |     |     | 2 | 2 | 2 |
          |-------+-----------+----------+-----+-----+-----+---+---+---|
          |333MHz |   66MHz   |    5x    |1 & 2|2 & 3|2 & 3|1 &|1 &|1 &|
          |       |           |          |     |     |     | 2 | 2 | 2 |
          |------------------------------------------------------------|
          |Note: Pins designated should be in the closed position.     |
          +------------------------------------------------------------+
       
          +------------------------------------------------------------+
          |                CPU SPEED SELECTION (INTEL)                 |
          |------------------------------------------------------------|
          |  CPU  |Clock speed|Multiplier| BF0 | BF1 | BF2 |FQ1|FQ2|FQ3|
          | speed |           |          |     |     |     |   |   |   |
          |-------+-----------+----------+-----+-----+-----+---+---+---|
          |100MHz |   66MHz   |   1.5x   |1 & 2|1 & 2|1 & 2|1 &|1 &|1 &|
          |       |           |          |     |     |     | 2 | 2 | 2 |
          |-------+-----------+----------+-----+-----+-----+---+---+---|
          |120MHz |   60MHz   |    2x    |2 & 3|1 & 2|1 & 2|2 &|1 &|1 &|
          |       |           |          |     |     |     | 3 | 2 | 2 |
          |-------+-----------+----------+-----+-----+-----+---+---+---|
          |133MHz |   66MHz   |    2x    |2 & 3|1 & 2|1 & 2|1 &|1 &|1 &|
          |       |           |          |     |     |     | 2 | 2 | 2 |
          |-------+-----------+----------+-----+-----+-----+---+---+---|
          |150MHz |   60MHz   |   2.5x   |2 & 3|2 & 3|1 & 2|2 &|1 &|1 &|
          |       |           |          |     |     |     | 3 | 2 | 2 |
          |-------+-----------+----------+-----+-----+-----+---+---+---|
          |166MHz |   66MHz   |   2.5x   |2 & 3|2 & 3|1 & 2|1 &|1 &|1 &|
          |       |           |          |     |     |     | 2 | 2 | 2 |
          |-------+-----------+----------+-----+-----+-----+---+---+---|
          |200MHz |   66MHz   |    3x    |1 & 2|2 & 3|1 & 2|1 &|1 &|1 &|
          |       |           |          |     |     |     | 2 | 2 | 2 |
          |------------------------------------------------------------|
          |Note: Pins designated should be in the closed position.     |
          +------------------------------------------------------------+
       
          +------------------------------------------------------------+
          |              CPU SPEED SELECTION (INTEL MMX)               |
          |------------------------------------------------------------|
          |  CPU  |Clock speed|Multiplier| BF0 | BF1 | BF2 |FQ1|FQ2|FQ3|
          | speed |           |          |     |     |     |   |   |   |
          |-------+-----------+----------+-----+-----+-----+---+---+---|
          |166MHz |   66MHz   |   2.5x   |2 & 3|2 & 3|1 & 2|1 &|1 &|1 &|
          |       |           |          |     |     |     | 2 | 2 | 2 |
          |-------+-----------+----------+-----+-----+-----+---+---+---|
          |200MHz |   66MHz   |    3x    |1 & 2|2 & 3|1 & 2|1 &|1 &|1 &|
          |       |           |          |     |     |     | 2 | 2 | 2 |
          |-------+-----------+----------+-----+-----+-----+---+---+---|
          |233MHz |   66MHz   |   3.5x   |1 & 2|1 & 2|1 & 2|1 &|1 &|1 &|
          |       |           |          |     |     |     | 2 | 2 | 2 |
          |------------------------------------------------------------|
          |Note: Pins designated should be in the closed position.     |
          +------------------------------------------------------------+
       
          +------------------------------------------------------------+
          |                   CPU VOLTAGE SELECTION                    |
          |------------------------------------------------------------|
          |  Voltage  |   VID0   |  VID1   |  VID2   |  VID3  |  VID4  |
          |-----------+----------+---------+---------+--------+--------|
          |   2.2v    |  1 & 2   |  2 & 3  |  1 & 2  | 1 & 2  | 1 & 2  |
          |-----------+----------+---------+---------+--------+--------|
          |   2.8v    |  1 & 2   |  1 & 2  |  1 & 2  | 2 & 3  | 1 & 2  |
          |-----------+----------+---------+---------+--------+--------|
          |   2.9v    |  2 & 3   |  1 & 2  |  1 & 2  | 2 & 3  | 1 & 2  |
          |-----------+----------+---------+---------+--------+--------|
          |   3.2v    |  1 & 2   |  1 & 2  |  2 & 3  | 2 & 3  | 1 & 2  |
          |-----------+----------+---------+---------+--------+--------|
          |   3.3v    |  2 & 3   |  1 & 2  |  2 & 3  | 2 & 3  | 1 & 2  |
          |-----------+----------+---------+---------+--------+--------|
          |   3.4v    |  1 & 2   |  2 & 3  |  2 & 3  | 2 & 3  | 1 & 2  |
          |-----------+----------+---------+---------+--------+--------|
          |   3.5v    |  2 & 3   |  2 & 3  |  2 & 3  | 2 & 3  | 1 & 2  |
          |------------------------------------------------------------|
          | Note: Pins designated should be in the closed position.    |
          +------------------------------------------------------------+